Hallo,
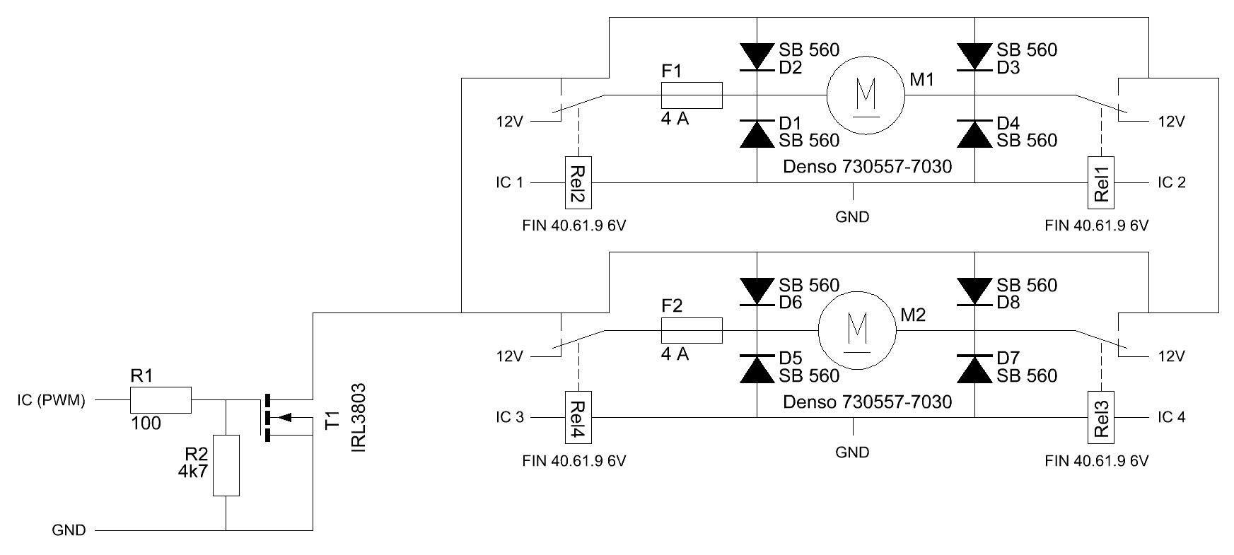
ich habe für einen Antrieb mit DC-Getriebemotoren eine Richtungsänderung
mit Hilfe von Relais gebaut, die auch soweit funktioniert. Nun möchte
ich das diese Motoren nicht apprupt anfahren bzw stehen bleiben. Kann
ich dies, so wie ich es im Anhang versucht habe zu zeichnen, mit Hilfe
von einem Mosfet und PWM machen? Und wenn ja macht es sin den Fet im
Fahrbetrieb mit einem Relais zu überbrücken damit nicht der Strom die
ganze Zeit durch ihn fließt und ihn erwärmt?
Vielen Dank schon mal
Gruß Michael
>mit Hilfe von einem Mosfet und PWM machen? Ja, geht. >Und wenn ja macht es sin den Fet im Fahrbetrieb mit einem Relais zu >überbrücken damit nicht der Strom die ganze Zeit durch ihn fließt und ihn >erwärmt? Kann man, muss man aber nicht. Wenn der MOSFET sauber durchsteuert, ist der Kanalwiderstand ziemlich klein, was dazuführt, dass darüber wenig Spannung abfällt und somit auch wenig Leistung umgesetzt wird.
mit der PWM, das geht schon. Deine Schaltung oben aber nicht. Sch Dir doch einmal eine IC H-Brücke an, z.B. TLE5205 der BTS78xx, die können locker Deine 4A Motren treiben haben. Gruß Willi
Warum so kompliziert, es gibt einfache elektronische schaltungen. was man braucht ist nur eine sysmetische Spannungsversorgung, diese lässt sich leicht aus zwei stabilisierten Steckernetzteile herstellen. Und die schaltung aus folgendenm Link: Beitrag "OPV mit DAC ansteuern" etwas runterscrollen da kommt die schaltung im kleinem diese kann vergrössert dargestellt werden. Braucht nur 2 Signale PWM + Signal vor- + Rückwärts. Habe selber die schaltung schon ausprobiert. und bei dem minimalen Aufwand ist diese pro stück für unter 3 euro machbar, DIE TIC 122 + 127 sind wichtig, da es sich um Schaltdarlingtons handelt, die eine spezielle innenverdrahung haben wie Schutzdiode und widerstände zwischen den transistorenstufen. Ich hoffe damit dir eine Hilfestellung gegeben zu haben Gruß freddy
Für RC Servobetrieb habe ich das mal so gemacht: Beitrag "RC-Servoelektronik für DC-Motor" Da in deiner Schaltung allerdings ein paar wichtige Verbindungspunkte fehlen, kann ich nicht sagen, ob das bei dir passt.
Freddy B. schrieb: > Warum so kompliziert, es gibt einfache elektronische schaltungen. Und das fällt Dir schon nach über neun Jahren auf? Uiuiui.
Rufus Τ. F. schrieb: > Freddy B. schrieb: >> Warum so kompliziert, es gibt einfache elektronische schaltungen. > > Und das fällt Dir schon nach über neun Jahren auf? > > Uiuiui. Bravo! Einen neuen Nutzer sofort Volley nehmen -das ist die neue Freundlichkeit... Ebenso > Uiuiui. :(
Rufus Τ. F. schrieb: > Freddy B. schrieb: > Warum so kompliziert, es gibt einfache elektronische schaltungen. > > Und das fällt Dir schon nach über neun Jahren auf? > > Uiuiui. Soviel zum "guten und freundlichen Ton der Mods". Zum Thema: Wie wärs ganz simpel mit einer Schwungscheibe?
unglaublich schrieb: > Wie wärs ganz simpel mit einer Schwungscheibe? Richtungswechsel gegen die Schwungscheibe? Dann wohl nur mit zusätzlicher Bremse.
Bitte melde dich an um einen Beitrag zu schreiben. Anmeldung ist kostenlos und dauert nur eine Minute.
Bestehender Account
Schon ein Account bei Google/GoogleMail? Keine Anmeldung erforderlich!
Mit Google-Account einloggen
Mit Google-Account einloggen
Noch kein Account? Hier anmelden.
