Hallo Wie kann man den Kopfhörerausgang für ein analoges Mischpult steuern ? Das Mischpult hat 4 Känäle und das Netzteil verfügt über + - 15V. Der Umschalter sollte 4 Taster mit je einer Kontroll-LED haben . Sollten Relais zum Umschalten verwendet werden ? Ein passender Link reicht auch .
>Sollten Relais zum Umschalten verwendet werden ?
Kopfhörer sind relativ niederohmig. Da wären
Relais als Umschalter sicher eine gute Wahl.
Hallo Ulf, >Der Umschalter sollte 4 Taster mit je einer Kontroll-LED haben . >Sollten Relais zum Umschalten verwendet werden ? Also, normalerweise schaltest du die Signale vor dem Kopfhörerverstärker. Und dafür brauchst du eigentlich keine Relais. Du könntest die Signale in einem Summierverstärker rückwirkungsfrei aufschalten. Einfach Schalter vor R1, R2, ..., Rn legen und auf die andere Seite des Schalters das jeweilige Signal legen: http://www.jens-wesemann.de/op7.htm Wenn du Schalter mit doppelten Kontakten verwendest, kannst du auch parallel dazu die zugehörige LED einschalten. Kai Klaas
Danke für die Antworten . Die Steuerung sollte nur das Abhören eines Kanals ermöglichen . Bei Tastenbetätigung sollten alle anderen Kanäle automatisch stumm sein .
Radio-Buttons... Ich weiß nicht, ob es die noch gibt: Früher hatten (Auto-) Radios zum Umschalten zwischen den Sender Taster, die andere Taster "herausspringen" ließen, so dass nur eine Taste von mehreren gedrückt war. Wie wäre es denn mit einem Drehschalter? Die haben die Möglichkeit, mehr als nur ein Signal (z.B. Stereo) gleichzeitig zu schalten. Mechanischer Multiplexer.
Die Signale der Kanäle vor den Fadern abgreifen und über einen Analogmultiplexer mit dem Eingang des Kopfhörerverstärkers verbinden. Das geht zB schom mit einem 4052 der 2 x 4 auf 1 Analogmultiplexer enthält. Für High-End HiFi Qualität ist das IC zwar Bäh doch geht es hier wohl nicht um höchste Klangqualität. Die Umschaltung erfolgt dann mit dem entsprechenden Dualcode für den Eingang. Ist kein Problem das mit Tastern, Umschalter etc. anzusteuern, auch Controller- oder Fensteuerung ist so machbar.
Hallo Ulf,
>Gibt es auch analoge Schaltungen ohne Drehschalter ?
Darf es auch ein bißchen digital sein? Mit ein paar Flip-Flops für
Tastenspeicher und Vorrangschaltung und einer Handvoll guter
Analogschalter bist du dabei.
Wie hoch sind denn deine Anforderungen, also Ausschaltdämpfung,
Klirrfaktor, etc.?
Kai Klaas
Die Signalqualität soll möglichst nicht beeiflusst werden . Wie kann man die Relais zB. mit einem 4052 ansteuern ?
Hallo Ulf,
>Wie kann man die Relais zB. mit einem 4052 ansteuern ?
Eigentlich verwendest du entweder Relais oder den 4052, weil letzterer
nämlich ein Analogsschalter ist. Leider verkraftet er nur +/-7,5V, ist
also für deine +/-15V Versorgung eher weniger geeignet. Da ist ein
ADG419 schon viel besser.
Kai Klaas
Hallo Ich hab wohl was verwechselt . Wie kann ich eine Schaltung mir Analogmultiplexer aufbauen ?
Hallo Ulf,
>Wie kann ich eine Schaltung mir Analogmultiplexer aufbauen ?
Ich würde für jeden Taster ein NAND-Flip-Flop aufbauen, wobei jeder
Taster sein Flip-Flop setzt und gleichzeitig alle anderen zurücksetzt.
Mit dem Ausgang der Flip-Flops steuerst du dann die zugehörigen
Analogschalter.
Kai Klaas
Willst du immer nur einen Kanal hören, oder auch mehrere gleichzeitig. Kai
>Leider verkraftet er nur +/-7,5V, ist >also für deine +/-15V Versorgung eher weniger geeignet. Betriebsspannung ist nicht gleich Signalspannung. Im Mischpult werden an den Fadern kaum 15V-SS anliegen und es sind ja eh Koppelkondensatoren drin. So kann der IC mit +15V betrieben werden. Da die Umschaltung mit einem 2Bit 'Wort' gerfolgt lässt sich das leicht mit paar Dioden oder Logicbausteinen (Sinnvollerweise auch aus de 40er CMOS Reihe) machen. Solche Schaltungen mit Analog-Multiplexern bzw Schaltern wurden früher oft im Mischpulten eingesetzt (mal nach Plänen gurgeln). Hab ähnliches frührer oft in Mischpulten verbaut, die Klangqualität ist für PA- oder Diskopulte völlig ausreichend. Fürs Studio sind natürlich bessere (aber auch mehrfach teuere) Analogschalter nötig, denke mal das das fragliche Mischpult nicht in diese Kategorie fällt. Leider hab ich jetzt auf die Schnelle keine fertige Schaltung parat.
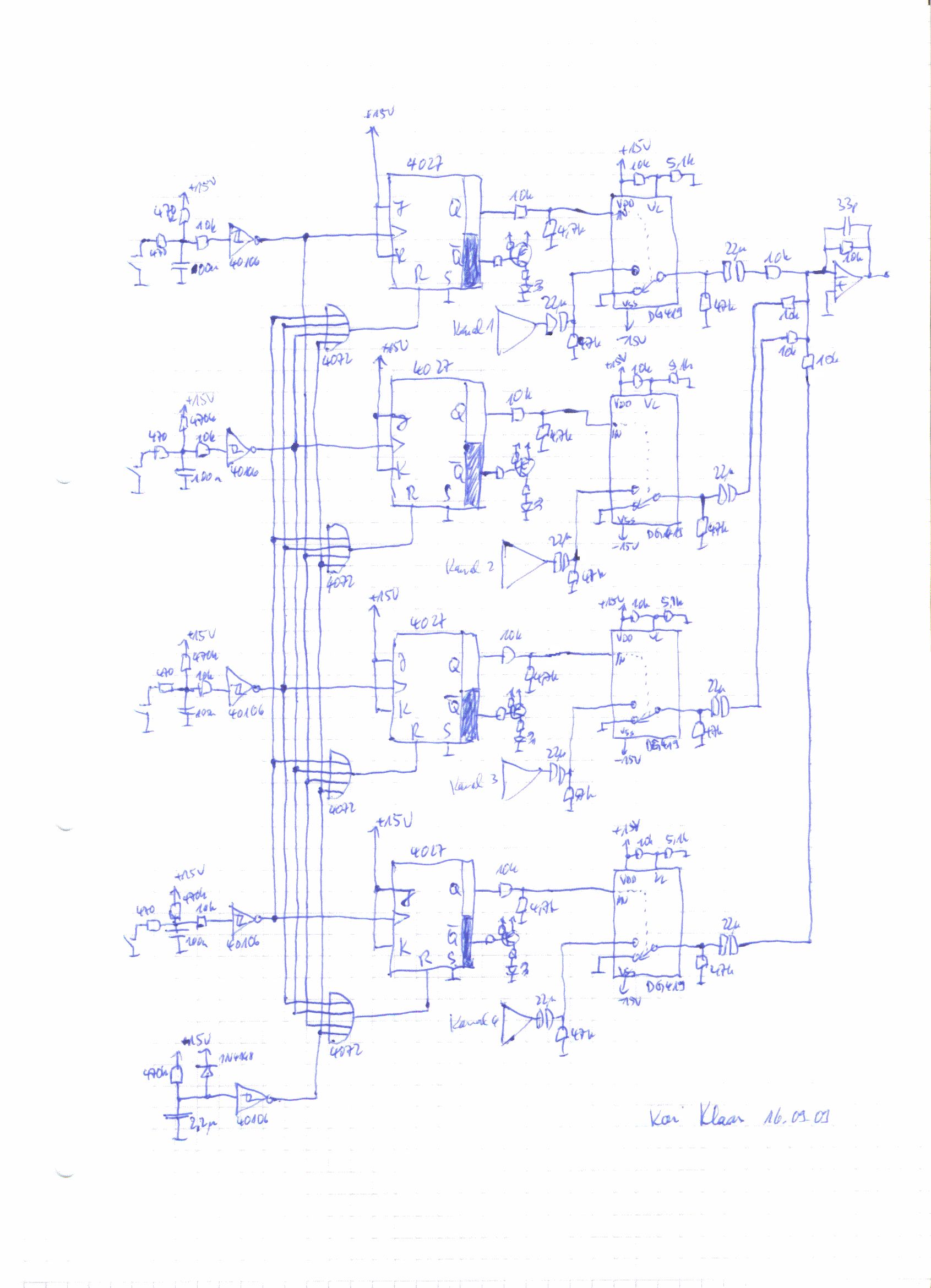
Hallo Ulf, ich habe das mal abgeschätzt. Du müßtest für die Steuerung zwei CD4027, einen CD40106, einen CD4072, mindestens 9 Widerstände und 5 Kondensatoren verwenden. Willst du das nicht lieber mit einem kleinen Mikrocontroller machen? Das bietet sich förmlich an. Kai Klaas
Ohne Mikrocontroller könnte die Schaltung so aussehen wie im Anhang. Kai Klaas
Hallo Danke für die Antworten. Gibt es auch eine Möglichkeit mit Mikrocontroller ? Es sollte immer nur ein Kanal abhörbar sein.
Hallo Ulf,
>Gibt es auch eine Möglichkeit mit Mikrocontroller ?
Ja klar. Wenn du die Taster per Software entprellst, kannst du sogar die
RC-Filter bei den Tastern weglasssen. Du müßtest dann noch die
Vorrangschaltung und Tastenspeicherfunktion softwaremäßig nachbilden.
Kai Klaas
Kann man sowas irgendwo mal sehen ? Die Schaltung sollte das Signal möglichst nicht beeinflussen .
Hab mal einen Plan mit Minimalaufwand gezeichnet. Ist so natürlich noch nicht vollständig, Abblock- und sonstige Kundensatoren fehlen zB noch. Soll nur das ausbaufähige Prinzip zeigen. Wenn das SIgnal vor den Fadern durch die Aufschaltung des KH-Amps beeinflusst wird (Was dann aber für eine schlechte Qualität des Mispultes sprechen würde) kann noch eine Impedamzwandlerstufe zwischengeschaltet werden. So ähnlich hatte ich das mal vor zig Jahren in Diskomixer eingebaut. Leider ist meine damalige genaue Schaltung nicht mehr auffindbar. Die Klangqualität war recht gut und für die Anwendung völlig ausreichend. Fürs Studio reichts so natürlich nicht, aber studiotaugliche Teile haben PFL-Schaltungen ohnehin drin.
Früher hab ich so etwas mit dem TDA1029 gemacht, der scheint aber nicht mehr lieferbar zu sein. Gibt es dafür einen Nachfolger?
Gibt es im letzten Entwurf auch die Möglichkeit Kontroll-LEDs und Relais anzuschliessen ?
Im Prinzip ja. Nur werden da halt 4 Flip-Flop benötigt, da ist der Einsatz des 4043, der 4 RS-FF enthält, sinvoll. Klar braucht es dann auch mehr Dioden aber nur noch je 3 an den Resetanschlüssen (oder 4 für einen 'alle aus' Taster. Für die Relais sind natürlich noch Transistoren zur Ansteuerung nötig. Warum aber Relais? Mit Analogschaltern (in der 'Relaisvarinate' zB mit 2x4066) geht das Strom- und Platzsparender, die höheren Übergangswiderstände bei Analogschaltern spielen doch bei dem hohen Eingangswiderstand eines KH-Verstärkers keine wesentliche Rolle.
Ich würde es anderst machen, da ja (gewöhnlich) nur der Sinn darin besteht, die Spur alleine zu hören, solange man den Taster gedrückthält, sowie nur Mono. Angenommen, mit einem Taster, sei es Momentankontakt, wie auch on/off mit ev. Led, schaltet einen 4066, kann Mono, wie auch Stereo sein, auf die Monitor-Spur, sowie gleichzeitig schaltet derselbe Kontakt, einen weiteren 4066 von der Monitor-Spur in die solo-Schiene. Als ich solche Sachen gemacht habe, habe ich einen 4066 genommen, hatte negative Supply, und mit dem Momentantaster einfach das Audiosignal auf eine eigene Schiene gebracht, wo dann ein Kanal des 4066 die Schiene, dank des Audiosignals (+12V ca) gegeben wurde, sowie umgeschalten wurde, mit einer Verzögerung. Ich bin da mit einem 4066 ausgekommen, mit einem Mono-Signal, abgenommen vom Pan Poti, mit ein paar Widerständen, sowie eine AGC Stufe. Das Monitor-Signal als Stereo hat eigentlich wenig Sinn, da es auch für die Stereoregelung genommen wird, und es meistens nur einen Monitor-Lautsprecher gibt.
Ulf hat jetzt eigentlich genügend Anregungen bekommen, um das Problem selbst lösen zu können. Aber er möchte wohl ein fix fertige Lösung auf dem Silbertablett serviert bekommen... Kai
Hallo, danke für die Anregungen. Im Plan von Kai Klaas kann ich die Teile an /Q schlecht sehen(liegt wohl an meinem Monitor). Könnte mir mal jemand helfen?
Hallo Ulf, >Im Plan von Kai Klaas kann ich die Teile an /Q schlecht sehen(liegt >wohl an meinem Monitor). >Könnte mir mal jemand helfen? Den Mauszeiger auf das geöffnete Bild ziehen und dann auf das Kreuz rechts unten klicken. Die Teile an den /Q-Ausgängen dienen einfach der optischen Kontrolle der Schaltzustände. Hier kannst du nehmen: BC557, 22k, 22k, 1k und LED. Kai Klaas
Es wäre ganz nett, wenn du die Datei auch mit einer Endung versiehst, damit man das auch öffnen kann... _.-=: MFG :=-._
Hallo Ulf, mit zwei LEDs ist das eigentlich doppelt gemoppelt. Ich würde das lieber so wie im Anhang machen, entweder auf die eine oder andere Art. Ein 24V Relais ist nicht so gut geeignet für eine 15V Versorgung. Deswegen habe ich die 12V Version gewählt. Der 120 Ohm Widerstand begrenzt die Spannung für das Relais auf rund 12V. Der Transistor, der das Relais treiben muß, braucht genügend Basisstrom. Deswegen sind hier 6,8k Widerstände besser. Darf ich fragen, was dir am Analogschalter nicht gefällt? Kai Klaas
Hallo Danke für die Antworten. Könnte ich für die Transistoren auch A-,B-,oder C-Typen verwenden? (zB:BC550C,BC557C) Im Datenblatt gibt es erhebliche Unterschiede . Bei ,,Raischelt" gibt es im Moment keine anderen Typen .
Hallo Ulf, die Transistoren arbeiten im Schalterbetrieb mit großen Basisströmen. Da spielt die Stromverstärkung eine untergeordnete Rolle. Die Basisströme sind so gewählt, daß sie rund 1/20 der Kollektorströme ausmachen. Dadurch ist die Kollektor-Emitter-Spannung im durchgeschalteten Betrieb (Sättigungsspannung) besonders klein. Mit anderen Worten, du kannst jeden BC550/BC557 einsetzen, also die A-, B- oder C-Type. Kai Klaas
Bitte melde dich an um einen Beitrag zu schreiben. Anmeldung ist kostenlos und dauert nur eine Minute.
Bestehender Account
Schon ein Account bei Google/GoogleMail? Keine Anmeldung erforderlich!
Mit Google-Account einloggen
Mit Google-Account einloggen
Noch kein Account? Hier anmelden.




