Hallo Leute! Ich versuche gerad ein Schaltnetzteil mit einem TL494 zum laufen zu bekommen. Es soll erstmal nur funktionieren und so um die 12V erzeugen, aus 230V AC. Die Hochvolt-Seite steht (1:1-Nachbau von einem PC-Netzteil, Halbbrücke), auch die Sekundärseite ist kein Problem. Der TL494 läuft im Moment über einen 2. Trafo bei 19V. Über DTC und Feedback kann ich schön die Pulsweite einstellen. Als Frequenz habe ich im Moment 25kHz eingestellt. Mein Problem ist jetzt der Übertrager für die Steuersignale der Transistoren: Ich bekomme mit 19V einfach keine Signale an der Sekundärseite raus! Ich habe folgendes Versucht: -1. TL494 Emitter an GND und Colektoren über 1k an + und an den Übertrager. Gemeinsamer Anschluss des Übertragers wie im PC-SNT über 1,5k an +. Die sekundärseite des Übertragers ist beschalten wie in dem PC-Netzteil wo ich ihn ausgebaut habe: 2 Dioden in Reihe, dazu ein 1µF-Elko parallel, danach ein 3Ohm-Widerstand zur Basis des Transistors und ein Widerstand von der Basis zum Emitter. Fazit: Nichts passiert Sekundärseitig. Der 1,5k-Widerstand wird leicht warm, die Primär-Singale am Übertrager sind auf dem Oszi schön zu sehen. Auf der Skundärseite zeigt das Oszi 0V an, auch ohne jegliche Beschaltung der Sekundärseite. (und ja, ich habe die Masse des Oszis auch an die Sekundärseite angeschlossen^^) -2. Ausgangssignal des TL494 von PNP-Transistoren schalten lassen, wie in einigen Beispielen, z.B. von ON-Semiconductor, gezeigt. Fazit: wie bei 1 -3. Aufbau wie bei 1. aber nur die halbe Spannung, also 9,5V Fazit: Es kommen an der sekundärseite knapp 0,5V an, also geht schon irgendwas. Meine Frage ist jetzt: Wieso kommt bei der kleineren Betriebsspannung etwas rüber und bei der höheren nicht? Kann es sein, das der Übertrager bei den 19V schon in der Sättigung ist? Oder ist meine Frequenz falsch? Als Vorsichtsmassnahme bevor jetzt etwas kommt wie "Bist du Wahnsinnig? 230V sind Lebensgefährlich" o.ä.: Ich bin ausgebildeter Elektriker im "aktiven Dienst", weis was ich tuhe, bin selbst verantwortlich wenn ich Mist baue, benutze einen Trenntrafo und teste erstmal mit 42V AC (so einen Trafo hab ich gerad da) ob überhaupt irgendetwas beim Haupttrafo raus kommt. Gruss Stefan
Wie waere es denn mal mit einem Schaltplan ? Textbeschreibung von Bauteilanordnugen sind immer grauenhaft. Die Sprache der Technik ist die Zeichnung ! Gruss Helmi
Sorry, einen Schaltplan hab ich gerad nicht in digitaler Form zur Hand. Es sind ja auch nicht so grauenhaft viele Bauteile dran das man irgendwie den Faden verlieren könnte^^ Ich werd das mal eben aufzeichnen...
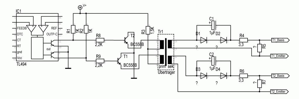
So, hier mal der Schaltplan. Der Übertrager hat auf der Primärseite eigendlich nur 3 Anschlüsse, habe aber auf die Schnelle kein anderes Symbol zur Hand gehabt. Die übrige Beschaltung des TL494 habe ich bewust weggelassen, denn der funktioniert einwandfrei. Der Übertrager funktioniert weder mit noch ohne die Transistoren (und deren Vorwiederstände), nur bei einer kleineren Spannung kommt etwas auf der Sekundärseite an. Gruss Stefan
R3 könnte etwas zu groß sein. Versuchs mal mit etwa 470 Ohm.
Den Wert von R3 habe ich von dem Widerstand in der originalen Schaltung abgelesen und auch nachgemessen. Ich werd's trotzdem mal probieren^^ Gruss Stefan
Ersetze mal die beiden PNP Transistoren durch NPN Transistoren. Sieht so aus das der jeweils andere nicht richtig sperrt. Gruss Helmi
npn-Transitoren schalten aber genau "entgegengesetzt" zu PNP. Dann würden die ja immer leiten wenn der TL494 das Tastverhältniss auf 0 setzt. Wenn ich mit dem Oszi messe, habe ich auch saubere Schaltflanken. Mir kommt es ehr so vor, das der Trafo keine Leistung rüberbekommt. Ich muss morgen mal mit einem kleineren R3 testen. Was mich eben wundert ist das bei 10V Versorgungsspannung etwas am Ausgang des Übertragers rauskommt und bei 20V nicht...
>npn-Transitoren schalten aber genau "entgegengesetzt" zu PNP. Dann >würden die ja immer leiten wenn der TL494 das Tastverhältniss auf 0 >setzt. Dann must du die Ansteuerung aendern. Inverter oder das Signal am Emitter des Transistors im TL abnehmen. Die Spannung am Emitter kann nicht hoeher werden als die Basisspannung. Schau dir mal die Spannungsverlaeufe beim Gegentaktwandler an. Da hast du am Kollektor die doppelte Betriebsspannung an stehen. Bei deinen PNP Transistoren kann die aber nicht hoeher als die Ansteuerung an der Basis werden. Folglich sperren deine Transistoren nie. Gruss Helmi
Schau mal ins Datenblatt(Motorola). Die TL494-Ausgänge sind dort 2xNPN und danach folgen 2 PNP-Transis. Den R3 gibt es da garnicht. Wo soll denn da auch die Leistung herkommen? R1/2 sind auch wesentlich kleiner.
Und ausserdem haengen in der Applikation R1 u. R2 nicht an VCC sondern an den Emittern der PNP Transistoren.
So, bin heut wiedermal zu nix gekommen... Schon blöd wenn das Oszi nicht zu hause steht^^ Da habt ihr erstmal grundsätzlich recht. Jedoch ist in der Applikation ein Push-Pull-Converter abgebildet. Ich will aber die Steuersignale des TL494 über einen Übertrager zu den eigendlichen Leistungstransistoren führen, da ich meine Ausgangsspannung aus 230V gewinnen möchte (wenn es mal läuft). Aber ich kann diese Beschaltung mal mit dem Übertrager ausprobieren. Vieleicht klappt es ja^^ Gruss Stefan
>Vieleicht klappt es ja^^
Warum soll es nicht klappen ?
Funktioniert in Milliarden von Schaltnetzteilen.
In der Applikation von Motorola kann die Basis ja auch hoeher als die
Versorgung kommen durch die Anbindung am Emitter.
Nimm als Basis ein AT-Pc-Netzteil. Literatur in ELEKTOR 6/2003, C't 10/2005 und http://spblan.narod.ru/ danach Импульсные блоки питания для РС. http://pavouk.org/hw/en_index.html Sehr interessante Seiten!
Sofern die Schaltung 1:1 aus einem PC-Netzteil stammt, ist sie grundsätzlich falsch. Die Treibertransistoren müssen NPN-Typen sein und auf dem Treibertrafo muß sich noch eine weitere Kopplungswicklung befinden, durch die der Primärstrom des Wandlertrafos fließt. Jörg
>Jörg R. (j_r)
Präzisiere bitte, welche Schaltung 1:1?
Die von Stefan M. (celmascant)? Die ist sowieso nicht ausgereift.
Michael_ schrieb: >>Jörg R. (j_r) > Präzisiere bitte, welche Schaltung 1:1? > Die von Stefan M. (celmascant)? Die ist sowieso nicht ausgereift. Genau die ist nicht nur nicht ausgereift sondern einfach falsch übernommen und kann so nicht funktionieren. Richtig ist die Schaltung, die sich in vielen oder den meisten PC-Netzteilen befindet. Jörg
Bitte melde dich an um einen Beitrag zu schreiben. Anmeldung ist kostenlos und dauert nur eine Minute.
Bestehender Account
Schon ein Account bei Google/GoogleMail? Keine Anmeldung erforderlich!
Mit Google-Account einloggen
Mit Google-Account einloggen
Noch kein Account? Hier anmelden.
