Hallo, ich will einen Antialias Filter bauen der bei 140MHz seine 3dB-Frequenz hat und bei 180MHz schon 70dB sperrt. Laut Simulation mit AADE müssen das bei einem Elliptischen Filter 9 oder 10 Pole werden. Ich habe ein Simulationsergebnis auch schon aufgebaut, mit Neosid Spulen (der 7.1 E Serie, z.B. Bürklin Best-Nr 78D876) und NP0-Keramik-Cs im 0603 Gehäuse. Allerdings hab ich das Problem dass die Cs natürlich nicht verstellbar sind, ich also nur an den Spulen drehen kann. Die Cs tauschen ist recht zeitaufwändig. Wie gleicht man so einen Filter (systematisch) ab? Mit ein bisschen an den Ls drehen und die Cs eine/zwei E12 Stufen hoch und runter ausprobieren bin ich nicht wirklich weiter gekommen. Aufgebaut habe ich das ganze indem ich die Ls mit ihren Blechgehäusen auf eine kupferkaschierte Platine gelötet habe, die Serien-Cs direkt an die Anschlussdrähte der Spulen und die Shunt-Cs zur Kupferfläche runter. Am liebsten würde ich die gemessenen S-Parameter (NWA) in ein Programm werfen das dann an den Filter(-bauteil-)werten dreht so dass es die gemessene Kurve nachvollziehen kann. So würde ich sehen welche Bauteile einen höheren/niedrigeren Wert bekommen müssen, inkl. Toleranz und Parasitären Effekten. Ist so ein Programm existent? Gibt es andere Möglichkeiten rauszufinden welche C-Werte ich erhöhen/erniedrigen muß wenn ich mit dem Drehen an den Spulen nicht auf die gewünschte Kurve komme? Die Durchlassdämpfung fällt schon ab ca. 120MHz ab, es gibt sich kein so schöner Übergangsbereich wie mit AADE simuliert, obwohl das Programm auch schon die begrenzte Spulengüte berücksichtigt. Vielen Dank für eure Tipps Randy
Hast du in der Simulation ideale Bauteilewerte (besonders für die Spulen) benutzt? Hast du Güte und SRF modelliert?
Hallo Randy, >Allerdings hab ich das Problem dass die Cs natürlich nicht >verstellbar sind, ich also nur an den Spulen drehen kann. Das siehst du als Problem an?? Sei doch froh, daß du da nicht auch noch dran drehen mußt... Zeig mal den Schaltplan. Ist das ein empfohlener, erprobter Entwurf, den du nachbaust oder ist das völliger Eigenbau? Hast du alle parasitären Cs und Ls berücksichtigt? Kai Klaas
@Kai: Ist natürlich kein erprobter Entwurf, sondern eine Berechnung mit dem AADE Filter Designer. Screenshot angehängt. Wie soll ich parasitäre Cs berücksichtigen? Ich hab, wenn der E12 Wert nicht genau gepasst hat, eher den nächstniedrigeren Wert genommen... @Bernhard: AADE kann mit einer endlichen Spulengüre rechnen. SRF ist unberücksichtigt.
Hallo Randy,
in gewissen Datenblättern findet man manchmal solche Filter, mit
angegebenen Bauteilwerten und Bezugsquellen für die Bauteile. Lieber so
etwas nachbauen und eventuell mit einer niedrigeren Ordnungszahl
zufrieden sein.
>Wie soll ich parasitäre Cs berücksichtigen?
Die findest du über Resonanzfrequenzangaben der Induktivitäten, mit der
Thomsonformel. Diese Parallelkapazität sollte deutlich kleiner sein als
die Kapazität, die du parallel schaltest und in der Simulation mit
berücksichtigt werden. Das bedeutet in der Regel, daß winzige
SMD-Festinduktivitäten gewählt werden müssen. Abgleichbare dürften zu
große Parallelkapazitäten besitzen.
Achte darauf, daß die Resonanzfrequenzen der SMD-Induktivitäten
erheblich über 180MHz liegen! Die parasitären Parallelkapazitäten
sollten nicht über 0,3...0,5pF liegen!
Kai Klaas
Der Entwurf ist nicht wirklich brauchbar. Denn er kann nicht wirkliche Werte einsetzen. Versuch mal das Elsie von Tonne Software, da kann man mit den Koeffizienten spielen, und zB ein Cap von 37pF auf einen erhaeltlichen Wert aendern.
>Der Entwurf ist nicht wirklich brauchbar. Denn er kann nicht wirkliche >Werte einsetzen. Versuch mal das Elsie von Tonne Software, da kann man >mit den Koeffizienten spielen, und zB ein Cap von 37pF auf einen >erhaeltlichen Wert aendern. Wenn er das in 50 Ohm Technik aufbauen will, muß er schon die krummen Werte nehmen, oder? Kai Klaas
Nein, natuerlich nicht. Ein vernuenftiges Programm wie das Elsie laesst den Benutzer spielen, oder laesst automatisch die naechsten verfuegbaren Werte einsetzen. Aus 47pF + 5% // 75nH -> 47pF // 75nH-5% da man die Spule besser einstellen kann. Die Pole verschieben sich geringfuegig, die Filterflanken verschieben sich geringfuegig, die Charakteristik verschiebt sich ein wenig, was soll's ?
Google mal nach "dishalls method", damit gleicht man vielstufige Filter ab. ( Der Text "filterek.pdf" taucht in den Fundstellen häufig auf, aber die meisten Links führen ins Leere, nur www.scribd.com/doc/7448169/filterek läßt immerhin den Einblick aber kein Ausdrucken zu.) Dishalls originale Veröffentlichung stammt anscheinend schon von 1951.
Um zur Ausgangsfrage zurückzukommen:
> Wie gleicht man so einen Filter (systematisch) ab?
Für die vier Einzelschwingkreise sind die Resonanzfrequenzen zu ermiteln
(wenn sie von der Filterberechnung nicht automatisch generiert werden).
Dann sind die Einzelschwingkreise nacheinander auf ihre jeweilige
Resonanz einzustellen.
Da die Einstellung auf Spannungsminimum am Filterausgang erfolgt und es
beim Cauer-TP eine garantierte Sperrdämpfung von n dB gibt, muß die
Ausgangsspannung zwingend mit einem selektiven Messmittel vorgenommen
werden. Es bieten sich also an: am Eingang Synthesegenerator oder
Tracking-Generator eines Spektrumanalysators und am Ausgang selektives
Mikrovoltmeter oder schmalbandig eingestellter Empfänger der
Spektrumanalysators. Der Spektrumanalysator ist dann auf die
Messfrequenz festzuklenmmen.
Wenn dann noch die Welligkeit im Durchlassbereich und die
Schnittfrequenzen einigermaßen befriediegend sind, wird man sehen, ob
die Standardwerte der BE ausreichen, oder ob die Kondensatoren
stückweise aus Standardwerten zusammengesetzt werden müssen.
>> Wie gleicht man so einen Filter (systematisch) ab? > Für die vier Einzelschwingkreise sind die Resonanzfrequenzen zu ermiteln > (wenn sie von der Filterberechnung nicht automatisch generiert werden). > Dann sind die Einzelschwingkreise nacheinander auf ihre jeweilige > Resonanz einzustellen. Wie sieht das in der Praxis aus? Lasse ich die Shunt-Cs (also die zum GND) einfach weg? Oder muß ich die Parallelkreise einzeln an den NWA anschließen? Was mache ich danach mit den 5 Cs nach GND? Die gleichzeig anschießen? Und hoffen dass das dann passt? @Christoph: > Google mal nach "dishalls method" Geht das auch für Tiefpässe? Habe ich bis jetzt immer nur im Zusammenhang für Bandpässe gehört. www.scribd.com/doc/7448169/filterek lese ich gerade... @Kai: > Wenn er das in 50 Ohm Technik aufbauen will, muß er schon die krummen > Werte nehmen, oder? Ja, 50 Ohm am Ein- und Ausgang. Die krummen Werte stellen scheinbar nicht das Problem dar, wenn ich mit RF99 Testläufe mache mit 5% Toleranz bei allen Bauteilen dann sehe ich wie das den Filter verziehen würde. Das wäre verschmerzbar. Das was mein Problem ist dass schon einige MHz vor der Grenzfrequenz (so ab 120 bis 140MHz) das Passband anfängt abzufallen und damit schief zu werden, was die Simulation nicht hergibt, auch nicht die die Spulengüte berücksichtigt. Ich weiß nicht ob das an anderen - nicht berücksichtigten - Effekten liegt, oder einfach an einem falschen Abgleich, d.h. meine Bauteilwerte (inkl. parasiären Effekten) sind zu weit von der Simulation weg. Vielen Dank für Tipps bisher. Randy
@Bernd: > Für die vier Einzelschwingkreise sind die Resonanzfrequenzen zu ermiteln > (wenn sie von der Filterberechnung nicht automatisch generiert werden). > Dann sind die Einzelschwingkreise nacheinander auf ihre jeweilige > Resonanz einzustellen. Die Dips im Sperrbereich (=die Resonanzen?) kann ich im NWA nicht wirklich sehen. Liegt da vielleicht der Hase im Pfeffer? Allerdings weiß ich nicht wie ich den mechanischen Aufbau verbessern kann. (Foto kommt morgen) Mein Problem ist v.a. der Durchlassbereich zwischen Marker 1 und 2 und die mäßige Sperrdämpfung von 50-70dB. Randy
das ist die Simulation dazu. Dort sind die Dips im Sperrbereich zu sehen...
Nochmal ganz langsam: Filter komplett lassen. Eingang an Generator. Ausgang an Empfänger. Am Gen Sollresonanzfrequenz des ersten Parallelschwingkreises einstellen. Kern drehen, bis am Ausgang minimale Spannung/max. Dämpfung auftritt. Dann am Gen Sollresonanzfrequenz des zweiten Parallelschwingkreises einstellen und mit dem Kern des zweiten Schwingkreises Spannungsminimum am Filterausgang einstellen. Fortsetzen für Nr. 3 und Nr. 4. Der Empfänger ist für diese vier Einstellungen schmalbandig zu betreiben. im gegegebenen Fall dürften 500 kHz gut sein. Der Generator läuft hierbei nicht durch (kein Wobbelbetrieb!), sondern ist auf die jeweilige Resonanzfrequenz fest einzustellen. Im Idealfall siehst du nachher beim Durchlauf die Dämpfungsspitzen.
Die fünf Querkondensatoren spielen für diesen Abgleich keine Rolle, müssen aber die exakten Rechenwerte haben. Solange du nicht die annähernd exakten Werte für L und C benutzt, wird dein Dämpfungverlauf auch nicht besonders schön werden. Tip: ich versuche die C-Werte möglichst exakt durch Parallelschaltung nachzubilden und stelle dann die L-Werte wie oben ein. Beim Cauer interagieren leider alle mit allen anderen Werten. Früher (TM) musste ich während des Studiums so ein Filter zu Fuß ausrechnen. Das war nur siebenter Ordnung. Hilfsmittel dazu waren endlose Tabellen, in denen jeder Rechenschritt für den Frequenzbereich einzeln festgehalten wurde. Rechner war ein Rechenschieber. Grauenvoll. Die Dämpfung wurde in Neper angegeben. Viel Spaß!
Neper? Das war ja wirklich "früher". Einen Rechenschieber hab ich auch noch, aber der wurde anfang des Studiums durch einen programmierbareren Taschenrechner HP25 ersetzt, ich sage immer "vier Jahre nach der letzten Mondlandung", 1976.
Hallo Bernd, >Kern drehen, bis am Ausgang minimale Spannung/max. Dämpfung auftritt. >Dann am Gen Sollresonanzfrequenz des zweiten Parallelschwingkreises >einstellen und mit dem Kern des zweiten Schwingkreises Spannungsminimum >am Filterausgang einstellen. Ja, ja, aber das setzt voraus, daß die Parallelkapazität schon genau stimmt. Beim 431MHz Parallelschwingkreis sind das aber nur 2pF, inklusive Streukapazität der Spule, die Randy aber leider garnicht kennt! Würde mich nicht wundern, wenn die selbst schon über 2pF liegt. Ich bezweifle ganz stark, daß ein Abgleich bei einer so hohen Grenzfrequenz und einer so hohen Filtergordnung überhaupt funktioniert. Wenn du dich dem Filter nur näherst, veränderst du doch die Streukazitäten schon im pF-Bereich. Kai Klaas
Na bisher ist die Diskussion ja recht interessant, da kann man ja was ueber Filterabgleich lernen. Die parasitaeren Kapazitaeten koennen in dem Bereich sicher ganz schoen ins Handwerk pfuschen - schon relativ kurze Leitungsstuecke koennen ein pF und/oder ein nH beitragen. Ein Foto der Schaltung oder zumindest ein Screenshot vom Layout (mit Masstab!) wuerde deshalb helfen zu beurteilen, ob eventuell auch die Leitungen zwischen den Bauteilen selber nennenswerten Einfluss haben koennten. Fuer die Shuntkondensatoren ist ein haeufiger Trick, sie in zwei parallelgeschaltete Kondensatoren aufzuteilen (mit je der halben Kapazitaet), die dann nach links und nach rechts wegstehen. Das verringert die Serieninduktivitaet und den Widerstand dieser Elemente um rund 50%. Wenn's gar nicht klappen sollte, Minicircuits hat ein grosses Angebot an relativ preisguenstigen Filtern (SMD sowie koaxial), das spart dann die ganze Abgleicharbeit. Wolfgang
Hallo Randy, hab mal ein "bisschen" experimentiert. Heraus kam MAGIC_68. Sieht sehr gut aus. 1. 3dB-Pad am Eingang und Ausgang, (nicht im Schaltplan). Das ergibt dann zusätzlich 6dB Dämpfung. 2. Nur zwei verschiedene Induktivitäten, 56nH, 68nH, SMD 0603, 5% 3. Nur zwei verschiedene Kondensatoren, 47pF, 68pF, SMD 0603, 5% Dass die Platine auf der Unterseite eine Massefläche braucht ist hoffentlich klar. Es wird nichts abgeglichen!
Hallo Helmut, nette Arbeit! Ich habe dein Filter mit TINA nachgerechnet und erhalte im Wesentlichen gleiche Resultate. Wen die 1,5dB Welligkeit stört, dem sei gesagt, daß deutlich weniger Welligkeit wohl kaum erzielbar sein dürfte. Diese Filter profitieren übrigens enorm von selektieren Bauteilen. Wenn man also die Möglichkeit hat zu selektieren, dann sollten die 68pF Kondensatoren so gut wie es irgend geht untereinander übereinstimmen. Das gleiche gilt für 68nH Induktivitäten. >Dass die Platine auf der Unterseite eine Massefläche braucht ist >hoffentlich klar. Man könnte die gesamte Filterkaskade auch in einem Weißblechgehäuse magnetisch abschirmen, so wie man es von den HF-Tunern her kennt. Kai Klaas
Hallo Kai, Das waren die zusätzlichen Spulenparameter: Serienwiderstand, Parallelkapazität .param RS=1 CPAR=0.3p Das ist die Streukapazität pro Netzwerkknoten nach Masse. .options cshunt=0.5p Die Bauteile sollten so eng wie möglich toleriert sein. Bei den Kondensatoren gibt es wahrscheinlich sogar welche mit +/-2% Toleranz.
@ Christoph Kessler > Neper? Das war ja wirklich "früher". Einen Rechenschieber hab ich auch > noch, aber der wurde anfang des Studiums durch einen programmierbareren > Taschenrechner HP25 ersetzt, ich sage immer "vier Jahre nach der letzten > Mondlandung", 1976. Da kannst du mal sehen, was ich für ein alter Zausel bin. :-)). Wir hatten nicht mal einen nichtprogrammierbaren Taschenrechner! Diese Rechnungen haben aber sehr ergreifend gezeigt, dass selbst geringste Abweichungen bei den BE-Werten zu katastrophalen Änderungen der Filterkurve führen. @ alle anderen: Das von mir beschriebene Verfahren ist eher für niederfrequentere Filter einsetzbar, da wie bereits gesagt, die Toleranzen der Kondensatoren und die Streuparameter zu unvorhersehbaren Dämpfungsverläufen führen. Kondensatoren unter 10 pF haben ja im allgemeinen bereits eine Toleranz von +/- 2 pF, was jenseits von gut und böse ist. Mit den angegeben Spulen lassen sich leider auch keine signifikanten Schwingkreisgüten erreichen, wovon der Cauer-Filter ja lebt. Bei Filtern z.B. für den Tiefpass des DDS-Ausgangs nehme ich übrigens das Verfahren von Helmut S.: ich suche mir im Tiefpasskatalog etwas annähernd passendes heraus (ja, das Alte-Zausel-Verfahren!) und entnormiere das ganze so, dass ich auf gängige L- und C-Werte komme. SMD ist Pflicht.
Hier ein Foto des Aufbaus. Die Shunt-Cs sind kaum zu sehen, die gehen von den linken Pins der Spulen zur Massefläche runter. Vielen Dank für die vielen Tipps. @ Helmut S.: Den 15(!)poligen Tschebyscheff werde ich ausprobieren, berichte dann über die Messungen. Wie hast du den Filter entworfen? @Bernd: Das Abgleichen auf die s21-Minima bei den Schwinkgkreisfrequenzen werde ich probieren, aber mit wenig Hoffnung denn ich denke wenn da minima wären müsste man die doch auch im NWA sehen? @Kai > Ich bezweifle ganz stark, daß ein Abgleich bei einer so hohen > Grenzfrequenz und einer so hohen Filtergordnung überhaupt funktioniert. > Wenn du dich dem Filter nur näherst, veränderst du doch die > Streukazitäten schon im pF-Bereich. Deswegen ja Abgleich. Die Padkapazitäten sollten nicht stören da eh jeder Knoten einen C auf GND hat, den muß man ggf. kleiner machen. Um wie viel, das ist halt die Frage. Gestern habe ich in "Lubkin: Filter systems and Design" gelesen dass "the minimum stopband attenuation should not be expected to be much better then 5 to 10 dB more than 20 log Q" Das würde natürlich die Größenordnung Stop-Dämpfung erklären, aber nicht warum der Effekt weder in der RF99 noch in der AADE Simulation auftaucht. In den Buch wird auch erwähnt dass Elliptische Filter viel empfindlicher auf endliches Q reagieren als z.B. Tschebyscheff. Randy
Leute, schaut euch mal das Elsie an. Kostet nichts. http://www.tonnesoftware.com/elsie.html Dieses Programm kann optimieren, zum Einen die Uebertragungsfunktion, zum Anderen die Bauteilwerte. Beides manuell, oder automatisch. Etwas Einarbeiten ist leider noetig, da nicht immer super intuitiv.
> @ Helmut S.: Den 15(!)poligen Tschebyscheff werde ich ausprobieren,
berichte dann über die Messungen. Wie hast du den Filter entworfen?
Ich habe auch AADE genommen und ein Tschebycheff-Filter rechnen lassen.
Dann habe ich versucht mit möglichst gleichen Komponenten auszukommen.
Da ich die 70dB nicht geschafft hatte, habe ich dann einfach nochmals
ein L-C eingefügt. Dann wieder mit den Werten experimentiert. Irgendwann
hat mich dann der Ehrgeiz gepackt fast überall mit dem Wert 68
auszukommen.
Ich denke die Schaltung hat den Namen MAGIC_68 verdient.
Vielelicht schaffst du ja am Ende 68dB. :-)
> ich denke wenn da minima wären müsste man die doch auch im NWA > sehen? Nicht unbedingt. Der NWA nudelt sich langsam durch den Frequenzbereich. Du willst aber in Echtzeit am Kern drehen. Wenn die Schwingkreise verstimmt sind, wirst du möglicherweise gar keine Minima, sondern nur leichte Absenkungen sehen, die zu allem Überfluss an völlig unerwarteten Stellen liegen. > In den Buch wird auch erwähnt dass Elliptische Filter viel empfindlicher > auf endliches Q reagieren als z.B. Tschebyscheff. Leider reagieren sie auf Änderung der anderen BE-Werte ebenso empfindlich.
Ich habe den 15pol Filter aufgebaut und vermessen. Die Filterflanke ist eigentlich ganz gut, nur etwas zu tief. Der Übergang von 2,3 auf 73 dB Dämpfung kommt von 118 bis 158 MHz, das sind die 40MHz Übergangsbereich die ich eigentlich von 140 bis 180 bräuchte. Die verwendeten Neosid Filterspulen sind alle am unteren Einstellbereich, niedriger kann ich die nicht drehen. Vielleicht versuche ich morgen die Cs eine Stufe niedriger zu nehmen. Der Sperrbereich kommt ab 500MHz wieder hoch. Nicht ganz so schlimm wie beim Elliptischen. Die Spulen scheinen da oben schon schön oberhalb ihrer Resonanz zu sein. Die Spulen vermesse ich morgen mal. Vielen Dank an alle die geholfen haben.
Hallo Randy, >Die verwendeten Neosid Filterspulen sind alle am unteren >Einstellbereich, niedriger kann ich die nicht drehen. Vielleicht >versuche ich morgen die Cs eine Stufe niedriger zu nehmen. Warum verwendest du denn nicht Festinduktivitäten? Das ist doch Gemurkse mit der Schrauberei in diesem Frequenzbereich. Kai Klaas
> Warum verwendest du denn nicht Festinduktivitäten? Das ist doch Gemurkse > mit der Schrauberei in diesem Frequenzbereich. Die Neosid-Teile hatte ich da, Festinduktivitäten muß ich erst bestllen. Außerdem ist das dann nicht mehr abgleichbar. Mir ist schon klar dass das für die Spulen eher der obere brauchbare Frequenzbereich ist. Randy
Hallo Randy, >Die Neosid-Teile hatte ich da, Festinduktivitäten muß ich erst bestllen. >Außerdem ist das dann nicht mehr abgleichbar. Mir ist schon klar dass >das für die Spulen eher der obere brauchbare Frequenzbereich ist. Ich wollte dich nicht demotivieren, sondern dir das Leben einfacher machen. Die Krux mit den abgleichbaren Spulen ist die enorme Streukapazität zum Gehäuse, die sie haben. Du hast da nie nur eine Induktivität, sondern praktisch immer einen Parallelkreis, oder Bandfilter. Besorg dir ein Meßgerät und selektiere die Induktivitäten und Kapazitäten auf gleiche Werte, oder kaufe sie engtoleriert. Das hilft dir viel eher als die Abgleicherei. Vergiß nicht, das Ganze in ein Weißblechgehäuse zu packen und an vielen Stellen zu erden, sonst leidet die Filterkurve sowieso unter undefinierten Streukapazitäten. Denke auch daran, daß ein verstellbares Teil nie und nimmer eine auch nur annähernd gleiche Langzeitstabilität aufweist, wie eine Festinduktivität. Allein Temperaturwechsel machen, daß sich der Schleifer jedes Mal einen Bruchteil eines Millimeters weiterbewegt und so mechanischen Spannungen folgt. Oder überlege dir, was passiert, wenn das Board einen Schlag erhält... Kai Klaas
Hmmm... Mir scheint ein solches Antialiasing Filter nicht wirklich sinnvoll, wenn man dann 1,5dB ripple in Kauf nehmen muß. Der A/D Wandler hinterher braucht dann auch nicht mehr als 6Bit haben weil ja die Amplitude je nach frequenz um 19% schwankt. Die Frage ist, ob man ein gewisses Aliasing in Kauf nehmen will und dafür einen einfacheren TP niedriger Ordnung dafür aber ohne ripple einsetzt. Ja und das mit dem Abgleich? Könnte gut sein, wenn du den erfolgreichen Abgleich in der Kneipe nebenan feierst,am nächsten Tag der große Kater einsetzt weil wieder alles verstimmt ist. Aber nix für ungut, würd mich freuen, wenn du das hinbringst. Grüße
>Mir scheint ein solches Antialiasing Filter nicht wirklich sinnvoll, >wenn man dann 1,5dB ripple in Kauf nehmen muß. Ja, das war meine Einschätzung auch. Läßt sich bei der geforderten Steilheit aber kaum anders machen. Besser wäre etwas mit 0,5dB Ripple und einer etwas tieferen Grenzfrequenz. Was wirklich sinnvoll ist, entscheidet aber letztlich die genaue Applikation und darüber wissen wir nur sehr wenig. Kai Klaas
Hier meine Version eines Tiefpassfilters fuer DDS-Anwendung; elliptischer Tiefpass 7. Ordnung, alles mit fixen Bauteilwerten - theoretische Bandbreite 400 MHz, gemessen 393 MHz, auch der sonstige Kurvenverlauf ist sehr nah am Spice-Ergebnis bis hinauf zu ca. 4 GHz. Alle Bauteile sind 0402, so eng zusammen wie moeglich. Die Shunt-Kondensatoren zu GND sind jeweils in zwei Elemente aufgespalten, das halbiert die parasitaeren Induktivitaeten und Serienwiderstand. S21 < ~-60dB bis 2 GHz, < -40dB bis 4 GHz. Der Aufbau liesse sich leicht auf z.B. 9. Ordnung erweitern, wenn bessere Abschwaechung noetig ist (mein DDS-Generator mit diesem Filter kommt aber schon so auf <1ps RMS jitter).
Ich hab den 9-poligen elliptischen Filter mit Coilcraft Midi-Springs (Luftspulen zum SMD-bestücken) aufgebaut. Alle 9 Cs sind per SMD-Drehko abstimmbar. Damit lässt sich eine recht gute Filterflake erreichen. Der Filter kommt bei 600MHz leider wieder hoch. Nach einer Simulation mit RF99 vermute ich dass man das durch eine bessere GND-Ankopplung der Shunt-Cs weg bekommen könnte. Randy
Den 15pol Tschebyscheff habe ich auch mit den Luftspulen aufgebaut und nur die Cs abstimmbar gemacht. Diese Konstuktion bleibt bis 2GHz dicht, das Passband entspricht der Simulation. 1,5dB Ripple sind aber tatsächlich recht viel. Leider macht AADE bei 16 Polen Schluss, so dass ich nur recht umständlich probieren kann ob man mit 17/19 Polen den Ripple signifikant reduzieren könnte. Randy
Hallo Randy, >Leider macht AADE bei 16 Polen Schluss, so dass ich nur recht >umständlich probieren kann ob man mit 17/19 Polen den Ripple signifikant >reduzieren könnte. Ich glaube eher, daß er noch größer wird... Kai Klaas
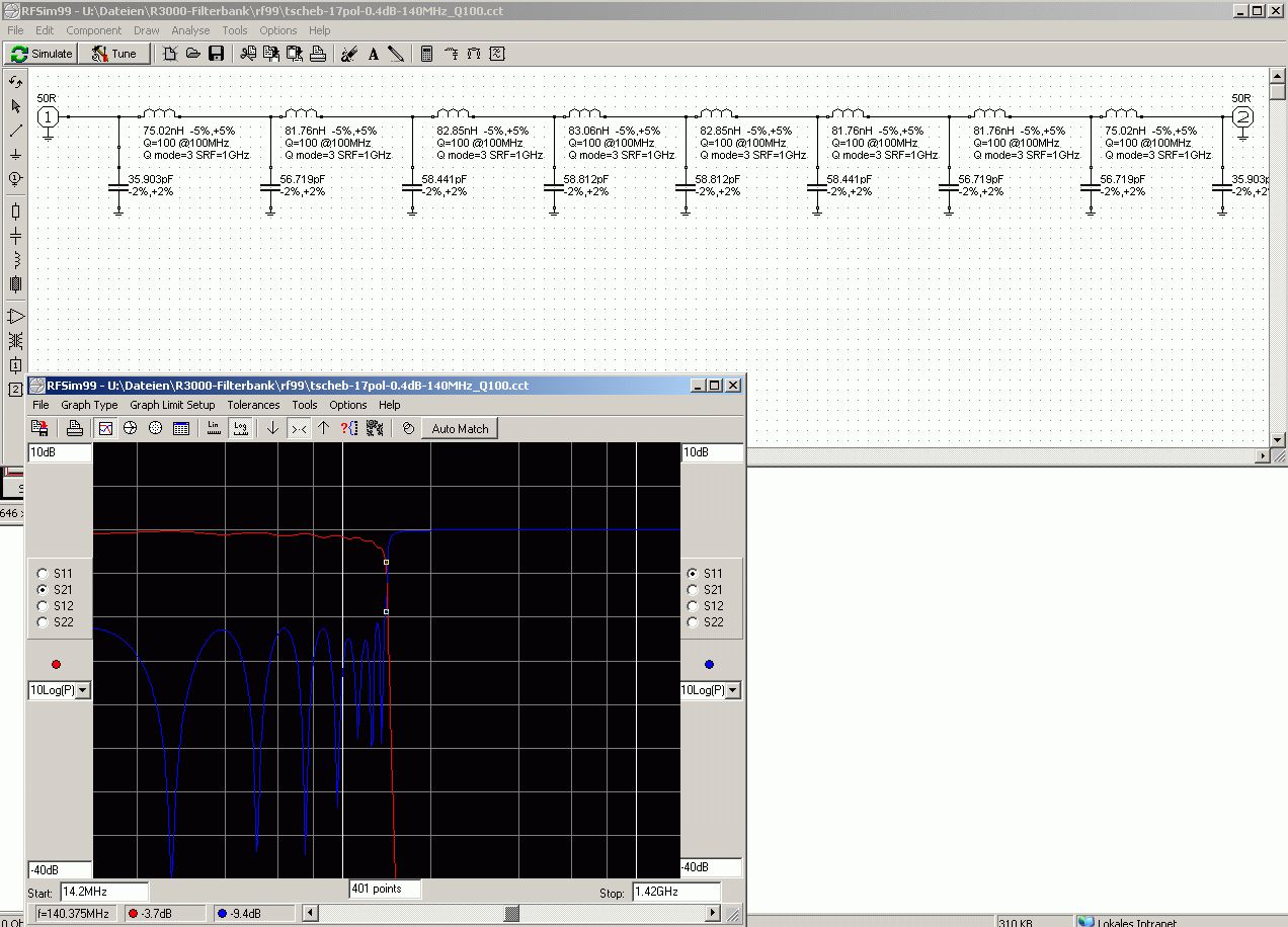
Nicht dass es eine Frage wäre... Für die Leute die es interessiert was dabei rausgekommen ist: Ich hab jetzt den 140MHz Tiefpass als 17poligen Tschebyscheff aufgebaut. Die berechneten Werte sind nominell für 0,38dB Ripple. Damit komme ich bei den mittleren 6 Spulen auf 82nH, die gibts als Standardwert. Die 75nH habe ich als 68nH+6,8nH in Reihe gebaut. Nach GND habe ich die Cs einstellbar gemacht, 2-25p Trimmer mit einem Fest-C parallel. Lies sich ganz gut einstellen, der Ripple ist viel geringer. 3 der Trimmer sind fest gegangen und haben sich nicht mehr einstellen lassen (ich vermute Lötzinn ist reingelaufen und hat den Rotor blockiert, ich hatte aber keine mehr um sie auszutauschen). Ich vermute also dass sich der Durchlassbereich in der Serie sogar noch gleichmäßiger einstellen lassen sollte. Bei ca. 2 GHz kommt der Filter wieder etwas hoch. Dort oben ist es nicht mehr gravierend. Vielleicht sehe ich im Layout noch einen kleinen hochfrequenzen Cleanup-Filter vor.
Bitte melde dich an um einen Beitrag zu schreiben. Anmeldung ist kostenlos und dauert nur eine Minute.
Bestehender Account
Schon ein Account bei Google/GoogleMail? Keine Anmeldung erforderlich!
Mit Google-Account einloggen
Mit Google-Account einloggen
Noch kein Account? Hier anmelden.












