Hallo, ich möchte meinen kleinen DC-Motor mit dem Motortreiber L293(NE) und einem AtMega32 ansteuern. Der Aufbau der Schaltung ist auch kein Problem, den habe ich gemäß dem angehängten Bild von derjulian.net realisiert. Dabei sind dann eben die Enable-Eingänge immer auf einem High Signal und für die Eingäng werden ein digital und ein PWM Port verwendet. Da ich den Motor zwischen 0 - 5 V steuern möchte, habe ich eine externe Stromquelle von 5V angeschlossen. Den digitalen Port habe ich auf High gesetzt. Mein Problem besteht jetzt in der Ansteuerung des Treibers über den PWM. Ich habe da noch nicht wirklich verstanden, wie viel Volt ich ausgeben muss, um wie viel Prozent der 5V Quellspannung an die Motoren weiterzugeben. Testweise habe ich mal ein Programm geschrieben, welches langsam das PWM Signal von 0 bis auf 5V hochfährt. Der L293 hat mir jedoch immer etwas zwischen 0 und 1.7V an den Motor ausgeben. Dabei müsste wenn das PWM Signal alle Spannungen durchwandert irgendwann der L293 auch mal die ganzen 5V Quellspannung an den Motor weiterleiten, oder? Wäre klasse wenn ihr mir mit meinem Problem weiterhelfen und mir die Augen öffnen könntet. Danke und Gruß, Stefan
Also die PWM gibt erstmal sowieso nur 0V und die Betriebsspannung (vmtl.5V) deines Controllers aus. Du steuert nur das Tastverhältnis des ganzen. (siehe z.B. roboternetz-wissen "pwm") Und auch der Ausgang des L293D wird nur getaktet, somit kannst Du da mit einem einfachen Multimeter nicht viel sinniges messen. Mit einem Oszilloskop wäre Dir geholfen.
Hast du verstanden was ein PWM ist???? Da gibt es grundätzlich nicht 1,7V oder was auch immer sondern 0V udn 5V (ok mit einem multimeter gemessen kann alles rauskommen, je nach funktionsweise des multimeter...) äh wie meinst du das, du hast nicht verstanden, wieviel Volt du ausgeben musst, um 5V am Motor zu erhalten???? Wie sieht deine Schaltung aus?????? p.s. ist dir bewusst, dass du den L293 mit einem pwm ansteuern musst, um am motor ein pwm zu erhalten??
Ne Nebenfrage: Kann man den PWM Port des L293D ohne weiteres direkt an einen PWM Pin eines AVR schalten ??
Geht so einfach nicht, der PWM muss auf die Enable Eingänge, sonst Bremst der Motor in jeder PWM Pause und hat eine große Stromaufnahme. Axel
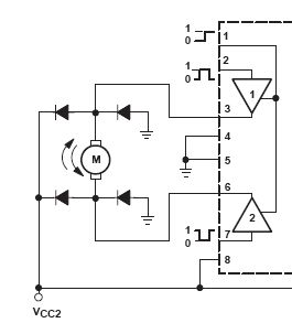
Hallo, danke schon mal für eure Antworten. Ich hab meine Schaltung jetzt mal so umgebaut, wie auf dem Bild im Anhang zu sehen ist. Dabei ist Pin 1 der Enable-Eingang, und die Pins 2 und 7 sind die beiden Inputs. VCC und GND habe ich an ein Netzteil angeschlossen, welches 5V liefert. Pin 2 ist mit VCC (High) und Pin 7 mit GND (LOW) verbunden, so dass wenn ich es richtig verstanden habe, ich jetzt die Geschwindigkeit in der sich der Motor dreht über den PWM-Port, der mit dem Enable-Eingang (Pin 1)verbunden ist, steuern kann. Hab ich das soweit richtig verstanden? Wie genau ich den PWM verwenden muss, um die Geschwindigkeit des Motors zu kontrollieren habe ich jedoch noch nicht verstanden. Ich hatte den PWM testweise so konfiguriert das er mit der 16MHZ Clock-Frequenz direkt arbeitet. Dann habe ich testweise den PWM mal so laufen lassen, dass der High-Anteil deutlich kürzer ist als der LOW-Anteil, gleich ist, oder eben genau umgekehrt. Aber an der Motordrehzahl hatte sich nie etwas geändert. Also wenn ihr mir zu dem Punkt noch helfen könntet, das wäre toll. Gruß, Stefan
Bitte melde dich an um einen Beitrag zu schreiben. Anmeldung ist kostenlos und dauert nur eine Minute.
Bestehender Account
Schon ein Account bei Google/GoogleMail? Keine Anmeldung erforderlich!
Mit Google-Account einloggen
Mit Google-Account einloggen
Noch kein Account? Hier anmelden.

