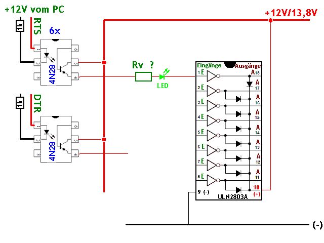
Hi, ich weiss nicht genau ob das so funktioniert wenn ich die LED direkt in die Leitung zum Eingang gebe. Welchen Wert für Rv soll ich nehmen? 560 Ohm? Und eigentlich will ich dass wenn der ULN durchschaltet, PLUS geht. Also muss ich da immer noch einen PNP Transistor anhängen der mir das Signal umdreht. Oder gibts einen IC der wie der 2803 funktioniert (mit Dioden drinnen) aber anders herum? lg Triti
...und wir wissen nicht was funktionieren soll - können dir also auch nicht sagen ob das funktioniert... der ULN hat momentan keine Funktion.... zu deiner zweiten Frage: schau mal nach UDN2981 oder TD 62783AP Gruß, Dennis
>ich weiss nicht genau ob das so funktioniert wenn ich die LED direkt in >die Leitung zum Eingang gebe. >Welchen Wert für Rv soll ich nehmen? 560 Ohm? Etwas leuchten wird sie wohl. Aber schau dir mal die Innenschaltung vom ULN2803 an. Da haengt vor der Basis ein 2.7 Kohm Widerstand. Und nun rechne mal den Strom durch deine LED aus. IEIN = (UB - ULED - UBE) / 2700 Ohm UB = 12V UBE = 2 * 0.7V = 1.4V ULED = rund 2V (kenne deine Farbe nicht) ergibt IEIN = 3.1mA Den 560 Ohm Vorwiderstand fuer die LED brauchst du nicht. Also sollte die LED schon ein bisschen leuchten (je nach Type) Gruss Helmi
@supernova > ...und wir wissen nicht was funktionieren soll - können dir also auch nicht sagen ob das funktioniert... Wir haben ein altes früher mal selbstgebautes 24V Gerät das rüttelt und zerkleinert und siebt uns Bodenproben ab. Nur ist die Steuerung tot (die ist vorher geschaltet, ein Extrakastel). Wir haben rausgefunden, dass wir nur richtig an die 5 Eingänge mit +12V (nicht 24) und ungefähr 100-150mA gehen müssen dann funktioniert es. Jetzt wollen wir das über den PC steuern und dachten da an einen ULN2803 oder sowas. So eine Schaltung wäre auch für andere Sachen recht brauchtbar :-) Der UDN2981 schaut gut aus. Den krieg ich bei RS. Im Datenblatt steht: Output Current Iout -500mA. Hoffentlich heisst das b i s und nicht minus. Ich will ja nur dass wenn das Ding schaltet, am Ausgang +100mA rauskommen können. @Helmi1 Aha, dann nehme ich eine low current und noch 1k dazu, dann sollte der STrom doch halbwegs passen. Hofentlich geht das auch beim UDN2981. Danke!
Ein Tipp: Schalt die LED nicht in Reihe zum ULN-Eingang, sondern parallel nach GND. Noch ein Tipp: Nimm dazu ne 2mA LED damit du den koppler weniger belastest
wo bitte ist der sinn der schaltung? wiso nicht wie üblich die LED am ausgang des uln? gewinnst ja nix wenn du's so machst...
@David (Gast) Ich sehe schon Sinn in der Schaltung: Wenn Low-Current-Dioden direkt in die Eingangsleitungen geschaltet werden, kann man sofort sehen, welcher Eingang angesteuert wird. Die Ausgänge des 2803 steuern ja vielleicht Lasten, bei denen man den Schaltzustand nicht "sehen" kann (Relais). Jetzt kann man natürlich parallel zu den Relais die LED's legen, benötigt dann aber immer noch je einen Vorwiderstand. Dieser ZUSÄTZLICHE Strom, nur für die Statusanzeige, kann sich schnell summieren! Der Steuerstrom in die Eingänge muß sowieso fließen.
> Der Steuerstrom in die Eingänge muß sowieso fließen. GEnau das ist die Idee. Aber ich bin mir nicht sicher ob der Strom der durch die LED rinnt und im Eingang ankommt dann noch genügt, dass der ULN am Ausgang noch maximal 200mA schalten kann. Muss ich probieren. Lampe anhängen und schauen ob er heiss wird. Dank euch! lg Triti
den UDN gibt es auch bei Reichelt. da du nur 2 Kanäle zu brauchen scheinst, kannst du auch treiber für die LEDs nutzen... Gerätschaften würde ich über ULN mit einem Relais schalten...ebenso die beleuchtung...
> Die Ausgänge des 2803 steuern ja vielleicht Lasten, bei denen man den Schaltzustand nicht "sehen" kann (Relais). Weiterhin ist es möglich, unterschiedliche Schaltspannungen für den ULN zu verwenden, wenn die LEDs an Logikseite hängen. Alternativ dazu kann man sie (im Fall des TE auch vor den Optokoppler-Eingang (ebenfalls parallel dazu) hängen, das kommt darauf an, wie viel Reserven dort vorhanden sind
Bitte melde dich an um einen Beitrag zu schreiben. Anmeldung ist kostenlos und dauert nur eine Minute.
Bestehender Account
Schon ein Account bei Google/GoogleMail? Keine Anmeldung erforderlich!
Mit Google-Account einloggen
Mit Google-Account einloggen
Noch kein Account? Hier anmelden.
