hallo ersteinmal, kurz zu mir: ich bin informatikstudent und absoluter beginner im elektrobereich. eigentlich wollte ich mir nur ein display fürn computer kaufen und dachte es ist billiger es selbst zu löten... naja, da lag ich schonmal falsch ;) bevor ich noch mehr falsch mache frag ich lieber mal nach und hoffe auf geballte fachkopetenz und hilfreiche tipps :) hier nun meine frage bzw. mein projekt. hab für recht wenig geld eine displaysteuerung bekommen, die mir einfache anweisungen über die RS232-schnittstelle ans display sendet. die ganzen deteils spar ich mir erstmal (kann ich aber auch gerne noch nachreichen). zudem bietet die steuerung zwei I/O ausgänge (je 8bit) daher dachte ich mir da kann man auch mehrer displays anschließen. meine erste frage wäre daher; ist die ansteuerung der vier displayausgänge über die transitoren so möglich? oder gibt es evtl. probleme wegen der zeitverzögerung oder was auch immer?! noch ein wenig zur schaltung: (als infomatiker weiß ich ja, dass man alles aus dem quelltext lesen kann aber komentare machens doch viel einfacher) die rechte hälfte der schaltung ist noch nicht ganz fertig aber es geht mir jetzt auch erstmal um die linke hälfte. alle steuerbits bis auf E/E2 für das display gehen direckt an die ausgänge (also D0-7,Rs,Rw) die E-bits werden mit dem I/O ausgang kombieniert, so dass (theoretisch) informationen an einzelne oder auch mehrere displays/-hälften gesendet werden können. dabei geh ich mal davon aus, dass alle ausgänge 5V liefern (richtig?). an den displayanschlüssen sind jumper die das E2-bit bzw. Rw-bit auf pin 19 legen. (notwenig, da ich 2x10 stecker am display verwenden möchte) so, das wars erstmal ;) für anregung und kritik bin ich immer offen (die zeichnung ist sicher nicht 100%-ig koreckt und die wege lassen sich sicher auch besser legen) ach ja, das layout richtet sich auch nach der späteren umsetzung, daher ist es auch ein wenig gequetscht daten: display: - + V0 Rs Rw E D0 D1 D2 D3 D4 D5 D6 D7 L+ L- (2 controler): - + V0 Rs Rw E2 E1 D0 D1 D2 D3 D4 D5 D6 D7 L+ L- IC: 1-8 -> D0-7 32-39 -> IO_0-7 12 -> Rs 13 -> Rw 14 -> E
Hallo, also der Plan sieht zwar etwas wirr aus aber schauen wir mal... du schaltets das Datenport sowie RS und RW aller Display's parallel - das passt so aber was sollen die ganzen Trasistoren an LCD_EN ???? nimm einfach für jedes LCD einen Ausgang vom Controller für EN des jeweiligen Display's und das wars. Wenn du mehrer ansprechen willst dann schalte halt mehrere Ausgänge am Controller gleichzeitig. Wenn du noch paar Portleitungen sparen willst - die Textdisplay's ?? lassen sich auch mit 4 Datenleitungen ansteuern. Sascha
hi Sascha, danke für die antwort, ich befürchte allerdings das macht mein chip nicht mit :( der ist leider in der steuerung festgelegt und da die daten (-leitungen) über den EN aktiviert/abgefragt werden, dachte ich: erst die transistoren 'öffnen' - dann die 'aktivierung' durchleiten. bin mir allerdings nicht sicher ob es da ein timing problem gibt bzw. ob die transitoren die signale (zu strak) verzögern. anbei die chip-beschreibung (pdf) und ein auszug: * Es werden LCDs mit HD44780-Controller (und kompatible) im 8-Bit-Mode angesteuert. * LCD-Ansteuerung über die RS232 des PCs oder eines Microcontrollers. Asynchrone Befehlssteuerung – nur die TxD-Leitung der RS232 wird benötigt (9600 Baud Übertragungsrate fest eingestellt). * BEFEHLSSATZ: 1. "#mein Text" Raute-Zeichen gefolgt von beliebigem Text und schon wird der Text angezeigt!!! 2. "$001" Dollar-Zeichen gefolgt von einem ASCII-Zeichen ergibt einen Befehl für das LCD (z.B. Löschen des LCD, Cursorbewegung nach rechts etc. etc.). Alle Befehle des HD44780 werden unterstützt. 3. "R0" oder "R2" liest einen Port und schreibt den Wert in die RS232, "WX,Zahl" schreibt die Zahl an den Port X (X=0 oder 2)
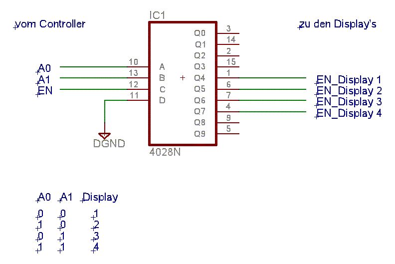
Hallo, also du willst die eigentliche Steuerung nicht verändern und auch nicht umprogrammieren, sondern die Digitalen Ausgänge nutzen um zwischen den Displays umzuschalten! - Richtig? dann würde ich vorschlagen einen Decoder zu verwenden, dann kannst du mit 2 Leitungen ein's der 4 Display's selektieren. Mehrere gleichzeitig geht sowiso nicht, da die Steuerung offensichtlich auch vom Display liest. Sascha
ja, umprogrammieren lass ich lieber mal ;) dachte, wenn man schon soviele I/Os hat kann man sie auch nutzen. aber mit dem lesen sagst du was, daran hab ich überhaupt nicht gedacht. wär die frage ob der chip liest/lesen muss oder ob er immer nur daten sendet. mir ist aber nich was anderes aufgefallen. eigentlich könnte man auch en an die transitor-basis legen, dann spart man sich einige wiederstände. danke, werd nochmal inmich gehen
1. Hier gibts prima Artikel zu den LCDs. 2. Wenn du viele an wenig Pins anschliessen willst nimm doch einfach Schieberegister. 3. Google findet jede Menge Beispiele bei 3-wire lcd oder 4-wire lcd. 4. Kann man Schieberegister prima kaskadieren, so dass du im Prinzip 100 Text-LCD problemlos mit nem 8 MHz Controller flimmerfrei bedienen kannst.
eigentlich wollte ich nur ne display-steuerung und weil da ein paar ungenutzte ausgänge dran waren, dachte ich mir: die lassen sich doch nutzen ;) jetzt mach ich erstmal den ansatz fertig. mal sehen welche probleme mich noch erwarten. das schieberegister behalte ich mal im hinterkopf brauch noch ein bischen bis es vorne ankommt ;)
Bitte melde dich an um einen Beitrag zu schreiben. Anmeldung ist kostenlos und dauert nur eine Minute.
Bestehender Account
Schon ein Account bei Google/GoogleMail? Keine Anmeldung erforderlich!
Mit Google-Account einloggen
Mit Google-Account einloggen
Noch kein Account? Hier anmelden.
