Ich bräuchte eine Gleichspannung von etwa 750 V bei einem Strom von etwa 15 A. Dass das eine ganze Menge ist, ist mir bewusst. Ich habe einen 3-Phasen-Stelltrafo mit 63 A pro Phase den ich von 0-230 V stellen kann. die Frage ist jetzt: Wie kann ich daraus die 750 V gewinnen ohne einen zusätzlichen Trafo zu nutzen? Mit einer Delon Schaltung käme ich auf etwa 640 V, das reicht leider nicht ganz. Dioden, Thyristoren und IGBT's und große Kondensatoren hätte ich zur freien Verfügung, wobei es mir aber am liebsten wäre wenn ich auf eine Steuerung verzichten könnte. Eine Kaskade scheidet bei derart hohen Leistungen aus. Oder gibts da auch sowas wie eine Variante für 3-Phasen die dann geeigneter wäre? Sonstige Ideen?
Du könntest einen Boostkonverter nachschalten (also einen Step-Up-Wandler). Ist aber alles andere als trivial zu bauen bei der Leistung. Ohne Steuerung bleibt eigentlich nur ein Trafo. Ich würde mich eher nach einem Trafo umschauen ist wahrscheinlich das Erfolgversprechenste. Gruß Mandrake
Über den Boost Converter hab ich auch schon nachgedacht, aber so trivial ist das auch nicht. Da brauche ich dann auch eine mächtige Speicherdrossel. Außerdem das ganze noch für 3 Phasen... Wenns für die Steuerung eine fertige Lösung gäbe würde ich da was kaufen, die Drossel ließe sich evtl noch eher auftreiben. Aber ich weiß nichtmal wonach und wo ich bei der Steuerung suchen könnte. Eine Schaltung nur mit Dioden und Kondensatoren wäre am einfachsten und mir am liebsten falls es etwas gäbe. Aber wie gesagt: Mit dem was mir eingefallen ist komme ich nur auf etwa 640 V und hätte schön Rippleströme von 100 A in 4700µF Elkos. Da müsste ich noch zu größeren Elkos wechseln.
Wieso für 3 Phasen? Das ganze wird gleichgerichtet und dann mit EINEM Step-Up-Wandler auf deine gewünschte Spannung gebracht. Einfach ist es trotzdem nicht sowas zu bauen. Und so etwas wie einen Villardspannungsvervielfacher kannst du schon mal direkt vergessen. Der Innenwiderstand ist einfach zu groß. Oder mal ganz platt gesagt: Sowas was du dir vorstellst geht nicht. Alleine die Verluste... Pro Diode 21Watt bei 5 Stufen allein schon 105W Verlustwärme. Nur in den Dioden. Wenn deine gewünschte Ausgangsleistung nicht so hoch wäre würde ich dir einfach einen Neontrafo oder einen Trafo aus einem Mikrowellenherd empfehlen. Die machen zwar Spannungen im kV Bereich, mit deinem Regeltrafo könntest du die aber auf deine Spannung runterregeln. Fazit: Lass dir einen Spezialtrafo wickeln. Das ist wahrscheinlich das Klügste. Gruß Mandrake
>Wieso für 3 Phasen?
Weil man die 12kW nicht aus einer Phase ziehen kann.
Warum 3 Phasen? Weil wie schon erwähnt so viel Strom schlecht aus einer Phase gezogen werden kann, oder der Netzsymmetrie zuliebe nicht gezogen werden sollte, und andererseits weil man damit schon ohne großartige Glättung nach Gleichrichtung nur noch eine recht geringe Restwelligkeit und somit auch kleine Rippleströme übrig hat. Letztere machen mir eh am meisten Sorgen. Mit einer 2-stufigen Kaskade könnte ich laut Simulation mit 4700µF Kondensatoren und 3 Phasen schon hinkommen. Aber die Rippleströme lägen bei etwa 100 A. Das würde dann schon viele Elkos parallel erfordern. Die Verluste in den Dioden stellen das allergeringste Problem dar, damit kann ich locker fertig werden. Dioden habe ich genügend hier, wenns sein muss bis über 1000 A / 1700 V. Wenns nicht anders geht dann läufts wohl schon auf nen Step-Up oder einen 1:2 Trafo raus, aber wenns ungesteuert lösbar wäre, dann würd ich das schon lieber so machen weil ich dafür schon alle notwendigen Teile hier hätte.
Kollegen von mir haben einen normalen Motorfrequenzumrichter genommen (U~f-Betrieb) und dahinter einen Dreiphasentrafo mit B6 Gleichrichter angeschlossen. Damit kann man wunderbar eine gesteuerte Gleichspannung mit großer Leistung erzeugen. Wenn Du Zugnang zu Primär- und Sekundärseite Deines Trafos hast, kannst Du den auf einen Spartrafo umbauen. Sprich KEINE GALVANISCHE TRENNUNG, Sekundärwicklungen mit der Primärseite in Reihe schalten. Könnte evtl. Isolationstechnisch ein Problem werden, aber soviel mehr Spannung hast Du nicht. Dann könntest Du die Ausgangsspannung zwischen 230Vac..460Vac einstellen. Allerdings hier der übliche Warnhinweis: Arbeiten am Stromnetz sind lebensgefährlich... Du scheinst schon zu wissen was du brauchst - daher denke ich du bist versiert im Umgang damit.
Für Versuchszwecke habe ich auch schon einen 230/110V Trafo in Reihe mit dem Netz geschaltet (Zwischen 2 Phasen) ;) Ergebniss: genau 500V AC bei 20A. Also 230VTrafo zwischen L1/N -> Sekundär in Reihe Mit L2 / Fußpunkt L1. Bei Dir wäre es dann 750V / sqr(2) = 530,3V -> Netztrafo 230/150V + 380V) Musst nur auf den Strom achten... Anselm
>Warum 3 Phasen? Weil wie schon erwähnt so viel Strom schlecht aus einer
....
Tust du ja auch nicht. Trotzdem brauchst du nur EINEN Step-Up-Wandler.
Schonmal was von einem 3-Phasen-Brückengleichrichter gehört?
Den baust du hinter deinen 3-Phasen-Regeltrafo und richtest den ganzen
Schmodder gleich und glättest das Ganze mit einem Elko.
Dann baust du dir EINEN Step-Up-Wandler dahinter der die Spannung genau
so stark anhebt, wie du es wünscht. Fertig.
Wenn du aber unbedingt 3 bauen willst kannst du auch einen
Multipalrallelwandler bauen. Das sind quasi 3 Step-Up-Wandler, die
phasenversetzt und synchron arbeiten und am Ende parallelgeschaltet
werden.
Nur das ist noch anspruchsvoller.
Aber vielleicht sagst du uns mal was es am Ende denn werden soll.
Wofür das Ganze? Vielleicht gibt es noch eine ganz andere Lösung und du
brauchst deinen TeraWatt Stelltrafo nicht.... wer weiß?
Gruß
Mandrake
P.S.: Der Tip mit von Michael ist nicht uninteressant...
Warum nicht die 650V mit einem zweiten DC-Netzteil aufsatteln, das 100 V liefert, sodass auf diese Weise 750V entstehen ? Das braucht ja dann nur etwa 1/8 Leistung zu haben, entsprechend des Spannungsunterschiedes.
Eine Delonschaltung mit einer Phase am Mittelpunkt und dann nur vier Dioden für die anderen beiden Phasen hat 1100V.
Das mit dem Spartrafo möchte ich lieber nicht machen. Wäre natürlich eine Möglichkeit, aber ich will nicht riskieren die Isolation des Trafos zu beschädigen, dafür ist er dann doch zu teuer. Überhaupt will ich keine Lösungen aufbauen bei denen Teile außerhalb der Spezifikation laufen, da ist mir das Risiko von teuren Defekten oder Ausfällen während des länger laufenden tests zu hoch. Einen Motorregler habe ich auch nicht hier. Wenn ich zusätzliche Steuer- oder Regeleinrichtungen kaufe, dann denke ich dass es eher etwas mit aktiver Gleichrichtung und Boost Schaltung wird. Die Stromversorgung wird für einen Dauertest eines DC/AC-Umrichters benötigt. Die Stromversorgung speist direkt den Zwischenkreiskondensator. Als Last hängt eine Drossel am Umrichter. Der Phasenstrom beträgt etwa 350 A. Die Verlustleistung wird in den Zuleitungen, in der Drossel und im IGBT Modul gemacht. Von diesen Umrichtern sollen 3 oder 4 über mehrere Wochen gleichzeitig betrieben werden. Ideal wäre es wenn ich mit je 2 Stück davon einen 4Q Betrieb fahren könnte, aber dafür fehlt die passende Software in den Umrichtern. Die Idee mit den zusätzlichen 100 V aus einem zweiten Netzteil aufsatteln finde ich übrigens richtig gut! 15 A bei 100V sind zwar auch nicht so ganz trivial, aber das könnte evtl eher lösbar sein wenn ich noch ein Netzteil auftreibe. Delon Schaltung mit einer Phase am Mittelpunkt und nur 4 Dioden für die andern beiden Phasen? Ich bin nicht so sicher ob ich das richtig verstehe, aber bei mir kommen da dann etwa 900 V und nicht 1100 V raus. Hat da jemand nen Schaltplan wie das auszusehen hat? Außerdem sind da durch die Unsymetrie die Rippleströme mit 600 Ap schon wieder ganz böse. Da werde ich kaum Kondensatoren finden die das abkönnen, es seidenn ich würde riesige Bänke bauen.
> 100 A in 4700µF Elkos
na das vergiss mal ganz schnell. die verspladdern ihr elektrolyt noch
während der ersten halbwelle über den rest des aufbaus.
ich würd auch einen trafo dafür wickeln lassen. dann brauchst du das nur
noch gleichrichten und gut ist. wenn das über längere zeit nonstop
laufen soll brauchst du schon einen ordentlichen aufbau.
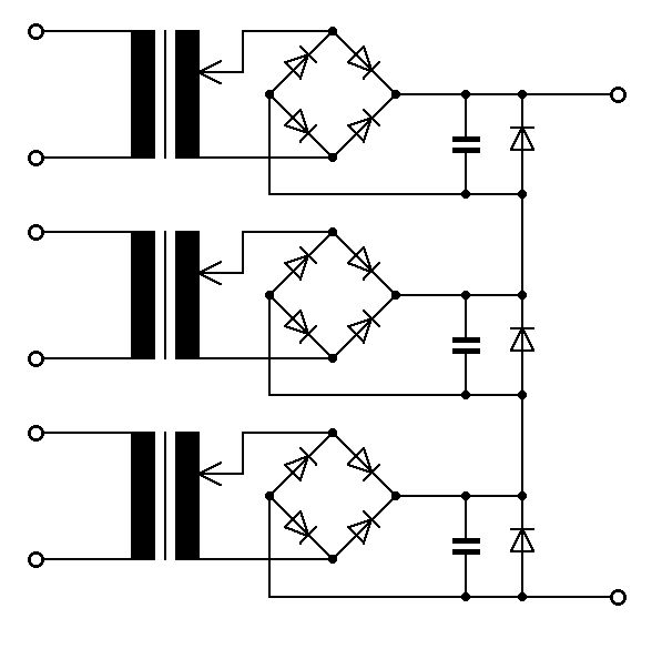
übrigens hab ich schon eine 3-phasen PFC schaltung für 6kw gesehen. das
ist schon ein verdammt heftiger aufbau...
Einen Trafo wickeln zu lassen ist wahrscheinlich schneller erledigt, als die Erfahrung Boostkonverter zu sammeln und trotzedem PASSENDE Induktivitäten und schnelle Dioden zu brauchen.
Ja, ich denk auch ein kundengemaess gewickelter Trafo 230/500V ist schnell und guenstig. Falls man eine Regelung moechte, gibt es zwei Moeglichkeiten Erstens, einen Variac vornehin und zweitens kann man sich mit Thyristoren die Haende schmutzig machen. Die Thyristoren muessen etwa 1400V halten, das ist dann schon am oberen Limit. Kaskadieren ? Moeglicherweise, aber abgehoben. Der Variac ist etwas schwerer, aber einfacher.
Sind die Ausgänge deines 3-Phasen-Stelltrafos galvanisch getrennt? Wenn ja, dann einfach die drei Ausgänge gleichrichten und in Reihe schalten, und Du hast eine einstellbare Spannung von 0..960V.
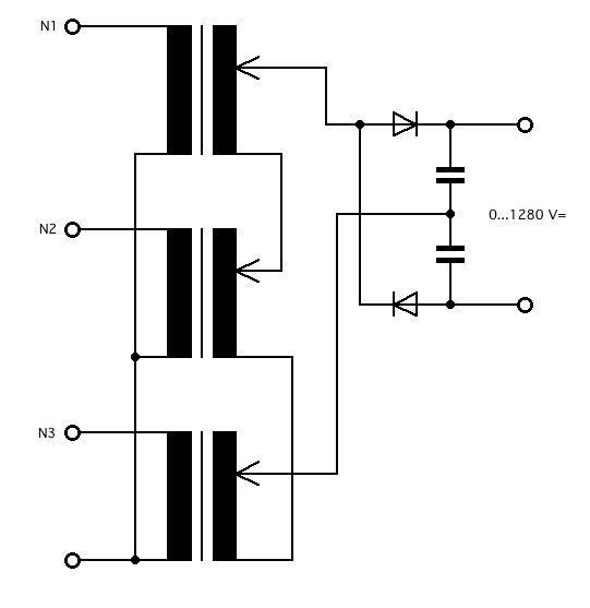
Bei galvanisch getrennten Ausgängen müsste auch das gehen: Zwei Phasen und eine invertierte Phase addieren -> 0..460V RMS (650V Spitze). Und anschließend eine Delon Schaltung -> 0 bis ca. 1280V=.
> Und anschließend eine Delon Schaltung -> 0 bis ca. 1280V=.
Hallo John bei 63A (nicht mA)??? Schon mal fliegende Elkos gesehen ?
> Schon mal fliegende Elkos gesehen ?
nein, die sind schneller verschwunden als er gucken kann. ;)
Der 3-Phasen-Stelltrafo kann 63A. Benötigt werden ja "nur" ca. 15A. Es ist klar, dass man ein 12kW Netzteil nicht mit ein paar Elkos aus einer Bastelkiste zusammenbauen kann. Zum Bild: es muss natürlich L1, L2, L3 heissen.
Bitte melde dich an um einen Beitrag zu schreiben. Anmeldung ist kostenlos und dauert nur eine Minute.
Bestehender Account
Schon ein Account bei Google/GoogleMail? Keine Anmeldung erforderlich!
Mit Google-Account einloggen
Mit Google-Account einloggen
Noch kein Account? Hier anmelden.


