hi an alle, ich suche nun bereits seit 2 tagen vergebens nach einer lösung zu einem schulprojekt. nun hoffe ich, dass ihr mir helfen könnt. also ich habe folgende aufgabenstellung: ich soll mit einem Thermoelement (KTY10) einen temperaturbereich von -50°C bis +150°C einlesen und dann als genormtes stromsignal (4mA bis 20mA) auszugeben. das ganze wäre kein problem, wenn ich einen µC verwenden darf, doch das ganze soll analog mit einem Thermoumformer erfolgen und davon habe ich leider keine ahnung. ich bitte um baldige rückmeldung und bin für jede antwort dankbar. mit freundlichen grüßen Thomas
da du über jede Rückmeldung dankbar bist:
> Schulprojekt.
falsches Fach erwischt? Vielleicht wäre Hauswirtschaft eine
Alternative. Da brauchst du dein Thermometer nicht selber bauen und
könntest die über gebliebene Zeit dazu verwenden deine Rechtschreibung
zu verbessern.
Schade, dass es hier die Kommentar immer schnell unter die Gürtellinie rutschen müssen :((( Und noch dazu von jemandem, der sich nicht traut mit seinem eigenen Namen aufzutreten... Im Übrigen ist auch die Rechtschreibung von Gast verbesserungswürdig. @Thomas Welchen KTY10 verwendest Du denn? Das Tolle an der Aufgabe ist, dass man Sie in kleine Teilaufgaben zerlegen kann. Überlege Dir doch mal, welches Signal der KTY im angegebenen Temperaturbereich liefert. (möglicherweise muss es noch linearisiert werden) Dann überleg Dir, wie Du eine Spannung auf einen Strom abbilden kannst. Zum schluss, wie das Spannungssignal auf den gegebenen Strombereich zu bekommen ist. Viel Erfolg
Hallo vieleicht noch Stichworte zur eigenen Suche: Schau mal nach Messbrücke und Differenzverstärker. Damit solltest du weiter kommen, sonst noch mal fragen.
Nachtrag du solltest erfragen ob der 4-20mA Geber aktiv oder passiv sein soll. Aktiv heißt der Sensor liefert den Strom ( Netzteil ). Passiv, er bekommt du Energie vom Empfänger.
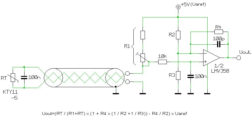
Für die 4...20mA Stromquelle verwendet man oft den AD694 und für die KTY-Sensoren gerne Schaltungen wie im Anhang. Es geht aber auch ganz anders, beispielsweise mit den XTR-Chips von Analog Devices. Den Rest solltest du jetzt aber selbst versuchen zu lösen. Denke daran, auch deine Lehrer kennen dieses Forum! Kai Klaas
Vielen Dank für die Antworten... Ich werde nach dem Wochenende wegen der Details mit meinem Lehrer sprechen.( also aktiv oder passiv) @Kai Klaas: Diese Schaltung ist sehr hilfreich, doch das eigentliche Problem ist für mich die Umwandlung der Spannung in Stom. Aber da werde ich mich noch einmal mit meinem Lehrer auseinander setzten müssen. Danke für die Antworten Thomas Dorfer
...wegen dem Typ: ich dachte an einen KTY10-6. (ich konnte keine EDIT Funktion finden)
>ich dachte an einen KTY10-6.
Das ist natürlich kein Thermoelement.
Schlage nach, was NTC, PTC, Thermoelement und Pt100 sind.
Wenn du einen 'Thermoumformer' hast (was auch immer das ist) und
verwenden sollst, ist es naheliegend, mal zu schauen, was das Ding kann.
Mal dessen Beschreibung lesen? Vielleicht muss man den Sensor nur
anschliessen und an den Knöpfen drehen?
Hallo Thomas, >Diese Schaltung ist sehr hilfreich, doch das eigentliche Problem ist für >mich die Umwandlung der Spannung in Stom. Das macht der AD694 für dich: http://www.analog.com/en/amplifiers-and-comparators/instrumentation-amplifiers/ad694/products/product.html Kai Klaas
Bitte melde dich an um einen Beitrag zu schreiben. Anmeldung ist kostenlos und dauert nur eine Minute.
Bestehender Account
Schon ein Account bei Google/GoogleMail? Keine Anmeldung erforderlich!
Mit Google-Account einloggen
Mit Google-Account einloggen
Noch kein Account? Hier anmelden.
