Hallo, ich möchte meine Schaltung mit einer 9V-Block-Batterie und dem Schaltregler MC34063 versorgen. Ich rechne mit maximal 200mA. Es wird nur ein 4 MHz Quarz, ein PIC18F4550 (max. 6mA), ein DS1621 (max. 1mA) und ein LCD "EA DIPS082-HNLED" (max. 100mA) versorgt. Der I2C-Bus zieht auch 3mA. Somit komme ich auf 110mA. Die 200mA benutze ich nur zur Sicherheit. Ich würde die Beschaltung aus dem hiesigen Artikel benutzen. Kann ich als Spule folgende aus Reichelt verwenden? http://www.reichelt.de/?ARTICLE=1127;PROVID=1024 C1 und C2 sind bei mir 100uF/35V, C4 ist ein Kerko 470pF/63V und R2 hat 0,5Ohm. Alle Widerstände sind Metallschichtwid. und der IC ist im DIP-Gehäuse. Viele Grüße Sebastian
>ich möchte meine Schaltung mit einer 9V-Block-Batterie und dem >Schaltregler MC34063 versorgen. Ich rechne mit maximal 200mA. Dann wird der 9V Block aber sehr schnell alle sein ;)
@ Sebastian Hepp (sebihepp) >DS1621 (max. 1mA) und ein LCD "EA DIPS082-HNLED" (max. 100mA) >versorgt. Naja, die 100mA sind das Maximum. 20mA reichen nachts locker, wenn du niemanden blenden willst. GGf. sogar weniger. >Kann ich als Spule folgende aus Reichelt verwenden? >http://www.reichelt.de/?ARTICLE=1127;PROVID=1024 Ja. MfG Falk
Super, danke. Ich war mir mit der Spule nur unsicher, da sie mit Drossel beschriftet ist. Ich werde die Batterie nur manchmal benutzen. Durch den Schaltregler kann ich ja auch ein Netzteil dran schließen. =) Viele Grüße Sebihepp
Ich würde den C4, wenn der für die Osz.-frequenz ist, auf 1nF erhöhen. Und denke daran, für die Diode eine Schottkyausführung zu nehmen!
C4 passt schon. Rund 500pF sind der Wert für etwa 50kHz maximale Schaltfrequenz. Vor allem bei geringen Lasten wird dadurch der Ripple kleiner.
Diverse Hersteller haben bei den Test Conditions 1nF angegeben, woraus eine völlig ausreichende mittlere Frequenz von 33kHz resultiert - das reicht und ist garantiert.;-)
Ich habe jetzt mal meine Schaltungen kontrolliert; wollte wissen, was ich so als Wert eingesetzt hatte. Ct ist in allen Faellen zwischen 475p und 330p.
Mehmet Kendi schrieb: > Ich habe jetzt mal meine Schaltungen kontrolliert; wollte wissen, was > ich so als Wert eingesetzt hatte. Ct ist in allen Faellen zwischen 475p > und 330p. Na dann, checke das doch mal gegen und nutze den Schaltungsrechner von: http://www.nomad.ee/micros/mc34063a/index.shtml
Nur mal so zum Nachdenken: Ich habe mich neulich noch wieder zu einem Design mit dem MC34063 überreden lassen und mich anschliessend geärgert --> Das Ding erzeugt prinzipbedingt einen höheren Ripple und nervt einfach mit der meist hörbaren Spule (auch prinzipbedingt). Suche doch mal bei Angelika nach "Schaltregler", da tauchen dann auch viele der Baureihe LM 25.. (SimpleSwitcher) auf, die nur einen Euro kosten und ein besseres Ergebnis abliefern. Wenn die Schaltung schon fertig ist, könntest Du auch den pinkompatiblen NCP3063 einsetzen, der bringt zumindest in den meisten Fällen eine Verbesserung.
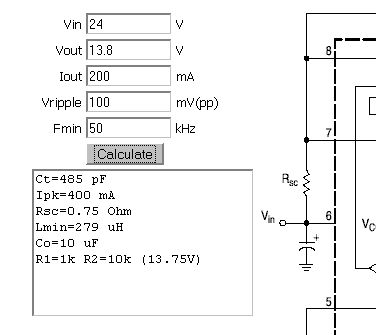
Ingolf O. schrieb: > Mehmet Kendi schrieb: >> Ich habe jetzt mal meine Schaltungen kontrolliert; wollte wissen, was >> ich so als Wert eingesetzt hatte. Ct ist in allen Faellen zwischen 475p >> und 330p. > > Na dann, checke das doch mal gegen und nutze den Schaltungsrechner von: > http://www.nomad.ee/micros/mc34063a/index.shtml Habe ich. Ergebnis: 485p. Siehe Bild. Und bei 24Vin und 5Vout gibts sogar einen Wert von 185pF
Die Kapazität hängt bei der Berechnung mit dem Tool, bzw. den Formeln aus der AppNote vom Ausgang/Eingangsspannungsverhältnis ab, sowie der als Fmin eingestellten Frequenz. Wobei der Begriff Fmin aber streng genommen falsch ist: Aufgrund der Auslassung von Impulsen sinkt die Frequenz bei kleinen Lasten nämlich deutlich darunter. Gemeint war wohl die minimale Frequenz beim kontinuierlichen Betrieb. Sobald ein Überstrom auftritt verkürzt sich die Einschaltdauer und somit steigt die Frequenz an. Weiterhin macht der 34063 keine echte PWM, sondern arbeitet (bis auf wenige Ausnahmen) mit einem festen Tastverhältnis von etwa 6/7 Von daher lassen sich die Berechnungsformeln aus dem Datenblatt mit dem ton/toff Verhältnis aus der AppNote eigentlich auch nicht wirklich anwenden, da die ton Zeit meist fest ist. Und diese wird nur durch den Kondensator bestimmt (außer die Spannung fällt erst während einem Einschaltzyklus unter den Sollwert und solange kein Überstrom auftritt). Von daher ist dieser für die prinzipielle Funktion der Schaltung weitestgehend egal, er hat nur vor allem einen Einfluss auf den Ripple bei kleinen Lasten.
@Harald Nen ganzen Euro für nen Schaltrgler ... manmanman, son MC34063 kost aber nur 35cent bei Pollin und funktionieren tut der schon Problemlos ...
@Harald Nen ganzen Euro für nen Schaltrgler ... manmanman, son MC34063 kost aber nur 35cent bei Pollin und funktionieren tut der schon Problemlos ...
Sorry das ich mich dranhänge. Eingangsspannung 32V, Laststrom konstant 0,5A. Die Ausgangsspannung soll zwischen 6-27V regelbar sein. Ist das mit einem Wert für Spule und Kondensator über den Bereich machbar und wenn ja, welchen Wert sollten sie haben?
Die Höhe des Ripples spielt übrigens keine Rolle. Die Berechnungstools gehen immer von einer bestimmten Ausgangsspannung aus. Ich muß die verändern können. Falls das mit dem 34063 nicht geht, welche funktionierenden Alternativen gäbe es?
hmmm, danke für die vielen Beiträge. Schaltregler sind wohl doch nicht so einfach zu benutzen. Ich weiss nur, dass diese eine Spule laden, dann abschalten und die Spule einen Kondensator mit der Ausgangsspannung lädt. Wie genau die Zusammenhänge zwischen L, C, Frequenz, Eingangsstrom, Ausgangsspannung und Eingangsspannung sind... da habe ich keine Ahnung davon. Ich will eigentlich nur die 9V aus der Blockbatterie auf 5V reduzieren. Ich brauche maximal 120mA. Und bei späteren Schaltungen brauche ich vielleicht mal 500mA oder mehr bei 5V. Die Eingangsspannung sollte am besten Variabel sein. Ich habe ein unstabilisiertes Netzteil mit 3, 4.5, 6, 7.5, 9 und 12 Volt bei 800mA. Für Transportable Schaltungen will ich dann Batterien verwenden. Diese werden dann aber keinen großen Stromverbrauch haben, sodass Linearregler wie der 7805 das schaffen sollten. Ein Beschränkung wäre noch eine möglichst geringe Temperatur. Ich will mich nicht an meiner Platine verbrennen. =) Maximal 60 Grad Celsius sollten es sein. Viele Grüße Sebihepp
>Eingangsspannung 32V, Laststrom konstant 0,5A. Die Ausgangsspannung soll >zwischen 6-27V regelbar sein. Ist das mit einem Wert für Spule und >Kondensator über den Bereich machbar und wenn ja, welchen Wert sollten >sie haben? >Die Höhe des Ripples spielt übrigens keine Rolle. >Die Berechnungstools gehen immer von einer bestimmten Ausgangsspannung >aus. Ich muß die verändern können. Falls das mit dem 34063 nicht geht, >welche funktionierenden Alternativen gäbe es? Weiß keiner? Geht nicht? Noch keiner probiert?
Das Arbeitsprinzip des MC34063A steht einer sauberen Weitbereichsdimesionierung etwas im Weg. An sich ist der für diskontinuierlichen Betrieb ausgelegt (Benedikt hat sich oben etwas unglücklich ausgedrückt, dieser Begriff steht gemeinhin für den Spulenstrom, nicht für die Folge der Schaltzyklen). Dummerweise ist die Dimensionierung der Spule eines Step-Down stark von der Differenz zischen Vin und Vout abhängig. Folglich ist der Regler entweder bei kleiner Differenz ausserhalb des diskontinuierlichen Betriebs mit einem etwas eigentümlichen Regelverhalten als Folge, oder bei grosser Differenz viel zu schnell am Anschlag der Strombegrenzung. Typen für kontinuierlichen Betrieb, wie LM2575, sind da weniger problematisch.
Du willst also eine Strom+Spannungsregelung? Eines von beiden geht direkt, das andere musst du extern dazu bauen, (also z.B. den Strom messen, verstärken und zusätzlich z.B.über eine Diode in den Feedbackeingang einspeisen). Die Spule würde ich etwa mit 100-150µH dimensionieren, Ct=470pF. Edit: Wenn es ungenau sein darf, geht die Stromregelung auch über die Strombegrenzung vom 34063.
Die Stromregelung erfolgt durch die Last, über den 34063 soll nur die Spannung über der Last veränderlich sein. (Konstantstromquelle mit 0,5A als Heizung, über die Spannung soll die Heizleistung variiert werden) Ich werde es mit 150µH und 470pF mal testen (Danke Benedikt, ich brauchte die Richtwerte). LM2575 habe ich nicht da im Moment und hohe Genauigkeit ist nicht erforderlich. Deshalb meine Frage zum 34063. Also erst mal danke an euch beide.
Kurze Rückmeldung. Ich habe 470pF und 100µH genommen. Der Regelbereich geht von 4 bis 26 Volt. Ab einer Ausgangsspannung über 20V wird der MC34063 etwas wärmer. Aber seit 10 Tagen läuft das Ding. Also danke nochmals.
Bitte melde dich an um einen Beitrag zu schreiben. Anmeldung ist kostenlos und dauert nur eine Minute.
Bestehender Account
Schon ein Account bei Google/GoogleMail? Keine Anmeldung erforderlich!
Mit Google-Account einloggen
Mit Google-Account einloggen
Noch kein Account? Hier anmelden.
