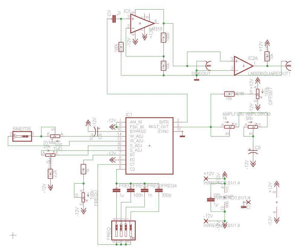
Hi, bräuchte Hilfe bei meinem Funktionsgenerator, den ich vor einer Wochen entwickelt habe! Der Funktionsgenrator wurde mit einem XR2206- Baustein realisiert. Nun habe ich die gefertigte Platine ordnungsgemäß aufgebaut und ausgetestet. Bei dem Funktionstest trat jedoch eine Problem auf. Der XR2206- Baustein zieht zu viel Strom (90mA). Der LM393 und der LM318 ziehen zusammen ca. 20mA. In der Schaltung im Anhang ist der LM318 eigentlich ein LM358 oder so. Hab nur nach einem gleichen Gehäuse gesucht, weil ich zu faul zum Selbstzeichnen war (Pinbelegung nach LM318). Vor einer Woche habe ich eine Beispielschaltung aus einem Datenblatt des XR2206 aufgebaut, welche einwandfrei funktionierte. Daraufhin habe ich die Beispielschaltung erweitert und eine Platine fertigen lassen. mfg Gabriel
Schrotty schrieb:
> Und was ist deine Frage?
Vermutlich, warum der XR 90mA Stromaufnahme hat...
Schrotty schrieb:
> Und was ist deine Frage?
Sorry,
hab sie aus reiner Verwirrung vergessen!
Schrotty hats auf den Punkt getroffen!
Der XR2206 zieht einfach zu viel Strom und ich wollte jetzt von euch
wissen, ob das vielleicht an meiner Schaltung liegen könnte!
Wäre sehr erfreut, wenn ihr mir helfen könntet!
mfg Gabriel
Gabriel G. schrieb: > Schrotty schrieb: >> Und was ist deine Frage? > > Sorry, > hab sie aus reiner Verwirrung vergessen! > > Schrotty hats auf den Punkt getroffen! > Der XR2206 zieht einfach zu viel Strom und ich wollte jetzt von euch > wissen, ob das vielleicht an meiner Schaltung liegen könnte! > > Wäre sehr erfreut, wenn ihr mir helfen könntet! > > mfg Gabriel Nee, nee, den Punkt habe ich getroffen, indem ich die vergessene Frage erahnt hatte!:-)
Ingolf O. schrieb: > Gabriel G. schrieb: >> Schrotty schrieb: >>> Und was ist deine Frage? >> >> Sorry, >> hab sie aus reiner Verwirrung vergessen! >> >> Schrotty hats auf den Punkt getroffen! >> Der XR2206 zieht einfach zu viel Strom und ich wollte jetzt von euch >> wissen, ob das vielleicht an meiner Schaltung liegen könnte! >> >> Wäre sehr erfreut, wenn ihr mir helfen könntet! >> >> mfg Gabriel > > Nee, nee, den Punkt habe ich getroffen, indem ich die vergessene Frage > erahnt hatte!:-) OK, einigen wir uns auf unentschieden! mfg
Was zieht der XR2206 denn wenn du Pin8 mal offen lässt? Laut Datenblatt müssen dort mindestens 1k dran. Und du schliesst ihn direkt an -12V an.
Wieso schliesst du SYNC an Masse an? Lass den Pin offen oder häng einen Pullup dran. Dann bekommst du dort ein schönes Rechteck raus. Und wieso hängt der Ausgang vom LM318 in der Luft?
Also irgendwie weicht dein Entwurf ganz erheblich von den Datenblattempfehlungen ab. Kann das sein? Kai Klaas
holger schrieb: > Wieso schliesst du SYNC an Masse an? Lass den Pin offen > oder häng einen Pullup dran. Dann bekommst du dort > ein schönes Rechteck raus. Und wieso hängt der Ausgang > vom LM318 in der Luft? den SNYC Ausgang brauche ich nicht. Dafür verwende ich den LM393. Bin auch gestern daraufgekommen, dass der SYNC Ausgang offen bleiben muss. Der Ausgang des LM 318 hängt in der Luft weil ich einfach ein anderes Device mit gleicher Pinanzahl und gleichem Gehäuse genommen habe. War zu faul zum Neuzeichnen! Deswegen hängt der Ausgang in der Luft. Das mit Pin 8 hab ich komplett übersehen! Muss dort nen 1k Widerstand dranhängen. Danke!
Kai Klaas schrieb: > Also irgendwie weicht dein Entwurf ganz erheblich von den > Datenblattempfehlungen ab. Kann das sein? > > Kai Klaas Kann schon sein, dass mit dem SYNC Ausgang hat sich bereits geregelt. An den Pin 8 muss ich noch nen 1k Widerstand ranhängen. mfg Gabriel (bin Anfänger)
Danke, für eure Bemühungen! mein Funktionsgenerator läuft jetzt einwandfrei! hab Pin 8, 9, 11 einfach offen gelassen. Alles funktioniert wie es sollte! mfg Gabriel
Bitte melde dich an um einen Beitrag zu schreiben. Anmeldung ist kostenlos und dauert nur eine Minute.
Bestehender Account
Schon ein Account bei Google/GoogleMail? Keine Anmeldung erforderlich!
Mit Google-Account einloggen
Mit Google-Account einloggen
Noch kein Account? Hier anmelden.
