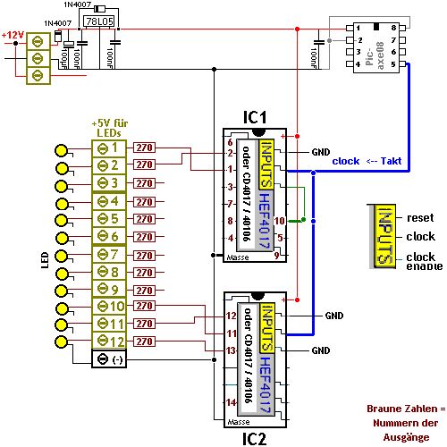
Hallo! Bitte die Zeichnung anschauen. Ich komm nicht drauf wie man das richtig verbindet und hab schon keine Nerven mehr. Der Picaxe gibt jede Stunde 1x high/low auf clock und dann soll jede Stunde die nächste LED leuchten. Tuts aber so gar nicht. Danke... lg Triti
Hallo Triti, das Problem ist sicher das immer nur eine LED leuchten soll. Such mal nach 4017 Lauflicht. z.B. http://elektronik-kompendium.de/public/arnerossius/schaltungen/mitics/ll60tr.gif etwas abspecken...
Wenn jede stunde eine LED mehr angehen soll, brauchst du erstmal einen zähler, der bis von 0 bis 3599 zählt. die passenden ausgänge müsstest du dann mit einem and-gatter verknüpfen und dann auf den clock eingan deiner ICs legen. Wenn ich das richtig sehe sind das D-Flip-Flops. Ich habe mir das datenplatt jetz nicht richtig an geschaut. aber es müsste doch eine low->high flanke reichen. Also solange der clk eingang high ist passiert nix nur wenn er von low auf high springt wird das nächste flip-flop durch geschaltet. Was genau soll es denn später mal werden? eine Uhr? Wäre es bei einer uhr nicht besser eine 7-seg-Anzeige zu nehmen und diese dann per BCD anzusteuern. Ansonsten ist hier ein schaltplan . Ist zwar ein schaltplan für ein lauflicht aber wenn du die takt-freq anpasst, sollte auch ein stündliches umschalten möglöglich sein. http://www.dapj.com/del00017.gif gruß Tobi
Hi, danke für die links. Nein, Zähler brauch ich nicht, das macht der Picaxe der jede Stunde 1 Signal gibt. Die Schaltung vom elektronik-kompendium ist viel zu kompliziert und braucht mir auch zu viel Platz den ich nicht hab. >Such mal nach 4017 Lauflicht. Hab ich reichlich. Lauflicht mit nur EINEM 4017 krieg ich hin. Das Problem ist dass ich es nicht schaffe, über die 10 Ausgänge rauszukommen. Wie hängt man den zweiten 4017 an den ersten drann, ohne dass der erste nicht wieder mitzählt? Also das clock-Signal weiterschieben damit LED11 und 12 auch nacheinander leuchten. Es ist egal ob immer nur eine LED leuchtet und die Zeit anzeigt oder ob z.B. nach 10 Stunden 10 LED leuchten. Das ganze muss auch nicht wieder von vorne anfangen. Nur einfach bis 12 raufzählen. grübel lg Triti
Triturus Trit schrieb: > Die Schaltung vom elektronik-kompendium ist viel zu kompliziert und > braucht mir auch zu viel Platz den ich nicht hab. > >>Such mal nach 4017 Lauflicht. > Hab ich reichlich. > Lauflicht mit nur EINEM 4017 krieg ich hin. Das Problem ist dass ich es > nicht schaffe, über die 10 Ausgänge rauszukommen. Wie hängt man den > zweiten 4017 an den ersten drann, ohne dass der erste nicht wieder > mitzählt? Also das clock-Signal weiterschieben damit LED11 und 12 auch > nacheinander leuchten. Aber genau in der Schaltung steckt die Lösung die Du brauchst... Bei jedem Übertrag taktest Du ein weiteres 4017, dieses schaltet dann nach und nach die Enable-Leitungen der 4017 durch. Das Ganze ist aber eigentlich eher ein Fall für Schieberegister, Stichwort 74HC595. Damit sparst Du Dir dann das zusätzliche Bauteil.
Triturus Trit schrieb: > Lauflicht mit nur EINEM 4017 krieg ich hin. Kein Wunder, das macht der Chip alleine :-) > Das Problem ist dass ich es > nicht schaffe, über die 10 Ausgänge rauszukommen. Wie hängt man den > zweiten 4017 an den ersten drann, ohne dass der erste nicht wieder > mitzählt? Also das clock-Signal weiterschieben damit LED11 und 12 auch > nacheinander leuchten. Sieh dir den Link nochmal GENAU an, wie es dort gemacht ist! Es ist trickreich, zugegeben. Die Lösung liegt in dem 4017 rechts neben dem 555 und den ganzen verstreuten Transistoren, die als Schalter arbeiten. Aber genau das dürfte ja der Sinn dieser Übung sein: Querdenken.
Aslo wie christian das schon richtig gesagt hat: Ein schieberegister mit stunden takt ist hier viel einfacher. Da schiebste dann einfach nach und nach EINE Eins durch oder du du legt die sriel-eingang auf high und schiebst dann nur 1en durch. Das ist egal. Wenn du ein weiteres anschließen willst musst du das höchste bit einfach an den seriel-eingang vom zweiten legen und an bei den gleichen takt. Dann würde aber ein ausgang flöten gehen. Seidenn du nimmst ein schiebregister was diese methode (Kaskadieren) unterstützt und noch einen extra ausgang dafür hat. Bsp.: 74HC595. Aber bei dem HC595 brauchst du noch eine zweite taktleitung damit die Bitfolge vom schiebe/speicherregister in das ausgaberegister geschoben wird. Gruß Tobi
Bitte melde dich an um einen Beitrag zu schreiben. Anmeldung ist kostenlos und dauert nur eine Minute.
Bestehender Account
Schon ein Account bei Google/GoogleMail? Keine Anmeldung erforderlich!
Mit Google-Account einloggen
Mit Google-Account einloggen
Noch kein Account? Hier anmelden.
