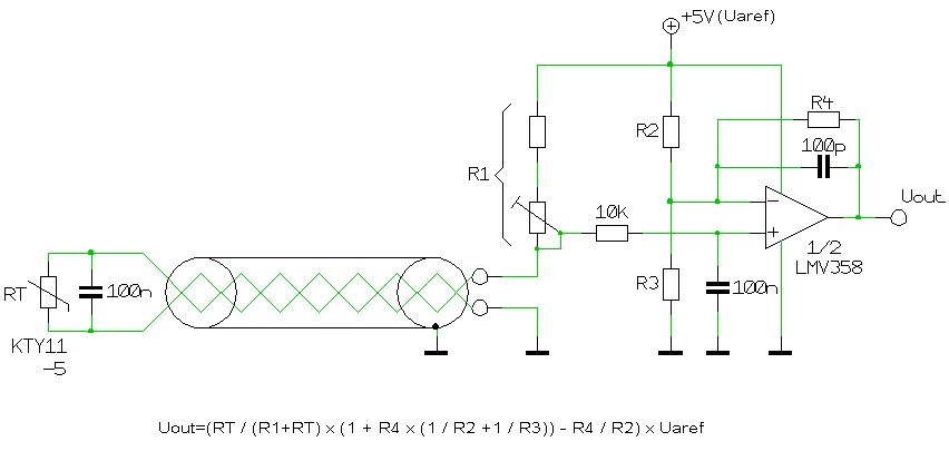
Hallo :D Ich habe hier eine Brückenschaltung mit Operationsvesrtärker zur Linearisierung , Nullpunktverschiebung und Verstärkung eines Temperatursensors. Der Sensor hat bei 0grad einen Widerstand von 815ohm Und bei 100grad von 1696ohm Jetzt wollte ich mit dem Operationsvesrtärker einen Bereich von 0 bis 5V schaffen. Da so einfacher und genauer wird die Werte in uC auszugeben. Sonst wäre der Bereich 1mA(max Strom über PTC) * 815ohm = 0.815V bei 0grad und 1mA * 1696ohm = 1696V bei 100grad. Wie könnte ich den Sensor dimensionieren, dass ich am Ausgang ein Bereich von 0 bis 5V habe? (Vogel Fachbuch: Sensorschaltungtechnik bin ich nicht nachgekommen) Würde die Schaltung (im Anhang) überhaupt gehen? mfg
Hallo Teddy, >Jetzt wollte ich mit dem Operationsvesrtärker einen Bereich von 0 bis 5V >schaffen. Da so einfacher und genauer wird die Werte in uC auszugeben. Eine Schaltung wie im Anhang wird gerne dafür verwendet. Kai Klaas
Danke
Stimmt aber die Uout Formel?
Und wie würde ich ich R1,R2,R3,R4 rechnen?
Wenn der Sensor den Bereich 0grad -> 0.815V
100grad -> 1.696V hat.
Sry, aber Opamp Schaltungen berecjnen habe ich echt mühe.
>> und 1mA * 1696ohm = 1696V bei 100grad.
Uha, das wär aber ein bissle viel!
Ich glaub, 1,696V wär passender.
Hallo wenn R1/RT( 0C )=R2/R3 hast du bei 0Grad am Ausgang 0V. V=1+R4/(R2||R3) damit Verstärkung so wählen das bei 100Grad 5V heraus kommen.
Also wäre bei mir die vesrtärkung 5V/Utemp(100C) = 2.95 -> Verstärkung 3 Und wie berechne ich R4? Ich habe R3 angeonemmen (bei 0C, also 815ohm) und somit mit der Formel R4 gerechnet. Stimmt das
Ich habe die Schalltung jetzt aufgebaut, bekomme aber keine Verstörkung bzw über R4 habe ich keine Spannung.
Hallo richtigen OP genommen? Muß am Ausgang Rail-to-Rail sein und die Eingänge müssen im Aussteuerbereich liegen.
Was sind den typische Opamps mit Rail-to-Rail Ausgang?
Bitte melde dich an um einen Beitrag zu schreiben. Anmeldung ist kostenlos und dauert nur eine Minute.
Bestehender Account
Schon ein Account bei Google/GoogleMail? Keine Anmeldung erforderlich!
Mit Google-Account einloggen
Mit Google-Account einloggen
Noch kein Account? Hier anmelden.

