Ich hab mich jetzt mal ein bischen schlau gemacht in den Quellen, die ihr mir gegeben habt. Hier nochmal ein Danke für die vielen informativen Links. Ich kann nur kein IC finden, das das kann, was ich brauch. Ich hab eine variable Eingangswechselspannung zwischen 16V und 160V mit 10 bis 100Hz. Und ich will auf 12V Gleichspannung mit 2A Belastbarkeit kommen. Einen Spannugsregler, der diese Verlustleistung umsetzt, hab ich nicht gefunden und die Buck-Regulator, die ich gefunden hab, kommen mit den Spannungen leider auch nicht zurecht. Leider kann ich für meine Lichtmaschine keinen Originalregler auftreiben, der bezahlbar ist und funktioniert. 200 Teuro ohne Funktionsgarantie sind mir zuviel. Für das Geld muss doch auch ein Selbstbau möglich sein.
hmm ich würde dc/dc wandler sagen, aber mit der demensionierung wie du den haben willst, ist (sovern es einen solchen gibt) bestimmt nicht unter 300-400 teuros zu haben. alleine schon was die riesige eingangaspannung angeht. hmm ein selbstbau... große dioden & kondensatoren, um die spannung zu richten und zu stabilisieren, tja und dann.. gibt es z-dioden mit 12v & 2ampere??? naja, so in etwa, genauso als würdest du ein einfaches netzteil bauen. aber ich halte das für keine perfekte idee mfg KoF
/
Vin*----------/ ----------------*Vout
| |
C1 === C2 ===
| |
GND*-----------------------------*GND
Vin als gleichgerichtete Wechselspannung, solche Gleichrichter hab ich
schon gefunden. C1 zum Glätten, wenn Vout unter 12,5 V sinkt Schalter
schließen, wenn Vout über 13,4V Schalter wieder auf. Sollte doch mit
einem MosFet als Schalter und OpAmps als Auslöser funktionieren.
@KoF: Von 160V auf 12V mit Z-Dioden oder Linearreglern bei 2A? Das sind 300W Verlustleistung! Bei den genannten Anforderungen kommt nur ein Schaltregler in Frage. @Florian: Die Kondensatoranordung ist nicht zu empfehlen, die erzeugt die gleichen Verluste wie der Linearregler. Also entweder Buck-Converter oder gleich ein richtiges Schaltnetzteil (Halb- oder Vollbrücke). Letztere sind aber schwer zu dimensionieren, besonders die Transformatoren. Für welche Minimallast soll das ganze denn ausgelegt werden (bei Schaltreglern wichtig)?
Von den Spulen an der Lichtmaschine über diesen Regler wird die Batterie und der 12V-Kreis eines alten Rollers betrieben. Max wird das wohl 30 Watt schlucken. Minimal Ladeerhaltung der Batterie, werde also wohl einen Belastungswiderstand einbauen müssen. Diese Verlust sollte halt möglichst klein sein. Transformatoren haben doch ein festes Verhältnis Vin <-> Vout. Ich hab aber zwischen 16V und 160V am Eingang, je nach Drehzahl.
hallo versuchs mal so: Komperator > Triac > Gleichrichter > Elko wenn die Spannung am Elko sinkt, schaltet ein Komperatur den Triac ein der Komperator und die Ansteuerung des Triac müssen extra versorgt werden (Widerszand Zenerdiode) damit das Ding hochfahren kann Gruß Peter
@Peter: Das ist doch das gleiche! 160V Uin und 12V Uout macht bei 2A Laststrom 300W Verlustleistung. @Florian: Der Transformator in einem primärgetakteten Schaltnetzteil wird mit einer Rechteckeingangsspannung betrieben, d.h. die gleichgerichtete Eingangsspannung wird mit 20kHz bis ca. 200kHz zerhackt. Dabei kann man nicht die Rechenvorschriften eines normalen Netztrafos verwenden. Die Ausgangsspannung ist vom Tastverhältnis und dem Laststrom abhängig, deshalb kann man solche Netzteile nur vernünftig mit Regelung betreiben, vor allem, wenn die Eingangsspannung so variabel ist. Das Thema ist sehr komplex, zwei gute Bücher dazu sind z.B. Billings und Pressman, beide in Englisch.
Dann speis ich bei der Schaltung bei Vref meine 13V die ich haben will ein. Vout verbinde ich mit dem + Pol an C1 und dann sollte das funktionieren? Stell ich mir das Prinzip jetzt richtig vor? Wo muss ich dann noch entstören? Weil ich da im Elektronikkompendium was davon gelesen hab?
@Peter: Hast Du die Schaltung so wie Du sie aufgezeichnet hast schon mal in Betrieb genommen?
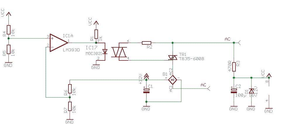
Ok, war ich wohl etwas zu langsam beim Tippen und verstehen. Ich will ja kein geregeltes Schaltnetzteil. Die Spannung darf zwischen 12V und 13,4V machen was sie will. Ich brauch bloß einen Ersatz für eine nicht mehr erhältliche Lichtmaschine. Ich glaub ich hab jetzt bei Peters Schaltung einigermaßen durchgeblickt. Vcc-Erzeugung klar, Vergleich Vcc/2 durch +12V/2 auch klar. Aber warum gehst du nicht vom OPV direkt an TR1? Warum kommt da ein Optokoppler dazwischen? Muss das Gate vom Triac nicht auf eine positive Spannung gelegt werden, damit der leitet? Da wird es doch über R2 an die Eingagnswechselspannung angeschlossen. Ich seh schon, ich hätt mich doch für Etechnik statt Maschinenbau einschreiben sollen...
@Wolli ist nur eine Machbarkeitsstudie :) 160V sind bei dieser Art von Lichtmaschinen die Leerlaufspannung wenn ich bei meiner Schaltung den Ko lade, bricht sie durch Ihren Innenwiderstand zusammen es fehlt natürlich eine Diode vor R3 Gruß Peter (meine Schaltungen funktionieren meist solange bis ich Sie einschalte)
Für einen solchen Eingangsspannungsbereich braucht man aber einen Regler. Mal angenommen, die oben gezeigte Schaltung funktioniert, wenn der Triac zündet, wird C1 aufgeladen. Aber auf welche Spannung? Das einzige was zwischen C1 und der Eingangsspannung steht sind ein paar Dioden und der Triac. Der sperrt aber erst am Ende der Halbwelle wieder. Was hält also die Spannung an C1 davon ab, der Eingangsspannung den Rest der Halbwelle hinterherzulaufen?
hallo schon langsam fängt es an zu wirken:) der besagte Innenwiderstand der Lichtmaschine zusammen mit einem reichlich Dimensionierten Ko angenommen Vollast: der Triac leitet ständig angenommen Halblast: der Triac lässt jede 2. Halbwelle durch (theoretisch) natürlich hat man eine hohe Restwelligkeit, aber die hat man bei einem elektromechanischen Regler auch , aber ich denke mal, dass auch ein Bleiakku angeschlossen wird der wird´s schon richten angenommen Nullast: der Triac sperrt ständig Peter
Die Lichtmaschine soll an einem induktionsfreien 2,3 Ohm Widerstand 16(+1,5)V bringen. Wenn ich richtig durchblick wird in einer Halbwelle, wenn Sie voll durchgeschalten wird, erst kein Strom fließen (Ausgang Gleichrichter < Spannung an C1), dann wird C1 geladen bis bei fallender Halbwelle wieder Ausgang Gleichrichter < Spannung an C1 eintritt. Da sperren ja die Dioden, so dass kein Strom fließt. In einer Halbwelle wird nur eine bestimmte Ladung transportiert, wenn C1 so groß ist, dass bei der gesamten Ladungsmenge von 2 Halbwellen +12V nicht überschritten wird, müsste es doch funktionieren.
Nimm doch irgendeinen Regler von einem anderen Roller/Motorrad/Auto. Das funktioniert doch oft ganz ähnlich. Mein Roller (Sfera 125) hat einen Regler, der nur für die Batterieladung zuständig ist. Licht läuft über einen extra Spule im Generator. Man müsste einfach mal in die Serviceunterlagen verschiedener Roller schauen. Bei Ebay bekommst du solche Regler mitunter hinterhergeschmissen, für 5..20 Euro. Winfried
Ich hab ne alte Erstserien PX, ich hab schon bestimmt 5 gebrauchte Regler ausprobiert, alles für die Katz. Von dem Geld hätt ich wahrscheinlich schon 2 bauen können.
Hallo, Quelle ist also eine Lichtmaschine. Lichtmaschinen lassen sich meines Wissens immer regeln über die Erregung. Wie ist da bei Deiner Lichtmaschine? 160V ist ein bißchen viel. Gruß
@ Cris ich denke mal, dass Florians Lichtmaschine mit Dauermagneten funzt (wie Fahrraddynamo) und keine (steuerbare) Erregerwicklung hat
Die 160 V krieg ich nur im Leerlauf bei Vollgas. Ich hab Dauermagnete im Schwungrad und die Spulen sind unter dem Schwungrad. Die Scheinwerfer z.B. sind komplett ohne Regler. Da bricht die Spannung unter der Last auf 12V zusammen, so dass der Birne nix passiert. Ist halt 25 Jahre alte ital. Technik.
kannst du das dann nich einfach dauerhaft künstlich belasten um den möglichen spannungsbereich zu verkleinern?
Sers, Bei Ebay gibt es ab und zu mal 80Ohm Widerstände mit 60Watt. Wie wärs wenn du ein paar von denen parallell hängst und mit hilfe eines uC oder ähnlichem die Spannung im Boardnetz mist. Wenn diese über 13,8V Steigt schaltet ein Mosfet die Widerstände zu. Ansonsten "einfach" nen paar Mosfet nehmen und ein PWM Generator basteln. Da hast du auch immer konstante Spannung und verbrätst nichts. seb
Wie Tobi schon sagte, versuch doch mal die maximale Spannung zu drücken (auf so 60V). Wenn du die Lichtmaschine mit 1KOhm belastest wären das bei 160V schon 25W und 160mA. Nachdem die Leistung der Maschine aber nur bei etwa 30Watt liegt wird die Spannung aber wohl eher deutlich einbrechen. Im belasteten Zustand interessiert der Widerstand nicht, weils bei 1KOhm nur ca. 15mA sind. Zum Ausprobieren eignen sich z.B. Glühlampen (die halten die Verlustleistung aus, anders als Bastelwiderstände)
Bitte melde dich an um einen Beitrag zu schreiben. Anmeldung ist kostenlos und dauert nur eine Minute.
Bestehender Account
Schon ein Account bei Google/GoogleMail? Keine Anmeldung erforderlich!
Mit Google-Account einloggen
Mit Google-Account einloggen
Noch kein Account? Hier anmelden.

