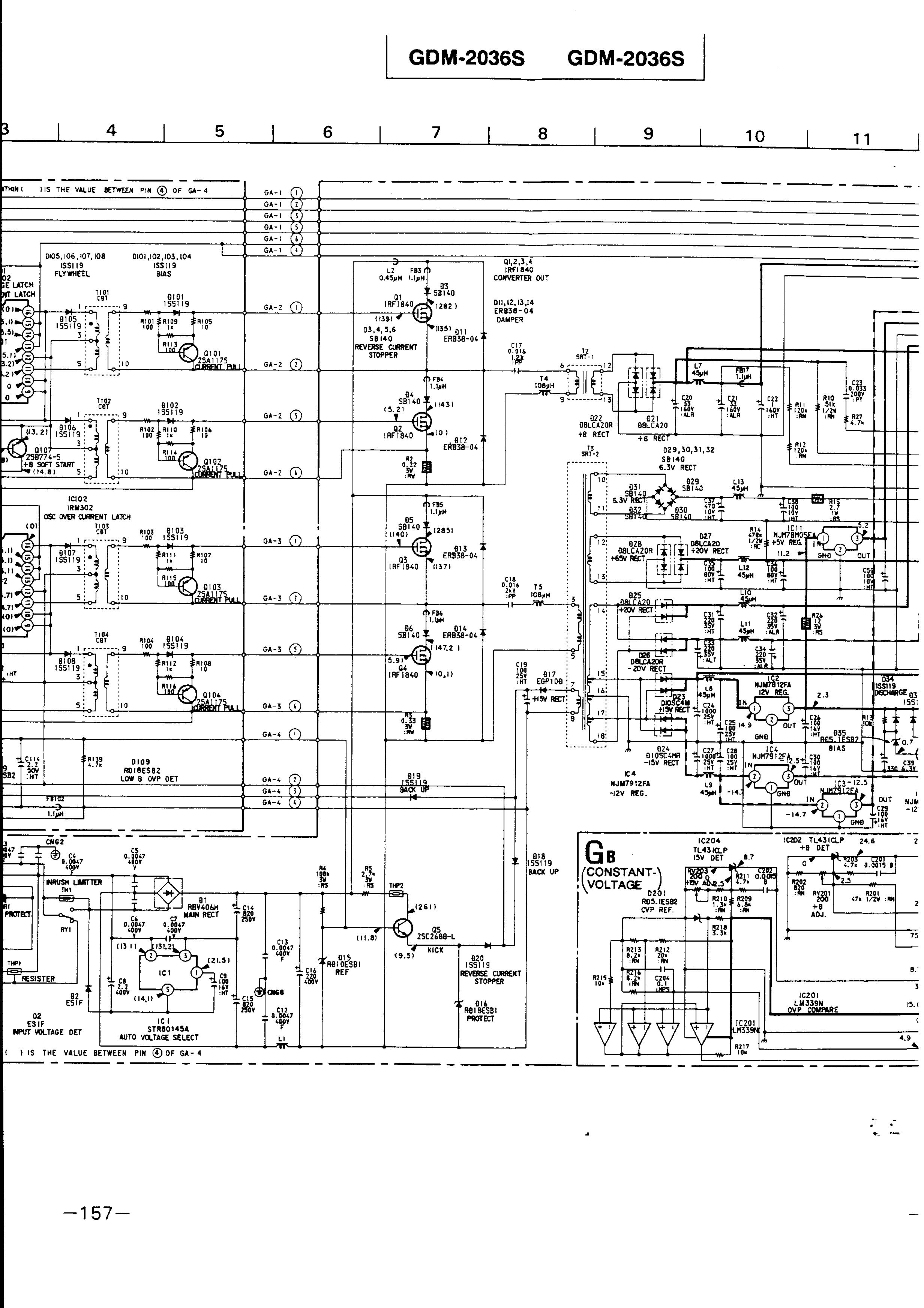
Hallo, in meinem Monotor sind 2 MOSFETs kaputt gegangen. Es sind IRF840 FI(auch als IRFI 840 genannt). Jetzt habe ich die IRF840 bei reichelt gefunden. Ich habe mir den Datenblatt geholt(im Anhang). Jetzt ist die Frage natürlich, ob ich die IRF840 anstaat von IRF840FI einlöten kann. Ich habe selbst nur 2 Unterschiede zw. diesen 2 Mosfets rausgefunden: 1. Bei den "FI" Typen ist das Gehäuse isoliert bei den anderen nicht. 2. Die "FI" Typen können nur fast die Hälfte von dem schlaten(Drain current), was die irf840's können. Sind das alle Unterschiede? Kann ich die IRF840's einsetzen?(Natürlich von Kühlkörper mit einer Gummimatte isoliert). Leider kenn ich mich nicht so in analogen Sachen aus. Gibt es vielleicht andere Typen die ich nehmen kann? Danke im Voraus.
Steht doch schon oben im Datenblatt Die FI geht nur bis 4.5A statt 8A Auf Deutsch die FI vertragen weniger Leistung abert ansonsten sind die anderen Merkmale die gleichen.
Und die IRFI sind komplett isoliert, daher schlechterer Wärmekontakt zum Kühlkörper, daher weniger Strom. IRF840+Isolation=IRFI840
ok, danke für eure Hilfe. Ich werde die IRF840's kaufen und mit den gummimathän isolieren und einlöten.
also, das ist eine Netzteil-Platine vom Monitor. In dem T3 Trafo rechts von irf's, werden halt die spannungen für elektronik erzeugt werden. das sind +5V, +12V, -12V und +65 Volt. Was ein Zeilentrafo macht, weiß ich nicht genau, ich nehme an, da werden die Hochspannungen erzeugt. Wenn ja, dann ist das hier nicht. Wie gesagt aus diesem Board kommen höchstenz +65 volt. dieser Monitor (von Sony 21 Zoll)ist sehr modular aufgebaut, was natürlich die Reparatur erhäblich erleichtert.
Wieviel Strom braucht denn das Teil ? Ein Gegentaktnetzteil habe ich noch nie in einem Monitor gesehen...
Bitte melde dich an um einen Beitrag zu schreiben. Anmeldung ist kostenlos und dauert nur eine Minute.
Bestehender Account
Schon ein Account bei Google/GoogleMail? Keine Anmeldung erforderlich!
Mit Google-Account einloggen
Mit Google-Account einloggen
Noch kein Account? Hier anmelden.
