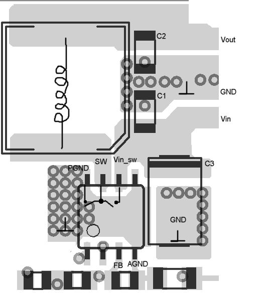
Ich habe eine Frage zu dem abgebildeten Layout eines Stepdown Wandlers. Die untere Lage ist nahezu komplett Masse. An PGND ist die Masseanbindung mit vielen Vias geregelt. Meine Frage bezieht sich auf die Analogmasse AGND. Soll ich diese ebenfalls durchkontaktieren um eine bessere Anbindung zu erhalten oder ist es besser wie es jetzt ist mit einer Art Masseinsel die nur um PGND herum angebunden ist ? Hauptsaechlich geht es darum den Feedback Eingang richtig zu versorgen, nicht dass durch unguenstige Massefuehrung ein unnoetiger Spannungsripple entsteht. Wie zu sehen ist wurde auch C3 (Eingangspuffer) von der IC Masse abgetrennt um einen saubereren Massefluss zu erreichen.
Ist das das vom Hersteller empfohlene Layout? Einige Vias im Bereich von Lötpads kommen mir etwas grenzwertig vor. Außerdem fehlt da doch einiges? Wo sieht der Feedback-Widerstand denn die Ausgangsspannung? Wo ist der Ausgangskondensator? Auch die Unterbrechung der Massen von C3 und PGND kommt mir idiotisch vor. Man würde niemals ohne wirklich guten Grund die Massefläche durchtrennen, da das immer die mit Abstand niederohmigste und niederinduktivste Verbindung zwischen zwei Punkten ist. Sehr sehr merkwürdig... Kai Klaas
Natuerlich ist es NICHT das Layout des Herstellers. Schoen waers wenn einem da schon alles abgenommen werden wuerde. Im Bild sind alle Elemente des Schaltreglers enthalten. Die Spule verlaeuft von Pin SW nach Vout C1 und C2 sind die Eingangs/Ausgangs-C des Schaltreglers. Die Feedback Leitung verlaeuft auf der Unterseite und wird am Ausgangspin abgegriffen (Vout). C3 ist nicht Bestandteil des Schaltreglers, deshalb auch abgetrennt.
Stromlaufplan? IC-Bezeichnung? Leiterbahnführung auf der Unterseite? Sorry, aber meine Glaskugel ist gerade zur Reparatur.
> C1 und C2 sind die Eingangs/Ausgangs-C des Schaltreglers.
Die sehen mir (verglichen mit der Spule) irgendwie klein aus...
Warum drehst du den C3 nicht um 180° nach oben?
Was ist das für ein IC? Ist da die Freilaufdiode schon mit drin?
Wenn C3 nicht zum Schaltregler gehört, ist das ganze schon etwas seltsam aufgebaut. Wenn du keine allzu großen Platzsorgen auf dem Board hast, dann Layoute für den kompletten Schaltregler doch einfach eine eine eigene Massefläche, die mit der restlichen Massefläche nur am Ein&Ausgang des Schaltreglers verbunden ist. So werden die hochfrequenten Stör&Rippelströme des Schaltreglers lokal gehalten(EMV). Zudem erscheint mir das Verhältnis Spule und Kondensatoren nicht ganz stimmig. Wenn du ein paar genauere Daten lieferst kann dir auch besser geholfen werden.
Ich würde generell so viel Kupfer wie möglich drauf lassen, damit die Wärme gleichmäßig verteilt wird. Also links vom IC und unter der Spule. Mehr Vias unter dem IC, dafür weniger daneben (mit dem Bestücker abklären, was er dazu vorschlägt). Mehr Cs parallel am Ausgang --> ESR sinkt. IC um 90° nach links gedreht mit C3 Platz tauschen --> FB-Leitung wird kürzer. Berichte uns bitte, wie das Layout aussieht, wenn es fertig ist (und in Produktion geht?). Weitere benötigte Angaben sind Vout und Iout.
> so viel Kupfer wie möglich drauf lassen > damit die Wärme gleichmäßig verteilt wird. > Also links vom IC ... Soweit passt das. > ... und unter der Spule. Dort sollte nichts sein, was irgendwelche Wirbelströme auffangen könnte und dann als Antenne wirken kann. Kurz: unter der Spule keine Leiterbahn und keine Masse.
Hallo Lothar, >Dort sollte nichts sein, was irgendwelche Wirbelströme auffangen könnte >und dann als Antenne wirken kann. Kurz: unter der Spule keine Leiterbahn >und keine Masse. In dem Beispiel-Layout aus dem Anhang hat man die Kupferfläche bis unter die Spule gezogen... Kai Klaas
Erstmal danke fuer die Anregungen auch wenn nicht alle in die gleiche Richtung gehen (z.B. Masse unter Spule). Das Layout ist platzkritisch, es sind auch nicht alle Elemente gezeigt um die Verwirrung nicht noch zu erhoehen. Die Frage bezog sich auf die Massefuehrung. Sowohl Spule als auch Ausgangskondensator(en) sind bedacht und dimensioniert - glaubts mir einfach. Folgende Ueberlegung hat mich zum Auftrennen der Masse am IC bewogen: - momentan wird der Strom zu PGND ueber die Via-Flaeche links vom Schaltregler gefuehrt. Er geht auf der Unterseite zu den Vias an den GND Anschluss. AGND fuer den Feedback wird an PGND unter dem IC angebunden, also nicht vom Strom durchflossen. - wird AGND mit Vias auf die Unterseite oder mit Masse von C3 verbunden ist meine Vermutung dass der Strom von PGND nicht mehr ueber die Via Flaeche geht sondern ueber die AGND Anbindung Kann natuerlich sein dass ich da einen Denkfehler habe, deshalb die Frage. Das Layout war urspruenglich einseitig vielleicht verursacht dies auch noch einige Schierigkeiten bei mir. Weitere Angaben: - Diode ist im IC enthalten - Vin = 12V, Vout = 5V
>Folgende Ueberlegung hat mich zum Auftrennen der Masse am IC bewogen:
Schön für dich, aber solange ich den Chip nicht kenne, ist das ganze
Nachdenken völlig für die Katz!
Ich will nach Hannover fahren. Jetzt stehe ich an einer Kreuzung. Fahre
ich links oder rechts?
Kai Klaas
Kai hat Recht. Es macht doch einen wesentlichen Unterschied ob dein Schaltregler mit 200kHz oder 2MHz läuft, und ob er 0.1A oder 2.5A treiben muss! Wenn das Layout vorher einseitig war, kannst du es getrost in die Tonne treten und beim 2 seitigen alles besser machen. Also her mit den Daten...
Kai Klaas schrieb: > In dem Beispiel-Layout aus dem Anhang hat man die Kupferfläche bis unter > > die Spule gezogen... Ja, und widersprechen sich bezüglich ihres Layouts im nächsten Satz: "Allowing the inductor flux to intersect sensitive feedback, IC ground path, and Cout wiring can cause problems."
>> In dem Beispiel-Layout aus dem Anhang hat man die Kupferfläche bis unter >> die Spule gezogen... Aber wenigstens nicht die Feedback-Leitung :-o > Ja, und widersprechen sich bezüglich ihres Layouts im nächsten Satz: Allerdings möchte ich die Qualität des Layoutvorschlags auch im Punkt Feedback in Frage stellen: die Feedback-Spannung wird genau zwischen Spule und Ausgangskondensator abgenommen. Das müsste nicht sein. Eine Drehung des Ausgangs-C um 90° kommt ohne zusätzlichen Platzbedarf dem Ideal näher. Zum Thema Kupfer unter der Spule: Ich würde sowas bestenfalls bei komplett geschlossenen Spulen machen, niemals bei so einer offenen, wie sie in dem Bild oben eingesetzt ist...
Hallo Lothar, >Allerdings möchte ich die Qualität des Layoutvorschlags auch im Punkt >Feedback in Frage stellen: Was da teilweise als "recommended layout" kursiert, ist oft derart lachhaft, daß man sich wirklich an den Kopf langt. Den letzten Knaller dieser Art habe ich bei Analog Devices gesehen, wo sie bei einem GHz-OPamp im SOT23-5 Gehäuse den äußerst empfindlichen "-" Eingang über das halbe Eval-Board geroutet haben. Kai Klaas
Ich habe in das Layout mal die Schaltfunktion des Reglers eingezeichnet. Schaltfrequenz 500kHz, Ausgangsstrom 2-3A. Feedback Leitung verlaeuft nicht unter der Spule oder dem IC.
Bitte melde dich an um einen Beitrag zu schreiben. Anmeldung ist kostenlos und dauert nur eine Minute.
Bestehender Account
Schon ein Account bei Google/GoogleMail? Keine Anmeldung erforderlich!
Mit Google-Account einloggen
Mit Google-Account einloggen
Noch kein Account? Hier anmelden.


