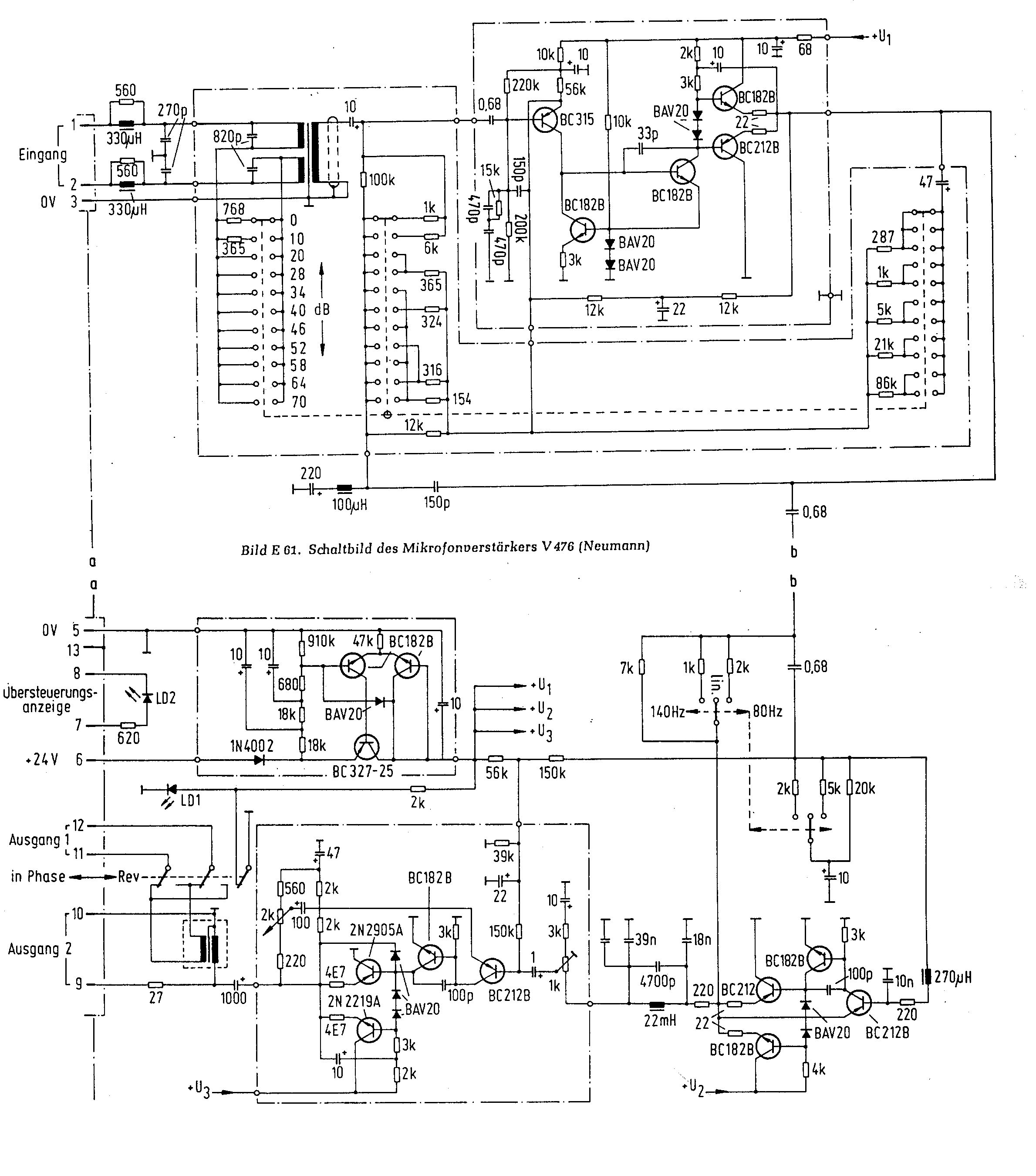
Hallo, kann mir jemand sagen welchen Frequenzgang dieses LCR-Filter (ich vermute mal nach meinen recherchen das es eins ist) hat? Habe leider keine für mich verständliche Formel, bzw Zeichnung finden können? Das ist am Eingang eines Neumann Mikrofonvorverstärker verbaut. Vermute mal ein Tiefpass, nur mit welchen Eigenschaften? Was genau macht der Widerstand parallel zur Spule? Danke Gruß K.
Der Widerstand verringert die anscheinend ohne R zu hohe Güte der Spule. Ohne die Trafodaten zu kennen, kann man das nicht berechnen. Vielleicht kann dir ein alter Hase die Eckwerte einer solchen Schaltung nennen.
>Der Widerstand verringert die anscheinend ohne R zu hohe Güte der Spule.
Genau! Da will wohl jemand verhindern, daß der Trafo auf der Primärseite
in einem bestimmten Frequenzbereich eine zu hohe Quellimpedanz sieht,
genau dort, wo die 330µH Drossel ihre Parallelresonanz hat. Bei dieser
Frequenz würde die Primärseite des Trafos dann nicht niederohmig
abgeschlossen erscheinen und empfindlich für Einkopplungen von
Störfeldern reagieren. Üblicherweise hört man dann "Radio Moskau" oder
eine ähnlichen AM-modulierenden Sender.
Kai Klaas
Moin, danke schon mal für die Antworten! Hätte ich es selbst ausrechnen können, hätte ich hier keine Frage gestellt... Anbei noch ein paar weiter Informationen. Was es für ein Trafo ist kann ich gerade nicht herausfinden. Werde aber mal ein Preamp aufschrauben wenn die Session vorbei ist. Habe gesehen dass der Frequenzgang im "linearen" betrieb leider alles andere als Linear ist. Das möchte ich gerne ändern! Konkret möchte ich gerne wissen welche Bauteile ich entfernen muss um einen linearen Frequenzgang zu bekommen, bzw die Höhen-und Tiefensperre zu entfernen! In dem nun angehängten Schaltplan hat die Drossel am Eingang auch nur 33mh... Es sind ja 5 Drosseln verbaut, haben die alle was mit dem Frequenzgang zu tun oder haben sie vielleicht andere technische funktionen? Gruß K.
Moin, danke schon mal für die Antworten! Hätte ich es selbst ausrechnen können, hätte ich hier keine Frage gestellt... Anbei noch ein paar weiter Informationen. Was es für ein Trafo ist kann ich gerade nicht herausfinden. Werde aber mal ein Preamp aufschrauben wenn die Session vorbei ist. Habe gesehen dass der Frequenzgang im "linearen" betrieb leider alles andere als Linear ist. Das möchte ich gerne ändern! Konkret möchte ich gerne wissen welche Bauteile ich entfernen muss um einen linearen Frequenzgang zu bekommen, bzw die Höhen-und Tiefensperre zu entfernen! In dem nun angehängten Schaltplan hat die Drossel am Eingang auch nur 33mh... Es sind ja 5 Drosseln verbaut, haben die alle was mit dem Frequenzgang zu tun oder haben sie vielleicht andere technische funktionen? Gruß K.
Die Schaltung bei hohen Frequenzen zu verbessern wird schwer. Ein Teil des Frequenzganges kann da von den Transformatoren kommen. Auch bei niedreigen Frequenzen machen irgendwann die Transformatoren Problem. Einfach durch Sättigung bei größeren Amplituden. Man könnte bei tiefen Frequenzen eventuell was verbessern, wenn man sich die ELKOs ansieht, und da ggf was austauscht. Die können zum einen Gealtert sein und nicht mehr die Nennkapazität haben. Außerdem kann da auch mal ein größerer Elko helfen, den man früher einfach aus Kostengründen oder wegen der Baugröße nicht wollte. Heute ist das weniger ein probelm.
Das mit dem Trafo und dem Elko ist mir klar, aber ich würde gerne bei einem Preamp mal Testweise alles entfernen was die Herren damals EXTRA eingebaut haben um den Frequenzgang in einem bestimmten Rahmen zu halten. Die mussten sich ja an die Rundfunknormen halten. Das muss und will ich aber nicht. Hab kurz mal einen Preamp aufgemacht, der Eingangstrafo ist ein Haufe RK 370, der Ausgangstrafo ein Haufe RK 300/1. Habe aber im Netzt nicts finden können...
Ah, habe vergessen was anzuhängen... Hier sieht man schön den Frequenzverlauf und die "lineare" linie...
@Tilmann >Habe gesehen dass der Frequenzgang im "linearen" betrieb leider alles >andere als Linear ist. Dieser Mikrofonverstärker ist mit +/-0,3dB zwischen 100Hz ud 10kHz sehr linear. Wenn du nur ein bißchen Ahnung hättest von Studiotechnik, dann wüßtest du, daß der Frequenzgang eines jeden Mikrofons um Größenordnungen welliger ist als der deines Mikrofonverstärkers. Allein der Nahbesprechungseffekt ist derart exorbitant, daß man von einem Frequenzgang eigentlich schon garnicht mehr reden kann. Und von dem welligen Frequenzgang einer Klangregelung wollen wir hier erst garnicht reden. Wieso glauben immer gerade Anfänger, daß sie an einem bestehenden Spitzenprodukt noch Verbesserungen durchführen können? Glaubst du die Entwickler von Neumann waren alles Deppen? >Das mit dem Trafo und dem Elko ist mir klar, aber ich würde gerne bei >einem Preamp mal Testweise alles entfernen was die Herren damals EXTRA >eingebaut haben um den Frequenzgang in einem bestimmten Rahmen zu >halten. Die mussten sich ja an die Rundfunknormen halten. Das muss und >will ich aber nicht. Aha, was ist denn an den Rundfunknormen falsch?? Der eingeschränkte Frequenzgang ist erst einmal überhaupt nicht hörbar und zweitens sorgt er dafür, daß hochfrequente Störungen zuverlässig herausgesiebt werden, bevor sie in der Signalkette Unheil anrichten können. Das hat was mit Zuverlässigkeit zu tun. Glaubst du im Ernst, daß heutige studiotaugliche Mikrofonverstärker einen ganz anderen Frequenzgang haben?? Das Bandbreitenbergrenzung lebensnotwendig ist bei allen hochverstärkenden Systemen, ist für einen guten Entwickler mit etwas Erfahrung eine Selbstverständlichkeit, die er nicht mal im Traum anzweifeln würde. Das tun nur Anfänger, die keine Ahnung haben... Kai Klaas
dazu wäre noch zu ergänzen, dass gerade bei Mikrofonen ein Trittschallfilter lebensnotwendig für die Boxen ist.
Danke für die professionelle Belehrung! Danach hatte ich nur nicht gefragt... Zurück zum Thema: Mit extra eingebaut meine ich natürlich nicht den 2-fachen Trittschalter, sonder lediglich Schaltungsteile die man Heute nicht mehr so einbauen würde(eben um den Frequenzgang einzuschränken, zumindest nicht wenn man sich nicht an Rundfunknormen halten muss). Danke
Auf der einen Seite zeigst du deine offensichtliche Unerfahrenheit. Auf der anderen Seite die Unbekümmertheit eines Anfängers - allerdings mit einem frechen ordinären Unterton. Damit wirst du die <vor allem natürlicherweise nun schon älteren> Könner nicht ansprechen und bleibst damit auf dem Trockenen sitzen. Laß die Schaltung wie sie ist! Das kannst du ohne intime Kenntnisse nicht verbessern. Am Ende hast du nur ein kaputtgepimptes tiefergelegtes verlötetes Platinchen - was dann auch keiner mehr kaufen will. Mach erstmal einen Hörtest und dann wirste sehr ernüchtert dreinschauen. Wenn du es ganz genau wissen willst, wende dich an den Hersteller. Vielleicht erbarmt sich einer der Entwickler in der Mittagspause deiner.
Tilmann I. schrieb: > zumindest > nicht wenn man sich nicht an Rundfunknormen halten muss Sorry, aber von welcher "Rundfunknorm" sprichst du? Schau dir doch den Frequenzgang deines Mikrophonverstärkers genau an. Der übertragene Frequenzbereich wird durch die untere Grenzfrequenz und die obere Grenzfrequenz eingegrenzt. Die Grenzfrequenz einer elektronischen Schaltung ist diejenige Frequenz, bei der eine Ausgangsgröße, z. B. die Spannung, auf einen Wert von 3 dB unter den 100 %-Bezugswert, also auf 70,7 % gesunken ist. Dabei ist gleichzeitig die Leistung auf 50 % abgesunken. Danach geht der Frequenzbereich deines Mikrofonverstärkers von 23Hz bis 23KHz. Das ist schon besser als die HiFi-Norm definiert. So, und jetzt schauen wir uns mal den Übertragungsbereich eines typischen Gesangsmikrofons an: siehe Datenblatt. Da sehen wir, dass die Ausgangsspannung des Mikrofons mal eben so um 18dBV innerhalb des Übertragungsbereichs schwankt. Jetzt frage ich mich, was dir das bringen würde, wenn dein Verstärker einen Frequenzbereich von 5Hz bis 100KHz hätte.
... schrieb:
> innerhalb des Übertragungsbereichs
Übertragungsbereich: 80Hz bis 15kHz
Ich versteh nicht warum man keine Antworten auf eine konkrete Frage bekommen kann...? Ich habe seit mehreren Jahren ein Neumann Mischpult und kenne den Sound sehr gut. Da aber alles was ich damit aufnehme immer einen leichten matten Schimmer hat (im vergleich zu Aufnahmen in anderen Studios, jaja, Akustikverhältnisse, etc..) frage ich eben nach genau solchen Dingen! Ich habe nie behauptet dass es daran liegen muss, jedoch würde ich es gerne mal ausprobieren einen Preamp zu "öffnen", indem ich die Frequenzgang einschränkenden Schaltungsteile entferne. Damit meine ich den Lo-und Hi-Cut den man ja im Frequenzverlauf erkennen kann! Nicht den Trittschallfilter. Neumann selbst gibt zu den alten Produkten keine Auskunft mehr. Mein "ordinärer Unterton" ist keinesfalls schwerwiegender als der meiner Vorredner! Natürlich hängt es noch von den Mikrofonen und mehreren anderen Faktoren ab, aber wenn in der Summe alle Teile fen Frequenzgang beschneiden nimmt man es irgendwann sehr wohl wahr! Das gleiche gilt ja für die Sampingfrequenz eines AD/DA Wandlers. Welchen Sinn würde es wohl machen mit mehr als 44.1 Khz aufzunehmen... Ist ja theoretisch auch nicht mehr im hörbaren Spektrum! Außerdem geht es ja nicht darum was Ihr mit einem Verstärker machen oder nicht machen würdet... Sollte sich jemand auf den Schlips getreten fühlen tut es mir Leid, aber es ist immer irgendwie dasselbe. Ich möchte doch nur meine Frage beantwortet haben! Danke
Ich würde es eben einfach mal hören wollen ob es einen Unterschied gibt! Und zwar einen hörbaren und nicht einen messbaren. Und weil ich mikrofone habe die einen Frequenzgang von 30Hz-50Khz haben! Nach meiner Hörerfahrung wirken jegliche Filter die in diesem hohen Frequenzband angesiedelt sind auch immer deutlich in das mittlere gut hörbare Frequenzband ein, und genau das wollte ich mal ausschliessen. Formuliere ich die Frage mal anders: Was muss ich tun um das Hoch-und Tiefpassfilter zu entfernen? Danke
Tilmann I. schrieb: > Ich versteh nicht warum man keine Antworten auf eine konkrete Frage > bekommen kann...? abgesehen davon, dass evtl. keiner möchte das du so einen guten Vorverstärker verhunzt. Du kannst nicht einfach mal da einen Kondensator tauschen und da eine Spule. Das ist ein abgestimmtes System was an der Eingangsbuchse anfängt und an der Ausgangsbuchse aufhört. Tilmann I. schrieb: > Da aber alles was ich damit aufnehme immer > einen leichten matten Schimmer hat (im vergleich zu Aufnahmen in anderen > Studios, jaja, Akustikverhältnisse, etc..) Genau da ist dein Problem. Sound ist subjektiv. Der Eine findet den toll, der Andere sagt, zu viele Bässe und der Dritte findet es matt. Vielleicht hast du deinen Aufnahmeraum zu stark bedämpft? Der Nachhall geht direkt in die Präsenz ein. Es gibt viele Möglichkeiten. Wenn dir dein Neumann-Mischpult nicht gefällt, dann leih dir doch im Musikfachhandel ein anderes aus und probier es damit. Wenn dir das dann besser gefällt, kannst du dein nicht verhunztes Neumann-Mischpult noch verkaufen.
>Was muss ich tun um das Hoch-und Tiefpassfilter zu entfernen?
Das ist in dieser Schaltung nicht ganz einfach, weil das keine reinen
Tiefpaßfilter sind. Das sind kunstvolle Frequenzgang-Entzerrer, die für
einen möglichst linearen Frequenzgang berechnet sind und dabei auch
Resonanzen und Frequenzgangfehler der Übertrager selbst kompensieren.
Erheblichen Einfluß diesbezüglich dürfte das Tiefpaßfilter mit der 22mH
Spule und dem 4,7nF Kondensator haben. Hier gibt es eine Resonanzstelle
bei 15,6kHz. Aber wie gessagt, dieses Filter kann eine gewollte
Welligkeit aufweisen, die im hörbaren Bereich liegt und gerade einen
anderen Frequenzgangfehler kompensiert. Entfernen dieses Tiefpaß-Filters
kann dann eben bedeuten, daß der obere Mittel-Ton-Bereich völlig
verfärbt wird.
Du müßtest also erst den Frequenzgang dieses Tiefpaß-Filters analysieren
und wenn es lediglich die Höhen killt, könntest du es entfernen, obwohl
ich das ausdrücklich nicht empfehlen möchte.
Ach ja, da gibt es noch die psycho-akustischen Effekte, die dich
Veränderungen hören lassen, die gar nicht existent sind. Du solltest den
Unterschied also im Blindversuch testen, d.h. eine zweite Person
überbrückt das Filter, ohne dir mitzuteilen, was sie gerade macht und du
sagst, ob es jetzt besser ist.
Kai Klaas
Wenn wir erst mal nur die 560 Ohm und die 270pf parallel zu 820 pF nehmen, ergibt sich eine Tiefpassgrenze, wenn ich richtig gerechnet habe, von 260kHz ( 1/(2*Pi*560*(270+820)*e-12)). Das liegt im Langwellenbereich und hat keinen Einfluß auf den Hörbereich. Der Trafo dürfte also alleine für die obere Frequenzgrenze verantwortlich sein.
> abgesehen davon, dass evtl. keiner möchte das du so einen guten > Vorverstärker verhunzt. > Du kannst nicht einfach mal da einen Kondensator tauschen und da eine > Spule. Das ist ein abgestimmtes System was an der Eingangsbuchse anfängt > und an der Ausgangsbuchse aufhört. Ob ich an dem Verstärker rumhunze ist allein meine Sache! Außerdem geht nichts davon kaputt wenn man Bauteile sorgfältig auslötet und aufbewahrt um sie ggf. wieder einzusetzen. Sollte es eine klangliche Verbesserung geben, prima dann hat der Verstärker nur gewonnen! Um den Originalzustand geht es mir schon lange nicht mehr. Das ganze Pult stammt ja aus einer Senderegie und das hat mit den Anforderungen eines modernen Aufnahme/Mischstudio relativ wenig zu tun. Insofern musste das Pult eh umgebaut werden. Noch eine konkrete Frage: Die kleine Schaltung am Eingang vor dem Trafo, was macht die genau? Es gibt ja auch andere Mikrofonvorverstäreker wo das Signal direkt auf den Trafo geht. Also scheinbar irgend ein Filter... Aber mit welchen Eigenschaften? > > Tilmann I. schrieb: >> Da aber alles was ich damit aufnehme immer >> einen leichten matten Schimmer hat (im vergleich zu Aufnahmen in anderen >> Studios, jaja, Akustikverhältnisse, etc..) > > Genau da ist dein Problem. Sound ist subjektiv. Der Eine findet den > toll, der Andere sagt, zu viele Bässe und der Dritte findet es matt. > Vielleicht hast du deinen Aufnahmeraum zu stark bedämpft? Der Nachhall > geht direkt in die Präsenz ein. Es gibt viele Möglichkeiten. > Wenn dir dein Neumann-Mischpult nicht gefällt, dann leih dir doch im > Musikfachhandel ein anderes aus und probier es damit. Wenn dir das dann > besser gefällt, kannst du dein nicht verhunztes Neumann-Mischpult noch > verkaufen. Das Pult gefällt mir ja, und wenn ich andere Vorverstärker (Z.B API oder UA oder John Hardy) nehme meine ich dass es nicht so matt klingt! Darum bin ich ja darauf gekommen! Verkaufen kommt nicht in Frage, optimieren ist der Plan. Da ich leider kein studierter Elektronic-Ingenieur bin frage ich ja hier...
Danke lieber Christoph! Endlich mal eine sachliche Antwort die mir Informationen gibt! Aber was bewirkt die Spule in Verbindung mit den genannten Bauteilen? K.
@ Kai Klaas: Sorry, hatte deinen letzten Beitrag übersehen! Sehr informativ, warum nicht gleich so eine Antwort? Werde ich mal ausprobieren, wenns gut klingt ist es ja eine Wertsteigerung (für mich im Nutzen), wenn nicht wird es eben wieder zurück gebaut. Ich will das Ding ja nicht verschrotten, sonder meine Aufnahmequalität steigern...
>Aber was bewirkt die Spule in Verbindung mit den genannten Bauteilen?
Die Spule bewirkt, daß der 560R Widerstand nicht schon im hörbaren
Bereich wirkt, denn da würde er das hörbare Rauschen erheblich erhöhen.
Das ist letztlich ein RC-Tiefpaßfilter, dessen Funktion durch die Spule
für den Audio-Frequenzbereich aufgehoben wird.
Kai Klaas
>Sehr informativ, warum nicht gleich so eine Antwort?
Weil deine Überheblichkeit nervt!
Kai Klaas
Tilmann I. schrieb:
> Ob ich an dem Verstärker rumhunze ist allein meine Sache!
Ja, aber dann frag uns nicht nach einem Rat.
Ok, dann bleiben die Bauteile schon mal drin. Werde es mal bei Gelegenheit ausprobieren und dann hier mal berichten. Ich sehe in meinen Fragen und Antworten keine größere Überheblichkeit als in einigen Antworten der übrigen beteiligten hier! Die letzten Antworten beantworten genau meine Eingangsfrage, was also spricht dagegen sie gleich zu geben? Stattdessen wurde ich erstmal als Vollidiot abgestempelt... Ich habe zwei gesunde, trainierte Ohren und kenne auch meine Akustische Umgebung. Daher ist mir ja auch der Unterschied aufgefallen! Trotzdem Danke für die Infos... K.
Nochmal zum Thema Überheblichket: Wenn ich in einen Baumarkt gehe und sage ich möchte auf meinen alten Teppich Laminat legen, dann möchte ich doch auch keinen Vortrag bekommen wie schön aber Teppich sei und ich das Laminat lieber nicht legen soll...! Sondern ich möchte dann Auskunft über verschiedenes Laminat. ...Hätte ich es selbst ausrechnen können, hätte ich hier keine Frage gestellt... Danach hätte ich wohl einen "Smiley" setzten müssen damit es verstanden wird. K.
>Die letzten Antworten beantworten genau meine Eingangsfrage, was also >spricht dagegen sie gleich zu geben? Stattdessen wurde ich erstmal als >Vollidiot abgestempelt... Tilmann, du weißt nicht einmal, welche Funktion diese kleine Spule hat, bist aber der Meinung an einem absoluten Spitzenprodukt vergangener Tage "Made in Germany" mit ein paar Seitenschneiderkniffen die Eigenschaften verbessern zu können. Dabei hast du nicht den geringsten Schimmer, was für ein präzises Stück Technik du da vor dir hast. Das tut einfach weh, wie du jeden Respekt vermissen läßt, vor allem, wenn du dann auch noch patzige Antworten gibst. Kai Klaas
Richtig, ich hatte keinen Schimmer was diese Spule für eine Funktion hat! Und genau deshalb habe ich gefragt, aber kaum vernünftige Antworten erhalten! Oder siehst Du das anders? Hätte man mir gesagt da und da musst Du den und den Kondensator/Widerstand, etc herausnehmen, dann fällt die Höhensperre bei 16,8356 Khz weg wäre ich zufrieden gewesen. Oder umgekehrt, da kannst Du nichts dran ändern weil Sonst Bauteil XY anfängt zu oszilieren und hierund da dann die impedanz nicht mehr stimmt, etc wäre das für mich auch ne Antwort gewesen! Stattdessen musst ich meine Frage zigmal widerholen um überhaupt eine Antwort zum Thema zu erhalten! Trotzdem Danke für die mühsam ergattertetn Infos, aber das hier weiter zu führen bringt ja wohl niemandem was. Frohes Fest und einen guten Rutsch allerseits! K.
>Frohes Fest und einen guten Rutsch allerseits!
Frohes Fest auch dir!
Kai Klaas
Naja, wenn das Pult aus einem Fernsehstudio stammt, mag man evtl. erhöhtes Interesse an der Unterdrückung der Horizontalfrequenz des TV-Signals haben, aber das ist jetzt reine Spekulation :-)
Hallo Eddy, >Naja, wenn das Pult aus einem Fernsehstudio stammt, mag man evtl. >erhöhtes Interesse an der Unterdrückung der Horizontalfrequenz des >TV-Signals haben, aber das ist jetzt reine Spekulation :-) Damit liegst du völlig richtig! Das ist kein Zufall, daß die Parallelresonanz genau bei 15,6kHz liegt. Das Tiefpaßfilter müßte nicht so umständlich aufgebaut sein, nur um den von der Studionorm vorgegebenen Frequenzgang zu erfüllen... Kai Klaas
>erhöhtes Interesse an der Unterdrückung der Horizontalfrequenz des >TV-Signals haben, 15625Hz, richtig, nur leider sieht man in dem Datenblatt des Herstellers (siehe Oben) bei der Frequenzgangkurve keinen Einbruch bei der Frequenz. Um das genau sagen zu können müsste man mal den Frequenzgang aufnehmen. Das wäre ein sinnvolle Betätigung des TEs. Ein PC mit guter Soundkarte reicht dazu aus.
Bei einem Hörtest beim Ohrenarzt fällt die 'Eckfrequenz' irgendwo bei 10KHz. Nur junge Menschen können höhere Frequenzen wahrnehmen. Die Aussage bezieht sich natürlich auf einen brauchbaren Schalldruck. Mit erhöhtem Pegel geht auch mehr. Der bekannte Effekt, daß lautere Musik besser klingt. Wird ja heutzutage umfassend ausgenutzt. Bei der Zeilenfrequenz früherer Tage haben alle älteren Semester zerstörte Sinneszellen. Ich selbst kann mich noch an die Wahrnehmung dieser Frequenz erinnern. Warum nun überhaupt den Frequenzgang weiter raus bügeln, wäre doch dann eh sinnlos? Darüber werden endlose Diskussionen bei den Audiofetischisten gewoben. Meiner Meinung nach ist es so: Zwar wird niemand bei 20KHz irgendwas großartig hören, vor allem nicht mit normalen Lautsprechern. Aber die sich runtermischende Verzerrungsprodukte (aus diversen Nichtlinearitäten) aus diesem oberen Frequenzbereich landen wieder im weit tieferliegenden Bereichen. Zwar mit erheblich niedrigerem Pegel, aber dennoch hörbar, da im optimalen Bereich ein gesunder Mensch gute 120dB Dynamik wahrnehmen kann. Zu den erwähnten 44,1KHz möchte ich mich lieber nicht auslassen. Stichwort wäre Phasengang/Gruppenlaufzeit real realisierbarer Filter. PS: Meine private Normierung ist KHz. Nicht das das mokiert wird. PPS: Babys können bis ca. 40KHz wahrnehmen. PPPS: Und die Mär das Katzen und Hunde wesentlich besser als Menschen hören, ist übrigens auch Blödsinn. Sie haben nur ein auf höhere Frequenzen getrimmtes Hörsystem. Allenfalls die beweglichen Orgen vor allem der Katzen bringen einige dB an Richtungshören.
Bitte melde dich an um einen Beitrag zu schreiben. Anmeldung ist kostenlos und dauert nur eine Minute.
Bestehender Account
Schon ein Account bei Google/GoogleMail? Keine Anmeldung erforderlich!
Mit Google-Account einloggen
Mit Google-Account einloggen
Noch kein Account? Hier anmelden.

