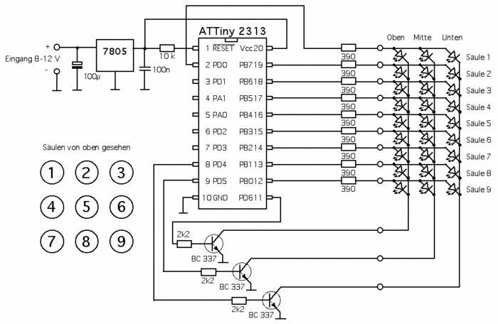
Hallo, ich wollte mir ein LED Cube 3x3x3 bauen, ich hab im Inet ein Schaltbild gefunden und wollte mal fragen ob man das so machen kann oder ob ihr ne bessere Idee habt! Meine 2te Frage ist das mit dem Mikroprozessor, wie progammiere ich den. Gibt es eine gute Anleitung für das Programm für den LED Cube?? Gruß OSti
einfach nur den Thread weiterlesen in dem Du das Bildchen gefunden hast http://www.ledstyles.de/ftopic5912.html?highlight=3x3x3 einschließlich der Software um das Ding zu steuern!
Was bringen die Transistoren? Der Strom kommt doch aus dem Controller. Die Transistoren arbeiten doch nur als Schalter. Wird der Controller nicht trotzdem überlastet wenn zu viele LEDs an sind?
> ich hab im Inet ein Schaltbild gefunden und wollte mal > fragen ob man das so machen kann Wenn einem Schummerlicht reicht. Ein BC337 über 2k2 ansteuert bekommt 2mA und kann damit maximal 40mA schalten. Bei 9 LEDs sind das 222uA pro LED und die ist nur 1/3 der Zeit an, die LED ist also so hell als ob sie dauernd von 74uA durchflossen wird Ziemlich dunkel. Sind aber nicht alle LED an, werden manche ärgerlicherweise heller als die anderen. Senkt man die 2k2 auf 200 Ohm sind zumindest 400mA erlaubt also 44mA pro LED. So viel liefert der ATmega gar nicht, über 390 Ohm fliessen (bei 2.1V LEDs) nur 6mA. Reduziert man die 390 Ohm auf 120 Ohm, fliessen zumindest schon mal 20mA pro LED. Da sie 1/3 der Zeit an ist, erscheint sie also so hell wie eine dauernd von 6.67mA durchflossene LED. Das geht schon eher, Nicht tageslichttauglich, aber im Zimmer wohl sichtbar, zumindest wenn man die LEDs nicht wie Glühlampen rundrum scheinen lassen muß. Noch heller wird es nur, wenn du mehr Aufwand treibst. > Gibt es eine gute Anleitung für das Programm für den LED Cube?? Es gibt huinderte LED-Cube Schaltungen im Netz, wie wäre es mit abschreiben ?
Hallo Sebastian, meiner Meinung nach findest Du hier die perfekte Anleitung für den Atiny2313 oder ähnlichem. [http://www.ledstyles.de/ftopic5912.html] Müßtest du eigentlich wissen, denn dort sehe ich das von Dir eingestellt Schaltbild :-) Gruss Ottmar
MaWin hat seine Gedankengänge auf den Tisch gelegt. Schnapp die die Datenblätter, sieh nach ob er die richtigen Werte genommen hat und rechne selber nach. So schwer ist das nicht und wenn du einen Cube baust, solltest du einen einfachen Transistorschalter dimensionieren können.
Die Schaltung wurde nach Schaltplan aufgebaut. Die LED's leuchten extrem hell (selber gesehen in Videos zu diesem Schaltplan). Warum schreibt MaWin was von "Schummerlicht" und "74uA"??? Laut Beschreibung der Schaltung sollten sich 5mA einstellen.
Bitte melde dich an um einen Beitrag zu schreiben. Anmeldung ist kostenlos und dauert nur eine Minute.
Bestehender Account
Schon ein Account bei Google/GoogleMail? Keine Anmeldung erforderlich!
Mit Google-Account einloggen
Mit Google-Account einloggen
Noch kein Account? Hier anmelden.
