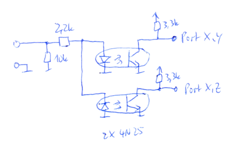
Hallo, ich würde gerne einen Sensor an den ATmega32 anschließen. Der Sensor liefert aber einmal +24V und einmal -24V. Wenn er diese beiden Werte nicht liefert, ist er hochomig. Wie kann ich das verschalten? LG
Es sind zwei Sensoren. Wenn der rechte aktiv ist, dann habe ich +24V, beim linken -24V und wenn beide gleich ausgerichtet sind, dann habe ich den hochohmigen Zustand.
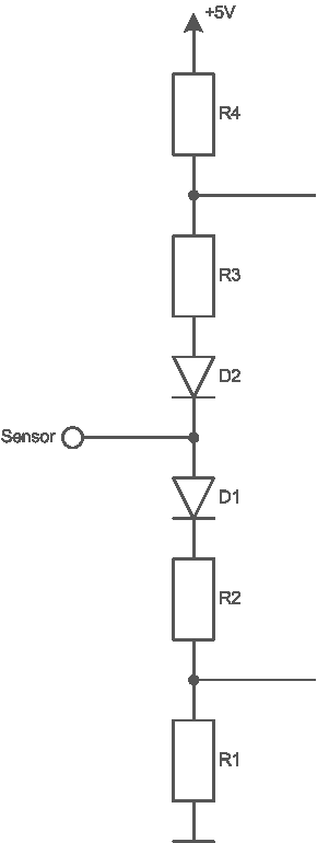
aber bitte noch mit einer diode antiparallel zur led im optokoppler, damit die nicht dauernd im durchbruch leben muss.
zauberei! schrieb: > aber bitte noch mit einer diode antiparallel zur led im optokoppler, > damit die nicht dauernd im durchbruch leben muss. Die hat er doch drin, schau mal genau hin :)
Mit Spannungsteiler zwischen 5V und GND den AD-Eingang auf 2,5V legen. Von diesem Punkt mit einem Widerstand zum Sensor gehen. GND-Sensor mit GND verbinden. Widerstände so dimensionieren, dass bei -24V am AD-Eingang 0V sind und bei 24V am AD-Eingang 5V sind.
Bitte melde dich an um einen Beitrag zu schreiben. Anmeldung ist kostenlos und dauert nur eine Minute.
Bestehender Account
Schon ein Account bei Google/GoogleMail? Keine Anmeldung erforderlich!
Mit Google-Account einloggen
Mit Google-Account einloggen
Noch kein Account? Hier anmelden.
