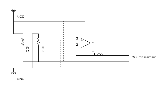
Hallo zusammen! Ich hab mich grad neu bei euch angemeldet, les aber schon recht lang mit. Ich beschäftig mich auch schon seit vielen Jahren mit Elektronik und µCs, allerdings erst seit gut 1 Jahr mit AVRs. Man verzeihe mir bitte möglicherweise zu kurz kommende Großschreibung, bin das von anderen Foren her nicht gewohnt. Aber darum solls jetzt nicht gehen. Ich sags mal vorweg: Das sind meine ersten Erfahrungen mit OpAmps, die sich mir noch nicht im Detail erschließen, aber das werd ich wohl mit der Zeit hinbekommen. Um was gehts? Nachdem anfangs garnichts funktioniert hat, was ich mit meinen Ops ausprobiert hab, hab ich mich entschlossen, eine ganz simple Schaltung aufzubauen, wie im Anhang gezeichnet (Also nen Spannungsfolger). Es handelt sich dabei um einen TL072, von dem ich nur den einen OpAmp verwende, ein stabilisiertes Netzteil und 2x 1kOhm Widerstände. Da ich keine 2 Netzteile habe bzw. keins mit 2+ Ausgängen, dachte ich mir, ich "simulier" eine symmetrische Spannung mittels eines Spannungsteilers. Soweit so gut, ich geb dem Op 10V. Leg ich nun die nicht-invertierenden (ich kürz mal mit NI ab) Eingang auf 5V (also die symmetrische Mitte = GND). Alles klar, ich mess 0V und bin glücklich. Dann NI auf 10V, Erwartung irgendwas knapp unter 5V Ausgang, okay funktioniert auch, 4,3 oder so hab ich rausgekriegt. Nun NI auf 0V (= -5 V wenn man von der quasisymmetrischen Versorgung ausgeht), Erwartung irgendwas wie -4.3V Ausgang -> shit, es sind +4,3 V! Könnt ihr mir sagen wo mein Denkfehler liegt? Der Op kann ja schlecht zw. "meiner" und einer "echten" symmetrischen Spannungsversorgung unterscheiden in dieser Schaltung. Gruß Florian P.S. ich hab auch jeweils die Spannung am NI nachgemessen, sie stimmt!
Danke für die schnelle Antwort, aber das ändert doch nix am eigentlichen Problem. (Zumal ich mir zu diesem Thema ja schon gedanken gemacht hab und den Fehler darin nicht sehe). Mir gehts ja auch darum zu verstehen warum es funktioniert(oder warum eben nicht), nicht nur es zum laufen zu kriegen. Sonst steh ich nächstes mal genauso da ;) Florian S. schreibt >Der Op kann ja schlecht >zw. "meiner" und einer "echten" symmetrischen Spannungsversorgung >unterscheiden in dieser Schaltung. gruß Florian
Florian S. schrieb: > Könnt ihr mir sagen wo mein Denkfehler liegt? Du überschreitest den zulässigen Eingangsspannungsbereich deines TL072. Für ±15 V Versorgung werden ±11 V am Eingang garantiert, und der typische Wert wird mit -12 V ... +15 V angegeben, d. h. die typisch niedrigste mögliche Eingangsspannung liegt um 3 V über der negativen Versorgungsspannung. Der von dir beobachtete Effekt könnte eine Phasenumkehr sein. Tietze/Schenk erklären sowas für einen Bipolar-OPV: http://books.google.de/books?id=h6A0HyamoTIC&printsec=frontcover&dq=tietze+schenk&cd=1#v=onepage&q=&f=false (Seite 508) Der TL072 ist ein FET-OPV, aber es kann natürlich schon sein, dass er bei Überschreitung seines Eingangsspannungsbereichs ähnliche Effekte entwickelt.
Ahhh, okay, das klingt logisch, hab ich im Datenblatt garnet gesehn. Werd mir den Link auf jeden Fall mal anschaun und das ganze mit weniger Spannung am NI testen. Danke und gn8 ;)
Nur ums abzuschließen: hab mal weniger Spannung (ca -3,3V) auf den NI gegeben, dann funktionierts :) scheint also als wärs das gewesen, danke nochmal!
Bitte melde dich an um einen Beitrag zu schreiben. Anmeldung ist kostenlos und dauert nur eine Minute.
Bestehender Account
Schon ein Account bei Google/GoogleMail? Keine Anmeldung erforderlich!
Mit Google-Account einloggen
Mit Google-Account einloggen
Noch kein Account? Hier anmelden.
