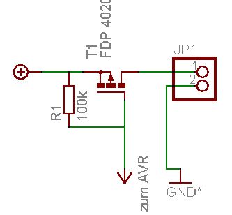
Hallo, ich möchte mit einem AVR (ATMega16) einen Mosfet ansteuern (P-Kanal, typ: FDP2040p von Fairchild Semi. ). In der Anlage ist ein Schaltplan. An der rechten Leiste soll dann eine ohmsche Last gegen Masse geschalten werden. Funktioniert das so, und ist der Fet dafür auch geeignet? Hier mal ein kleiner Auszug aus dem Datenblatt: Rds(on) = 0,08 Ohm @ V gs = -4,5 V Rds(on) = 0,11 Ohm @ V gs = -2,5 V Leistung 37,5 W Uds max. 20V Id 16 A Gehäuse : To 220 Der Fet sollte etwa 6V und bis zu 6 A schalten können. Ist die angegebene Leistung die durch den Fet fließt, oder die max. erlaubt Verlustleistung? Auf eine Antwort würde ich mich freuen, Stefan
Wenn der AVR mit 5V betrieben wird , hat man eine Mindestspannung von -1V Ugs . Da sperrt der FET noch , ist aber keine saubere Lösung .
Hallo Stefan, keine saubere Lösung, hatt BUZ11 recht! Wenn Du keinen größeren Aufwand treiben willst, setz noch eine kleine Zenerdiode(2Volt) mit dem Balken zum FET in Reihe zum AVR. (rote LED mit balken zum AVR geht vielleicht auch) Diese Sperrt und leitet nur, wenn der AVR LOW-Pegel hat. Allerdigens hast Du dann keine -5.9xVolt am Gate, sondern musst die Sperrspannung der Z-Diode abziehen. Sind dann aber immernoch 6V-2V=(ca) 4Volt U_gs. Ausserdem fliessen Dir sonst die 6Volt über den 100K und den internen Schutzdioden im AVR auf deine AVR-VCC (jedoch dürfte nichts durchglühn bei 100K). Den AVR musst Du aber mit 5Volt betreiben, der HIGH-Pegel muss größer sein als 6Volt-ZSpannung. Auch, wenn Du den PortPIN übers DDRX-Register hochomig schaltest, gilt das, wegens der internen Schutzdioden im AVR. Viel Spaß weiterhin AxelR.
Hallo, vielen Dank für eure Antworten. Ich habe da aber noch eine Frage, da ich mich zum ersten mal mit Mosfets beschäftige. " Wenn der AVR mit 5V betrieben wird , hat man eine Mindestspannung von -1V Ugs . Da sperrt der FET noch , ist aber keine saubere Lösung . " Heißt das, dass ich die Spannung an source höher wählen muss? Eigentlich will ich nicht noch mehr Bauteile verbrauchen, die zu Schaltende Spannung kann ich problemlos auch höher stellen. Ich wollte nur ein beispiel vorhin nennen. Übrigens wird der AVR mit 5v betrieben. Wie sieht's denn mit der Leistung aus? (37,5 Watt) Freue mich, so hilfreiche Leute zu treffen, echt super, Stefan
Hi man sollte sich generell überlegen ob man wirklich High-Side schalten will/muß. Meißt läßt sich das nämlich verhindern und man kann N-Kanal MOSFET's verwenden. Die haben, aus physikalischen Gründen, wesentlich bessere Eigenschaften. Bei deinem FET kommst du bei 6A auf eine Verlustleistung von rund 3W. Mit einem 0815 N-Kanal-FET problemlos auf unter 1W. Nicht umsonst werden in integrierten High-Side-Schaltern (z.B. BTSxxx von Infineon) auch N-Kanal-FET's verwendet. Da ist dann noch eine Ladungspumpe drin die für den entsprechenden Spannunghub sorgt. Matthias
Hallo, ja muss leider gegen Masse schalten (das Gehäuse ist aus Metall und ich will das nicht auf Vcc legen ). Zur Erklärung: Habe 8 Bananenbuchsenpaare auf die ich mein 6 oder mehr Volt legen will. Gruß Stefan
Hi Dann bleiben dir mindestens drei Alternativen: 1. Nimm einen "intelligenten" High-Side-Switch. Inifineon bietet da ein paar schöne Bauteile an. BTS 436 L2 kostet bei Reichelt 2,30 2. Ansteuerung des P-Kanal-FET's über zusätzlichen Transistor. Dann spielt die zu schaltende Spannung bis Ugsmax keine Rolle. Danach muß man wieder aufpassen. 3. N-Kanal-FET nehmen und über Ladungspumpe das Gate auf das nötige Potential zum Schalten bringen. Variante 1 ist am teuersten aber wohl auch am einfachsten. Variante 3 dürfte etwas aufwendiger werden aber dann kannst du den FET so auswählen das der bei den 6A kaum warm werden wird. Matthias
Hallo, nun ja, der ips521 ist doch recht teuer. Eine grundsätzliche Frage: muss die zu schaltende Spannung unter Vgs liegen? Für was ist dann die Angabe "Uds max. 20V" ? gruß Stefan
Bitte melde dich an um einen Beitrag zu schreiben. Anmeldung ist kostenlos und dauert nur eine Minute.
Bestehender Account
Schon ein Account bei Google/GoogleMail? Keine Anmeldung erforderlich!
Mit Google-Account einloggen
Mit Google-Account einloggen
Noch kein Account? Hier anmelden.
