Hallo, folgendes Problemm: Es ist ein bipolarer Schrittmotor an einem Controller angeschlossen. Schrittmotortreiber ist nicht bekannt, deshalb ist nicht möglich die Software anzupassen. Ich möchte die Drehrichtung des Schrittmotors während er sich dreht ändern! Wird es funktionieren, wenn ich theoretisch die Drähte der einen Wicklung einfach vertausche? Oder muss es bei beiden Wicklungen sein? Ist es möglich das ganze mit einer H-Brücke zu realisieren? Oder doch zwei Brücken? Das ganze soll mit einem Microkontroller gesteuert werden. Ziel: Umbau eines Druckers für andere Zwecke. Gruss Andy
Hi Andy nimm ein 2 poliges Relais mit 2 Wechslern Du brauchst nur eine Wicklung umzupolen. Gruss Bernd
> Wird es funktionieren, wenn ich theoretisch die Drähte der einen > Wicklung einfach vertausche? Interessante Frage. Ich wuerde normalerweise sagen das dies einfach so moeglich ist. Jedenfalls im Vollschrittbetrieb. Ich koennte mir aber vorstellen das dies im Microschrittbetrieb nicht moeglich ist. > Ist es möglich das ganze mit einer H-Brücke zu realisieren? > Oder doch zwei Brücken? Das ist quatsch. Zum einen wegen des aufwandes, zum anderen weil die derzeitigen Bruecken einen Stromregler enthalten koennten der es nicht mag wenn du dem im Betrieb die Induktivitaet umschaltest. Wenn also dann Datenblatt der im Drucker vorhandenen Endstufe besorgen und da zwei Eingangsleitungen mit einem 4053 umschalten. Es wuerde mich aber trotzdem nicht wundern wenn du dabei auch mal einen Schritt verlierst. Olaf
Danke für die schnellen Antworten!
Bernd Bog.:
> nimm ein 2 poliges Relais mit 2 Wechslern <
mir wäre es interessant das Ganze ohne mechanische Teile auszuführen.
Olaf: > Es wuerde mich aber trotzdem nicht wundern wenn du dabei auch
mal einen Schritt verlierst. <
Ein paar Schritte zu verlieren ist in meinem Fall kein Problem.
Olaf schrieb: > Wenn also dann Datenblatt der im Drucker vorhandenen Endstufe besorgen > und da zwei Eingangsleitungen mit einem 4053 umschalten. Schaltplan habe ich, bloss welche Leitungen soll ich umschalten?
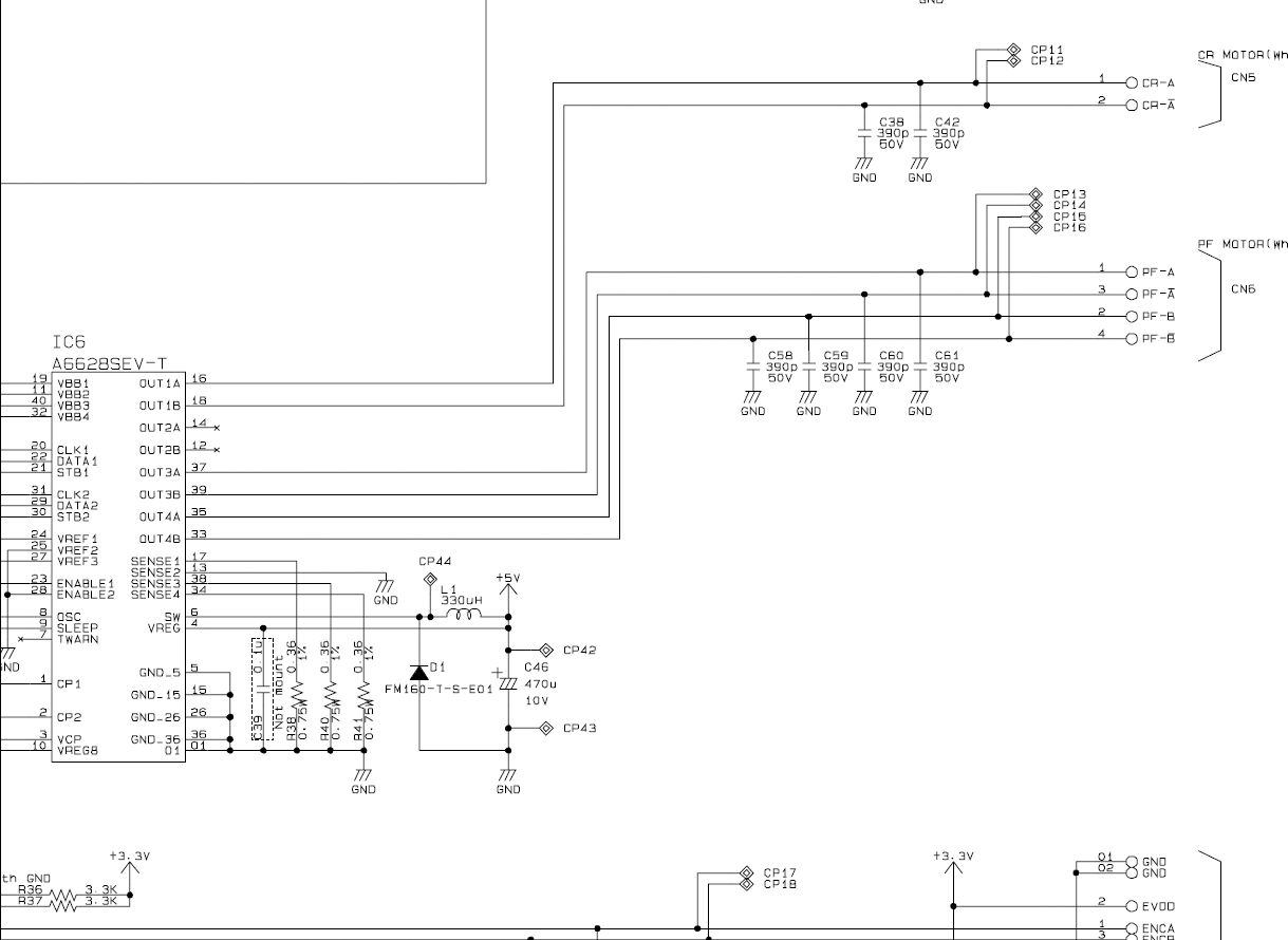
Das ist doch nicht die Endstufe? Alles was rechts noch folgt...
A6628 (IC6) ist der Motortreiber. Weiter links ist der Kontroller. Rechts ist der Schrittmotor (PF Motor, Papier Motor). Das war's eigentlich. Rechts kommt nichts mehr.
> Schaltplan habe ich, bloss welche Leitungen soll ich umschalten?
Tja, Schaltplan ist leider noch kein Datenblatt. Wenn ich aber richtig
rate dann hast du ein Problem. Das teil ist sicher eine Endstufe mit
Stromregelung. Deshalb gibt es die Sense-Widerstaende.
Aber es sieht so aus als wenn die Ansteuerung ueber einen seriellen Bus
erfolgt. Ich denke dafuer sind die CLK, Data und Strobe Leitungen. Auch
wenn es wiederum erstaunlich ist das es die zweimal gibt.
Ich denke mal da kommst du nur weiter wenn du das Datenblatt hast und
einen Controller in die Datenuebergabe einschleifst. Das IC schein ein
auf Schrittmotoren spezialisiert Microcontroller zu sein. Wuerde ich
gerne mal das Datenblatt zu lesen.
Olaf
Olaf schrieb: > dafuer sind die CLK, Data und Strobe Leitungen. Auch > wenn es wiederum erstaunlich ist das es die zweimal gibt. Es ist ja ein zweiter Motor da. Olaf schrieb: > Wuerde ich > gerne mal das Datenblatt zu lesen. Datenblatt ist nicht aufzufinden in den Weiten des Internets.
Hi Andy
Nein Du musst nur eine Wicklung umschalten
PFA PFA PFA PFA
| |
| |
W1 W1
Anfang Ende
Guss Bernd
Die beiden Mittleren sind die PFA Oberstrich. Ist oben ein Darstellungsfehler. (Komisch ist in der Vorschau richtig) Gruss Bernd
> Ist oben ein Darstellungsfehler.
Nimm die Tokens [ pre] und [ /pre] (ohne Leerzeichen),
dann zerhagelt es dir die ASCII-Grafik nicht:1 | ___ ___ |
2 | PFA PFA PFA PFA |
3 | / ------------------ / |
4 | | | |
5 | W1 W1 |
6 | Anfang Ende |
Danke für eure Antworten! Jetzt muss ich es noch aufbauen und ausprobieren.
Bitte melde dich an um einen Beitrag zu schreiben. Anmeldung ist kostenlos und dauert nur eine Minute.
Bestehender Account
Schon ein Account bei Google/GoogleMail? Keine Anmeldung erforderlich!
Mit Google-Account einloggen
Mit Google-Account einloggen
Noch kein Account? Hier anmelden.
