Hallo Zusammen, wir haben/hatten hier ein Temperaturproblem mit einer Schaltung. Grund waren hierfür eine Verpolungsschutzdiode und eine Z-Diode. Ich habe den Fehler eigentlich behoben, mir fehlt nun allerdings der Spannungsabfall über die Verpolungsschutzdiode, etwa 400mV. Eingesetzt war eine Schottky BAS40-05. Kennt ihr eine temperaturstabile(re) Variante einer Verpolungsschutzdiode(bis 500mV Uf bei etwa 10mA), oder eine Möglichkeit einen temp.stabilen Spannungsabfall von etwa 500mV zu bekommen? Hab keinen Präzisionsregler für 0,5V bis jetzt gefunden. Stromstabilität reicht bis 20mA. Ich meine die BAS40-05 hat einen Drift von -2mV/K, das ist auf jeden Fall viel zu viel! Würd mich über einen Tipp freuen. Gruß Dennis
> Hab keinen Präzisionsregler für 0,5V bis jetzt gefunden. Was ist die Eingangsspannung, was die Ausgangsspannung? Und wieso brauchst du dazwischen eine Differenz von genau 500mV? > Ich meine die BAS40-05 hat einen Drift > von -2mV/K, das ist auf jeden Fall viel zu viel! Schön, dass wir jetzt wissen, was zuviel ist. Aber viel interessanter ist: was wäre ausreichend wenig?
Lothar Miller schrieb: > Schön, dass wir jetzt wissen, was zuviel ist. > Aber viel interessanter ist: was wäre ausreichend wenig? Alles was weniger ist, wäre einen Test wert. -0,5mV/K wäre schon schön. Gibt es einen Hersteller der diese Angaben diskret im Datenblatt angibt? Fairchild macht das bei Z-Dioden aber bei normalen hab ich mir bis jetzt immer einen Wolf gesucht. Lothar Miller schrieb: > Was ist die Eingangsspannung, was die Ausgangsspannung? > Und wieso brauchst du dazwischen eine Differenz von genau 500mV? Ich brauche nicht genau 500mV. Irgendwas zwischen 400mV und 500mV wären OK. Die Schaltung wurde damals entwickelt und wir haben keinen Zugriff mehr auf die Software. Ich suche nun einen Weg die Sache hardwaremäßig zu lösen. Der Fehler ist behoben, allerdings arbeitet die Schaltung nun nicht mehr im richtigen Spannungsbereich und mir fehlen diese 400-500mV Spannungsabfall(Temperaturstabil) um sie wieder in den richtigen Bereich zu bekommen.
Dennis schrieb: > Lothar Miller schrieb: >> Was ist die Eingangsspannung, was die Ausgangsspannung? >> Und wieso brauchst du dazwischen eine Differenz von genau 500mV? > > Ich brauche nicht genau 500mV. Irgendwas zwischen 400mV und 500mV wären > OK. Die Schaltung wurde damals entwickelt und wir haben keinen Zugriff > mehr auf die Software. Ich suche nun einen Weg die Sache hardwaremäßig > zu lösen. Der Fehler ist behoben, allerdings arbeitet die Schaltung nun > nicht mehr im richtigen Spannungsbereich und mir fehlen diese 400-500mV > Spannungsabfall(Temperaturstabil) um sie wieder in den richtigen Bereich > zu bekommen. Ich suche also ein Bauteil/ eine Schaltung an der etwa 400-500mV Spannung bei etwa 10mA temperaturstabil abfallen. Eingangsspannung etwa 20-30V. Gruß Dennis
>ch meine die BAS40-05 hat einen Drift >von -2mV/K, das ist auf jeden Fall viel zu viel! Du wirst aber keine anderen Dioden finden. Die ca. 2mV pro Grad sind physikalisch vorgegeben. -1.7mV = (UD - UG - 3*UT) / T UD = Diodenspannung = 0.7V UG = Bandabstandsspannung = 1.12V UT = Temperaturspannung 25mV T = Temperatur = 300 Kelvin Gruss Helmi
> Die ca. 2mV pro Grad sind physikalisch vorgegeben.
Evtl. kannst du die Dioden-KL in interessanten Temperaturbereich durch
einen parallelen temperaturabhängigen Widerstand kompensieren...
Der TK von dioden ist immer ziehmlich ähnlich, da läßt sich schwer was machen. Da wäre es leicher einen low drop regler zu finden, der einem dahinter einen Stabile Spannung liefert. Einige, wie LM2931 haben auch eine Verpolungschutz mit drin.
Danke euch, da kommt mir doch auf einmal einiges bekannt vor :-) Ich habe in vorherigen Lösungsansätzen versucht die TKs mit verschiedenen Dioden - Z-Dioden Kombinationen zu kompensieren, hab aber nachher die Sache verworfen. War doch eine ganz schöne bastelei. Ein Versuch wäre die Sache mit dem Widerstand wert! Wie bereits erwähnt, der Verpolungsschutz ist nicht mehr wichtig(das wurde bereits anders gelöst), nur noch der temperaturstabile Spannungsabfall wäre schön. Gibt es nicht sowas wie einen TL431, der bis 0,5V runter kann? Schönen Gruß Dennis
@Dennis: Brauchst du eigentlich eine konstante Spannungsdifferenz oder eine konstante Absolutspannung für die nachfolgende Schaltung? Oder ist beides dasselbe, weil die Eingangsspannung schon konstant ist?
Die Eingangsspannung ist nicht konstant. Ich brauche eine stabile Spannung zwischen etwa 400-500mV zwischen den Punkten A und B.
Einfach um mal das Gesamtbild zu haben: Welchen Spannungswert hat die Z-Diode in Deiner Dioden/Z-Dioden-Kombination?
Wäre vielleicht irgendetwas mit einem OpAmp plus Spannungsreferenz-IC akzeptabel? 20mA sind ja nicht so arg viel.
> Einfach um mal das Gesamtbild zu haben: > Welchen Spannungswert hat die Z-Diode in Deiner > Dioden/Z-Dioden-Kombination? Hab verschiedene Z-Dioden ausprobiert, von BZX84C 5,6V - 6,8V. Das war aber damals ein anderer Lösungsansatz. Das ist mit der Jetzigen nicht mehr zu realisieren. Ich brauch "nur" noch die 400mV. Gruß Dennis
Zeichne mal die ganze Schaltung und erkläre ganz genau, was du weglassen willst. Wie Yalu schon angedeutet hat, gibt es hier die Möglichkeit einer aktiven Zenerdiode, die mit einem OPamp arbeitet. Kai Klaas
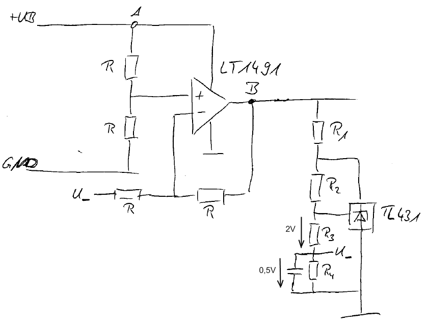
Beim TL431 ist die Vref ja nahezu Temp.-stabil. Wenn man die Widerstände R3 und R4 so dimensioniert das an R4 0,5V abfallen müsste das doch so funktionieren, oder? Man muss wahrscheinlich noch ein bisschen rumprobieren, da man ja die Seite vom Subtrahierer parallel schaltet, aber meint ihr das könnte so gehen? Gruß Dennis
Dennis schrieb: > Man muss wahrscheinlich noch ein bisschen rumprobieren, da man ja die > Seite vom Subtrahierer parallel schaltet, aber meint ihr das könnte so > gehen? Müsste prinzipiell so gehen. Aber warum schaltest du nicht einfach an den TL431 einen Spannungsteiler und danach den OpAmp als Spannungsfolger (s. Anhang)? Beim OpAmp musst du einen suchen, der bei 0,5V unter der positiven Versorgungsspannung noch ausreichend Strom liefert. Der LT1491 dürfte etwas zu schwach sein.
Hallo, na logisch. Vielen Dank yalu. Dein Vorschlag ist natürlich noch etwas einfacher. Werde das Montag mal direkt testen. Schönes Wochenende! Gruß Dennis
Hallo Zusammen, ich muss euch nochmal mit dem Thema belästigen! Ich hab mir jetzt einige OPAMP-Muster kommen lassen und bis jetzt arbeitet kein OV wie gewünscht. An allen getesten OVs entspricht die Eingangsspannung nicht der Ausgangsspannung. Der LT1491 z.B. hatte eine Differenz von 300mV zwischen Uin und Uout (nach der Schaltung von yalu) Könnt ihr mir noch einen Tipp geben, welche Parameter im Datenblatt für eine solche Anwendung wichtig sind (neben der Rail2Rail Angabe natürlich)? Die Muster sollten u.a. laut Datenblatt mit einer Eingangsdifferenzspannung von +Vcc -100mV(maximum ratings) klar kommen. Das hatte sich allerdings nicht bewahrheitet. Mir stellt sich gerade noch eine zusätzliche allgemeine Frage: Spricht etwas dagegen einen OP mit einem geringeren Betriebsspannungsbereich zu verwenden (um Geld zu sparen) und dafür das GND-Potetial anzuheben? Euch noch nen schönen Abend. Gruß Dennis
TS912: Billig, geht aber nur bis 16V, Ausgangsstrom bei VCC-0,5V dürfte etwas knapp sein. Google liefert mit rail-to-rail high output current noch ein paar weitere, von folgenden habe ich kurz ins Datenblatt geschaut: AD8397: Liefert 120mA(!) bei VCC-0.18V, geht aber nur bis 24V und hat bei Verstärkung 1 lt. Datenblatt eingangsbedingt Probleme, die obere Rail zu erreichen. Vielleicht kann man es schaltungtechnisch hinbekom- men, dass mit niedrigerer Eingangsspannung gearbeitet werden kann. Zu so später Stunde habe ich aber keine Idee mehr ;-) LM7321: Geht bis 30V, liefert lt. Diagramm im Datenblatt 30mA bei VCC-0,5V, dieser Wert ist aber nicht garantiert. OP279: Liefert garantiert 10mA bei VCC-0,2V, geht aber nur bis 12V. > Mir stellt sich gerade noch eine zusätzliche allgemeine Frage: Spricht > etwas dagegen einen OP mit einem geringeren Betriebsspannungsbereich > zu verwenden (um Geld zu sparen) und dafür das GND-Potetial anzuheben? Nein. Und da der Laststrom nicht über den negativen Versorgungsanschluss fließt, muss die zusätzliche Spannungsquelle auch nicht allzu kräftig ausgelegt sein. Eine Z-Diode sollte für die meisten OpAmps ausreichen.
Hallo yalu, erneut vielen Dank für die Hinweise und die Tipps! Gruß Dennis
Bitte melde dich an um einen Beitrag zu schreiben. Anmeldung ist kostenlos und dauert nur eine Minute.
Bestehender Account
Schon ein Account bei Google/GoogleMail? Keine Anmeldung erforderlich!
Mit Google-Account einloggen
Mit Google-Account einloggen
Noch kein Account? Hier anmelden.



