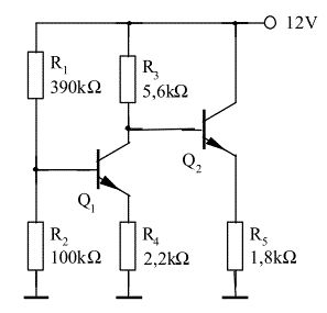
Ich werdet mich für verrückt halten aber ich rechne schon 2 Stunden daran rum und komm nicht drauf. Als erstes soll man VC1/2 VE1/2 VB1/2 für beta = unendlich rechnen. Danach für beta=100. Ich komme einfach nicht drauf. Kann mir mal jemand helfen? Für beta = unendlich funktionert es einwandfrei, da ja kein IB fließt und der Spannungsteiler auf der linken Seite nicht belastet wird. Der zweite Fall will einfach nicht. Angaben sind lediglich das auf dem Bild und: Nehmen Sie zur Vereinfachung an, daß die Basis-Emitterspannung 0,7 Volt beträgt (unabhängig vom Kollektorstrom) Also Sprich ein festes VBE. WER KANN DAS? Ich bekomms so peinlich das auch ist nicht hin!!!
Hallo fang mal damit an: Emitterstrom ist IB*Beta+1. Kollektorstrom ist IB*Beta.
karadur kanns auch nicht ! 1.Basisspannung an Q1 2.Spannung an E_Q1, dann I an E_Q1 (=~I an C_Q1) 3.Spannung an R3 und an C_Q1 (= Spannung an B_Q2) 4.Spannung an E_Q2 und ggf. I_Q2 5. Spannungsverstärkung von Q1~-R3/R4 Viel Erfolg B.
für ß=100 sind die Ströme am Kollektor um 1% kleiner als am E. B.
Oder soll der 1. Spannungsteiler auch unter Berücksichtigung des Basisstromes berechnet werden ? B.
Bernadette schrieb: > Oder soll der 1. Spannungsteiler auch unter Berücksichtigung des > Basisstromes berechnet werden ? Sonst wäre es irgendwie witzlos, oder? ;-)
na dann, ie Gleichungen für I_R1 gleichsetzen und nach UB auflösen. Ic an Q1 ist 99% von Ie B.
Bernadette (Gast) wrote: .. Schon die erste Gleichung ist falsch!
> Warumm ist die 1. Gleichung falsch?
Zumindest wenn U_B = U_BE_1 sein sollte
oder was soll das U_B bei ihm sein?
Wenn SolvElec recht hat: Basis Q1 1,96 V Basis Q2 8,33 V Spannung über R4 1,36 V Spannung über R5 7,73 V hans
UB ist die Spannung an der Basis von Q1 Die Gleichungen von Bernadette liefern UB=1.984332425 Volt. Eine Simulation liefert 1,95Volt. Dann hab ich das ganze zusammengesteckt und erhalte 2,02Volt (ß unbekannt) ich glaube B. liegt richtig. An den Gleichungen ist doch nichts auszusetzen. Aufgelöst findet man UB = R2·(7·R1 + 120·ß·R4)/(10·(R1·(R2 + ß·R4) + ß*R2*R4)) Die Spannungen an E und C sind dann einfach Die Werte bei Q2 ebenfalls.
Ob UB = 1,96 oder 1,98 hängt von U_BE des verwendeten Simulators ab. Ich denke das Ergebnis von Hans bestätigt auch den Ansatz von B.
Danke für die Unterstützung. Habs doch jahrelang genau so meinen Studenten beigebracht und mit 70 immer noch nichts verlernt. Gute Nacht. B.
> UB ist die Spannung an der Basis von Q1
Dann sollte man auch die korrekten Bezeichnungen verwenden
allg.
UB = Betriebsspannung
UBE = Basis-Emitter-Spannung (besser nach U_BE um den Index zu
kennzeichnen)
also
1. Gleichung von Bernadette (umgestellt):
I_R1 * R1 + U_BE1 = 12 V ist falsch
die Maschengleichung lautet richtig
I_R1 * R1 + U_BE1 + I_R4 * R4 = 12V
wobei I_R4 = I_E1
..
Hallo kann er schon. Zumindest haben viele Studenten es verstanden. Ok die Klammer fehlt.
> UB ist die Spannung an der Basis von Q1
oder meintest du die Basisspannung gegen Masse?
das wäre dann U_R2
..
Bernadette schrieb: > karadur kanns auch nicht ! > > 1.Basisspannung an Q1 > 2.Spannung an E_Q1, dann I an E_Q1 (=~I an C_Q1) > 3.Spannung an R3 und an C_Q1 (= Spannung an B_Q2) > 4.Spannung an E_Q2 und ggf. I_Q2 > > 5. Spannungsverstärkung von Q1~-R3/R4 > > Viel Erfolg > > B. Genau so funzt es eben nicht... E_Q1 bekomm ich ja nicht. Wie soll ich das berechnen ? Wenn ich das über Spannungsteiler mit VR1 mache komme ich nicht drauf. IE1 soll 586µA sein. Da komme ich nicht drauf. Wenn ich einen Strom habe, dann bekomm ich auch den Rest aber soweit komme ich nicht.
Bernadette schrieb: > UB.JPG > 41,7 KB, 86 Downloads > na dann, ie Gleichungen für I_R1 gleichsetzen und nach UB auflösen. > > Ic an Q1 ist 99% von Ie > > B. Das verstehe ich nicht so ganz. Wo kommt das beta her ?
Das sind die Ergebnisse: für β=100: I E1 =586µA VE1 =1,289V IC1 =580µA IE2 = 4,34mA IC2 =4,297mA VE2 =7,812V
Ich habe Folgendes herausbekommen:
1 | exakt gerundet |
2 | --------------------------------------------- |
3 | UB1 = 146970 / 73939 V = 1,988 V |
4 | UC1 = 2949260882 / 346404215 V = 8,514 V |
5 | UE1 = 952127 / 739390 V = 1,288 V |
6 | UE2 = 5413555863 / 692808430 V = 7,814 V |
7 | IB1 = 857 / 147878000 A = 5,795 µA |
8 | IB2 = 5955507 / 138561686000 A = 42,98 µA |
9 | --------------------------------------------- |
LTSpice ist der gleichen Meinung (s. Anhang). Die Ergebisse stimmen auch gut mit denen von Mr Panic überein. Die kleinen Unterschiede dürften Rundungsfehler sein.
Ich würde das so rechnen wie im Anhang. IE1 ist dann IE1 = 101 x IBE1 = 585µA. Kai Klaas
Habs nun hinbekommen. Vielen Dank an alle :-) Muss das wohl noch ein bisschen üben um wieder reinzukommen.
Ist zwar schon etwas spät, aber dass geht auch: Man kann den Spannungsteiler an der Basis in eine Ersatzspannungsquelle und einen Ersatzwiderstand umformen(siehe Bild) Man hat dann: V_Ersatz = Vcc* R2/(R1+R2)= 2,449V R_Ersatz = R1 // R2 = (R1*R2)/(R1+R2) = 79,59kOhm Diese Ersatzspannungsquelle und Ersatzwiderstand liegt nun in Reihe mit der Basis. Man kann also eine Masche aufstellen: V_Ersatz = VR_Ersatz + VBE + VR4 Die Ströme eingesetzt dafür: V_Ersatz = R_Ersatz * IB + VBE + R4*IB(BETA+1) Aufgelöst nach IB: IB= (V_Ersatz - VBE)/(R_Ersatz + R4(BETA+1)) IB= (2,449V -0,7V) / (79,59k + 2,2k * 101) IB= 1,749V / 301,79k = 5,795µA IC= IB*BETA = 579,5µA IE= IB*(BETA+1) = 585,34µA Auf den Rest müsste man dann voll leicht kommen. Grüße Mani
Bitte melde dich an um einen Beitrag zu schreiben. Anmeldung ist kostenlos und dauert nur eine Minute.
Bestehender Account
Schon ein Account bei Google/GoogleMail? Keine Anmeldung erforderlich!
Mit Google-Account einloggen
Mit Google-Account einloggen
Noch kein Account? Hier anmelden.




