Hallo Ich Möchte mich mit dem ENC28J60 vertraut machen und ein parr projekte realisiren, ich habe mir dazu das dattenblatt und den schaltplan von http://avr.auctionant.de/avrETH1/index.html Simon Schulz besorgt und angesehen nun ist mir nicht ganz klar was die anschlüsse der ethernet buchse 7, 8 sollen im datenblatt ist eine schaltung abgebildet die ich auch angehängt habe dort hängen die anschlüsse 7, 8 der RJ-45 buchse an einem widerstand und nem kondensator an masse oder erde ich weiss nicht was das für ein zeichen ist. wie ich das im schaltplan von Simon Schulz erkenen kann ist der anschluss 7, 8 der ethernet buches die Spannungs versorgung der gansen schaltung. ich möchte meine schaltuung mit hilfe des Datenblattes entwerfen und bin nun verwirt wegen des schaltplanes von simon schulz. Mit freundlichen Grüssen Ferdinand.
Gewöhn dir mal an, Satzzeichen zu benutzen! Da es 1000Mio verschiedene RJ45 Buchsen gibt, solltest du mal schauen, welche Buchse Microchip da vorschlägt. Bei den meisten (aber nicht allen!!) Buchsen sind Pin 7 und 8 die Schirmung vom Gehäuse.
Hans schrieb: > Bei den meisten (aber nicht > allen!!) Buchsen sind Pin 7 und 8 die Schirmung vom Gehäuse. ich denke schon das ich meine frage so gestellt habe das man auch erkennt was ich nicht verstehe. Danke By Ferdinand.
>Ich Möchte mich mit dem ENC28J60 vertraut machen
Hm, es wäre vorteilhafter, sich zunächst mit Rechtschreibung, Satzbau,
und Satzzeichen vertraut zu machen.
Ich habe keine Ahnung, was du willst - Mein Fantasie reicht nicht aus.
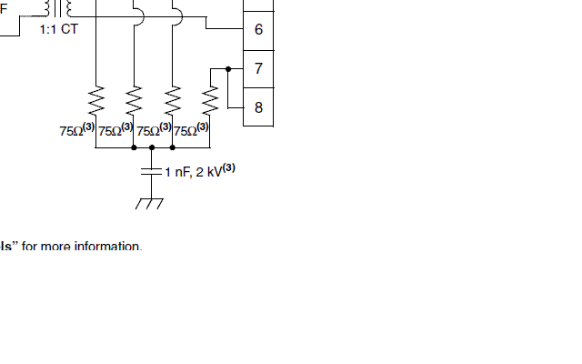
Also, meine Fantasie sagt mir, er möchte mal Datenpakete verschicken. Ich find den Plan auch komisch, dass da drei Symbole für Massen sind. Können dann ja nicht die selben sein. Also, es gibt ne 3.3v masse und dann noch andere. Aha...
Hallo, die Schaltung ist so weit ich das beurteilen kann, doch ok. 1+2,3+6 sind Signal Paare, die genutzt werden 4,5,7,8 sind Signal Paare, die nicht genutzt werden. Über die Widerstände und Kondensatoren wird eine virtuelle Masse geschaffen. Die würde ich an die Abschirmung der RJ45 Buchse legen. An der Masse vom 28J60 hat die nichts verloren. Über den Übertrager sind 28J60 mit dem Gegenstück galvanisch getrennt. Der Kondensator hat darum auch 2KV. Das ist alles richtig soweit, damit da keine großen Ausgleichsströme fließen. Viele Grüße Herbert
Ignoriere einfach den Schaltungsteil von Simon (sorry Simon ;-). Die Leitungspaare 4/5 und 7/8 sind bei 10/100MBit Ethernet nicht belegt. Simon benutzt sie für eine (nicht standardkonforme) Stromversorgung seiner Schaltung. Solange Du solche Fragen stellst, solltest Du das nicht nachmachen und Dich ans Datenblatt halten. Der Kritik an Deiner "Schreibweise" muß ich mich anschließen. Sie ist ausgesprochen anstrengend.
>>Ich find den Plan auch komisch, dass da drei Symbole für Massen sind. Dass in der Schaltung verschiedene Masse Symbole verwendet werden ist nur zu logisch. Die Ethernetbuchse trennt den ENC28J60 galvanisch vom Rest des Netzwerks, daher sind das auch verschiedene Massen.
Beim Betrachten des Schaltplans ist mir ne andere Frage gekommen. Wie schon weiter oben erwähnt, werden nur vier der acht Adern für 10/100MBit verwendet. Wenn nicht nun die verbleibenden Aderpaare kurzschliesse, gibt es dann nicht Probleme in einem 1GBit Netzwerk? Oder ist das ein Merkmal, dass das Gerät keine 1Gbit kann? Oder Allgemein: - Woher wissen andere Geräte, dass Gerät XY keine 1GBit kann? Und zusätzlich noch: - Was passiert mit einem 1GBit Netzwerk, wenn man ein Gerät einfügt, welches nur 10/100MBit kann?
Jochen schrieb: > Oder > ist das ein Merkmal, dass das Gerät keine 1Gbit kann? Der ENC28J60 kann nur 10MBit. > - Was passiert mit einem 1GBit Netzwerk, wenn man ein Gerät einfügt, > welches nur 10/100MBit kann? Dann wird das auch nur mit 10/100MBit betrieben. Deiner naechster Switch/ Router setzt das dann schon um.
Bitte melde dich an um einen Beitrag zu schreiben. Anmeldung ist kostenlos und dauert nur eine Minute.
Bestehender Account
Schon ein Account bei Google/GoogleMail? Keine Anmeldung erforderlich!
Mit Google-Account einloggen
Mit Google-Account einloggen
Noch kein Account? Hier anmelden.

