Hallo alle zusammen, ich konnte leider sonst nichts passendes finden. Also, zu meinem Problem: Ich möchte einen Trenner für meine Modellbahn bauen. Das soll so funktionieren: 1)Über Gleichrichter der zwischen die Schienen geschaltet wird (16-25V), und an einen Optokoppler angeschlossen wird, möchte ich bei Kurzschluss den entsprechenden Teil abschalten. Das ganze ist Digital Motorola/DCC, also Wechselstrom. Kann ich einfach einen entsprechend großen Triac (wie ich es verschalten muss ist mir klar!!) nehmen oder wird mir dadurch das Signal zusehr verfälscht? (Wegen der minimalen Spannung zum zünden) 2)Gibt es eine Möglichkeit, dass er auch sofort zündet? Vielen Dank für eure Antworten Freddy
So ganz ideal scheint mir das nicht. -Um Triac auszuschalten brauchst Du eigentlich einen Nulldurchgang. -es gibt evtl. störende Oberwellen? -Spannungsabfall über Triac -Haltestrom http://www.elektronik-kompendium.de/sites/bau/0411081.htm http://www.mikrocontroller.net/articles/Standardbauelemente
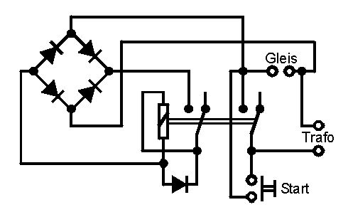
Wenn ich das richtig verstehe, ist die Spannung auf den Gleisen in gewissen Grenzen immer gleich und die Fahrtregelung passiert über digitale Steuersignale. Alles was du ausser dem Gleichrichter noch brauchst, ist ein Relais mit zwei getrennten Umschaltkontakten und ein Taster, sicherheitshalber auch noch eine Freilaufdiode über der Relaisspule. Die Spulenspannung des Relais sollte ungefähr der gleichgerichteten Gleisspannung entsprechen. Das Relais schaltest du über einen der Umschaltkontakte als selbsthaltendes Relais, das bei Betriebsbeginn durch Drücken des Tasters anzieht. Über den freien Umschaltkontakt wird deine Betriebsspannung auf die Gleise geschaltet. Wenn es einen Kurzschluss gibt, bricht auch die Spannung an der Relaisspule zusammen, das Relais fällt ab und trennt das Gleis vom Trafo.
>das bei Betriebsbeginn durch Drücken des Tasters anzieht.
Das sieht gar nicht so aus...
MfG Paul
>Das sieht gar nicht so aus...
Du hast völlig recht. Die Schaltung war Blödsinn. Man braucht entweder
einen zweipoligen Taster wie im Anhang oder man nimmt ein Relais das
einen Knubbel für Handbetätigung eingebaut hat und erspart sich den
Taster.
Die zweite Schaltung funktioniert zwar, hat aber einige Schwächen: 1. Die Spannung bei der das Relais abfällt kann man nicht einstellen. 2. Statt einer Gleichrichtung kann man ein Wechselstromrelais nehmen. 3. Es reicht ein einpoliger Taster und ein Relais mit einem Schließer.
Bitte melde dich an um einen Beitrag zu schreiben. Anmeldung ist kostenlos und dauert nur eine Minute.
Bestehender Account
Schon ein Account bei Google/GoogleMail? Keine Anmeldung erforderlich!
Mit Google-Account einloggen
Mit Google-Account einloggen
Noch kein Account? Hier anmelden.

