Hallo, ich habe mir mal vor gut 25 Jahren ein Netzgerät (0-40V 4A) selbst gebaut und möchte die beiden Analog-Anzeigeinstrumente für VOLT und AMPERE gegen eine LCD-Anzeige austauschen. Ist das so ohne weiteres überhaupt machbar? Die Schaltungspläne habe ich noch. Kann mir da jemand mal einen Anstoß/Tip geben wie das am einfachsten realisiert werden kann. Vielen Dank hG Flocke
2 sogenannte Panelmeter kaufen, einen entsprechende Shunt und 2 DC-DC Wandler.
Hi Henk, danke, das ist genau der Hinweis den ich gebraucht habe. Ich mach mich mal auf die Suche nach den teilen. hG Flocke
Du brauchst natürlich noch eine Stromversorgung für die Dinger, und die darf NICHT aus den SPannungen im Netzgerät abgeleitet sein. Also ein 2 x 6V Trafo, Einweggleichrichter, Siebelko. Desweiteren braucht das Amperemeter einen Shunt-Widerstand, denn die allermeisten Panelmeter messen 200mV. Bei deinem würde ich aber 3 3/4 stellige für 39.99V und 3.999A suchen (und die letzte Stelle abkleben, ist eh Murks).
@MaWin: Habe ich nicht sinngemäß genau das selbe geschrieben wie Du? Oder dachtest Du nur mal wieder "doppelt hält besser"? ;-)
> Du brauchst natürlich noch eine Stromversorgung für die Dinger
Das weiss ein Anfangsanwender von Panelmetern nicht unbedingt.
Und wundert sich...
Thorsten Schüler schrieb: >...möchte die beiden Analog-Anzeigeinstrumente für VOLT und >AMPERE gegen eine LCD-Anzeige austauschen. Ist das so ohne >weiteres überhaupt machbar? Ich würde was darum geben, hätte ich mein Netzgerät damals mit analogen Instrumenten anstatt LCD gekauft (das war ohne Preisunterschied wählbar). Vergangene Woche, hatte ich im Haus einen Installateur der Stadtwerke, der im Keller einen einzigen Zähler nach statistischer Vorgabe austauschte. Mein Stromzähler ist fast 50 Jahre alt. Nun, ich hab mich mit dem Installateur herrlich unterhalten. Der meinte unter anderem, daß ein elektronischer Zähler mit LCD von der Lebensdauer her auf 25 Jahre spezifiziert ist, wogegen ein alter mechanischer Zähler problemlos auch 200 Jahre erreichen könnte. Bei einem Vielfachmeßinstrument, hatte ich schon mal einen Reinfall: Nach etwa 15 Jahren zog das LCD an den Seiten Luft, und wird dann zunehmend schwarz... Sowas passiert dem analogen Instrument natürlich nicht.
Ich hoffe, du teilst deine Erkenntnisse in den anderen Foren auch mit. http://forum.electronicwerkstatt.de/phpBB/topic101533_f24_bxtopic_timexDESC_by1_bz0_bs0.html Arno
Thorsten Schüler schrieb: > Hallo, > > ich habe mir mal vor gut 25 Jahren ein Netzgerät (0-40V 4A) selbst > gebaut und möchte die beiden Analog-Anzeigeinstrumente für VOLT und > AMPERE gegen eine LCD-Anzeige austauschen. Ist das so ohne weiteres > überhaupt machbar? > Die Schaltungspläne habe ich noch. > Kann mir da jemand mal einen Anstoß/Tip geben wie das am einfachsten > realisiert werden kann. Vielen Dank KLar, geht in 80% aller Netzgeräte gut auszutauschen ,-) 2 LCD-Panelmeter kaufen und einbauen. In 50% der Netzteilschaltungen kanst Du die vorhandenen interne Spannungen zur Versorgung der Panelmeter mit benutzen. In den übrigen 50% nicht. Wie es bei Dir konkret aussieht, kann man ohne Deine Schaltpläne zu kennen nicht vorerst nicht sagen. Also wäre es z.B. gut wenn Du diese hier hochlädst, dann helfen wir weiter.
> In 50% der Netzteilschaltungen kanst Du die vorhandenen interne > Spannungen zur Versorgung der Panelmeter mit benutzen. Nenne mal eins. (Beleg durch Link auf dessen Schaltplan) Andrew, poste nicht ständig so einen Humbug.
MaWin schrieb: >> In 50% der Netzteilschaltungen kanst Du die vorhandenen interne >> Spannungen zur Versorgung der Panelmeter mit benutzen. > > Nenne mal eins. (Beleg durch Link auf dessen Schaltplan) Schau Dir z.B. mal FS12/73 an und vielleicht kommst Du dann selber darauf wozu man die + und die - 6,8 Volt dort nutzen kann. Gleiches gilt für die Gossen Konstanter wie 24KxRUyy Und jede Menge Kepco, HP, .... > > > Andrew, poste nicht ständig so einen Humbug. Das sagst gerade Du als der größte Dummlaller dieses Forums.
> > BELEG DURCH LINK AUF DESSEN SCHALTPLAN > [nichts] Dummschwätzer. (Ja, ich hab per Google gesucht, FS12/73 führt einzig auf einen Beitrag von dir im Microcontroller,net, zum Gossen 24K könnte ich einen für 12 EUR kaufen, aber das bist du nicht wert.).
Hallo! Als erdfreie Spannungsversorgung für die üblichen Panelmeter auf Basis ICL7106 nutze ich immer kostenlose DC/DC Wandler von BNC-Netzwerkkarten aus dem Schrott. Die liefern aus 5VDC 9VDC erdfrei.
MaWin schrieb: >> > BELEG DURCH LINK AUF DESSEN SCHALTPLAN > >> [nichts] > > Dummschwätzer. > > (Ja, ich hab per Google gesucht, FS12/73 führt einzig auf einen Beitrag > von dir im Microcontroller,net, zum Gossen 24K könnte ich einen für 12 > EUR kaufen, aber das bist du nicht wert.). Nun MaWin, Du zeigst gerade das Du in diesem Topic wenig bis keine Ahnung hast. Es gibt zu FS12/73 mehr als 6 Beiträge, und natürlich auch mind. zwei mit dem Schaltplan. Wie ich sehe fehlt Dir der intellektuelle Zugang, selbst eine derart einfache Aufgabe zu lösen. Stattdessen prollst Du in gewohnter Manier herum. Die kognitive Leistung, in den Schaltplan die 2 LCD Instrumente korrekt einzubringen, dürfte daher für Dich nicht machbar sein.
Immer noch kein Beleg durch Link deinerseits.
War ja nicht anders zu erwarten.
Nein, mein Intellekt reicht nicht, mir eine Schaltung
aus einer längst vergrifeenen Funkschau-Ausgabe in der
Phantasier vorzustellen.
> Stattdessen prollst Du in gewohnter Manier herum.
Brauch ich nicht, ich weiß, das mit nicht-potentialfreien
Versorgungsspannungen nichts Richtiges bei rauskommt.
Und ich zweifle stark an, daß die +/-6.8V potentialfrei
sind. Vermutlich weisst du aber gar nicht, was das ist.
Ihr habt doch mal ein derbst an der Waffel das ihr euch immer so beweisen müsst. -.- Das Leben ist definitiv kein Schwanzvergleich.
Denker schrieb:
> Ah, Andrew gibt auf?
Nein, aber ich sehe das es zwecklos einen bornierten Dummlaller wie
MaWin, der weder in der Lage ist die hier auf dem Forumsserver
befindlichen Pläne der FS12/73 anzusehen, weiterhin die Basisinfos zu
geben. Stattdessen weicht er mehr auf Nebenkriegsschauplätze aus.
Leute wie ihn gibt es seit langer Zeit. Die haben früher behauptet die
Erde sei eine Scheibe und haben das noch vertreten als der Rest der Welt
es besser wußte.
Und als "Schwanzvergleich" sehe ich das auch nicht wie Pascal das
fälschlicherweise sieht:
Ich möchte einfach nur nicht weiter den Unfug im Raum stehen lassen das
man für den banalen Anschluß zweier Panelmeter in JEDEM Fall
DC/DC-Wandler oder sonst potentialfreie Hilfspannung benötigt. Eben weil
es schlcihtweg falsch ist. Und eben weil hier Generationen von
Dummlallern gebetsmühlenartig dieses Dogma prägen wollen das dieser
Zusatzaufwand stets von Nöten sei.
Und es genügend Newbies gibt die genau dies immer wieder aufsaugen und
genauso unreflektiert weitergeben.
So, und damit lassen wir es für diese Woche gut sein.
Es wird sicher noch zig Beiträge und Threads so weitergehen.
Aber für diesen Thread ist für den intelligenten Teil der Mitleser als
gesagt.
> Aber für diesen Thread ist für den intelligenten Teil der Mitleser als
gesagt.
Stimmt.
Daß die Versorgungsspannung der Panelmeter potentialfrei zur zu
messenden Spannung sein muß, sonst messen die handelsüblichen Panelmeter
nicht richtig.
Und daß die vorhandenen Spannungen im Netzteil praktisch nie
potentialfrei zur Netzteilspannung sind, auch in dem uralten FS12/73
nicht, und schon gar nicht bei "50%".
Dein Problem marsufant: Wenn dir jemand sagt, daß du Falsches erzählst,
suchst du den Fehler beim Überbringer der Nachricht, statt bei dir
selber.
>Daß die Versorgungsspannung der Panelmeter potentialfrei zur zu >messenden Spannung sein muß, sonst messen die handelsüblichen Panelmeter >nicht richtig. Es gibt handelsübliche Panelmeter mit gemeinsamer Masse von Betriebsspannung und Messspannung. Sogar mit wählbaren Symbolen für V,A,m,k,M,Ohm,°C...
MaWin schrieb: > Dein Problem marsufant: Wenn dir jemand sagt, daß du Falsches erzählst, > suchst du den Fehler beim Überbringer der Nachricht, statt bei dir > selber. Der Nagel-auf-den-Kopf-Treffer. Route_66 schrieb: > Es gibt handelsübliche Panelmeter mit gemeinsamer Masse von > Betriebsspannung und Messspannung. Sogar mit wählbaren Symbolen für > V,A,m,k,M,Ohm,°C... Wo und zu welchem Preis? (Die ich kenne, sind wesentlich teurer als die "normalen")
Eine Digitalanzeige leuchtet nur wenn sie Strom bekommt. Das ist schlecht. Wenn Ihr mich fragt, dann bin ich froh wenn noch ein Zeigerinstrument drin ist. Da sieht man wenigstens schon VOR dem Einschalten ob schon Spannung von woanders eingeschleppt wird. Für genaues Einstellen gibt es andere Meßinstrumente.
Wenn ich mich richtig erinnere, kann man sogar mit dem ICL7107 eine Spannung die ein gemeinsames Potential mit der Versorungsspannung hat problemlos messen.
Aber statt dass du dich zu erinnern versuchst, schlag doch einfach im Datenblatt nach, was man dazu machen muss, und ob die üblichen Panelmeter das so haben.
Ich denke ,ihr habt beide recht. Ob das IC ICL7107 die Eingänge potentialfrei halten muss, hängt davon ab ob man dem IC eine negative Hilfsspannung zur Verfügung stellt. Es gibt Module die haben dafür einen ICL7660 an Board da darf man den Minuspol der Versorgungsspannung mit dem Minus Eingang verbinden. Die Module welche den Anschluß für die negative Betriebsspannung an Masse legen, darf man das eben nicht. Auskunft darüber gibt das Datenblatt des ICL7107. Aber ganz davon abgesehen sind mir diese Anzeigen mit 3 Messungen / Sekunde für ein Labornetzteil zu langsam. Ich habe in meinen Netzteil ein DVM mit dem Chipsatz CA3161/CA3162 drin. Die haben zwar nur einen Anzeigeumfang von -99 bis +999 aber der kann immerhin 96 Messungen/ Sek. Das merkt man dann wenn man die Spannung am Netzteil kontinuierlich hochdreht. Da ist man mit dem drehen oft schneller als die Anzeige. Da würde ich auch noch den einzigen Vorteil der Analoganzeigen sehen, ansonsten sind Analoganzeigen einfach nur ungenauer. Aber was jemand in sein Netzteil für Messwerke einsetzt ist ein wenig auch Glaubenssache und sollte jedem selbst überlassen bleiben.
> Ich denke ,ihr habt beide recht. Nicht denken Ralph, das kannst du nicht besonders gut, > Auskunft darüber gibt das Datenblatt des ICL7107. schau da einfach mal rein. > Ob das IC ICL7107 die Eingänge potentialfrei halten muss, > hängt davon ab ob man dem IC eine negative Hilfsspannung > zur Verfügung stellt. Nein. Es geht um eine bestimmte Verbindung zweier Anschlüsse am ICL7106 (der 07 ist für LED, eher selten bei Panelmetern), die bei den meisten Panelmetern vorhanden ist und unter einem Klecks des COB verschwindet, also auch nicht zu öffnen ist. Die http://dse-faq.elektronik-kompendium.de/dse-faq.htm#F.9.1 sagt eigentlich alles zu dem Thema.
> Siehe Datenblatt Maxim!!
Ja, nun musst du doch noch ein wenig denken, auch wenn's weh tut,
warum dort 2 Verbindungen gestrichelt eingezeichnet sind, und was
der Hinweise mit dem "See discussion under Analog Common" zu
bedeuten hat.
Mawin deine beleidigende Art sich mit anderen im dem Forum auseinanderzusetzen geht nicht nur mir allmählich auf den Geist. Bei uns wurden Displays schon zigmal genau mit diesen gestrichelten Verbindungen aufgebaut ( nicht nur von mir ! ), und funktionieren alle seit Jahren mit dem gleichen Ground an Input und Betriebsspannung. Wir haben auch schon fertige Module gekauft die genau so verschaltet waren wie in Figur 14 des Datenblattes, auch diese haben einwandfrei funktioniert.Warum du das nicht warhaben willst entzieht sich meiner Kenntnis , kann mir aber letztendlich auch egal sein. Ich werde jetzt nicht mehr antworten, es sei denn es kommen wirklich stichhaltige Argumente. Ralph Berres
Hallo, er will in seinem Netzgeräte statt der Zeigerinstrumente LCD-Panelmeter einbauen. Handelsübliche (billige) Panelmeter (Pollin, Reichelt usw.) benötigen eine potenzialgetrennte Betiebsspannung gegenüber den Messeingängen. Ob es die in seinem Netzgeräte findet, kann er auf dem Schaltplan feststellen. Es würde mich aber sehr wundern, wenn es die gäbe, welchen Zweck sollte sie in einem Netzteil erfüllen? DC/DC-Wandler aus BNC-Netzwerkkarten/Hubs usw. nutze ich auch gern für diesen Zweck. Er kann sich natürlich die Dinger auch mit dem IC nach Datenblatt selber zusammenlöten, ob er das will bezweiflich ich aber stark. Was war also an MaWins erstem Postung falsch? PS: bei einem Üblichen Netzgerät würde mir eine Auflösung von rund 0,1V bzw. 0,01A der 200mV Teileausreichen, genauer waren die Zeigerinstrumente auch nicht abzulesen... Gruß aus Berlin Michael
Der 7107 kann ohne weiteres mit dem (-) Eingang auf Masse gelegt werden und dann beispielsweise seine eigene Betriebsspannung messen und anzeigen oder entsprechend die Ausgangsspannung eines Netzteils anzeigen. Da braucht es keine extra Spannungsquelle für.
Michael diese billigen Reichelt Dinger funktionieren in der Tat nicht mit gemeinsamen Potential. Das liegt daran das da die -5Volt Erzeugung eingespart wurde. Wir hatten mal von einer anderen Firma welche gekauft welche exakt diese Spezifikation erfüllte , und diese haben wir dann genauer untersucht, weil wir auch wissen wollten warum die einen das können und die anderen nicht. Wir haben dann weil uns 30 Euro pro Instrument zu teuer waren welche selbst gebaut, die diese Spezifikationen auch erfüllen. Wie weit man in einem Netzteil ohne getrennte Stromversorgung solche Anzeigen einsetzen kann hängt aber noch von dem Schaltungskonzept des Netzteiles ab. Z.B. ob der Strommesswiderstand im positiven Zweig hängt ( da geht es nicht ) oder ob es im negativen Zweig direkt an der Ausgangsmasse hängt. Ralph Berres
Hallo, @Ralph Berres (rberres): naja, da ich sowas nur in Einzelstücken im Hobbybereich nutze, nehme ich dann die Panelmeter für 5€ und die ausgelöteten Wandler. ;-) 5V für diese bekommt schon in einem Netzteil zustande, notfalls mit 7805. Der schlechte Wirkungsgrad der Geschichte bei einem üblichen 30V/4A Netzgerät dürfte auch relativ bedeutungslos sein. Gruß aus Berlin Michael
> Das liegt daran das da die -5Volt Erzeugung eingespart wurde...
...und weil bei diesen Panelmetern COM und INLO intern verbunden sind.
Issesdennsoschwer.
Michael das mit den DC-DC Wandler ist eine gute Idee. Das muss ich mir merken. Was den schlechten Wirkungsgrad eines 30V 4Amp Netzteiles angeht, so stimmt das bei einen längsgeregelten Netzteil. Ich persöhnlich ( das kann für andere Personen anders aussehen ) bevorzuge längsgeregelte Netzteile im Laborbereich trotz schlechten Wirkungsgrad und großer Wärmeentwicklung. Es kommt halt immer darauf an welche Forderungen man an das Netzteil stellt. Bei mir ist es halt sauberes rauscharmes extrem stabile Ausgangsspannung, sehr schnelles und sauberes Regelverhalten, und nach Möglichkeit unkaputtbar. Das ist meines Erachtens mit einen primär getakteten Schaltnetzteil nur mit extremen grossen Aufwand zu stemmen. Bei einer festen Ausgangsspannung für ein Gerät z.B. Funkgerät sieht die Sache wieder anders aus. Da können Kriterien wie Gewicht eine Rolle spielen. Die Spannung muss auch nicht auf 0,1mV stabil bleiben bei Laständerung. Aber das muss jeder für sich persöhnlich entscheiden, welche Kriterien er anwendet. Ralph Berres
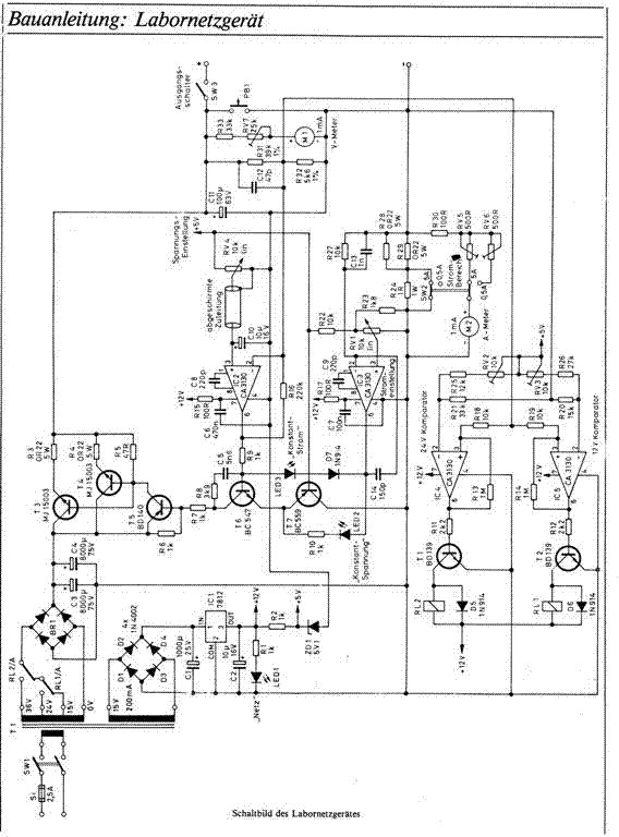
Erst ein mal vielen Dank für die vielen Hinweise. Ich stelle Euch jetzt einmal, wie von einemgewünscht, den Schaltplan des 0-40V 5A Netzteils zu Verfügung. Vielleicht klärt sich da ja so manch eine Frage auf. Ich hoffe man kann alles genau erkennen. hG Flocke
Du könntest hinter dem 7812 Spannungsregler einen 7805 Regler schalten für die Versorgung der Displays. Allerdings müssen dann die Displays zwingend eine galvanische Trennung zwischen Minuspo- Versorgung und Minuspol-Eingang haben. Wenn du die Minuspol- Versorgung an die Masse des 7805 schaltest und den Minuspol - Eingang an den Minuspol- Ausgang des Netzteiles anschließt, schließt du den Strommesswiderstand kurz. Wenn du die Minuspol -Versorgung und den Minuspol- Eingang beide an den Minuspol- Ausgang des Netzteiles anschließt ändert sich die Spannungsanzeige in dem Maße wieviel LEDs aufleuchten, weil du den eigenen vom Display gezogenen Strom mit messen wirst. Wenn der Minuspol- Eingang aber flotet dann müsste es so funktionieren wenn du den ersteren Fall verdrahtest. Ich hoffe das sämtliche Klarheiten beseitigt sind. Ralph Berres
Hallo, Ralph Berres schrieb: > Michael das mit den DC-DC Wandler ist eine gute Idee. Das muss ich mir > merken. > > Was den schlechten Wirkungsgrad eines 30V 4Amp Netzteiles angeht, so > stimmt das bei einen längsgeregelten Netzteil. Ich meinte auch mehr den Wirkungsgrad der Kette 7805 - DC/DC - Panelmeter. Die Wandler sind immerhin 1W-Wandler, die sich dann ziemlich langweilen und der 7805 verheizt auch noch. Das im Verhältnis zur Verlustleistung des Netzteil ist aber wohl uninteressant. PS: auch an alten HP Laserjet 4/5 usw. nicht vorbeigehen, die alten LAN-Karten hatten auch alle BNC und sind schnell hinten rausgezogen. ;) Datenblatt von deren Wandlern habe ich hier irgendwo. Gruß aus Berlin Michael
Hallo Michael Ich habe sogar 2 von diesen laserjet4 hier stehen mit Netzwerkkarte. Zur Zeit nutze ich sogar noch BNC Kabel als Netzwerkverkabelung. Das wird sich aber im Laufe des Jahres ändern, dann stelle ich alles um auf 100MB Technik. Übrigens ziehe ich die LED Panels den LCD Panels vor. Ist wohl Geschmacksache. Aber ich finde das man sie besser ablesen kann. Ralph Berres
Nur zum Vergleich: Spannungsfehler beim Ein/Ausschlten des Netzeils siehst Du erst dann WENN auch Deine LED/LCD-Anzeigen Strom haben. Deine Drehspulinstumente waren immer bereit.
Hallo, oszi40 schrieb: > Nur zum Vergleich: > Spannungsfehler beim Ein/Ausschlten des Netzeils siehst Du erst dann > WENN auch Deine LED/LCD-Anzeigen Strom haben. Deine Drehspulinstumente > waren immer bereit. Naja, beim Ein- oder Ausschalten hochlaufende Netzteile wären als Labor-(Experimentier)netzteil ohnehin wenig zu gebrauchen. Schmale Überschwinger, die ein angeschlossenes Einzelbauteil evtl. zerschießen könnten, zeigen beiden nicht sinnvoll an. Letztlich kommt es immer auf die Anwenung an, meiner Meinung nach wird da gerade zum Basteln/Experimetieren durch Anfänger auch gern übertrieben. Nur weil man heute bezahlbar recht hochwertige und genaue Technik kaufen kann, muß dann das nicht zwangsläufig auch machen. Um z.B. seine ersten Schritte mit einem AVR zu machen, reicht auch ein Baumarktmultimeter. Fehler in der UART-Übertragung findet man auch durch Überlegung, nachlesen und nachfragen, ganz ohne DSO, dessen Anzeige man nicht fehlerfrei auswerten kann. Eine Schaltung, die am Labornetzteil nur bei genau 12,05V spielt, ist praktisch meist sowieso nicht einsetzbar. Gruß aus Berlin Michael
man sollte die Analoggeräte beibehalten Gerade beim Experimentieren sind kurze Schwankungen von Strom oder Spannung besser zu erkennen ( z. B. kurzes Zucken der Zeiger), als bei einer digitalen Anzeige. Wenn die Auflösung oder Genauigkeit nicht ausreicht, kann man zusätzlich digitale Geräte verwenden MfG
> Ralph Berres (rberres) >Aber ganz davon abgesehen sind mir diese Anzeigen mit 3 Messungen / >Sekunde für ein Labornetzteil zu langsam. Kannst du wirklich so schnell gucken? Ich würde die Anzeigen in dem Gerät belassen bzw. ersetzen, und meine Kraft lieber neuen Themen widmen.
Michael Ich kann zwar die letzte Stelle nicht so schnell verfolgen, aber an der vorletzten Stelle erkenne ich sehr wohl beim drehen des Spannungseinsteller in Realtime welche Spannung augenblicklich eingestellt ist. Mir persöhnlich ist das halt wichtig. Aber ich habe lediglich gesagt , das mir die 3 Messungen pro Sekunde zu langsam sind. Es kann ja jeder einbauen was er für richtig hält. Ralph Berres
Hallo, Michael_ schrieb: >> Ralph Berres (rberres) >>Aber ganz davon abgesehen sind mir diese Anzeigen mit 3 Messungen / >>Sekunde für ein Labornetzteil zu langsam. > Kannst du wirklich so schnell gucken? Man kann so schnelle gucken. :-) Ich bin mit Zeigerinstrumenten groß geworden. Die Digitalanzeigen haben 2 Probleme: wenn ich am Netzgerät 5V einstellen will, drehe ich am Knopf, bis der Zeiger auf 5V steht und habe kein Problem damit. Beim Digitalen ist man versucht, genau 5V einzustellen, egal, ob es so genau sein muß oder auch nicht. Kostet Zeit (und evtl. Nerven ;)). Einen kurzen Stromimpuls bei Zuschalten einer Komponente sehe ich am Zucken des Zeigers. Dann kann ich Oszi o.ä. ranhängen, wenn ich es als Problem einstufe. Auf dem digitalen passiert da genau nichts oder nur manchmal, wenn es gerade passend sampelt. Abgleicharbeiten auf Min oder Max sind mit einem digitalen nur nervend und dauern unnötig lange. Nicht ohne Grund haben die besseren Digitalen dann da dann wieder eine Balkenanzeige, die kommt aber auch an einen Zeiger nicht ran. Ist wie die Durchgangsprüfer der Digitalen, die keinen eigenen Komparator haben, sondern den Anzeigewert auswerten. Bis es bei denen einmal piept habe ich mit den anderen schon 20 Verbindungen geprüft. Gruß aus Berlin Michael
Michael ich weis nicht wo dein Problem ist. Lasse doch jeden das Instrument einsetzen mit welchen er persöhnlich am besten zurecht kommt. Die einen mögen halt Analoginstrumente, die anderen mögen lieber digitale Instrumente, wieder andere ( dazu zähle ich mich auch ) mögen halt schnelle digitale Instrumente. Jeder wird seine persöhnliche Gründe haben warum er genau das Instrument einsetzt. Übrigens mein HP34401 macht in der langsamsten Samplerate 6 Messungen pro Sekunde und reagiert auf den Durchgangsprüfer augenblicklich mit einem Piep. Meistens habe ich es auf 50 Messungen/ Sekunde eingestellt, es sei denn ich brauche 6,5 Stellen Auflösung , da geht es halt nicht schneller als 6 Messungen/ Sekunde. Ralph Berres
@Ralph: Die 6-stellige Genauigkeit ist wunderbar, aber wieviel Stellen genau zeigt das Gerät an wenn es AUS ist? :-) Wenn ich Thorsten wäre, würde ich die LED-Anzeige zusätzlich anbringen. Damit ist man für alle Lebenslagen gut gerüstet, auch für Akku-laden.
Oszi wenn das Gerät aus ist will ich auch nicht messen. Gemeinhin schaltet man das Gerät vor dem messen ein. Und wenn es aus ist kann dem Gerät trozdem nichts passieren, weil der Eingang dann vom Messverstärker getrennt ist. Selbst wenn man 1000V am Eingang anliegen hat und dann einschaltet passiert nichts, weil 1. das Gerät den Messverstärker erst nach dem initialisieren auf den Eingang schaltet und 2. das Gerät zusätzlich noch gegen Überspannung geschützt ist, und 3. es ein ganz normaler Vorgang bei einer automatischen Bereichseinstellung ist das das Gerät im richtigen Messbereich landet. Ralph Berres
Bitte melde dich an um einen Beitrag zu schreiben. Anmeldung ist kostenlos und dauert nur eine Minute.
Bestehender Account
Schon ein Account bei Google/GoogleMail? Keine Anmeldung erforderlich!
Mit Google-Account einloggen
Mit Google-Account einloggen
Noch kein Account? Hier anmelden.
