Hallo, Leute! Tja, Frage steht im Threadtitel: Also warum hat das Symbol nur jeweils einen Ein- und Ausgang, wenn ich doch für meinen Schaltplan jeweils zwei Ein- und Ausgänge brauch um z.B. klar zu kennzeichnen, dass ich einen Pfad absichere. (Oder muss ich bei 24VDC beide absichern? :-D) Und ein Anschluss für den Schutzleiter wär auch nicht schlecht. Also: Kann ich das verändern wie ich will? In der DIN EN 60617-06; 1997-08 ist das klar geregelt. Also doch nein. Oder? Für Hilfe wär ich dankbar Ihr, euer R... nein 'äxl'
Das ist nur ein Blockschaltbild. Sowas dient der Übersichtlichkeit von großen/komplexen Schaltungen und wird generell einpolig dargestellt. Wenn du dann einen konkreten Schaltplan des Netzteil nimmst, dann hast du auch PLUS und MINUS und Eingang und...
Matthias Lipinsky schrieb: > Das ist nur ein Blockschaltbild. Sowas dient der Übersichtlichkeit von > großen/komplexen Schaltungen und wird generell einpolig dargestellt. Ja, eben. Ich möchte ja in meinem Schaltplan keine große/komplexe Schaltung zeichnen... > Wenn du dann einen konkreten Schaltplan des Netzteil nimmst, dann hast > du auch PLUS und MINUS und Eingang und... ...von der ich, mal abgesehen davon, auch gar keinen konkreten Schaltplan hab. Oder ist das die einzige Möglichkeit, wie ich zu und von dem Bauteil mit allen Leitungen ankommen und abgehen kann?
>Oder werd ich jetzt gelyncht?^^
Nein. Aber fagen wir mal so:
Was willst du denn zeichnen, bzw. darstellen?
Matthias Lipinsky schrieb:
> Was willst du denn zeichnen, bzw. darstellen?
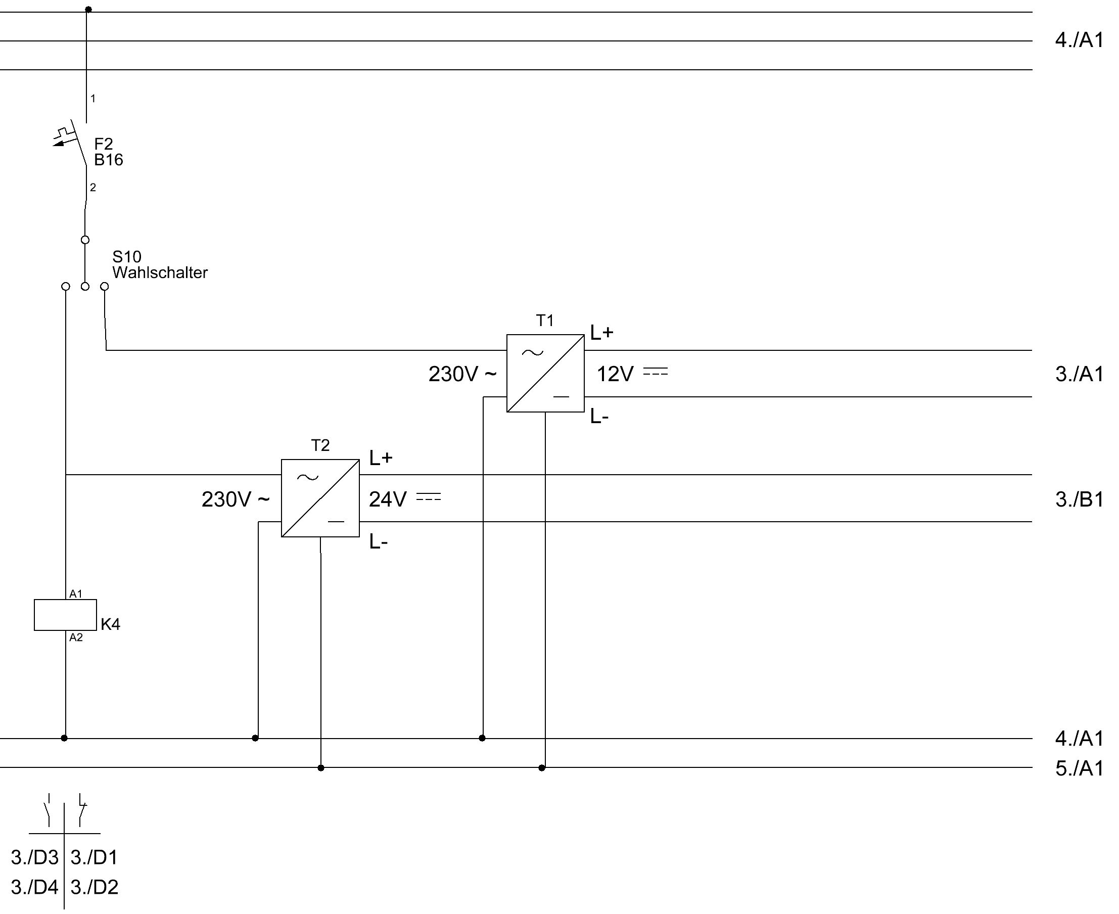
Schaltplan für eine Prüftafel. Die hat auch 2 Netzteile eingebaut. Über
Sinn oder Unsinn der Schaltung an sich müssen wir jetzt nicht streiten,
is eh schon alles eingebaut.
Aso. Ich find die Anordnung der Symbole und Verschaltung etwas unübersichtlich (nur vom Zeichnerischen her), aber das ist so vollkommen korrekt.
Matthias Lipinsky schrieb: > Ich find die Anordnung der Symbole und Verschaltung etwas > unübersichtlich (nur vom Zeichnerischen her),.. Meinst Du, dass sich die Leitungen überschneiden? Ich würd auch gern lieber nach unten gehen, aber dann komm ich wieder mit N und PE in Konflikt. Oder was meinst Du genau? >...aber das ist so vollkommen korrekt. Aber widerspricht das denn nicht der DIN? Die kennt ja nur das von mir erste gepostete Symbol (und ähnliche, aber immer nur mit je 1 Aus- und Eingang).
> Meinst Du, dass sich die Leitungen überschneiden? Das spielt keine Rolle. Übersichtlich muss es sein. > Ich würd auch gern lieber nach unten gehen, aber dann komm ich wieder > mit N und PE in Konflikt. > Oder was meinst Du genau? Naja, ich würde L1/L2/L3/N/PE oben zeichnen. Und die Anlagenkomponenten in die Blattmitte. > Aber widerspricht das denn nicht der DIN? > Die kennt ja nur das von mir erste gepostete Symbol (und ähnliche, aber > immer nur mit je 1 Aus- und Eingang). Naja, Es gibt Blockschaltbilder. Diese sind grundsätzlich einpolig gezeichnet. Du willst aber einen Schaltplan (zB eines Schaltschrankes) zeichnen. Das muss natürlich mehrpolig ausgeführt werden. Denn du musst ja darstellen, welche Ader an welche Klemme zB des Netzteils geht. +80-G4:X3 zB.
Matthias Lipinsky schrieb: > Das spielt keine Rolle. Übersichtlich muss es sein. > > Naja, ich würde L1/L2/L3/N/PE oben zeichnen. Und die Anlagenkomponenten > in die Blattmitte. Aber dann muss ich mit N und PE ja wieder nach oben... Na ja, morgen is auch noch ein Tag. > Naja, Es gibt Blockschaltbilder. Diese sind grundsätzlich einpolig > gezeichnet. Du willst aber einen Schaltplan (zB eines Schaltschrankes) > zeichnen. Das muss natürlich mehrpolig ausgeführt werden. Denn du musst > ja darstellen, welche Ader an welche Klemme zB des Netzteils geht. > +80-G4:X3 zB. Capisce. Bis auf die letzten Ziffern.^^ Klemmenplan muss ich noch machen. Gut, dass Du das sagst. Und die Leitungen oben L1-L3, N und PE müssen auch irgendwann aufhören. Oder zeichnet man die auf jedem Blatt einfach immer weiter?
>> +80-G4:X3 zB. >Capisce. Bis auf die letzten Ziffern.^^ +80 => Anlageortskennzeichnung -G4 => Betriebsmittelkennzeichnung X3 => Anschlussklemme X3 >Klemmenplan muss ich noch machen. Gut, dass Du das sagst. Und die >Leitungen oben L1-L3, N und PE müssen auch irgendwann aufhören. Oder >zeichnet man die auf jedem Blatt einfach immer weiter? Wenn du die auf der Seite brauchst, ja. mit einem Querverweis in SPalte A und der letzten.
Matthias Lipinsky schrieb: > +80 => Anlageortskennzeichnung > -G4 => Betriebsmittelkennzeichnung > X3 => Anschlussklemme X3 Ah ja, doch. Hab ich schon mal gesehen. > Wenn du die auf der Seite brauchst, ja. mit einem Querverweis in SPalte > A und der letzten. Die Prüftafel hört ja irgendwann auf, also geh ich irgendwann runter. Vielen Dank!
Bitte melde dich an um einen Beitrag zu schreiben. Anmeldung ist kostenlos und dauert nur eine Minute.
Bestehender Account
Schon ein Account bei Google/GoogleMail? Keine Anmeldung erforderlich!
Mit Google-Account einloggen
Mit Google-Account einloggen
Noch kein Account? Hier anmelden.


