Hallo! Könnte mir jemand erklähren warum der Widerstand Rp keinen Einfluss auf die Verstärkung hat? Danke und noch einen schönen Abend!
Weil er die Last darstellt und zur Strafe dafür das volle Ausgangssignal abbekommt.
Weil er in der Formel nicht auftaucht :-) Da der Spannungsteiler am negativen Eingang nur die Spannungen (Eingang/Ausgang) misst und nicht die Ströme. Gruß Jobst
Weil man davon ausgeht, dass der gegengekoppelte Verstärker so viel Verstärkungsreseve hat, dass dessen Ausgangswiderstand annähernd 0 Ohm beträgt.
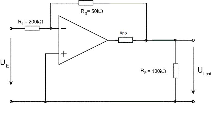
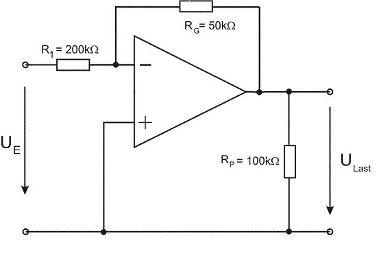
Das hab ich nun nicht ganz verstanden :) Das heißt wenn die Schaltung so aufgebaut wäre wie in iOP2 und ich den OP als ideal annehmen würde, dann könnte ich doch das Ersatzschaltbild wie in iOP3 darstellen oder? Wobei dann UN natürlich 0 wäre. Der Unterscheid zur ersten Schaltung besteht doch aber nur im Widerstand Rp2 und deswegen ist mir der Zusammenhang nicht ganz klar.
>Das hab ich nun nicht ganz verstanden :)
Wenn Du das Posting von Autor: Helmut S. (helmuts) meinst:
Verstehe ich auch nicht, villeicht wollte er ausdrücken: Wenn der
Lastwiderstand sehr klein wird, ist der OP aufgrund seines endlichen
Ausgangswiderstands irgendwann überfordert. Aber das ist eh klar, und
darum ging es dir wohl auch nicht.
Achso, also wenn ich anstatt des Widerstandes den Ausgang kurzschließe. Aber in der zweiten Schaltung (also mit RP2) muss ich RP bei der Berechnung der Verstärkung berücksichtigen und bei der ersten Schaltung (iOP) nicht. Und mir erschließt sich nicht so ganz wieso.
Genau diesen Rp2 kannst du dir intern im Operationsverstärker vorstellen. Das sind bei den klassischen Opamps einige 10 Ohm. Bei den Rail to Rail Opamps sind das aber kleinsignalmäßig betrachtet u. U. mehrere 100 Ohm.
Ist das vereinfachte Ersatzschaltbild (iOP3) den so richtig? Weil wenn ich mir das da angucke wird mir nicht klar warum ich den Lastwiderstand (Rp) wenn ich von einem Innenwiderstand (RP2) ausgehe beachten muss und ich den ohne Innenwiderstand vernachlässigen kann.
Die durch die Gegenkopplung bestimmte Ausgangsspannung stellt sich an dem Punkt ein, wo der Gegenkopplungswiderstand sich befindet (also an der Last). Ob der OPV bedingt durch seinen Innenwiderstand intern eine höhere Verstärkung macht (die sich durch die Spannungsteilung Innenwiderstand mit Lastwiderstand ergibt), ist für die Berechnung der Verstärkung der Gesamtschaltung unerheblich.
mhh (Gast) schrieb: Oder anders gesagt: Der OP ist ein Differenzverstärker, er stellt die Spannung an seinem Ausgang so ein, dass die Spannungsdifferenz an seinen Eingängen nahezu Null wird. Die Last am Ausgang spielt da überhaupt keine Rolle, solange er nicht überfordert ist. Überfordert wäre er u.a. wenn die Versorgungsspannung nicht ausreicht, oder wenn die Last zu groß ist, so dass sein Ausgang "zusammenbricht".
bENE schrieb: > Achso, also wenn ich anstatt des Widerstandes den Ausgang kurzschließe. > > Aber in der zweiten Schaltung (also mit RP2) muss ich RP bei der > Berechnung der Verstärkung berücksichtigen und bei der ersten Schaltung > (iOP) nicht. > Und mir erschließt sich nicht so ganz wieso. Damit kein Missverständnis aufkommt, ich ging vom Bild iOP2 aus. Was das Bild iOP3 soll ist mir nicht klar.
Aber wenn RP2 nicht der Innenwiderstand des OP2 ist haben die beiden Schaltungen doch eine unterschiedliche Verstärkung. Und bei der 2ten Schaltung (iOP2) muss ich den Widerstand RP2 und den Widerstand RP auch berücksichtigen. Oder ist das falsch? Wenn nicht ist mir nicht klar warum ich einmal RP mitberücksichtigen muss und einma nicht. Danke übrigens für die bisherigen Erklärungen :)
Vergiss das Bild iOP3. Du musst den Innenwiderstand nicht wirklich wissen. Dein Verstärker hat in deiner Anwendung genügend Verstärkunsgreserve um intern soviel Extraspannung zu erzeugen, dass am Ausgang exakt die gewünschte Spannung erscheint. Verstärkungsreserve = Verstärkung_ohne_Gegekopplung/außen_eingestellte_Verstärkung Die Verstärkung ohne Gegenkopplung liegt bei ca. 10000 bis 1000000 für Gleichspannung. Allerdings nimmt die linear mit der Frequenz schon ab wenigen Hz ab.
Bitte melde dich an um einen Beitrag zu schreiben. Anmeldung ist kostenlos und dauert nur eine Minute.
Bestehender Account
Schon ein Account bei Google/GoogleMail? Keine Anmeldung erforderlich!
Mit Google-Account einloggen
Mit Google-Account einloggen
Noch kein Account? Hier anmelden.


