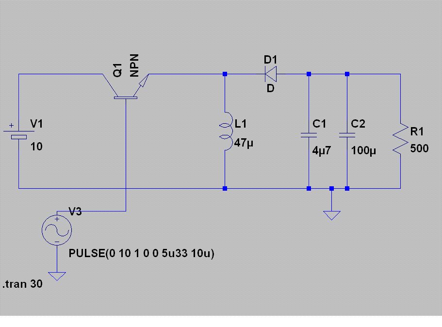
Ich habe nun schon einige Versuche hinter mir einen invertierenden Sperrwandler mit LTSpice zu modelieren. Allerdings funktioniert es nicht richtig... Die Ausgangsspannung soll - 5V betragen. Was mit dieder Schaltung jedoch nicht klappt. Was mache ich falsch? Über Hilfe wäre ich sehr dankbar!
samsam schrieb:
> Allerdings funktioniert es nicht richtig...
T'schuldigung, meine Glaskugel is leider heute kaputt
Wie wäre es damit, erstmal vernünftige Typen für den Transistor und die Diode einzusetzen?
Was ist mit vernünftigen Typen für Diode und Transistor gemeint?
G4st schrieb:
> Als Transistoren sind heutzutage Mosfets üblich.
Ich habe es auch mit einem Mosfet probiert. Aber dabei kam ich auch nur
auf ca -500 mV am Ausgang.
samsam schrieb:
> Was ist mit vernünftigen Typen für Diode und Transistor gemeint
Damit ist gemeint, das du mal reale Typen aus der Bauteilbibliothek
auswählen sollst und nicht die idealisierten Dinger wie aktuell.
Die Schaltung kann so nicht funktionieren unabhaengig ob Bipolar oder MOSFET. Der Transistor darf nicht als Emitterfolger b.z.w Sourcefolger geschaltet sein. Wenn dein Signalgenerator seine Spannung zu 0 macht als die Basis auf 0 liegt kann der Emitter nicht kleiner als -0.7V werden sonst wird der Transistor wieder leitend. Setzt als Transistor mal einen PNP Transistor ein. Wenn der sperrt kann der Kollektor auch negative Werte annehmen. Gruss Helmi
Doch. N-Kanal Mosfet. Gate an Pulsgenerator, source an +10V drain an Spule. Pulsgenerator auf 20V Amplitude einstellen.
G4st schrieb: > Doch. > N-Kanal Mosfet. Gate an Pulsgenerator, source an +10V drain an Spule. > Pulsgenerator auf 20V Amplitude einstellen. Wohl eher ein P-Kanal Mosfet wenn die Source an +10V und das Drain an die Spule soll.
N-Mosfets haben aber bessere eigenschaften, also Source an die Spule, Drain an 10V.
G4st schrieb: > N-Mosfets haben aber bessere eigenschaften, also Source an die Spule, > > Drain an 10V. Stimmt zwar das die besser sind. Aber hier kann man keinen Spannungsfolger brauchen hier muss die Last am Drain liegen und das geht hier nur mit einem P-Kanal. Die einzige möglichkeit hier einen N-Kanal einzusetzen wäre den Taktgenerator zwischen Gate und Source anzuschliessen und nicht zwischen Gate und GND. Wenn am Gate(Basis) 0V anliegt kann die Source(Emitter) nur um Gate-Source (0.7V) Spannung kleiner werden. Deshalb kann auch hier auch keine Spannung kleiner als diese abgenommen werden der Transistor würde wieder leitend werden.
So sieht es dann fast fertig aus. Achtung, die Pulsweite muss man regeln, wenn man eine konstante Spannung haben will, da diese vom Laststrom abhängt. Die .asc Datei ist für LTspice.
Helmut S. schrieb: > So sieht es dann fast fertig aus. Achtung, die Pulsweite muss man > > regeln, wenn man eine konstante Spannung haben will, da diese vom > > Laststrom abhängt. dankeschön. Zwischenzeitlich habe ich nun meinen Fehler auch gefunden. Es lag tatsächlich daran, das ich keinen realen Mos-FET genommen habe sondern einen idealisierten. Noch eine Frage zu der Regelung: Wie sieht denn so eine Regelung aus? Ist diese mit einem PI-Regler (aus OP-Verstärker) zu realisieren?
samsam schrieb:
> Ist diese mit einem PI-Regler (aus OP-Verstärker) zu realisieren?
In der Regel ja. Aeltere Regler arbeiten meistens im Voltage Mode.
Das heist sie regeln dei PWM direkt in abhaengigkeit von der
Ausgangsspannung. Neuere Regler arbeiten dagegen im Current Mode . Das
heist es wird erstaml der Strom durch die Spule geregelt und dieser
Regler bekommt seine Sollwert von der Spannungsregelung. So hat man eine
Kaskadenregelung aufgebaut. Der Vorteil dabei ist das man eine
Verzoegerung in der Regelstrecke besser kompensieren kann und der
Gesammtregler dadurch stabiler arbeitet. Wobei der innere Stromregler
meistens als reiner P-Regler arbeitet.
Gruss Helmi
Bitte melde dich an um einen Beitrag zu schreiben. Anmeldung ist kostenlos und dauert nur eine Minute.
Bestehender Account
Schon ein Account bei Google/GoogleMail? Keine Anmeldung erforderlich!
Mit Google-Account einloggen
Mit Google-Account einloggen
Noch kein Account? Hier anmelden.

