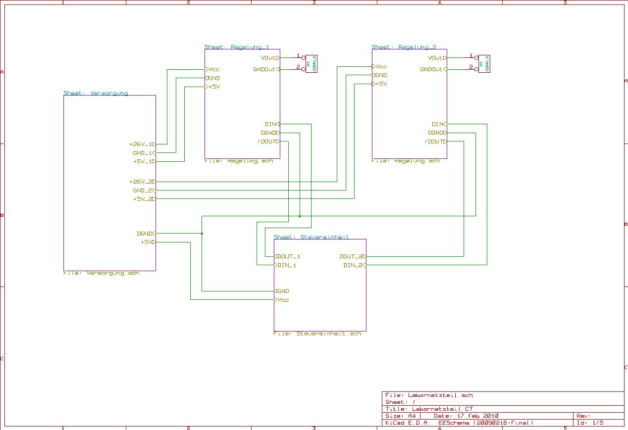
Hallo Forum! Ich plane momentan den Bau eines Labornetzteils und hoffe auf eure Mithilfe. Zunächst mal die geplanten Eckdaten/Anforderungen: - 2 Kanäle, je Kanal 24V@2A - Die Kanäle sollen unabhängig, parallel und in Reihe genutzt werden können. - Analoge Regelung von Spannung und max. Strom durch OpAmps - Digitale Steuerung d. Kanäle (µC) - Anzeige von Soll-/Ist-Werten auf LCD - evtl. weitere Spielereien wie Interface zum PC o.Ä. Ich habe mir die Regelschaltungen von verschiedenen Netzteilen angeschaut und versucht diese zu begreifen. Basierend auf diesen "Erkenntnissen" (oder evtl. auch völligen Fehlinterpretationen) habe ich mich an einer "eigenen" Regel- schaltung versucht und bitte euch um Kritik, Kommentare und Anregungen. Die Sollwerte werden in Form von Spannungen im Bereich 0-5V von einem µC pro Kanal erzeugt. D.h. auf jeder der Endstufenplatinen wird ein µC sitzen (Mega8) der sich um die Erzeugung der Steuerspannungen und die Messung der Ist-Werte mittels ADC kümmert. Diese Controller sollen von einem dritten Controller über isolierte RS232 (Optokoppler) angesteuert und abgefragt werden. Der dritte µC ist für Benutzereingaben (aka "Knöbbsche drügge") und die Ansteuerung des LCDs zuständig. Der Grund für die drei Controller liegt einfach in der galvanischen Trennung der einzelnen Kanäle. Soweit ich es verstanden habe müssen die Kanäle eines NTs galvanisch getrennt sein damit ich die Ausgangsstufen in Reihe schalten kann um eine höhere Spannung zu erzielen, ist das richtig? (Ob die Schaltung so wie ich sie momentan ausgelegt habe überhaupt dazu in der Lage ist wäre dann die nächste Frage, die stelle ich weiter unten nochmal... ;)) Noch eine kurze Beschreibung der Baugruppen, dann kommen die Fragen... ;) Versorgung: - Trafo mit 2x26V @ 4A bei 30% EZ Falls nicht muss halt noch ein größerer besorgt werden, aber den o.g. gab's für Umme aus der Grabbelkiste eines Freunds. Der Gute geht auch davon aus, dass der Trafo 2A Dauerstrom pro Wicklung schaffen sollte... - Hinter jeder Wicklung dann die Gleichrichtung und Siebung (10.000µF) - zusätzlich pro Kanal ein LM317 um die +5V für den µC zu generieren. - Die Steuerplatine (µC f. Benutzereingaben + LCD) wird von einem separaten Trafo mit 9V und nem LM317, 7805 oder so versorgt. Regelung: - Mega8 erzeugt Steuerspannungen 0-5V über R2R-Leitern. - Spannungen werden durch OA gepuffert, ggf. verstärkt und in die Regelung gegeben - Regelung besteht aus zwei OAs, als "Vorlage" diente mir das ELO-Netzteil Nr. 2 (http://www.elo-web.de/elo/grundlagen-und-ausbildung/operationsverstaerker/netzteil-mit-opv) - Mega8 liest IST-Werte per ADC ein und schickt sie an die Controllerplatine Steuerung: Noch kein Schaltplan gezeichnet, ist aber nix Wildes dabei. Es soll ein Mega162 verbaut werden da dieser bereits 2 UARTs in Hardware besitzt und somit die Kommunikation mit den beiden Endstufen komplett in Hardware abgefackelt werden kann. Abfragen von Tastern/Drehgebern und Ansteuern von nem HD44780 sind denke ich von der Schaltplanseite her uninteressant, daher hab ich den Teil erstmal hinten angestellt. Nun zu meinen Fragen: - Habe ich bei dem Konzept was Wichtiges vergessen? - Kann die Regelung so wie geplant funktionieren? - Was könnte (bzw. sollte) man da anders/besser machen? (Ich bin Neuling was OpAmps angeht, von daher sind mir vermutlich einige Fehler unterlaufen wie z.B. invertierender und nichtinvertierender Eingang vertauscht usw. . Wenn ihr also Vorschläge oder wichtige Hinweise habt dann erklärt mir bitte auch warum man es anders lösen soll/muss.) - Kann man die beiden Endstufen so wie das Netzteil momentan geplant ist wirklich in Reihe schalten? Parallel sollte kein Problem sein, aber Reihe erscheint mir kritisch. Falls es nicht geht, was muss geändert werden bzw. wie geht man an sowas ran? Und ja, mir ist durchaus klar dass man "brauchbare" "Labor"netzteile für unter 100€ kaufen kann, aber was ich so gelesen habe sieht es da mit der Qualität meist finster aus. Mir geht es bei diesem Projekt darum etwas zu lernen und am Besten hinterher mit einem selbstgebauten Netzteil dazustehen mit dem ich die nächsten Jahre zuverlässig basteln kann... Danke für's Durchlesen dieses doch recht langen Posts. Ich freue mich auf eure Kommentare. Grüße, Christian
Auf die Schnelle würde ich sagen, dass U3C vertauscht gehört: Ein größerer Strom hat ein größere Ausgangsspannung zur Folge. Es könnte für die Transistoren spannend werden, wenn U3C auf GND schaltet. Denn dann wird die Ausgangsspannung über die 3 inversen B-E-Strecken auf Masse gelegt. Zumindest für den kleinsten von den dreien kann der Strom zuviel sein. Pass beim Layout gut auf und zieh dir keine bösen Masseschleifen zu. Ich würde erst mal den Analogteil (Regler) aufbauen und sehen, ob der überhaupt stabil arbeitet... :-o
Nun, die Schwingneigung des Spannungsregelteils wird ähnlich interessant zu dämpfen sein. einfach nochmal in die Nachträge zur ELO' Netzteilschaltung schauen, da steht all dies drin.
kannst Dir mein Labornetzteil mal anschauen. Der Analogteil funktioniert bereits. http://www.avrs-at-leipzig.de/dokuwiki/projekte/labornetzteil Da Du den Strom im Massezweig misst wirkt sich das mit auf die Spannungsmessung aus, d.h. bei 2A ist Deine gemessene Spannung auch 100mV mehr.
und noch nen Tipp. Nutze nicht den "alten" LM324, der kann nicht bis 0V regeln und hat einen hohen Offset. Versorge lieber die OPVs symmetrisch mit einem separaten Netzteil. Von diesem kannst Du auch die 5V für den Controller mit abzweigen. Würde auch nicht mit so einem R2R-Netzwerk arbeiten (nicht linear), besser ein DAC. So teuer sind sie nun auch wieder nicht.
Hallo zusammen, ich danke euch für eure Kommentare, leider hatte ich die letzten Tage keine Zeit mich um dieses Projekt zu kümmern... Das soll nun aber wieder anders werden. ^^ @Lothar: Um die Transistoren mach ich mir keine Sorgen, am mittleren Transistor hängt ja noch ein Widerling gegen Masse, der sollte den Strom eigentlich ableiten können... U3C ist laut dem Schaltplan v. ELO richtig rum. Ronny (s.u.) macht das in seinem Netzteil auch so, ansonsten probiere ich das einfach erstmal aus... ;) @Andrew: Die Nachträge im ELO-Artikel habe ich gelesen, leider verstehe ich sie nicht so ganz. D.h. ich weiss nicht warum ein größerer Widerstand an einer bestimmten Stelle dann eine eventuelle Schwingneigung unterdrückt. Ich arbeite zwar daran, das zu verstehen, fürchte aber auch, dass mir dazu einfach der Background noch fehlt (Hintergrundwissen über OpAmps). @Ronny: Deine Schaltung gefällt mir sehr gut, speziell an die Geschichte mit dem Spannungsabfall bei Shunt im Massezweig hatte ich vorher nicht gedacht... Eine Frage habe ich dazu aber: In welchem Bereich bewegen sich eigentlich Deine Steuerspannungen? Speziell bei der Strombegrenzung habe ich den Eindruck, als würde sich die Spannung hinter dem Differenzverstärker in einem eher sehr niedrigen Bereich bewegen (ca. 330mV max, kann das hinkommen?) Die Steuerspannung kann ich ja noch runterteilen, kein Problem, aber wenn ich den Strom mit dem AVR messen will wird die Genauigkeit aber leiden bei nur 330mV Eingangsspannung... ;) Ich würde die Schaltung gern wie folgt verändern: Differenzverstärker wird auf eine deutlich höhere Verstärkung eingestellt, Größenordnungsmässig würd ich sagen ca. 30-40x, das würde dann bei einem 50mOhm Shunt und 2A max. Strom in etwa 3-4V max. ergeben, mehr als genug für den AD-Wandler im AVR. Die Steuerspannung von meiner R2R-Leiter würde ich dann entsprechend um den Faktor 3/5-4/5 runterteilen damit es passt. (Hintergrund: Ich würde gerne wenn's denn geht mit einem 4fach-OA pro Endstufe auskommen, die Dinger sind ja schweineteuer... ^^) Muss ich dabei wieder mit Schwingneigungen rechnen wg. der höheren Verstärkung?
> U3C ist laut dem Schaltplan v. ELO richtig rum.
Ähmm...
Im ELO Plan wird der Strom HIGH-Side gemessen. Du willst den Strom
GND-seitig messen. Aber du kannst nicht irgendwelche Schaltungsgruppen
irgendwie kombinieren (Regler von ELO, Strommessung von dir...) und
erwarten, dass das dann geht...
>Strom GND-seitig messen. ?
Das könnte auch einige Unstimmigkeiten geben, wenn z.B. die Oszi-Masse
auf Deine Masse trifft.
@Lothar: Du hast Recht, ich hatte da nen Denkfehler.
In der Elo geben die eine Spannung vor und wenn die "gemessene" Spannung
unter den voreingestellten Wert fällt macht die Strombegrenzung ("D" bei
ELO) dicht.
Da ich groundseitig messe gebe ich ne Spannung vor und sobald die
"gemessene" Spannung den Wert übersteigt soll die Regelung dicht machen.
Also ist es logisch, dass ich den OA umdrehen muss.
Wieder was gelernt... ;)
@oszi40: Hab kapiert was Du meinst, sobald das Oszi dran hängt ist nix
mehr mit Strommessung, richtig? Hmmm, dann muss man das wohl doch auf
HighSide-Messung umbasteln oder?
Edit: Auf den 2. Blick ist das evtl. ja gar nicht so kompliziert. Die
Differenzmessung aus Ronnies Plan kann ich ja auch einfach auf die
HighSide verfrachten, mitsamt dem Shunt. Dann würde auch die
Kompensation des Shunt-Offsets entfallen...
Noch ne Frage an Ronny: Welchen Widerstandswert setzt Du als Shunt ein?
Da die Z-Diode D8 27V hat, wird Deine max. einstellbare Ausgangsspannung wohl keine 24V erreichen können. Gründe: a) Weil der LM324 keine R-2-R-OpAmp ist (Rail-to-Rail) und gut 2V unter der Betriebsspannung bleibt, d.h. mehr als 25V wird er nicht erreichen. b) Durch die 3-fach Darlingtonschaltung Q1-3 und dem Basisvorwiderstand R38 fallen wieder etwa 2V ab. Damit wird der Ausgang folglich kaum 23V erreichen können. Tendenziell würde ich sagen sogar nur 21...22V. Das gleiche Problem wird sich mit der minimalen Ausgangsspannung ergeben, da der LM324 natürlich auch am Eingang keine Spannungen bis 0V verarbeiten kann, da Du den [V-]-Anschluß nach GND (Potential mit dem auf der Spitze stehenden Dreieck) gezogen hast. Hier könnte eine kleine negative Spannung von evtl. -3V...-5V reichen. Aber aufgepaßt - in Verbindung mit der höheren Spannung der Z-Diode D8 (auf z.B. 30V zum erreichen der 24V am Ausgang wie weiter oben beschrieben) wird's recht eng für viele OpAmps mit ihrer max. zulässigen Betriebsspannung. Nicht allzu viele gehen bis über 36V (oder +/-18V, oder eben +30V und -5V). Die Gesamtdifferenz, d.h. [V+] minus [V-], ist hier ausschlaggebend. Schwingneigung ist ebenfalls zu erwarten, da der Spannungsregler (U3B) keinerlei integralen Faktor hat, d.h. ihm fehlt, was beim Stromregler vorhanden ist, ein Kondensator im Rückkopplungspfad (also vom Ausgang zum [-]-Eingang). Wenn der OpAmp allerdings langsam genug ist geht's evtl. auch ohne - aber das glaube ich eher nicht.
> Hmmm, dann muss man das wohl doch auf HighSide-Messung umbasteln oder?
Es geht schon auch mit einem Strommesswiderstand auf der LOW-Side, aber
dann darfst du den PE nicht an GND anklemmen. Aber um diesen PE hast du
dich sowieso bisher recht erfolgreich herumgemogelt, und den einfach
ignoriert :-o
moin moin Bei mir steht so ein Ding auf dem Tisch :-) seit 25 Jahren . Eigentlich unkaputtbar der Elrad sei dank. Also ob ELo,Elrad oder Modellbahn Elektronik es war eigentlich immer die selbe Grundschaltung,bis auf ein paar Änderungen die nicht immer Vorteilhaft waren. Bei sinnvollem Umbau ist es sogar Kurzschlussfest da im Kurzschlussfall die Diode die als Referenz zu Strommessung benutzt wird kurzgeschlossen wird und somit der Regel OP voll aufmacht,das Netzteil gibt 0 Volt 0 Amp.. Dazu ist/war es erforderlich die !N4148 die am Ausg. des OP. sitzt durch eine Bat48 (Schottky) zu ersetzen und in die Basis des Regeltr. eine 2,7 Volt Zehnerdiode einzuschleifen.Da wie schon angemerkt der 324 nicht auf null Volt runterkommt (der bessere 124 auch nicht ganz). Zum aktuellen Design wäre noch anzumerken das ZTK Zehnerdioden nicht mehr erhältlich sind und es sich anbietet auf einen Festspannungsregler auszuweichen der dann auch gleich die Betriebssp. bereit stellt.Der dann frei gewordene OP kann dann zur HighSide Strommessung ( mittels Fet) herangezogen werden oder irgendeine ander Funktion erfüllen. zBsp. Temperaturmessung ..... Ich würde bei den Preisen Heutzutage gleich einen Highside Strommesser (Zetex , LT ) einsetzen , die Strombegrenzung aber so lassen. Als Vorregelung bietet sich dann anstelle einer Trafoumschaltung eine Vorregelung mit Schaltregler an (LM2675 adj.) (In der nächsten Elektor soll sowas in der Art ja drinn sein , mal abwarten ob es meinen Vorstellungen entspricht ;-) mfg
Raimund Rabe schrieb: > Das gleiche Problem wird sich mit der minimalen Ausgangsspannung > > ergeben, da der LM324 natürlich auch am Eingang keine Spannungen bis 0V > > verarbeiten kann, ... Wie man es mit LM324 macht, um dennoch bei nur EINER Versorgungsspannung 0V einstellen zu können: http://www.elo-web.de/elo/grundlagen-und-ausbildung/operationsverstaerker/netzteil-mit-opv > Damit wird der Ausgang folglich kaum 23V erreichen können. Tendenziell > würde ich sagen sogar nur 21...22V. Ja, nee, iss klar. BTW: 24V Ausgangsspannung snd da ebenfalls einstellbar ,-) Zumindest haben einige hundert Nachbauten das ergeben.
@Raimund Rabe: Ich werde die Regelung vermutlich sowieso nach Ronnies Plan bauen. An ein, zwei Dingen bin ich momentan noch am Grübeln, aber grundsätzlich gefällt mir sein Schaltplan recht gut. @Lothar Miller: Eigentlich war mein Plan, den PE einfach ans Gehäuse zu legen, die Leistungs- und Regelelektronik sollte potentialfrei aufgebaut werden. Ist daran was verkehrt? (Abgesehen davon dass ich den Strom HighSide messen "muss" wenn ich irgendwann mal ein (normalerweise geerdetes) Oszi anhängen will...) @Dr. Pillepalle: Hast Du vllt. ne Typenbezeichnungs zu solch einem Strommesser von Zetex oder LT?
> (Abgesehen davon dass ich den Strom HighSide messen "muss" wenn ich > irgendwann mal ein (normalerweise geerdetes) Oszi anhängen will...) Nein das musst du nicht, wenn du sonst nirgends einen PE-Bezug in deinem Netzteil-GND herstellst. > ne Typenbezeichnungs zu solch einem Strommesser High-Side-Sensor von LT z.B. LT6101
Christian T. schrieb: > > @Lothar Miller: Eigentlich war mein Plan, den PE einfach ans Gehäuse zu > legen, die Leistungs- und Regelelektronik sollte potentialfrei aufgebaut > werden. Ist daran was verkehrt? Nun, da gehen die Meinungen auseinander. Da linear geregelte Netzteile letztlich (mehr oder weniger breitbandige) Versträkerschaltungen darstellen, ist ein Anbinden eines Netzteilpoles (+ oder -, je nach Regelschaltung) via RC-Kombination der Störfreiheit förderlich. Es reduziert die Neigung , indem man z.B. bei Kepco NT 150nF in Serie mit 100 Ohm zwischen GND und PE setzt.
Lothar Miller schrieb: >> (Abgesehen davon dass ich den Strom HighSide messen "muss" wenn ich >> irgendwann mal ein (normalerweise geerdetes) Oszi anhängen will...) > Nein das musst du nicht, wenn du sonst nirgends einen PE-Bezug in deinem > Netzteil-GND herstellst. Das hatte ich eigentlich nicht vor. Aber auch logisch, das Oszi "sieht" dann halt den Spannungsabfall am Shunt nicht, aber das wäre bei HighSide-Messung ja auch so. >> ne Typenbezeichnungs zu solch einem Strommesser > High-Side-Sensor von LT z.B. LT6101 Danke! Ich hab in ner falschen Kategorie gesucht... -.- Andrew Taylor schrieb: >> @Lothar Miller: Eigentlich war mein Plan, den PE einfach ans Gehäuse zu >> legen, die Leistungs- und Regelelektronik sollte potentialfrei aufgebaut >> werden. Ist daran was verkehrt? > > > Nun, da gehen die Meinungen auseinander. Da linear geregelte Netzteile > letztlich (mehr oder weniger breitbandige) Versträkerschaltungen > darstellen, ist ein Anbinden eines Netzteilpoles (+ oder -, je nach > Regelschaltung) via RC-Kombination der Störfreiheit förderlich. Es > reduziert die Neigung , indem man z.B. bei Kepco NT 150nF in Serie mit > 100 Ohm zwischen GND und PE setzt. Damit ist aber die galvanische Trennung aufgehoben oder? (OK, DC kann durch den Kondensator nicht durch, aber trotzdem hab ich doch dann die Potentiale verbunden oder?) Und ohne diese Trennung kann ich ja die beiden Endstufen nicht mehr in Reihe schalten oder? Ausserdem wäre damit dann eine highside Messung des Stroms Pflicht, hab ich das richtig verstanden? Danke euch für eure Geduld und die Erklärungen. Ach ja, eins noch: Ich suche noch nach einer Seite auf der so eine Regelschaltung mal richtig erklärt wird, mit allen Details. Meistens findet man nur fertige Schaltungen nach dem Motto "Hier ist meine Version davon...", aber ohne Erklärungen warum die Bauteile so oder anders gewählt wurden und was der Sinn dahinter ist. Ich will ja schliesslich bei diesem Projekt auch noch ein bissl was lernen... ;)
Christian T. schrieb: > Damit ist aber die galvanische Trennung aufgehoben oder? Nein. > > (OK, DC kann durch den Kondensator nicht durch, aber trotzdem hab ich > > doch dann die Potentiale verbunden oder?) > > Und ohne diese Trennung kann ich ja die beiden Endstufen nicht mehr in > > Reihe schalten oder? Die kannst du in Reihe schalten , ein Voreteilr die RC Kombination. > > Ausserdem wäre damit dann eine highside Messung des Stroms Pflicht, hab > > ich das richtig verstanden? Nein. > Ach ja, eins noch: Ich suche noch nach einer Seite auf der so eine > > Regelschaltung mal richtig erklärt wird, mit allen Details. Meistens > > findet man nur fertige Schaltungen nach dem Motto "Hier ist meine > > Version davon...", aber ohne Erklärungen warum die Bauteile so oder > > anders gewählt wurden und was der Sinn dahinter ist. Such mal hier nach "Funkschau Labornetzteil dann die original Faksimile aus der Heft 12, 1973. Dort findest Du eine weitgehende Erkärung. > > Ich will ja schliesslich bei diesem Projekt auch noch ein bissl was > > lernen... ;) Gute Einstellung.
Andrew Taylor schrieb: > Such mal hier nach "Funkschau Labornetzteil dann die original > Faksimile aus der Heft 12, 1973. > > Dort findest Du eine weitgehende Erkärung. Hurg, ich hab's befürchtet... ^^ Ich hab schon angefangen mich durch den Artikel zu kämpfen aber irgendwann keine Lust mehr gehabt. Dann werd ich da nochmal rangehen... ;) Danke.
...dann hast Du aber meine Seiten nicht richtig gelesen. Eine Erklärung ist dort zu finden. Grundlagen der OPV Regelung fidnest Du in diverser Literatur z.B. Tietze/Schenk Zu der Strommessung: Meine Steuerspannung ist 0-5V. Wie kommst Du auf 330mV? Die "Shuntspannung" wird mit der Differenz-OPV-Schaltung verstärkt und dann erst der Stromregelung zugeführt.
Christian T. schrieb: > Ich hab schon angefangen mich durch den Artikel zu kämpfen aber > > irgendwann keine Lust mehr gehabt. Aeeeheeeemm?? Es sind 3 A4 Seiten in leicht verständlichem Deutsch. 1 Seite Zeichnungen und Bilder. TsssTsssTssss. Das ist ein Sommerspaziergang. Lies mal ein 78 Seitiges Kepco Manual in US englisch, dann weißt Du wo "Kampf" anfängt.
Ronny schrieb: > ...dann hast Du aber meine Seiten nicht richtig gelesen. Eine Erklärung > ist dort zu finden. Grundlagen der OPV Regelung fidnest Du in diverser > Literatur z.B. Tietze/Schenk > > Zu der Strommessung: Meine Steuerspannung ist 0-5V. Wie kommst Du auf > 330mV? Die "Shuntspannung" wird mit der Differenz-OPV-Schaltung > verstärkt und dann erst der Stromregelung zugeführt. Dann werde ich mir auch Deine Seiten nochmal genauer zu Gemüte führen... ;) Zur Strommessung: Sofern ich den Differenzverstärker richtig verstanden habe, wird die Verstärkung mit R1/R2 berechnet (vorausgesetzt, die Spannungsteiler an beiden Eingängen sind gleich dimensioniert...). Bei Deiner Schaltung sehe ich 10k und 33k als Spannungsteiler, das entspräche dann einer Verstärkung um den Faktor 3,3. Wenn ich mal von einem 50mOhm Shunt ausgehe (solche hab ich grad da, 50mOhm/3W) komme ich auf einen Spannungsabfall von 100mV@2A über dem Shunt. Das mit Faktor 3,3 multipliziert ergibt bei mir 330mV am Ausgang des Differenzverstärkers bei 2A Ausgangsstrom, diese gehen dann in die Strombegrenzung rein. Bei der Stromregelung sehe ich aber keine Verstärkung dieser 330mV mehr. Wenn ich nun Steuerspannungen im Bereich von 0-5V da reingebe dann würde die Strombegrenzung bei mehr als 330mV Steuerspannung ja effektiv nicht mehr greifen oder? (Natürlich vorausgesetzt, dass der gewünschte maximale Ausgangsstrom bei 2A liegt und ein 50mOhm Shunt verwendet wird.) Kann natürlich gut sein, dass ich da was überlesen habe. Wie gesagt, ich werde Deine Seiten auch nochmal aufmerksam studieren. Edit: Auf Deinen Seiten steht leider keine Angabe zum Wert Deines Shunts, ich tippe aber mal auf 2x1R so wie in dem Projekt von der TU Harburg, richtig? Dann wäre die Spannung um den Faktor 10 größer und mir wäre wieder was klar geworden... ;) Andrew Taylor schrieb: >> Ich hab schon angefangen mich durch den Artikel zu kämpfen aber >> >> irgendwann keine Lust mehr gehabt. > > Aeeeheeeemm?? > > Es sind 3 A4 Seiten in leicht verständlichem Deutsch. 1 Seite > Zeichnungen und Bilder. > > TsssTsssTssss. Das ist ein Sommerspaziergang. > > Lies mal ein 78 Seitiges Kepco Manual in US englisch, dann weißt Du wo > "Kampf" anfängt. Hast ja recht... ^^ Ich bin halt vom Background her Informatiker der die Welt der Elektronik+µC sehr interessant findet und dabei ist seinen (Hobby-)Einstieg zu machen bzw. bisher lediglich gewisse Grundkenntnisse besitzt. Da fängt Kämpfen schon wesentlich früher an als bei einem gestandenen E-Techniker o.Ä. einfach weil man viele grundlegende Zusammenhänge nicht einfach im Kopf hat sondern sich immer wieder ins Gedächtnis rufen muss. ;)
Andrew Taylor schrieb: > Raimund Rabe schrieb: >> Das gleiche Problem wird sich mit der minimalen Ausgangsspannung >> >> ergeben, da der LM324 natürlich auch am Eingang keine Spannungen bis 0V >> >> verarbeiten kann, ... > > > Wie man es mit LM324 macht, um dennoch bei nur EINER Versorgungsspannung > 0V einstellen zu können: > > http://www.elo-web.de/elo/grundlagen-und-ausbildung/operationsverstaerker/netzteil-mit-opv Danke für den Hinweis. Irgendwie kam mir die Schaltung auch bekannt vor - ich konnte sie nur nicht mehr richtig einer Quelle zuordnen. >> Damit wird der Ausgang folglich kaum 23V erreichen können. Tendenziell >> würde ich sagen sogar nur 21...22V. > > Ja, nee, iss klar. > BTW: 24V Ausgangsspannung snd da ebenfalls einstellbar ,-) > Zumindest haben einige hundert Nachbauten das ergeben. Naja, ich habe auch so meine Erfahrungen mit ELO-, ELRAD-, ELEKTOR-, ELV-, und andere Schaltungen. Bin da eigentlich immer etwas skeptisch und mußte hin und wieder Änderungen vornehmen, damit es dann tatsächlich so lief wie der Autor es sich gedacht hatte. Die max. 24V beim ELO-Netzteil sind aber trotzdem sehr knapp kalkuliert. Aufgrund der Triple-Darlington-Schaltung wird der Steuerstrom schon sehr klein sein und damit der Abfall am LM324 sich in Grenzen halten aber die Reserve ist doch sehr klein (zumindest für meinen Geschmack). Der Punkt bezüglich der min. Ausgangsspannung von 0V klappt in der Originalschaltung von ELO durchaus, wenn auch die Ausgangsspannung vermutlich nicht über den gesamten Einstellbereich des Poties linear verläuft. Das kann man aber verschmerzen. Bei der modifizierten Schaltung (Regelung.gif) dürfte es aber wegen U3A und U3D Schwierigkeiten geben. Das DB (vom Juni '99) zum LMx24 von ST (und scheinbar auch nur dort, denn bei TI gibt's diese Diagramme nicht) gibt da wieder (im Diagram "Input Voltage Range" auf S.5), daß zwar der [-]-Eingang bis 0V 'gefahren' werden kann, der [+]-Eingang hingegen erst mit ca. +1,5V beginnt seine Arbeit zu verrichten (bei Single-Supply-Versorgung). Wenn man dem LM324 doch nur -2V als negative Betriebsspannung gönnen könnte ... :-) Aber alle Simulationen und Datenblattinterpretationen ersparen keinen realen Aufbau, an dem dann letztendlich die 'Performance' ermittelt werden kann. Alle Angaben ohne Gewähr. ;-)
Ist ja erstaunlich die Resonanz hier. Hab mir jetzt die Beiträge nicht durchgelesen. Mich beschäftigt nur die Frage wie Strom und Spannung eingestellt und angezeigt werden soll. Denn da sehe ich den größten Vorteil drin das mit einem Mikrocontroller zu steuern. Da kann ja reichlich Funktionen implementieren soweit es die Fantasie zulässt.
Max M. schrieb: > Ist ja erstaunlich die Resonanz hier. Hab mir jetzt die Beiträge nicht > durchgelesen. Mich beschäftigt nur die Frage wie Strom und Spannung > eingestellt und angezeigt werden soll. Denn da sehe ich den größten > Vorteil drin das mit einem Mikrocontroller zu steuern. Da kann ja > reichlich Funktionen implementieren soweit es die Fantasie zulässt. Von der Resonanz bin ich auch begeistert. Strom und Spannung einstellen ist eigentlich relativ simpel. Man erzeugt mit dem µC eine analoge Spannung zwischen 0-5V (entweder per R2R-Leiter oder mit externem DAC) und gibt die in die Regelung rein. (Edit: Falls Du die Beiträge doch noch lesen solltest: Steht alles drin... ;) ) Messen geht sogar noch einfacher da z.B. ein ATMega8 ja nen ADC an Bord hat, mit dem kann man wunderbar zu Anzeigezwecken messen, nur die Regelung selbst sollte nicht der Controller machen, der ist zu langsam dafür. (A/D Wandlung dauert schon im ms Bereich, dann muss noch nachgeregelt werden - das dauert und kann z.B. bei Kurzschluss zu lange sein.) Für zusätzliche (Software-)Funktionen hab ich schon so einige Ideen, aber erstmal muss die Hardware stabil laufen, dann kommen die Extras... ;)
Wert des Shunt ist in den Schaltplänen drin (2x1R). Ich werde es aber auch im Text mit aufnehmen, sicher eindeutiger.
als Feature-Anregung: Current-Foldback. Bei erreichen der Stromgrenze regelt das Netzteil den Kurzschlußstrom auf einen ungefährlichen Wert zurück (z.B. 10% der eingestellten Stromgrenze).
Ronny schrieb: > Wert des Shunt ist in den Schaltplänen drin (2x1R). Ich werde es aber > auch im Text mit aufnehmen, sicher eindeutiger. Danke für die Info. Ich hatte mir die .zips nicht gezogen sondern die Pläne direkt auf der Seite angesehen und da stand der Wert nicht dabei (oder ich hab Tomaten auf den Augen ^^). Auf jeden Fall ist nun meine Verwirrung bzgl. der 330mV beseitigt, bei 2x1R kämen dann natürlich 3,3V aus dem Differenzverstärker raus. Da ich vorhabe einen R05 Shunt zu benutzen (50mOhm) muss ich wohl oder übel die Verstärkung nochmal um den Faktor 10 raufsetzen. Ich bastele grade an nem neuen Plan für meinen Regelteil, wird demnächst gepostet... ;) Edit: Ronny schrieb: > als Feature-Anregung: Current-Foldback. Bei erreichen der Stromgrenze > regelt das Netzteil den Kurzschlußstrom auf einen ungefährlichen Wert > zurück (z.B. 10% der eingestellten Stromgrenze). Die Idee ist gut, und auch nicht sonderlich schwer umzusetzen... Dazu muss ich ja eigentlich nur den Ausgang der Strombegrenzung über nen Teiler an einen Input-Pin hängen und abfragen (oder nen Interrupt-fähigen Pin verwenden)
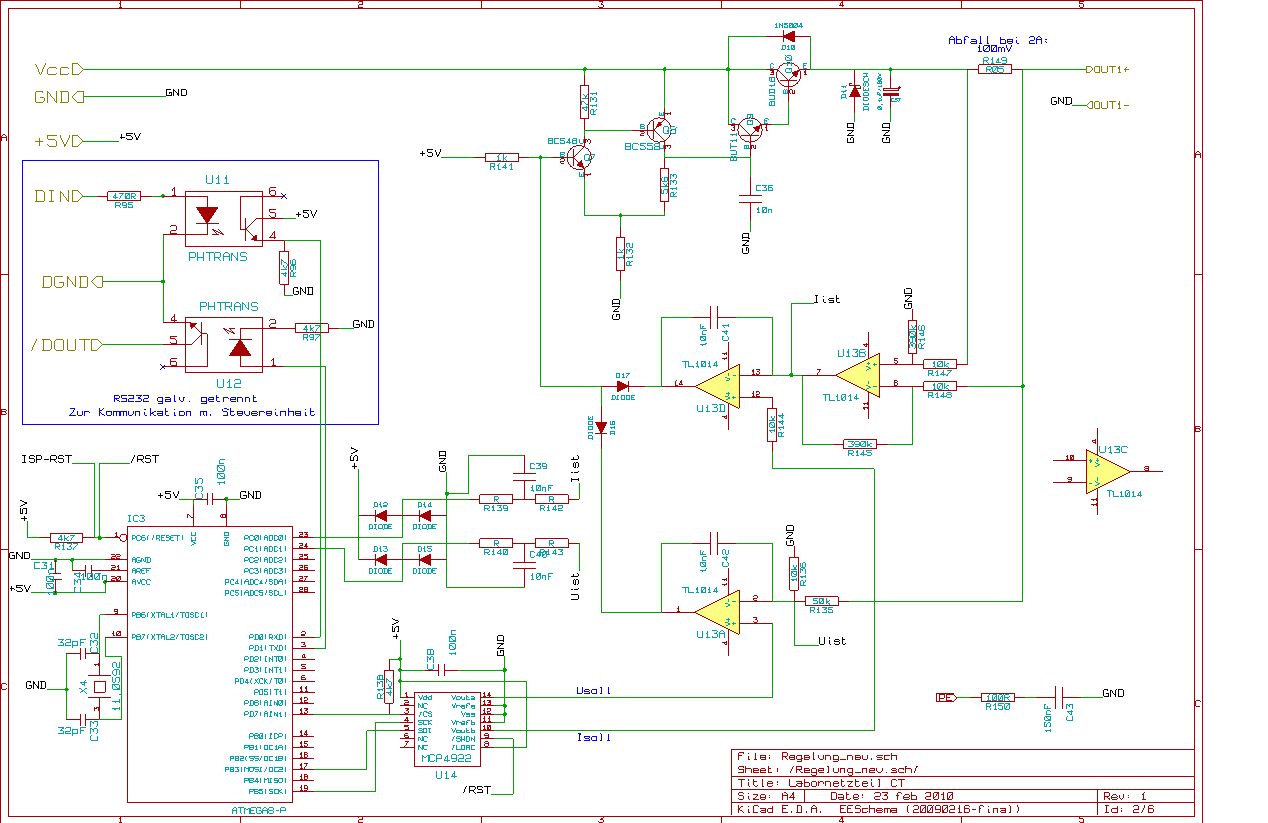
So, anbei mal die aktualisierte Version der Regelung. Als Vorlage dient(e) der Schaltplan von Ronny. Das R2R-Netzwerk ist weg, dafür wird nun ein MCP4922 (Dual D/A-Wandler) eingesetzt. Der ist günstig und vermutlich auch genau genug, vor allem aber ist das Ding garantiert monoton steigend. Die Strommessung habe ich nun auf die HighSide verpflanzt, die differentielle Messung von Ronny aber beibehalten. Der Differenzverstärker sollte eine Verstärkung von ca. x40 bringen um den Spannungsabfall am Shunt auf einen brauchbaren Bereich zu heben. Die Leistungstransistoren dienen momentan eher als Platzhalter, ich habe noch nicht entschieden welche Typen da rein müssen. So wie ich mir das vorstelle muss der Strom der über R141 in die Spannungsregelung geht (ca. 5mA) um den Faktor 400 verstärkt werden damit ich auf die 2A Ausgangsstrom komme, richtig? Ach ja, RC-Glied von GND nach PE ist nun auch drin, sollte eigentlich passen oder?
bei dem Regelteil kann ich Dir nur raten das dann mal reel aufzubauen. Dies war bei mir der Genickbruch. Ich hatte nur simuliert und danach kam das große Erwachen mit der fertigen Platine. Zum Shunt: Der Wert ist in den Plänen auch auf der Seite angegeben mit 1 (=1 Ohm). Habe es aber jetzt nochmal im Text stehen. Eine andere Alternative wäre auch 10x 1 Ohm = 0,1 Ohm. Dabei reichen bei 2A dann normale 0,25W-Widerstände.
ohh das ist riskant. Meine Strommessung war nach Low-Side, nicht High-Side. Der OPV ist IMHO nicht für höhere Spannungen an den Eingängen in Bezug auf die Versorgungsspannung ausgelegt. In Deiner Schaltung wäre das aber so oder versorgst Du die OPVs mit 24V?
wenn Du schon High-Side Messung machen möchtest und eh eine galvanische Trennung zum Steuer-µC hast, dann nimm doch die Schaltung wie: http://www.engcyclopedia.de/files/uniprojekt.pdf Was sollen eigentlich die Dioden D12-D15 bzw. R139/R142 und R140/R143 bewirken?
Ronny Schmiedel schrieb: > Was sollen eigentlich die Dioden D12-D15 bzw. R139/R142 und R140/R143 > > bewirken? die sollen die ADC Eingänge schützen, jedoch fehlen im Schaltplan an 2 Stellen die Leitungs-Verbindungspunkte (müssten zwischen den Dioden sein).
Die Dioden sind im ATMEGA schon drin wenn auch nur für kleine Ströme
@Ronny: Aufbauen werde ich das vorher sicherlich auf nem Steckbrett bzw. auf Lochraster. Ich will nur vor dem Probeaufbau schon möglichst nahe am theoretischen Ideal sein, daher die lange Planung. ;) Zum Widerstandswert: lol, nu hab ich's kapiert: Du hast zwei 1R Widerlinge mit je 5W parallel, richtig? Ich hab das als 1/5W gelesen, mich gewundert über die geringe Belastbarkeit und nach dem Wert gesucht... ^^ Die OPs werden mit der vollen Versorgungsspannung versorgt, beim LT1014 sollte das kein Problem sein, der kann +-22V Supply und +-30V Differential Input Voltage. (Man darf die Eingänge also "überfahren".) Ich gestehe aber, dass ich auf dem Plan die Stromversorgung der OAs unterschlagen habe, wird in der nächsten Version nachgebessert. ;) Das Uniprojekt hab ich mir angeschaut und ehrlich: Das muss einer der umständlichsten Schaltpläne sein die ich je gesehen hab. z.B. die Geschichte mit der "Bezugsmasse" nach dem Shunt, ich nehme an, die messen die Spannung dann quasi umgedreht weil am Masseeingang dann "Usoll" vermerkt steht. Irgendwie sehr seltsam das alles... Zu den Dioden im Schaltplan: Ja, da sollten Punkte hin. Sorry, in kicad selbst kann man gut sehen dass die Dinger verbunden sind, aber da scheint der Export ein wenig grobschlächtig ranzugehen. Und ja, die Dioden sind schon im ATMega drin, aber wenn ich die schiesse muss ich auch wieder den Chip tauschen. Rauchen die externen durch dann kommt das billiger. ;)
Nachtrag zum Post von eben: Weil Du noch fragtest warum ich den Schaltplan vom Uniprojekt nicht mag: Mir gefällt ausserdem Deine Idee mit der differentiellen Messung sehr gut, damit hat man einen absoluten Wert der von eventuellen Schwankungen der Versorgungsspannung unabhängig ist.
Shuzz schrieb: > Das Uniprojekt hab ich mir angeschaut und ehrlich: Das muss einer der > > umständlichsten Schaltpläne sein die ich je gesehen hab. .... > Irgendwie sehr seltsam das alles... Wie meinen Verehrtester? Es ist eine äußerst simple Netzteilschaltung. Ist nichts anderes als das ELO Netzteil Nr.2, jedoch abgespeckt auf 2 OPV. Ein paar Anlehnungen an das FS 12/73 Nt sind auch dabei.
@Andrew: Ja, sicher. Das Grundprinzip hab ich ja verstanden. In der Schaltung da finde ich nur einige Ungereimtheiten die ich nicht verstehe. z.B. auf Seite 9: Die Spannungs- und Stromregelungen verfügen über keine Rückkopplungen soweit ich das erkennen kann und warum der Ausgang nach dem Shunt auf Masse gelegt wird erschliesst sich mir auch nicht. (Auf Seite 19 steht dann noch was von "Bezugsmasse", aber wo die herkommt/hingeht kann ich nicht finden.) Uist wird direkt am Masseeingang des NT gemessen, auch da verstehe ich nicht wie das funktionieren soll... Ich würde mich freuen wenn Du mir das erklären könntest, ich verstehe es nämlich wirklich nicht. Vllt. ist das ja sogar ne recht pfiffige Schaltung, aber für mich wirkt das alles irgendwie unlogisch und umständlich. :) Danke und Grüße, Christian
> warum der Ausgang nach dem Shunt auf Masse gelegt wird erschliesst > sich mir auch nicht. Effektiv ist es so, dass die Masse in diesem Design der +Ausgang des Netzteils ist. Dadurch wird die gesamte Regelung auf die Ausgangsspannung bezogen. Das ist ein super Trick, mir gefällt der ;-) Der wurde übrigens in vielen derartigen Netzteilen verwendet. > Die Spannungs- und Stromregelungen verfügen über keine Rückkopplungen Die Spannungsregelung geht über den Spannungsteiler VR1+R7 sowie VR2. Der Regler sorgt dafür, dass die Spannung am Knotenpunkt mit R8 (IC8B) 0V ist. Das ist durchaus eine Rückkopplung. > Uist wird direkt am Masseeingang des NT gemessen Nein, die wird über VR2 am -Ausgang des Netzteils gemessen. Es ist keine Invertierung nötig, weil die Ausgangsspannung sowieso negativ gemessen wird. Elegant... Und der Stromregler ist ganz traditionell um das IC8C aufgebaut.
sehe ich auch so. Ich dachte auch erst das meine Low-Side Messung des Stroms einfacher und besser ist aber die High-Side Messung wie im Uniprojekt ist einfacher. Die Betrachtung der Potentiale und Bezugsmasse ist halt dort etwas anders, aber es funktioniert. Es hält Dich aber keiner davon ab neu Wege zu gehen.
Lothar Miller schrieb: >> warum der Ausgang nach dem Shunt auf Masse gelegt wird erschliesst >> sich mir auch nicht. > Effektiv ist es so, dass die Masse in diesem Design der +Ausgang des > Netzteils ist. Dadurch wird die gesamte Regelung auf die > Ausgangsspannung bezogen. Das ist ein super Trick, mir gefällt der ;-) > Der wurde übrigens in vielen derartigen Netzteilen verwendet. Eben, genauso ist das. Wie bereits gesagt auch in FS 12/73 und diversen Kepco und HP Netzteilen. Wenn sich Christian mal die Mühe machen würde die 4 Seiten Funkschau durchzulesen und zuarbeiten, hätte er es längst. Statt hier weiter in diversen Netzteilveröffentlichungen hin- und herzuspringen. Aber Du hast es ihm ja nun nochmals aufgelistet (im FS Artikel steht es identisch), hoffen wir das es ihm jetzt genügend hilft.
Das ist jetzt genau der Fall den ich meinte als ich schrieb: > Da fängt Kämpfen schon wesentlich früher an als bei einem gestandenen > E-Techniker o.Ä. einfach weil man viele grundlegende Zusammenhänge nicht > einfach im Kopf hat sondern sich immer wieder ins Gedächtnis rufen muss. Ich krieg nen Knoten ins Hirn wenn die Masse nicht bei 0V liegt... Andrew Taylor schrieb: > Wenn sich Christian mal die Mühe machen würde die 4 Seiten Funkschau > durchzulesen und zuarbeiten, hätte er es längst. Leider eben nicht. :( Ich habe den Funkschau-Artikel schon mehrfach gelesen, es will mir aber einfach nicht in den Kopf... Es fällt mir sehr schwer mir die Zusammenhänge klar zu machen. Wie gesagt: Ich bin kein E-Techniker, ich bin Informatiker mit (privatem) Interesse an solchen Dinge aber ohne tiefgehendes Wissen oder jahrelange Erfahrung. Bisher hab ich µC-Schaltungen zusammengebaut, da hat's immer nur 0V und 5V gehabt und dazwischen nicht viel... Ich werde heute Abend in Ruhe die Pläne nochmal studieren und mal versuchen mir überall die Potentiale hinzumalen. Vllt. verstehe ich dann eher wie es funktioniert. Danke für eure Geduld (die sich anscheinend dem Ende zuneigt...) Grüße, Christian P.S.: @Ronny: Neue Wege beschreite ich hier ja wohl eher nicht wenn ich euch recht verstehe. Ich schätze meinen Ansatz momentan als "nicht sonderlich elegant, aber vllt. funktioniert's" ein... :/
Sieh es so, Spannungen sind auch nur unterschiedliche Potentiale. Der Strom fließt vom hohen zum niedrigen Potential. In diesem Fall hat sich der Entwickler der Schaltung halt die Ausgangsspannung als Bezugspotential (oder 0V) genommen, d.h. die Ströme der Regelschaltung fließen alle zum Ausgang des Netzteiles. Klingt verwirrend funktioniert aber so. Vorteil sind die geringen Spannungen am OPV-Eingang. Das gleiche Problem haben manche Leute mit negativer Spannung, da fließt halt der Strom von 0V zur negativen Spannung. Der Strom versucht die Potentialunterschiede nur auszugleichen, wie bei einem Fluss der den Berg herab fliesst in einen Teich im Tal (Bitte nur beispielhaft sehen). Die Quelle ist + Volt und der Teich im Tal ist 0V. Und wenn Du die Quelle eben 0V nennst dann ist der Teich - Volt.
Hallo nochmal. Ich bin nochmal in mich (und die Schaltpläne) gegangen und glaube ich weiss nun ungefähr wie das FS-Netzteil funktioniert. Ich versuche mal zu erklären wie ich mir das vorstelle und hoffe, ihr könnt mir das hinterher bestätigen oder meine Denkfehler aufzeigen. - Die komplette Regelung schwebt auf der Ausgangsspannung, ein extra Trafo stellt dafür 24V~ bereit die von T2 dann ausgeregelt werden so dass +/- 12V bezogen auf Uausgang zustande kommen. Ausserdem werden mit zwei Zehnerdioden noch eine positive und eine negative Referenz mit je 6,3V erzeugt. - Stromregelung: Der erwartete Spannungsabfall über den Shunt wird durch runterteilen der negativen Offsetspannung gegen die Spannung vor dem Shunt vorgegeben. (Müsste das dann nicht eigentlich "hochteilen" heissen? ^^) Übersteigt der tatsächliche Abfall den eingestellten Wert so regelt der OpAmp den Ausgang runter und begrenzt damit den Spannungsabfall über dem Shunt und somit den Ausgangsstrom. Damit das funktioniert muss der Festwiderstand deutlich größer als der Poti sein. - Spannungsregelung Die Referenz gibt hier einen positiven Offset auf die Ausgangsspannung. Diese Spannung wird gegen Masse runtergeteilt so dass man am Poti von ca. 0V bis zur maximalen Ausgangsspannung regeln kann. Der OpAmp arbeitet dann über den Transistor und Shunt quasi "nur" als Spannungsfolger. Der positive Offset ist notwendig damit man auch wirklich die maximale Ausgangsspannung des Haupttrafos nutzen kann, er muss quasi größer sein als die Verluste die an Leistungstransistor(en) und Shunt auftreten können. Wenn ich das richtig weiterdenke, sind damit auch die Unzulänglichkeiten von Nicht-Rail-to-Rail OpAmps ausgeglichen, sofern die Differenz von positiver Referenzspannung zu positiver Versorgungsspannung groß genug ist. (Das gleiche gilt dann für die negativen...) Ich glaube ich hab das Prinzip nun einigermaßen Verstanden (auch wenn ich mit der Dimensionierung von so nem Ding immer noch arge Probleme hätte). Was mich bei der ganzen Geschichte stutzig macht ist folgendes: Anscheinend verwendet jeder Netzteilplan eine extra Stromversorgung für die OpAmps. Ich verstehe nur immer noch nicht so ganz warum eigentlich? OK, früher gab es keine OpAmps die Rail-to-Rail Input und Output konnten, aber heute sind die Dinger doch quasi überall verfügbar. Warum also macht man sich diesen Aufwand noch? Und (viel wichtiger): Geht's nicht auch ohne? ;-) Grüße, Christian
Christian T. schrieb: > Ich bin nochmal in mich (und die Schaltpläne) gegangen und glaube ich > weiss nun ungefähr wie das FS-Netzteil funktioniert. standing ovations. > Ich glaube ich hab das Prinzip nun einigermaßen Verstanden (auch wenn > ich mit der Dimensionierung von so nem Ding immer noch arge Probleme > hätte). Seite 449 hat die Formeln. Wobei man lediglich in der Formel für Rpotmin die 1.5mV durch 1.5 mA ersetzen und die 16,6 kOhm durch 6,6 kOhm. Sind halt 2 Druckfehler. > > Was ... > Und (viel wichtiger): Geht's nicht auch ohne? ;-) gähn, hatten wir doch schon alles. Elo netzteil nr 2, www.elo-web/ximage/7903Netzteil4.jpg oder so in der Art. Daher der Rat: Bau einfach IRGENDEINES mal auf, versuch dann am Aufbau zu verstehen was wie funzt. Wenn Du unsicher bist, dann bau es halt tupfengleich auf die in FS12/73 0der EloNr.2. die chance das es dann auf anhieb funktioniert ist über 90% Das Verstehen wird am Gerät etwas leichter. Oder arbeitest Du als Informatiker genauso: Das perfekte Program muß bei Dir erst ewig diskutiert sien, bevor Du jemals die erste Zeile Code einklopfst? Wenn dem so ist, wärst Du nie über "hello world" in c hinausgekommen. bye, andrew
Hallo Andrew, ich verstehe den Grund für Deinen Sarkasmus nicht, aber sei's drum... Der Testaufbau ist bereits im Entstehen. Andrew Taylor schrieb: > Oder arbeitest Du als Informatiker genauso: Das perfekte Program muß bei > Dir erst ewig diskutiert sien, bevor Du jemals die erste Zeile Code > einklopfst? > Wenn dem so ist, wärst Du nie über "hello world" in c hinausgekommen. Ein Informatiker/Softwareentwickler der nicht zuerst das zu schreibende Programm bis ins Letzte Detail diskutiert wird aus dem ersten Projekt das über "Hello World!" hinausgeht achtkantig rausfliegen. Und weisst Du auch mit was? Mit Recht! Ich hätte nicht vermutet, dass das bei der Hardwareentwicklung anders aussieht...
Christian T. schrieb: > Ein Informatiker/Softwareentwickler der nicht zuerst das zu schreibende > > Programm bis ins Letzte Detail diskutiert wird aus dem ersten Projekt > > das über "Hello World!" hinausgeht achtkantig rausfliegen. Schön wäre es wenn es denn so wäre. Ein Entwickler der nicht zügig einen Prototypen vorweisen kann (der zwar fehlerbehaftet sein darf , aber dennoch dann Hoffnung auf ein jemals funktionierendes Konstrukt machen muß) wird achtkantig rausfliegen. diejenigen, die es bis ins letzte Detail diskutieren, bleiben erfahrungsgemäß drin, haben aber nix Produktives geleistet.
Rail-To-Rail Input gibts schon einige, aber bei Rail-To-Rail Output wird
schon eng. Und teurer sind die außerdem. Der Vorteil einer extra
Versorgung der OPVs ist auch die Unabhängigkeit von Störungen von der
Leistungsseite. Sicher gibts noch mehr Vorteile. Schau Dir mal das
Innenleben so eines OPVs an (Das Datenblatt ist Dein Freund).
Was die Hardwareentwicklung angeht gebe ich Andrew Recht. Und was bei
Analogtechnik noch dazukommt gegenüber Digitaltechnik, Analogtechnik
kann jeden Spannungswert annehmen gegenüber Digitaltechnik ("nur" 0 und
1). Von daher wirken sich hier Bauteilstreuungen und Fehler im Design
schneller aus.
Daher nicht die Lust verlieren wenns am Anfang nicht gleich klappt.
Bitte melde dich an um einen Beitrag zu schreiben. Anmeldung ist kostenlos und dauert nur eine Minute.
Bestehender Account
Schon ein Account bei Google/GoogleMail? Keine Anmeldung erforderlich!
Mit Google-Account einloggen
Mit Google-Account einloggen
Noch kein Account? Hier anmelden.



