Hallo, habe einen ATMEGA88, den ich via RX/TX über einen RS232-Schnittstellenbaustein mit nachgeschaltetem FTDI FT232RL an die USB-Schnittstelle meines PCs angeschlossen habe um Daten zu übermitteln. Dies funktioniert so auch einwandfrei. Möchte aber, um Bauelemente zu sparen (Platzbedarf und Leistungverlust), den ATMEGA88 direkt mit dem FT232RL verbinden. Wenn ich dies mit der oben genannten Hardware ohne RS-232-Wandler mache, erhalte ich auf dem PC allerdings nur Nonsens. Das hat mit meinen vorherigen Daten (mit RS232-Baustein) nichts gemein. Wo liegt die Ursache? PS: Verwende 19200 Baud asl Geschwindigkeit, Quarz am ATMEL hat 16MHz. Gruss NobbyH
> habe einen ATMEGA88, den ich via RX/TX über einen > RS232-Schnittstellenbaustein mit nachgeschaltetem FTDI FT232RL > an die USB-Schnittstelle meines PCs angeschlossen habe um Daten zu > übermitteln. Dies funktioniert so auch einwandfrei. Mit der o.g. Beschreibung MUSS es rauchen. Hast du ZWEI RS232-Treiber dran? Normalerweise wird bei einer richtigen Direktverbindung Tx vom FTDI mit RX vom AVR verbunden und umgekehrt. GND etc. natürlich auch. Was heisst es kommt "nonsens" an? Etwas genauer bitte, Schaltplan, "Nonsens", etc. Ralf
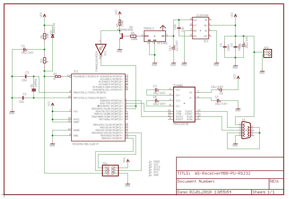
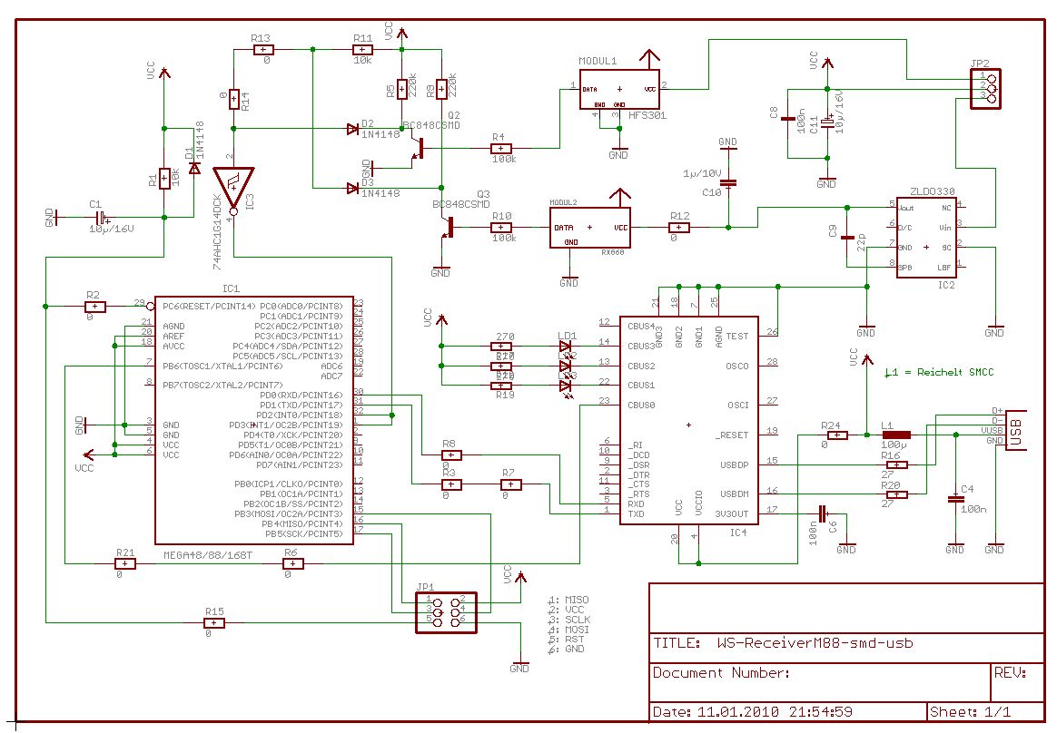
Hallo, danke für Feedback. Warum soll es rauchen? Aber schon richtig. Bilder sagen mehr als tausend Worte. Ich habe "Schaltung.gif", die ich mit "Adapter.gif" an USB betreibe und den vom ATMEL gelieferten Datenstring in meinem Terminalprogramm einwandfrei empfange. Möchte jedoch den MAX232 und die SUB-D Buchse entfallen lassen und direkt auf den FTDI Chip in "Adapter.GIF" gehen. (Siehe Schaltung "final.gif) Die 0-Ohm Widerstände dienen nur als Leitungsüberquerungen, damit ich nur eine einseitige Platine ohne Drahtbrücken benötige. Dann erhalte ich nicht den Datenstring des ATMEL (gleiche ATMEL Hardware wie oben) sondern nur Zeichen, die mit dem gesendeten String nichts gemein haben. So, ich denke jetzt ist meine Frage klarer formuliert. Das muss doch so gehen wie ich es geplant habe. Eventuell Schaltungsfehler? NobbyH
NobbH schrieb: > Eventuell Schaltungsfehler? wie schon von Ralf geschrieben: > Normalerweise wird bei einer richtigen Direktverbindung Tx vom FTDI > mit RX vom AVR verbunden und umgekehrt. GND etc. natürlich auch.
So, habe die Schaltung nun wie vorgeschlagen verbunden. ATMEL RX auf TX FT232RL und ATMEL TX auf RX FT232RL Gesendet wird vom ATMEL der String: 02 71 11 91 11 01 41 81 81 41 01 51 01 91 A1 81 F1 01 03 Erhalte aber bei Direktanschluss (ohne RS 232-Chip) en Datenstring 7F 47 FD BA BA F4 FA F4 E8 E8 D1 BA FA BA E9 E9 E8 D2 F2 00 Nicht das, was ich erwarte NobbyH
@ NobbH (Gast) ertiert. > final.gif >danke für Feedback. Warum soll es rauchen? Weil der MAX232 +/-12V ausgibt, der FTDI aber gern mit 3,3V/0V arbeitet. Du hast mehr Glück als Verstand, denn der MAX bringt nicht viel Strom und somit hast du den nicht gekillt. >Aber schon richtig. Bilder sagen mehr als tausend Worte. In der Tat. >Möchte jedoch den MAX232 und die SUB-D Buchse entfallen lassen und >direkt auf den FTDI Chip in "Adapter.GIF" gehen. (Siehe Schaltung >"final.gif) RX und TX sind FALSCH. Die müssen gekreuzt werden! >Dann erhalte ich nicht den Datenstring des ATMEL (gleiche ATMEL Hardware >wie oben) sondern nur Zeichen, die mit dem gesendeten String nichts >gemein haben. Wenn die Schaltung mit MAX232 vorher WIKLICH lief, dann hast du wahrscheinlich den FTDI per MPROG umkonfiguriert und RX und TX intern invertiert. Das musst du natürlich rückgängig machen. MFG Falk
@ Falk, > Weil der MAX232 +/-12V ausgibt, der FTDI aber gern mit 3,3V/0V arbeitet. > Du hast mehr Glück als Verstand, denn der MAX bringt nicht viel Strom > und somit hast du den nicht gekillt. Richtig, hab ich mir zum Testen nicht wirklich Gedanken drüber gemacht. Hat auch bei allen angeschlossenen RS-232 Schnittstellen funktioniert. Korrekt wäre es natürlich die Pegel anzupassen. > RX und TX sind FALSCH. Die müssen gekreuzt werden! Hatte ich in meiner Verkabelung schon angepasst, allerdings nicht im Schaltbild. > Wenn die Schaltung mit MAX232 vorher WIKLICH lief, dann hast du > wahrscheinlich den FTDI per MPROG umkonfiguriert und RX und TX intern > invertiert. Das musst du natürlich rückgängig machen. Richtig, die Schaltung läuft mit MAX232 und ja, ich habe den FTDI umprogrammiert und RX und TX invertiert. Auch das hatte ich eben schon rückgängig gemacht, hatte aber immer noch einen falschen Datenstring. Was ich allerdings nicht wusste, ist die Tatsache, dass die Umprogrammierung anscheinend erst nach einem Reset (Power OFF und Power ON) wirksam wird. Es funktioniert nun. Recht herzlichen Dank an alle für die Hilfe. NobbyH
Bitte melde dich an um einen Beitrag zu schreiben. Anmeldung ist kostenlos und dauert nur eine Minute.
Bestehender Account
Schon ein Account bei Google/GoogleMail? Keine Anmeldung erforderlich!
Mit Google-Account einloggen
Mit Google-Account einloggen
Noch kein Account? Hier anmelden.


