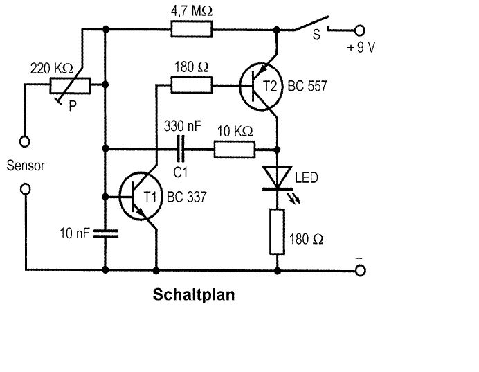
Hallo, hiermal diese Schaltung Es handelt sich um einen Feuchtigkeitsmelder, bei sensor hochohmig beginnt die led zu blinken. Hab hier nicht verstanden wie die Kippschaltung funktioniert!?!
Schau mal nach "unsymmetrischer astabiler Multivibrator". Das ist die Grundschaltung. Dann ergänzt Du die hier um den Sensor -- dieser bewirkt das der Multivibrator stoppt solange der Sensorwiderstand niederohmig (== im Wasser steht) ist.
Das hast Du doch schon unter anderem Namen (mitti85) in http://forum.electronicwerkstatt.de/phpBB/topic101744_f34_bxtopic_timexDESC_by1_bz0_bs0.html gefragt und trotz mehrfacher Erklärungen nicht geschnallt. Meinst Du, daß Du hier mehr verstehst? Vielleicht mal alles lesen auf der PDF Seite (angefügt).
Hallo Tom, nimm mal an, der 4M7 Widerstand hat gerade eben den 10nF Cap so weit aufgeladen, daß T1 durchschaltet. Dann schaltet auch T2 durch und lädt C1 "explosionsartig" auf. Explosionsartig deshalb, weil der Lade-Strom in C1 hinein gleichzeitig in die Basis von T1 fließt und diesem einen riesigen Basis-Strom-Schub gibt. Das hat zur Folge, daß auch T2 kräftig, nämlich bis in die Sättigung aufgesteuert wird. Diese beiden Vorgänge bedingen und verstärken sich gegenseitig. Die Kollektor-Spannung von T2 steigt deshalb auf fast 9V an. Wenn dann C1 aufgeladen ist, verschwindet dieser Verstärkungseffekt und als Folge davon fließt immer weniger Strom durch die Basis von T2. Dadurch geht T2 aus der Sättigung und die Spannung am Kollektor, und damit die Basisspannung von T1 sacken ab. Dies wiederum hat zur Folge, daß die Basisspannung von T1 plötzlich zu klein wird und T1 beginnt zu sperren. Deshalb beginnt auch T2 zu sperren und C1 beginnt sich über die LED wieder zu entladen. Da der Strom durch C1 nun seine Richtung geändert hat, wird C1 kräftig entladen und die Basis von T1 wird schlagartig stark negativ. Der 4M7 Widerstand sorgt letztlich dafür, daß der 10nF Kondensator wieder ganz langsam aufgeladen wird. Steigt seine Spannung über rund 0,6V wird T1 leitend und das Spiel beginnt von vorne. Kai Klaas
Bitte melde dich an um einen Beitrag zu schreiben. Anmeldung ist kostenlos und dauert nur eine Minute.
Bestehender Account
Schon ein Account bei Google/GoogleMail? Keine Anmeldung erforderlich!
Mit Google-Account einloggen
Mit Google-Account einloggen
Noch kein Account? Hier anmelden.
