Moin, ich versuche gerade meinem Projekt einen Akkuwaechter fuer die Autobatterie hinzuzufuegen. Die 12V auf max 5V herunterteilen ist ja kein Problem, nur wie schuetze ich am besten den A/D Wandlereingang des Atmega16 vor den Spannungsspitzen aus dem Bordnetz? Reich ein 14V Varistor und ne 12V-Z-Diode gegen GND? (Glaubs fast nicht, waer ja auch zu einfach....) Danke im Voraus und mfG, André
Ich verwende einen Tiefpass, der beseitigt die Spikes, glättet aber auch die Messwerte, so dass nicht sofort beim starten des Anlassers die Überwachung anspricht.
Hm, haettest dazu evtl ne Beispielschaltung? Bin mehr so der Digitalfritze :) Danke und mfG, André
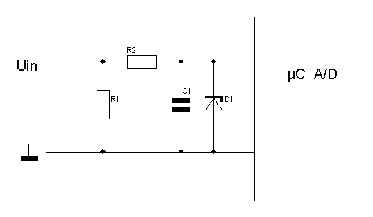
Darf ich mal einspringen ? Im Anhang ist ein Prinzipschaltbild. Die Z-Diode begrenzt die Spannung am Port R2 zusammen mit C1 sorgen dafür das die Spitze die Z-Diode nicht "Überrascht". Desweiteren begrenzt R2 den Strom durch die Z-Diode. Die Z-Diode sollte ein möglichst schneller Typ sein. R1 hat in diesem Falle eher Symbolischen Character und sollte bei Hochohmigeren Quellen für eine Entladung sorgen. Kann also wegfallen. Natürlich könnte man es noch weitertreiben aber in dieser Form reicht das eigentlich. Die Dimensionierung der Bauteile muß natürlich den Anforderungen angepasst werden. Da es hier nicht auf geschwindigkeit ankommt kann man ruhig großzügig sein.
Hmm, dazu hab ich nun noch ne Frage: Ueber die Z-Diode wird die Spannung ja auf der Zenerspannung der Zdiode gehalten (wenn ich jetzt nicht aufm Schlauch steh...). Sie wuerde dann ja erst darunter sinken, wenn Uin < der Zspannung ist. Damit muesste ich ja bei einer 5,1V Diode warten, bis die Akkuspannung unter 5,1V faellt, oder? Danke und mfG, André
Hm, ich trottel. Der Spannungsteiler muss natuerlich noch davor :D. Danke nochmals. MfG, André
Hallo! Welche Zeitkonstante ist für den Tiefpaß sinnvoll? Welcher Kondensatortyp ist zu verwenden? Ich nehme mal an, die Zenerspannung sollte bei 5V liegen, oder? Welche Diode wäre ein geeigneter Typ (von wegen Schnelligkeit)? Gruß, anfaenger
Bitte melde dich an um einen Beitrag zu schreiben. Anmeldung ist kostenlos und dauert nur eine Minute.
Bestehender Account
Schon ein Account bei Google/GoogleMail? Keine Anmeldung erforderlich!
Mit Google-Account einloggen
Mit Google-Account einloggen
Noch kein Account? Hier anmelden.
