hallo ich benötige eine schaltung für mehrere leds gleichzeitig im sekundentakt zum blinken zu bringen allerdings soll die schaltung 5 sec nachblinken wenn die versorgungsspannung abgeschaltet wird versorgungsspannung ist 6 volt kann mir da jemand weiterhelfen ??? beste grüße frank
wenn ich die spannung von 6 volt einschalte soll die schaltung blinken und wenn die schaltung abgeschaltet wird sollen die leds 5 sec nachblinken gruß
Du kannst folgendes bauen: - eine normale Blinkschaltung, mehrere LEDs paralell Du musst nen bisschen probieren, bis du ca. 1Hz erreichst - oder rechnen. Die Schalttransistoren müssen nen bisschen mehr Strom abkönnen. - Normale Blinkschaltung mit Transistor statt LED, dieser schaltet die LEDs Du musst nen bisschen probieren, bis du ca. 1Hz erreichst - oder rechnen kleiner Strom im Flipflop - Mic mit LEDs an den Ports Kannst ziemlich viele verschiedene Muster erzeugen; Takt ist leicht einzustellen. AVR-Tutorial! Und: Ein großer Kondensator oder etliche paralell zum "Nachleuchten" ... das Ganze geht dann auch noch "weich" an. Für mehr brauchst du eine zweite (nicht geschaltete) Spannung zum Versorgen der LEDs und Logik. Grüße, Lukas PS: Ne "normale Blinkschaltung" also ne astabile Kippstufe erkläre ich mal nicht. GIDF. Nur solltest du dann die eine der üblichen LEDs durch deinen Schalttransistor oder LED-Bündel ersetzen und die andere durch einen Wiederstand, da du ja nur an/aus- und nicht A/B-Blinken haben willst.
Du brauchst ein paar Elkos. Zuerst musst du den benötigten Strom ausrechnen. Du kannst dann die Kapazität mit der Formel: U*C=I*t ausrechnen. Jedoch kannst du die Spannung innert 5sec nicht auf Null absinken lassen (Dann blinkts bereits nach 3 oder 4sec nicht mehr). Verwendest du einen Spannungsregler? Nach dem Abschalten sollte seine Ausgangsspannung nicht höher als die Eingangsspannung sein (wird evt. zerstört). Gruss
Heinz B. schrieb: > Verwendest du einen Spannungsregler? Nach dem Abschalten sollte seine > Ausgangsspannung nicht höher als die Eingangsspannung sein (wird evt. > zerstört). Wenn er eine Freilaufdiode mit Anode an Ausgang und Kathode an Eingang anschließt dürfte das kein Problem sein. Denn -0,7V Differenz zw. Aus und Eingang hält der Regler sicher aus. Heinz B. schrieb: > Du brauchst ein paar Elkos. Zuerst musst du den benötigten Strom > ausrechnen. Du kannst dann die Kapazität mit der Formel: U*C=I*t > ausrechnen. Wieviel Spannung musst du puffern?. Wenn < 5,5V, dann kann ich dir eine entsprechende GoldCap empfehlen. Die haben meist eine Kapazität von 0,5- 1F und sind für diese Spannungen um ca. 3-4€ zu haben. Vorteil: Nur eine Goldcap benötigt = kleiner Aufbau. Eine Goldcap hat meist einen Durchmesser von ca. 15mm und eine Höhe von ca. 10mm (v.a. die Typen mit bis zu 1F und 5,5V). Weiters hast du durch den Effekt das eine solche GoldCap sehr viel Ladung speichern kann, den Vorteil dass du deine LEDs sicher 5sek nachblinken lassen kannst. http://de.wikipedia.org/wiki/Goldcap
ich brauche eine einfache blinkschaltung die 5 sec weiterblinkt wenn die spannung abgeschaltet wird gruß
>ich brauche eine einfache blinkschaltung >die 5 sec weiterblinkt wenn die spannung abgeschaltet wird Ich glaub, dass hatten wir schon mal. GoldCaps sind nicht die Lösung. Ihr Innenwiderstand ist zu hoch um mehrere LEDs + Blinkschaltung mit Strom zu versorgen. Es wird auf dicke Elkos oder einen kleinen Akku zur Versorgung hinauslaufen.
hat denn niemand ne blinkschaltung für mich und kann sie abändern das die leds 5 sec nachblinken ? gruß
Ganymed schrieb: > GoldCaps sind nicht die Lösung. Ihr Innenwiderstand > ist zu hoch um mehrere LEDs + Blinkschaltung > mit Strom zu versorgen. Bist du dir sicher. Sieh mal auf Wikipedia unter Anwendungen nach, für welche Geräte sie verwendet werden. z.B. für Elektor- Gabelstapler. Mfg Gregor
vielleicht hab ich es auch falsch beschrieben :( hier noch einmal mein projekt ich brauche eine blinkschaltung die durch kurzen kontakt nur 5 mal blinkt die schaltung kommt in ein modellboot die spannung von 5-6 volt ist also immer vorhanden soll aber bei einem kurzen signal von der fernbedienung ca 5 mal blinken benötige also eine schaltung wo die leds 5 mal blinken wenn ich einen spannungsimpuls von 5 volt anlege grüße aus der eifel
Frank Keppers schrieb: > benötige also eine schaltung wo die leds 5 mal blinken wenn ich einen > spannungsimpuls von 5 volt anlege Vorher sollten sie 5s lang blinken, jetzt 5 mal. Also was jetzt ?
wenn sie im sekundentakt blinken , 5 mal :) 4-5 mal blinken wäre top 3 mal wäre auch ok hauptsache sie blinken ... spannung für 1-2 sec auf die schaltung gleich 3-5 mal led blinken gruß
Dafür brauchst du einen AVR :-). Es geht auch anders, wird aber größer und komplizierter. Am besten ein ATiny, da ich mal davon ausgehe, dass der Platz auf deinem Boot begrenzt ist. Handelt es dich bei dem Boot um einen Selbstbau (das abgreifbare Singal der Fernbedienung ist für mich ein Hinweis darauf, normalerweise ist da ja alles dicht)? Wenn ja, dann hast du vmtl. schon nen Mikroprozessor drauf und müsstest nur noch das Programm ändern. Obwohl nen zusätzlicher Atiny o.Ä. wohl doch einfacher ist, wenn du keine Ahnung hast von Mics. Wie schonmal gesagt: AVR-Tutorial lesen. Dann ist das ein Klacks. Wenn du dich an die SMD-Version wagst verschwindet der Controller hinter den LEDs. Außerdem kommen etliche Tinys mit gewissen Spannungsschwankungen gut zurecht. Also reicht praktisch ein Tiny, ein Transistor - der den LED-Strom ab kann und die LEDs. Dafür werden mich einige Nachposter möglicherweise zerreißen, aber an dem Blinken hängt ja nix lebenswichtiges und daher kannst du dir Späße wie Abblockkondensatoren ruhig sparen. Grundidee: - Avr läuft im Sleep-Mode. - Ein Interrupt wird von dem "spannungsimpuls von 5 volt" ausgelöst. - Das Programm schaltet einen Timer ein, der nen hohen Prescaler hat und dann nochmal so 50 Durchläufe nix macht (1 MHz int. RC und 1024 als Vorteiler) und dann den Ausgang, an dem ein Transistor hängt (der die LEDs schaltet) von an nach aus oder von aus nach an umstellt. - Das ergiebt dann 0.5 Sek. an und 0.5 Sek. aus pro Sekunde. - Nach 5 Durchgängen schickst du ihn wieder in den Sleep-Mode. Grüße
Das ist natürlich was ganz was anderes. Man könnte das einfach mit einem Zeitverzögerungsglied bauen. Ein Transistor oder besser MOSFET der einen Widerstand und Kondensator am Gate hat und dann die daran angeschlossene Blinkschaltung noch genau so lange eingeschaltet lässt, dass die LEDs noch 5 mal blinken. P.S. Ob die Schaltung funktioniert hängt davon ab wie kurz der Impuls ist. Wenn er zu kurz ist hilft nur die Lösung mit einem AVR. MfG Gregor
das hört sich ja nicht schlecht an kann mir jemand so eine einfache schaltung bauen ( schaltplan reicht ) ich habe bereits eine blinkschaltung mit transistoren gebaut nur das 5 malige nachblinken wenn das schaltsignal weg ist hab ich noch nicht hinbekommen ein schaltplan reicht mir völlig aus gruß
Gregor Rudorfer schrieb: > Das ist natürlich was ganz was anderes. > > Man könnte das einfach mit einem Zeitverzögerungsglied bauen. Ein > Transistor oder besser MOSFET der einen Widerstand und Kondensator am > Gate hat und dann die daran angeschlossene Blinkschaltung noch genau so > lange eingeschaltet lässt, dass die LEDs noch 5 mal blinken. > > P.S. Ob die Schaltung funktioniert hängt davon ab wie kurz der Impuls > ist. Wenn er zu kurz ist hilft nur die Lösung mit einem AVR. > > MfG Gregor Bei meiner obigen Schaltung hat sich ein Fehler eingeschlichen. Der Transistor der den Kondensator lädt muss ein PNP Typ sein!.
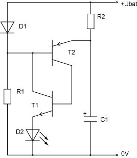
kann mir jemand diese schaltung auf nur ein blinklicht umbauen ? welche bauteile muss ich fehlen lassen ? und was muss ich ändern um die schaltung mit 5 volt statt 12 volt zu betreiben ? gruß
>welche bauteile muss ich fehlen lassen ?
Alle rechts vom 555, bis auf D1 und R5.
das ist klar :) muss ich die fehlenden bauteile überbrücken oder diesen anschluß fehlen lassen ? funktioniert die schaltung mit 6 volt ? oder muss ich links im bild was ändern ? gruß
>muss ich die fehlenden bauteile überbrücken oder diesen anschluß fehlen >lassen ? Muß ein geschlossener Stromkreis zustande kommen, oder nicht?
@Lukas T.
> Dafür brauchst du einen AVR :-).
Laß doch diese unsinnigen Vorschläge! Wenn koikoi nicht mal in der Lage
ist sein Problem zu beschreiben, wie soll er dann jemals in seinem Leben
programmieren lernen.
@koikoi
Die Lösungen mit diskreten Bauelementen sind zu bevorzugen.
> Dafür brauchst du einen AVR :-). > Es geht auch anders, wird aber größer und komplizierter. Falls du es noch nicht gemerkt hast. Für den TO ist alles was mehr als 2 Widerstände beinhaltet, schon kompliziert. Ein AVR ist zwar für dich das einfachste, den TO stellt es erst mal vor unüberwindbare Hindernisse. > Wie schonmal gesagt: AVR-Tutorial lesen. Dann ist das ein Klacks. Und du sprichts ihn dann hier durch, wenn es darum geht das Programm, das du ihm geschrieben hast, in den AVR zu brennen. In eine Schaltung, die du ihm gezeichnet hast. Mit einem Brenner, denn du ihm auf seinem PC zum laufen gebracht hast.
@ physiker ich habe mein problem bereits 3 mal genannt ich habe nicht die möglichkeit zu programmieren ... ich brauche einfach eine kleine monoflopschaltung die ich an 6 volt betreibe !!! das kann doch nicht so schwer sein brauch doch nur einen schaltplan mit bauteilplan gruß
>das kann doch nicht so schwer sein >brauch doch nur einen schaltplan mit bauteilplan Dann mach es doch selber...!!!
Frank Keppers schrieb: > @ physiker > > ich habe mein problem bereits 3 mal genannt Du hast nicht dein eigentliches Problem genannt. Du hast nur immer wieder denselben Text gepostet. Und erst nach Stunden hat sich dann rausgestellt, was du wirklich brauchst. Willkommen in der Realität in der es nicht reicht, einfach nur irgendwelchen Text wieder und immer wieder zu wiederholen und andere sollen raten was du ihnen sagen willst. > das kann doch nicht so schwer sein Ist es auch nicht. Für jemanden der weiß wie es geht. Üblicherweise verdienen die meisten Leute ihren Lebensunterhalt damit, dass sie wissen wie es geht und diesen Dienst gegen Bezahlung denen anbieten, die eben nicht wissen wie es geht. Diese Leute haben beträchtliche Zeit dafür aufgewendet, zu lernen wie es geht. Und ich finde es nur fair, wenn diejenigen die sich dieses Wissen nicht angeeignet haben, diesen Leuten diesen Aufwand auch monetär vergüten. Ich finde es Spitze, wenn die Leute ihr Wissen auch unentgeltlich zur Verfügung stellen. Ich finde es aber unter aller Sau, wenn die Leute, die es nicht auf sich genommen haben, in die Thematik einzusteigen, dann auch noch ungeduldig werden und glauben sie hätten ein Recht darauf, dass ihnen unentgeltlich geholfen wird. In diesem Sinne: achte mehr auf deine Wortwahl
eine blinkschaltung habe ich ja jetzt :) diese schaltung soll die leds bei dem steuersignal zum blinken bringen was ist denn wenn ich die leds auch als beleuchtung nutzen will sprich wenn die beleuchtung ausgeschaltet ist bekommen die leds die spannung über die blinkschaltung passt ja :) nun mein problem : wenn ich das licht einschalten würde müsste die blinkschaltung die masse der beleuchtung antackten ?! wie bekomme ich das realisiert ??? vielleicht über ein reedrelais ? grüße aus der eifel frank
Komisch ... Da zeichnet man eine Schaltung, die alle seine Wünsche erfüllt und sie wird komplett ignoriert ... Ich bin raus ... Gruß Jobst
Jobst M. schrieb: > Komisch ... > > Da zeichnet man eine Schaltung, die alle seine Wünsche erfüllt und sie > wird komplett ignoriert ... Noch nicht ganz. Er braucht noch einen zusätzlichen Eingang für Dauerleuchten. Dazu ein XOR welches die beiden Signale verknüpft Dauer Blinken LED ---------------------------- 0 0 0 1 0 1 0 1 1 1 1 0 und schon leuchtet die LED, wenn Duerleuchten auf ein ist und sie blinkt, wenn der 555 loslegt (wobei sie immer blinkt, egal ob Dauerleuchten ein ist oder nicht). Ich könnt jetzt auch raussuchen, wie man mit Transistoren ein XOR baut (oder einen IC dafür raussuchen), aber ev. hast du das ja im Kopf.
bin leihe und habe nicht die möglichkeit zu programmieren all zu teuer soll die schaltung nicht werden er werden ja "nur" 4 leds geschaltet was brauche ich denn da genau ??? wie wird es denn geschaltet ? und was ist ein xor ? grüße
Frank Keppers schrieb: > und was ist ein xor ? Ein Exklusiv-Oder So was hier http://www.elektronik-kompendium.de/sites/dig/0205186.htm Ein CD4030 würde gehen. Such dir ein Gatter aus. An den einen Eingang des Gatters kommt das Einschaltsignal für Dauerleuchten, an den anderen der Ausgang vom 555. Am Ausgang des Gatters hast du dann das Signal, mit dem die die Led einschalten kannst.
so habe die schaltung am laufen ein simples reedrelais mit wechsler tut es !!!!!!!!! trotzdem danke für eure mühen und hilfe grüße frank
> so habe die schaltung am laufen
schön. MAgst du uns deinen Schaltungsentwurf vorstellen, damit wir auch
noch was lernen können?
ich werde mir morgen erst mal die teile besorgen ... wenn ich es noch schaffe diese woche werde ich es tun !!! grüße frank
Frank Keppers schrieb: > so habe die schaltung am laufen > ich werde mir morgen erst mal die teile besorgen ... Das nenne ich genial. Die Schaltung läuft mit den Teilen,die noch im Geschäft darauf warten gekauft zu werden. Gute Nacht
@ hans ihr müsst auch immer was zu nörgeln haben :( :( ich habe dich schaltung mit altem kram gestrickt möchte daher mit neuen teilen die schaltung aufbauen und in der blinkfrequenz / länge ändern wollte dann die bilder und ein schaltbild posten .... greez frank
Frank Keppers schrieb: > ich habe dich schaltung mit altem kram gestrickt > möchte daher mit neuen teilen die schaltung aufbauen macht ja nichts. Jeder von uns hat seine Bastelkiste, aus der er Kram rausholt. Man könnte sogar sagen: Kaufen kann jeder, alte Teile recryceln ist Kunst. In einer Woche kann sich keiner mehr an diesen Thread erinnern :-)
Bitte melde dich an um einen Beitrag zu schreiben. Anmeldung ist kostenlos und dauert nur eine Minute.
Bestehender Account
Schon ein Account bei Google/GoogleMail? Keine Anmeldung erforderlich!
Mit Google-Account einloggen
Mit Google-Account einloggen
Noch kein Account? Hier anmelden.






