Hallo zusammen, ist es prinzipiell möglich einen 74LS154 gegen einen 74HCT154 auszutauschen? Für den LS finde ich leider keinen Distributor mehr. Bei Farnell wird als Ersatz der HCT empfoheln. Ist hier ein bedenkenloser Austausch möglich oder muss mehr beachtet werden? Vielen Dank für Eure Hilfe, Gruss Michael
Hi wenn der Entwickler der Schaltung nicht irgendwelche üblen Sachen gemacht hat (Laufzeit der Gatter ausnutzen und ähnliches) sollte das kein Problem sein. Matthias
stimmt, normalerweise geht das, aber 2 Punkte gibts noch zu beachten: -empfohlen war es nie, gemacht wurde es trotzdem oft: nicht benötigte Eingänge einfach offen zu lassen. Bei Standard-TTL/LS funktionierte das auch, der Eingang gilt als H. Bei den CMOS-Teilen geht das nicht, da müssen unbenutzte Eingänge immer angeschlossen sein -direkt damit im Zusammenhang: dieselbe Unart ist mir schon mehrfach bei Schaltungen mit OC-Ausgängen untergekommen, mehrere Ausgänge zusammen auf einen Eingang - der pull-up aber fehlte. Aber prinzipiell funktioniert es ohne Probleme.
Danke für Eure Hinweise. Es geht also, wenn Die freien Eingänge des HCT auf +5V gelegt werden? Gruss Michael
Hi wenn der Schaltungsentwickler keine unsauberen Dinge gemacht hat geht es auch ohne irgendwelche Änderungen. Aber ohne Schaltplan können wir nur raten. Matthias
Der entscheidende Teil ist im angehängten Bild zu sehen. Ist eigentlich nichts. Angesteuert wird der 74LS154 extern von einer DAQ-Karte von National Instruments. Die 7407 treiben Relais. Versorgung über eine stabiliesierte 5V. Danke, Gruss Michael
Ok, der Plan ist unter aller sau, aber mehr gibt es hier im Augenblick nicht.
Hallo, über die Eingänge des 74LS154 sagt das SChaltbild aber leider nichts aus. Gruß
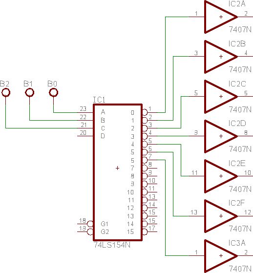
Hallo zusammen, vielen Dank für Eure Rückmeldungen. Ok, die erste Grafik war wirklich etwas nichtsaussagend. Ich habe das Ganze jetzt mal in Eagle umgesetzt, die Bezeichnungen entsprechen denen des Datenblattes. B0, B1 und B2 sind Eingägne auf denen digitale Kanäle der National Instruments DAQ-Karte liegen. Laut Datenblatt sind A, B, C, D sowie G1 und G2 Eingänge. Der Rest sind Ausgänge. Laut obiger Aussage müssten also bei einer Umsetzung mit einem 74HCT154 die offenen Eingänge auf 5V gelegt werden? Wenn D, G1 und G2 aber auf 5V gelegt werden wird allerdings das Ausgangsmuster verändert. Besteht hier ein Missverständnis meinerseits? Danke für Eure Hilfe, Gruss Michael
> Laut obiger Aussage müssten also bei einer Umsetzung mit > einem 74HCT154 die offenen Eingänge auf 5V gelegt werden? Nein. Die Eingänge dürfen nur nicht offen sein. Sie müssen ein definiertes Potential besitzen. Du kannst sie genausogut auf GND legen, falls sich bei 5V das Ausgangsmuster verändert.
Bitte melde dich an um einen Beitrag zu schreiben. Anmeldung ist kostenlos und dauert nur eine Minute.
Bestehender Account
Schon ein Account bei Google/GoogleMail? Keine Anmeldung erforderlich!
Mit Google-Account einloggen
Mit Google-Account einloggen
Noch kein Account? Hier anmelden.

