Hallo, ich verwende folgen Code aus dem Forum: http://www.mikrocontroller.net/attachment/22910/FreqCount.c Das ganze läuft aktuell auf einen Atmega16 bzw. vorher auf einen Atmega8. Beide male, ob offener Aufbau oder sauber geätzte Platine, zeigt das Display eine Frequenz von rund 50Hz an (genau sind es 49,3XX, die letzen XX schwanken). Problem ist das kein Eingang am ICP liegt, also keine Frequenz. Auch wenn ich eine Frequenz anlege zeigt er nicht die richtigen Werte an. An was könnte das ganze liegen, hat jemand ne Idee? Danke schon mal!
Der "Eingang am ICP" fängt sich über eine Antenne die Netzfrequenz ein. Die Antenne beginnt an der Leiterbahn/Steckkontakt/Draht am ICP Pin. 50 Hz müsste man mit einem Tiefpassfilter rausbekommen, wenn das bei deinen Wunschmessfrequenzen (welche?) eine Option ist.
Frequenzen liegen zwischen 0 - 60Hz Wer noch Details wissen will bitte konkret fragen
hau dir direkt vor den pin vom avr nen schmitt-trigger und davor nen optokoppler. pullups mögichst klein halten...
Würde das auch Software mässig irgendwie funktionieren Problem ist das die Schaltung schon geätzt ist und veränderungen nur noch sehr bedingt möglich sind.
Tja. So ist das nun mal. Leiterbahnen mit dem Messer durchtrennen, Bauteile im Nachhinein reinflicken, mit Drahtresten Bahnen umlenken. Ziemlich normal bei der ersten Platine, wenn man nicht zuvor auf dem Steckbrett die Schaltung ausprobiert hat.
Wenn Du die Platine nach dem von Dir geposteten Schaltungsteil erstellt hast, könnte es gut sein, dass die eine oder andere Verbindung (=Leiterbahn) fehlt. Otto
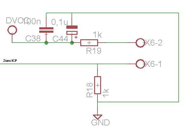
Ja habs zwar vorher ausprobiert hab aber das Problem auf den offenen Aufbau geschoben und gehofft das sich das Prob bei der geätzten Platine erübrigt. Werd das ganze vorher nach ans "Endgerät" ranhängen. Am Eingang (Also X6) hängt nämlich bereits ein Optokoppler und das Signal schaut laut Oszi eigentlich super aus, "idealer" Rechteck halt.
Hast Du mal den "Design rule check" (DRC) laufen lassen ? Bei einigen Leitungen fehlen die Junctions (Punkte), bei anderen scheinen nur die Bauteile eine Verbindung vorzutäuschen.
1. wie bereits oben geschrieben, schliesse den Eingang mal gegen GND kurz 2. Wie sieht denn Deine Spannungsversorgung aus ?
Bitte melde dich an um einen Beitrag zu schreiben. Anmeldung ist kostenlos und dauert nur eine Minute.
Bestehender Account
Schon ein Account bei Google/GoogleMail? Keine Anmeldung erforderlich!
Mit Google-Account einloggen
Mit Google-Account einloggen
Noch kein Account? Hier anmelden.
