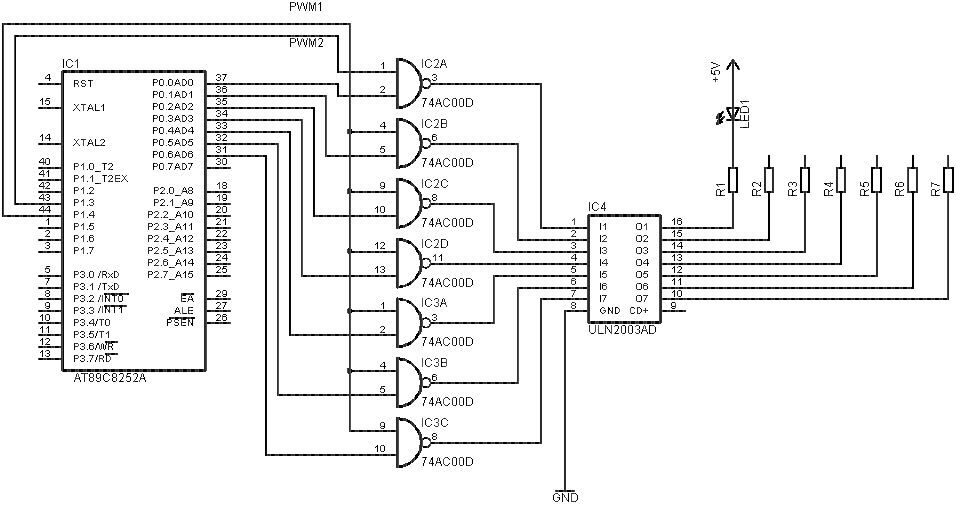
Hallo, ich möchte gerne 8 LEDs ansteuern die durch PWM von einem Mikrocontroller in der Helligkeit gedimmt werden können. Ein BCD-7-Segment Decoder zu nehmen fällt raus, da ich jede LED einzeln ansteuern will. Bei der Suche im Forum hier gabs als Tipp nur welche mit I2C-Bus das ich aber nicht so gerne machen möchte. Vor allem weil die ICs auch nicht immer so einfach zu beschaffen sind. Meine Lösung die ich jetzt habe, hab ich mal angehängt. Nur sind mir 3 ICs zu viel dafür, da die ganze Platine möglichst klein werden soll (SMD). Weiß jemand vielleicht ein IC das die Funktionen die meine 3 ICs zusammen haben in einem intergrieren? Danke, Thomas
Maxim MAX7219 CNG, gibts bei reichelt,- und du kannst bis zu 64 LED´s mit steuern. Ansteuerung über SPI greetz black
Der ist schon nicht schlecht, aber leider auch recht teuer :-( Und eine parallele Ansteuerung würde ich ja schon vorziehen, sind ja nur 8 LEDs. Mir schwebt halt so ein Baustein mit 8 Ein/Ausgängen vor der noch einen Pin hat mit dem man die PWM realisieren kann. So in der Art wie ein L293-Treiber... Oder gibts da wirklich nix.
Hallo, was spricht dagegen, die 8 Portpins direkt per Software-PWM zu schalten?
Software-PWM ist schlecht, da ich einen Timer zur Zeitmessung verwende und ein anderer mir eine Blinkfrequenz erzeugt. Dann bleibt nur noch ein Timer über und der erzeugt bei mir die Baudrate für die serielle Schnittstelle. Eventuell könnte man das über einen PCA-Interrupt noch lösen, aber ich glaube dann kommt mein Programm aus den Interrupts gar nicht mehr raus.
Hmm. So aufwändig ists aber nicht, deswegen trotzdem die Überlegung, ob man nicht einen vorhandenen Timer mit dazu verwenden kann. So viele Instruktionen musst du nicht ausführen, wenn der µC also noch etwas Luft hat gänge es. Beispiel: Den Timer für die Blinkfrequenz um 256 schneller machen und ein Register incrementieren. Damit hast du bei dem Überlauf dieses Registers schon mal wieder denselben Takt für diesen Blinker. Mit dem jetzt schnelleren Timer kannst du dann quasi nebenbei die Portpins der LED pwm'en...
Hallo! Als erstes würde ich dir als LED-Treiber den ULN2803 empfehlen, da er 8 Treiber hat. Was spräche denn dagegen einen PNP-Transistor vor die LEDs in die Versorgungsspannung zu hängen und diesem dann die PWM zu verpassen. Eine Pegelanpassung wäre da nicht mal notwendig, da du ja auch die LEDs mit 5V betreibst. Die LED, die du mit einer eigenen PWM versorgst, könntest du auch über einen eignen Transistor betreiben, und dann die PWM ausschalten, wenn die LED dunkel bleiben soll. Gruß Rahul
Bitte melde dich an um einen Beitrag zu schreiben. Anmeldung ist kostenlos und dauert nur eine Minute.
Bestehender Account
Schon ein Account bei Google/GoogleMail? Keine Anmeldung erforderlich!
Mit Google-Account einloggen
Mit Google-Account einloggen
Noch kein Account? Hier anmelden.
