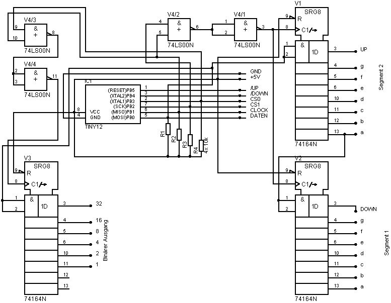
Ich finde meine Disk nicht mehr wo der drauf war . Hat da jemand was passendes . Mit UP kann man von 1 bis 64 hochzählen Mit DOWN kann man von 64 bis 1 runterzählen. Das soll beim V3 binär ausgegeben und bei V1 und V2 in Dezimalzahlen ausgegeben werden. Zusätzlich noch 2 LEDs die Anzeigen ob es abwärts oder Aufwärts geht. Die Anzeigen haben eine gemeinsame Kathode. Die Frequenz von CLOCK sollte nicht höher als 1kHz sein. Wäre mein 1. ATTiny-Projekt
Äm, Äh, Ph, Wie wäre es mit einem etwas größeren Controller, dann kannst du dir die vielen zusätzlichen Bauteile sparen.
Ich habe hier vor, etwas mit dem 74HC164 zu bauen. Früher habe ich damit Lauflichter gebaut, aber das wurde mit der Zeit langweilig. Jetzt hab ich einen ATTiny12 und dachte mir, ich könnte damit mal 74HC164er ansteuern.
>Ich finde meine Disk nicht mehr wo der drauf war . >Hat da jemand was passendes . Worauf beziehst du diese Aussage. Hattest du dafür schon mal einen Quellcode gehabt?
Ja hatte ich mal. Die Files hatte ich aus dem Internet. War in einem µC-Forum zu finden. Weiß allerdings nicht mehr welches es war. Ich hab schon den ganzen Google abgefragt und nichts gefunden.
Wenn Du kein STK500 hast, solltest Du nicht den Resetpin verwenden. Schalte einfach alle 3 Register hintereinander und lasse den 74LS00 weg. Für Up und Down, nimm die Interrupt-Inputs (INT0, T0), dann kann man Zählen und Anzeigen getrennt machen (maximale Zählrate etwa 50kHz). Soll der Zähler bei 64 stehenbleiben ? Du willst also, daß jemand für Dich das Programm schreibt ? Peter
Na dann hast du die Schaltung auch irgendwo abgekupfert. Junge, hab keine Hämmungen schreib dein eigenes Programm. Beginn mit kleinen Schritten. Beginn damit den Tasterwert auf einen anderen Port zu übertragen. Lass dein Taktsignal Toggeln. usw. Rom wurde auch nicht an einem Tag erbaut.
So etwas in etwa? '002.BAS: Auf Tastendruck LED einschalten 'Hardware: Taster an PD2, LED an PD3 '--------------------------------------------------- $Regfile = "2313def.dat" 'AT90S2313-Deklarationen $Crystal = 3686400 'Quarz: 3.6864 MHz DDRD = &B0001000 'Pin PD3 Ausgang, Rest Eingang 'PORTD = &B0000100 'PullUp von Pin PD2 aktivieren Do If PIND.2 = 0 Then 'Wenn Taster (Pin PD2) gedrückt PORTD.3 = 1 'Rote LED (Pin PD3) an Else 'Wenn Taster nicht gedrückt PORTD.3 = 0 'Rote LED aus End If Loop End
Oder sowas? http://www.mikrocontroller.net/attachment.php/115916/blink00.asm Musst du aber noch etwas abändern...
Nun bei Controlern steh ich mehr auf Assembler. Aber im Prinzip wär das schon mal ein Anfang.
Hab ein bisschen in den Bascon-Datein gestöbert und folgendes gefunden: Dim L As Long Clock Alias Portb.0 Output Alias Portb.1 Sin Alias Pinb.2 'watch the PIN instead of PORT 'shiftout pinout,pinclock, var,parameter [,bits , delay] ' value for parameter : ' 0 - MSB first ,clock low ' 1 - MSB first,clock high ' 2 - LSB first,clock low ' 3 - LSB first,clock high 'The bits is a new option to indicate the number of bits to shift out 'For a byte you should specify 1-8 , for an integer 1-16 and for a long 1-32 'The delay is an optional delay is uS and when used, the bits parameter must 'be specified too! 'Now shift out 9 most significant bits of the LONG variable L Shiftout Output , Clock , L , 0 , 9 'shiftin pinin,pinclock,var,parameter [,bits ,delay] ' 0 - MSB first ,clock low (4) ' 1 - MSB first,clock high (5) ' 2 - LSB first,clock low (6) ' 3 - LSB first,clock high (7) 'To use an external clock, add 4 to the parameter 'The shiftin also has a new optional parameter to specify the number of bits 'The bits is a new option to indicate the number of bits to shift out 'For a byte you should specify 1-8 , for an integer 1-16 and for a long 1-32 'The delay is an optional delay is uS and when used, the bits parameter must 'be specified too! 'Shift in 9 bits into a long Shiftin Sin , Clock , L , 0 , 9 'use shift to shift the bits to the right place in the long Shift L , Right , 23 End Kann man das für meine Zwecke verwenden?
Klingt gut, aber ich kenne mich mit Bascon nicht aus. Kontroller programmier ich nur in Assembler, da weiß ich was ich tue.
Hi... @Christof: Ist doch Assembler. Und ist total überkommentiert, da dieser Code für einen Einsteiger geschrieben wurde. Das Projekt zu diesem Code ist zwar Unfug, aber ein Anfänger kann dem Code allerhand Tips zum Überwinden entnehmen. Das Projekt gibt es hier: http://www.mikrocontroller.net/forum/read-1-113815.html @A.F.: Achja, BASIC wird dir bei ramlosen AVRs keine große Hilfe sein. Es ist schade um die Einarbeitungszeit, nimm also besser gleich das AVR-Studio und Assembler... Gruß... ...HanneS...
@...HanneS... Siehst du, darum habe ich mich garnicht gekümmer, so entstehen Wissenslücken durch gute Vorkenntnisse und Erfahrungen ;-)
Bitte melde dich an um einen Beitrag zu schreiben. Anmeldung ist kostenlos und dauert nur eine Minute.
Bestehender Account
Schon ein Account bei Google/GoogleMail? Keine Anmeldung erforderlich!
Mit Google-Account einloggen
Mit Google-Account einloggen
Noch kein Account? Hier anmelden.
