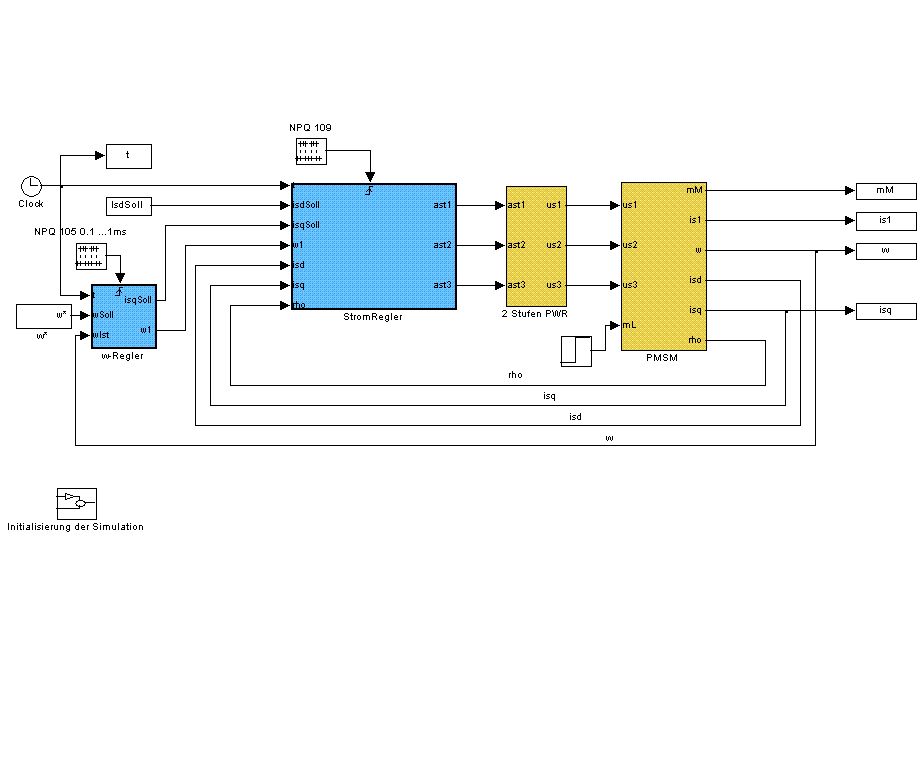
Hi Zusammen, Ich versuche mich mal mit dem MicroController MPC555 und autogenerieter C Code(unter Matlab RTW Embedded Code) einen Permanent Magnet Synchron Motor(PMSM) zu regeln. Das ist Kaskade Regelung mit PI fuer Geschwindigkeit und fuer Stromregelung. Diese zwei Regelkreise haben unterschiedliche Abtastzeiten. Ich weisse nicht wie ich unter Matlab diese zwei Taske realisieren kann. In Simulink geht es einfach mit 2 Bloecke Pulse Generator. (sieh Bild) Meine Frage : Kann ich so fuer Embedded Code umsetzen ? Wie kann ich synchronisieren zwischen ADC und PWM ? Danke schoen im Voraus. Thanh
Bitte melde dich an um einen Beitrag zu schreiben. Anmeldung ist kostenlos und dauert nur eine Minute.
Bestehender Account
Schon ein Account bei Google/GoogleMail? Keine Anmeldung erforderlich!
Mit Google-Account einloggen
Mit Google-Account einloggen
Noch kein Account? Hier anmelden.
