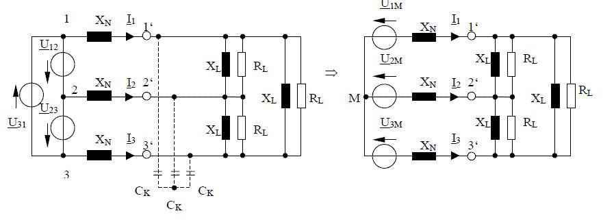
Hallo, Ich weiß nicht in welches Forum soetwas passt. Ich versuch es mal hier. Sonst sagt mir wo ich sowas hinposten kann. Ich bin am Klausurenüben. Bei dieser Aufgabe ist U_12 = 400 V, U_23 = a² U und U_31 = a U, die Netzfrequenz beträgt 50 Hz. X_N = 1 Ohm, R_L = 10/3 Ohm, X_L = 5/2 Ohm. Es soll nun die last rechts der Punkte 1`, 2`und 3`mit einer Kondensatorschaltung - siehe Bild - auf cos phi = 0,9 kompensiert werden. Wie groß muss C_K sein? Antwort: 5,2 m F oder 2,43 mF Ich komme auf diese Werte nicht. Ich habe nun zunächst R_L und X_L zu Z_L zusammengefasst. Dann habe ich weiter die Kondensatoren (Stern) in Dreieck gewandelt. (=>Faktor 3 da symmetrisch). Nun liegen ja pro Phase immer Z_L und C_K parallel. Ich kann also sagen: Z_Strang = 1/ (1/Z_L + 1/-jX_C) Ich weiß hier nicht weiter. Hat wer nen Ansatz den ich weiter verfolgen kann, oder ne Seite die sollche Sachen gut erklärt? Danke
Hallo, wenn Du alles auf Sternschaltung umrechnest (Quelle und Verbraucher), dann sind die Impedanzen der Quelle und des Verbrauchers einfache Reihenschaltungen und die Kompensation muss einfach diesen entgegenwirken bzw. auf den soll-cos-fi. Das funktioniert, da alles symetrisch ist. Jürgen
Okay. Kannst du mir verraten, wieso das C mit dem Z_L dann in Reihe liegt? Gruß Timo
> ... > dann sind die Impedanzen der Quelle und des Verbrauchers einfache > Reihenschaltungen Die L´s von Quelle (XN) und Verbraucher (XL) liegen nach der Y-D-Transformation in Reihe. Das CK der Kompensation ist dazu parallel; dass die Kompensation zwischen den beiden L´s angreift spielt beim Gesamt cos fi keine Rolle. Jürgen
Hallo, Vielen Dank für die Antworten. So seh ich dass auch. Ich habe R_L und X_L in Reihe und dazu parallel den Kondensator C_K. Ich setze nun an: 1/ (R_L+ jX_L) + 1/(1/(jX_C)) = Z_neu Wie bekomme ich es hin, dass da cos ( ..) = 0,9 = .. etwas steht?
Hallo, das j in deinen Darstellung zeigt mir, dass Du mit komplexer Rechnung vertraut bist. Wie Berechnet man den Phasenverschiebungswinkel? tan fi = Im(Z) / Re(Z) ! Jetzt ist nur noch die Herausforderung, den cos fi in einen tan fi umzurechnen ... J. P.S. die Kehrwerte in deiner Gleichung würde ich mir auch noch mal anschauen ...
Also: cos 0,9 = 25,84 ° => tan 25,84 ° = 0,48 0,48 = Z_L vor der Dreieck Stern Wandlung: 1/ R_L + 1/ jX_L = 1/Z_L => Z_L = (1,2 + j 1,6)Ohm C_K nach Stern Dreieck Wandlung: X_C_K_Stern = 3 X_C_K => nun liegen Z_L und X_C_K parallel => 1/ Z_L + 1 / X_C = (0,3 - j 0,4j)S + 3/jwC_K => tan 25,84° = 0,48 = [-0,4S -3/(wC_K)]/ 0,3 => ( 0,48 * 0,3 ) + 0,4S = -3/(wC_K) => 1/(( 0,48 * 0,3 ) + 0,4S) = -(wC_K)/3 => -(1/(( 0,48 * 0,3 ) + 0,4S))*3 = wC_K => (-(1/(( 0,48 * 0,3 ) + 0,4S))*3)/w = C_K => C_K = - 0,01755 = - 17,55 mF Im Ergebnis steht aber C_K = 5,2 mF bzw 2,4 mF, außerdem ist in meinem Fall nun die Kapazität negativ. Was läuft falsch? Kann wer mal nachrechnen? danke
Hat keiner ne Idee was hier falsch ist? Würd das echt gern verstehen, damit ich weiter komme. Gruß
Okay. Kommm hier so net weiter. Wer ma über die Leistungen gehen. Achja WIESO kommen die in der Lösung auf ZWEI verschiedene Möglichkeiten für die Kapazität?
Bitte melde dich an um einen Beitrag zu schreiben. Anmeldung ist kostenlos und dauert nur eine Minute.
Bestehender Account
Schon ein Account bei Google/GoogleMail? Keine Anmeldung erforderlich!
Mit Google-Account einloggen
Mit Google-Account einloggen
Noch kein Account? Hier anmelden.
