Hallo zusammen, habe das Ethernet AVR Board EtherCircuit, wollte es jetzt mal endlich mal laufen lassen. Gibt es eine Paket welche ich direkt auf dem ATMEGA32 packen kann. Ich möchte erstmal die ersten Erfeloge sehen, dann kan man ja selber mehr und mehr die Anpassungen machen. Super wäre es in Bascom, damit kenne ich mich schon ganz gut aus. Grüße Chris
Ich kenne besagtes Brett nicht und Tante Gugl spuckt auch nicht viel dazu aus - sieht aus wie m664 (bei dir ein m32?) mit ENC28J60. Unterstützung für letzteren gibts reichlich, z.B. bei Ethersex [1]. Vielleicht kannst Du selbiges für Dein Brett adaptieren? HTH und HF [1] http://www.ethersex.de/
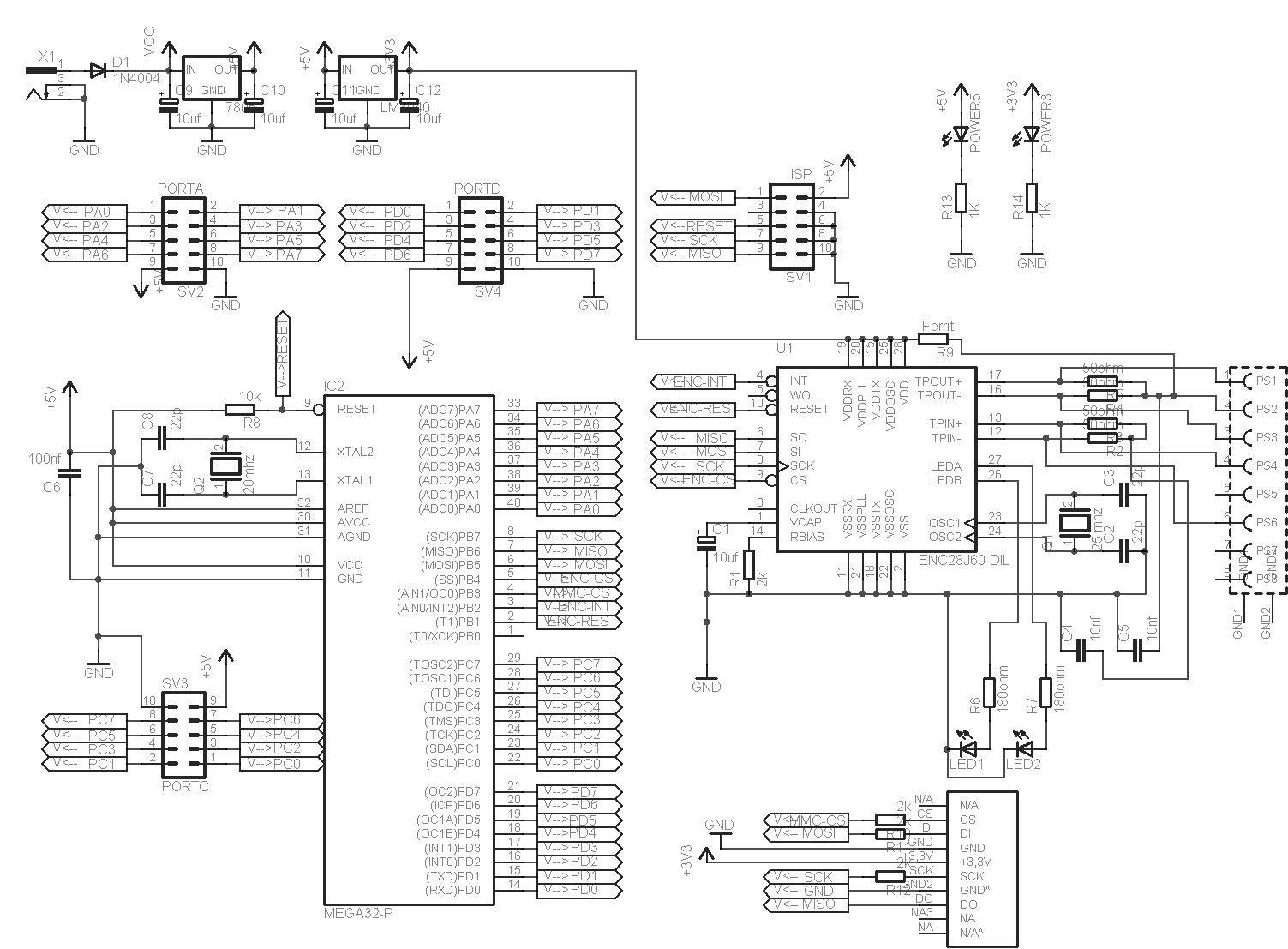
Danke, leider hatte ich auch nichts gefunden, Soft-Laden.de ist ja fast komplett down, ich habe noch das hier gefunden http://sourceforge.net/projects/ethercircuit/, aber als Anfänger habe ich da nicht den Durchblick. Hier noch der Schaltplan. Chris
Sachichdoch, m32 mit ENC28J60 - nochdazu am SPI :-) Das sollte sich mit dem Ethersex in Betrieb nehmen lassen. Das ist zwar nicht in Bascom, aber wenn schon dann gleich richtig ;-) Schau dich mal auf deren Seite um ('Erste Schritte' auf der Startseite). Der 'Kern' als solcher mit Anbindung ans Ethernet sollte mehr oder weniger out-of-the-box funktionieren, für IOs musst Du möglicherweise das Pinning anpassen - aber erst mal eins nach dem anderen. Viel Erfolg!
Vielen Dank, dann lese ich mich ein, wen ich Fragen habe melde ich mich wieder. Chris
Nachtrag: Beim AVR-NET-IO (Pollin, läuft hier mit Ethersex), beim Etherrape (Neumann) und beim AVR-Webmodul (Radig) hat der ENC28J60 den Reset per Pullup fest auf 3V3 gezogen. Beim EtherCircuit dagegen hängt der am PORTB1. D.h. auf den ersten schnellen Blick musst Du entweder den Code adäquat anpassen (internen Pullup einschalten [2]) oder extern einen ebensolchen dazustecken und dafür sorgen, dass der entsprechende Port-Pin nicht versehentlich auf Ausgang/low gesetzt wird. Das restliche Pinout des Netzwerkchips sieht beim Ethercircuit genauso aus wie beim AVR-NET-IO von Pollin, d.h. Du kannst dessen Pinning als Ausgangspunkt nehmen. Viel Spaß beim Basteln! [2] hardware/ethernet/enc28j60.c :: void init_enc28j60() sieht gut aus
Habe ich heute gemacht alles verglichen und den Pin10 einfach wie bei Pollin mit 3,3 Kohm auf 3,3 Volt gepackt. Leider passiert garnichts. Den AVR kann ich programmieren, stecke ich das Board aber an den Switch leuchtet keiner der beiden Lämpchen. Leuchtet eigentlicht die Linklampe auch ohne AVR, so das ich wenigstens weiß ob der ENC wenigstens geht ? Chris
Hallo, ich nochmal. Ich habe jetzt mal bei den Pollin Board den AVR rausgenommen, und es leuchten trotzdem die Netzwerklampen. Bei dem Ethercircuit passiert hingegen nichts. Habe heute den ENC mal gewechselt, selbes Ergebnis. SO nun gehts auf Fehlersuche, gibt es bei dem ENC typische Fehler welche man zuerst Chekcen sollte ? Chris
Hallo, fehler gefunden, es lag an den 25 Mhz Quarz, dieser hat nur ca. 8 Mhz geliefert. Ein anderer kleiner Quarz funktioniert. Ich habe 5 große Quarze mit 25 Mhz aufdruck probiert. Leider kommen da immer 8 Mhz raus. Hat jemand eine erklärung ? Chris
Ja, das sind Quarze die auf dem 3. Oberton schwingen. Da braucht man eine andere Oszillatorschaltung für. Der ENC28J60 kann aber nur Grundtonquarze (Die ganz normalen).
Bitte melde dich an um einen Beitrag zu schreiben. Anmeldung ist kostenlos und dauert nur eine Minute.
Bestehender Account
Schon ein Account bei Google/GoogleMail? Keine Anmeldung erforderlich!
Mit Google-Account einloggen
Mit Google-Account einloggen
Noch kein Account? Hier anmelden.
