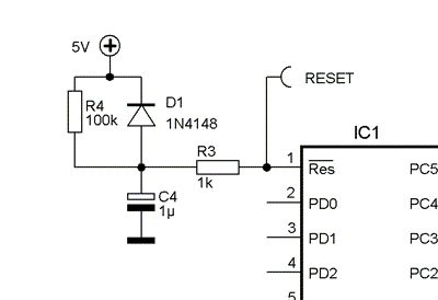
Ich komm einfach nicht drauf, die es durch Diode zu einem Auto-Reset-on-Power-Down kommen kann. (Diese Funktion ist sehr wichtig, da der AVR eine Brückschaltung eines Fahrtreglers steuern soll, bei der undefinierte Zustände der Transistoren den sicheren Tod bedeuten würde ) Kann mir das (mit der Diode) jemand erklären? Wie zuverlässig ist die Schaltung (sollte ich vielleicht lieber eines dieser fertigen ICs nehmen) ?
Die Diode bewirkt eine schnellere Entladung des C bei Wegfall der Versorgungsspannung. D.h. der µC geht schneller in Reset.
"bei der undefinierte Zustände der Transistoren den sicheren Tod bedeuten würde " Dann benötigst Du unbedingt eine Unterspannungserkennung, d.h. Reset-IC oder internes Brown-Out-Reset. Und vergiß nicht, wärend Reset sind alle Pins hochohmig ! D.h. Du must Ziehwiderstände anschließen, die alle angeschlossenen Verbraucher in den sicheren Zustand ziehen. Peter
Das bedeutet also dass ich vergeblich nach einer "Auto-Reset-on-Power-Down" suchen kann... Reicht denn die interne Power-on Reset Funktion des AVR(AT90S2313) aus? Laut dem Datenblatt liegt die entsprechende Spannung Vpot bei 1,4V, was ja bereits deutlich unter der angebenden Betriebsspannung von 4V liegt.
Hallo Julius Krebs, ich habe noch von früher in Erinnerung, dass man nicht unbedingt auf den Spannungswatchdog der "älteren" AVRs vertrauen sollte. Da konnte es schon mal vorkommen, dass eine instabile Betriebsspannung dazu führte, dass der FLASH gelöscht wurde. Das ist bei den "neueren" AVRs angeblich behoben. Ich verwende immer einen MC33164. Den gibt es als TO92 oder auch als SO8 Gehäuse. Denke auch immer daran, wie Peter Dannegger schon gesagt hat, die Gates/Basen(?) der H-Bridge-Transistoren mit einem Pull-Up/Down Widerstand zu versehen, damit diese in einen "sicheren, stromlosen" Zustand gezogen werden, wenn der 2313 noch nicht initialisiert ist. Gruß, Jürgen.
Den MC33164 hatte ich auch schon in Betracht gezogen. Leider ist das gute Stück weder bei Reichelt noch bei Conrad erhältlich. Das ich Pulldown-Widerstände benutzen muss ist klar. Sonst bringt ja die ganze Resetlogik nichts.
Ist euch das ganze einfach zu trivial, oder warum krieg ich keine weiteren Tipps?
Es gibt nur die Möglichkeit: zusätzlicher Reset-IC, mit dem internen Reset zufrieden sein oder selbst eine aktive Power-Down-Schaltung bauen. Ist nicht trivial.
Ich habe mir mal den TL7705 genauer angekuckt. Leider musste ich feststellen, dass es mit dem IC allein nicht getan ist, es müssen nämlich noch diverse passive Bauteile angeschlossen werden. Irgendwo muss es diesen MC33164 im SO3-Gehäuse geben... Oder meint ihr, dass ich mich bei einem aktuellem 2313 auf den internen Reset verlassen kann? Dazu noch mal die Frage: Reicht denn die interne Power-on Reset Funktion des AVR(AT90S2313) aus? Laut dem Datenblatt liegt die entsprechende Spannung Vpot bei 1,4V, was ja bereits deutlich unter der angebenden Betriebsspannung von 4V liegt.
vergiss es, dass wird mit den alten AVRs nichts. Ansonsten kann ich dir nur raten, die Brückenschaltung per Hardware zu verriegeln, egal, was auch immer der MC liefert, es darf nicht möglich sein, beide Brückenzweige anzusteuern. Unabhängig vom Reset: MCs können auch einfach mal so abschmieren. Ehe das ein watchdog merkt (falls vorhanden und korrekt getriggert) sind deine Endstufen schon im Himmel
Bitte melde dich an um einen Beitrag zu schreiben. Anmeldung ist kostenlos und dauert nur eine Minute.
Bestehender Account
Schon ein Account bei Google/GoogleMail? Keine Anmeldung erforderlich!
Mit Google-Account einloggen
Mit Google-Account einloggen
Noch kein Account? Hier anmelden.
