Hallo zusammen, ich hab ein kleines Problem. Ich habe ein VU-Meter mit 10 LEDs zusammengelötet mit einem 3915-IC. Das Problem ist, dass ich mit den beiden Widerständen an PIN 7 und 8 die Referenzspannung einstellen müsste, aber ich schaffs nicht, habe auch schon Trimmpotis anstelle der Widerstände probiert, aber so komme ich nicht weiter. Problem ist momentan mit dieser Schaltung, dass nur die ersten 4 oder 5 LEDs angehen, die restlichen 5 bleiben dunkel. Funktionieren tun diese aber, wenn man den Audiostecker abzieht, leuchten alle 10. Die Frage wäre nun, was ich ändern muss, damit mein VU-Meter auf Soundkarten-Pegel geeicht ist? Ich glaube das wären 0,7 V pp, oder so... Einen Vorverstärker einbauen ist ja glaube ich auch nicht Sinn der Sache oder? PS: Was mir noch auffällt ist, dass ich zwar mit dem ändern der Widerstandswerte einstellen kann, dass alle 10 LEDs angesteuert werden, aber dann wird der ganze Balken dermaßen dunkel, dass man kaum noch was sieht... Danke Christian
Wandle die Eingangsspannung in eine Gleichspannung um (ist nun mal so üblich und erforderlich). Wenn Du das mit OPV machst, verpasse ihm eine einstellbare Verstärkung, um den vollen Anzeigeumfang auszunutzen..
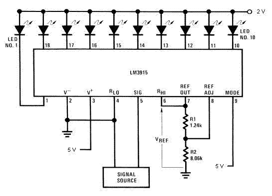
0,7Vpp ist nicht viel, wenn die interne Gleichrichterdiode benutzt wird. Im Datenblatt stehen noch ein paar Vorschläge, wie der Detektor verbessert werden kann. http://www.national.com/ds/LM/LM3915.pdf Die Widerstände um die Referenz herum bestimmen gleichzeitig auch die Helligkeit. Der Eingangspegel für "alle LED an" sollte bei der gezeigten Schaltung gleich der Referenz von 1,2V liegen.
Aha ok ich habe es schon fast vermutet dass ich einen OPV brauche. Kann mir jemand einen Tipp geben welchen IC ich da nehmen soll? Damit ich nicht extra einen bauen muss, danke ;-) Christian
Schau in Deine Bastelkiste was Du da hast. TL08x z.B.
>PS: Was mir noch auffällt ist, dass ich zwar mit dem ändern der >Widerstandswerte einstellen kann, dass alle 10 LEDs angesteuert werden, >aber dann wird der ganze Balken dermaßen dunkel, dass man kaum noch was >sieht... Schick mal nen Schaltplan. Da stimmt was mit deiner Spannungsversorgung nicht.
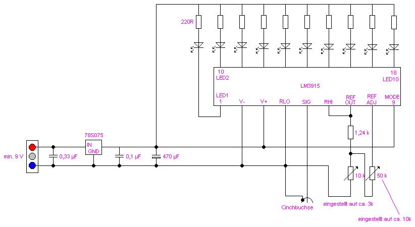
Hallo, hab mal einen Schaltplan drangehängt, wie die Schaltung grade im Moment aussieht...
Die Widerstände in der LED-Leitung sind laut Datenblatt unnötig, das sind schon einstellbare Stromquellen-Ausgänge.
Der 470u Elko ist falsch rum. Die Widerstände für die LEDs brauchst du bei diesem IC nicht. Kommen die 9V aus einer 9V Blockbatterie?
Die Potis sind falsch verschaltet. Schau noch mal ins Datenblatt.
Hallo, danke für die Nachrichten... Doch mehr Fehler als gedacht ;-) Also die Stromquelle ist ein Netzteil von irgendeinem Gerät, das 15 Volt Gleichspannung an den Spannungsregler liefert. Der Elko ist auf der Platine richtig, nur im Schaltplan ist er falsch eingezeichnet. Hab nochmal nachgesehen. Das mit den Potis ist richtig, die stimmen nicht... In dieser Version könnte man drehen wie man will und es würde sich nix ändern ;-))) Ich werds auf alle fälle mal mit einem OP versuchen. Ich hab grade vorher über ein Poti eine Batterie an den Cinch-Eingang gehängt, da gehen die LEDs schön sauber auf und ab, wenn man die Signalspannung mit dem Poti reguliert. Maximalausschlag war etwa bei 6,3 Volt. Also gehts ohne OP nicht so wie das aussieht... Wenn der OP dranhängt, versuchs ich nochmal und werd mich nochmal melden... Vielen Dank Christian
> Das Problem ist, dass ich mit den beiden Widerständen an > PIN 7 und 8 die Referenzspannung einstellen müsste, Ne, du stellst nicht die Referenzspannung RefOut ein, die ist fest und wenn du die so weit belastet hast, daß sie einknickt, ist der IC kaputt sondern du müsstest die Spannung an Rhi einstellen, aber das geht natürlich so lange nicht, so lange RefOut und Rhi miteinander verbunden sind. Falsche Schaltung also, falsches Verständnis. Das schöne an solchen ICs ist es, daß der Hersteller ein Datenblatt geschrieben hat und du es nur mal lesen müsstest, dann fällt dir vielleicht die falsche Verbindung von RefAdj auf, und du findest 2 Gleichrichterschaltungen in Figure 2.
Bitte melde dich an um einen Beitrag zu schreiben. Anmeldung ist kostenlos und dauert nur eine Minute.
Bestehender Account
Schon ein Account bei Google/GoogleMail? Keine Anmeldung erforderlich!
Mit Google-Account einloggen
Mit Google-Account einloggen
Noch kein Account? Hier anmelden.

