Warscheinlich ist es ganz einfach,für Euch. Kurz zur Vorgeschichte der Atmega8535 war Software mäßig ausgereitzt die Software wurde größer als erwartet. Nun haben wir kurz entschlossen auf den ATmega128-16 umgestellt Neue Platine usw, waren aber der Meinung das die Grundbeschaltung Oszilatorfreqenz 3,6864 Mhz und die Programieranschlüsse , MISO, MOSI,SCK, Reset auch funkitonieren. Ebenfals mein Programieradapter mit 74HC244 leider fingen sofort die Probleme an. Es wurde der CHIP nicht erkannt meldung im PonyProg2000 "Device missing or unknown device(-24)" Zur weiteren Beschaltung siehe bitte node 128.pdf im Anhang. Wir sind warscheinlich nur Betriebsblind geworden denn bis zur Umstellung auf den Neuen CHIP lief alles. Bitte um Hilfe da wir nicht mehr weiterkommen. Auch gern unter 03371- 400 72 57 rufe sofort zurück, der Kosten wegen. Gruß Thomas u. Fred.
hast du auch genau beachtet welche anschlüssen für isp da sind? nein, es sind beim m128 nicht miso, mosi usw
jo es sind PE0, PE1 , hatte das selbe broblem vor drei tagen ... mfg Sascha
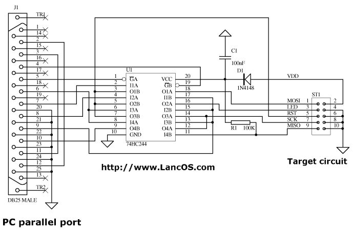
Danke Sascha, haben wir jetzt geändert,funktioniert aber immer noch nicht.Benutzen jetzt PE0 = RX als MOSI und PE1 = TX als MISO, mit den SCK und RESET, meinst Du das so. Oder brauch ich einen anderen Programieradapter. Bitte schau Dir den Anhang Schaltplan mal an. Gruß Fred.
Bitte melde dich an um einen Beitrag zu schreiben. Anmeldung ist kostenlos und dauert nur eine Minute.
  
  Bestehender Account
  
  
  
  Schon ein Account bei Google/GoogleMail? Keine Anmeldung erforderlich!
Mit Google-Account einloggen
Mit Google-Account einloggen
  Noch kein Account? Hier anmelden.

 Thread beobachten
 Thread beobachten Seitenaufteilung abschalten
 Seitenaufteilung abschalten