Hallo zusammen, momentan versuche ich gerade, mir ein Metallsuchgerät zu basteln. Die Arbeitsfrequenz der Suchspule soll bei 1 MHz liegen. Da ich mich bisher nie über 100 kHz herausgewagt habe, habe ich ein paar Probleme mit der "Hochfrequenzschaltung": Zur Frequenzerzeugung verwende ich einen fertigen Quarzoszillator (TTL - Ausgang). Mit diesem will ich über einen N-Kanal Mosfet (z.B. IRLR120N) die zu einem Schwingkreis verschaltete Suchspule (~400 uH) anregen. Für den Parallelkondensator habe ich 64 pF ausgerechnet (gewählt: 68 pF). Das eine Ende der Spule habe ich auf + 15 V gelegt und schalte - 15 V über den Mosfet auf das andere Ende der Spule. Mein 1. Problem ist nun, dass der Strom durch die Spule übelst verzackt aussieht und nur entfernt an ein Dreiecksignal erinnert. Wie kann ich das verbessern? Evtl. mit kürzeren Ansteuerpulsen? Mein zweites Problem liegt bei der Empfangsspule: Diese ist ebenfalls als Parallelschwingkreis ausgeführt und wenn ich nur das Oszilloskop daran anschließe, sehe ich auch einen halbwegs ordentlichen Sinus und kann sogar einen Schraubenschlüssel, den ich in die Nähe der Spulen bringe, "erkennen". Sobald ich den Schwingkreis aber mit meiner Auswerteschaltung belaste,bricht die Spannung zusammen. Und das, obwohl ich als erste Auswertestufe einen nichtinvertierenden Verstärker mit hohem Eingangswiderstand verwende (aufgebaut mit OPA27 von BB). Ich weiß, das war viel Text, aber hat jemand von euch eine Idee, wie ich den Aufbau verbessern kann? Viele Grüße, Holger
Hallo, Wegen dem ausgerechneten Parallelkondensator: Die Spule hat doch selbst auch eine Kapazität. Vermutlich brauchst Du keinen oder einen noch viel kleineren Kondensator im Schwingkreis. Ich würde per duchstimmbarem HF-Generator feststellen, wo die Resonanz liegt, dann stück für Stück durch Ändern des Kondensators oder Modifikation an der Spule mich an die gewünschte Resonanzfrequenz heran tasten. Außer Du verwendest einen Drehkondensator. Der Kondensator muß eine üppig gruße Bauform sein, damit er der hoen Stromstärke bei Resonanz stand hält. Wie hoch ist die Eingangs-KAPAZITÄT der Auswerteschaltung? Vielleicht viel höher als die des Tastkopfes des Oszis? Vielleiht steht dazu was im Datenblatt des supertollen Operationsverstärkers. Die 'eingangs-Kapazität verstimt auch wieder den SChwingkreis. Also besser Abstimmen, während alles angeschlossen ist. "über den Mosfet auf das andere Ende der Spule. Mein 1. Problem ist nun, dass der Strom durch die Spule übelst verzackt aussieht und nur entfernt an ein Dreiecksignal erinnert." Das liegt vermutlich daran, daß Parallelschwingkreise immer HOCHOHMIG angesteuert sein wollen. Der Mosfet steuert ihn, so lange er leitet immer sehr niederohmig an. Besser über Arbeitswiderstand und Kondensatorankopplung (einige pF). Außerdem ist im Mosfet ein Revers-Diode drin, die die Schwingung ausbremst. Das gilt alles auch uinter 100 kHz genauso. Wie sieht es mit den Verlusten in der Spule aus? Skinneffekt und so? Vielleicht hätte eine Spiule aus mehreren parallel geschalteten Windungen geringere Verluste. Da wollte mal vor Monaten jemand einen Induktions-Ofen konstruieren, der hatte da ähnliche Probleme. Vielleicht findest Du den Link noch. Gruß
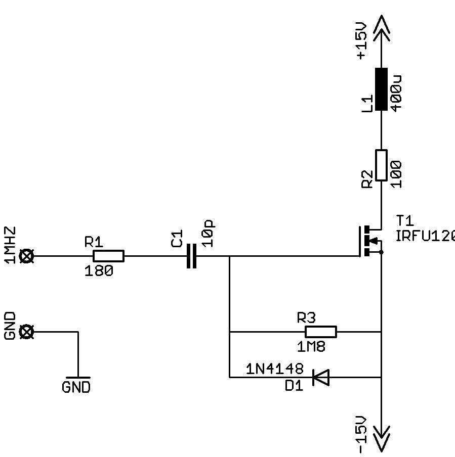
Hallo Chris, du hattest recht, ich hatte die Eigenkapazität nicht beachtet. Den Kondensator habe ich weggelassen und nun bekomme ich wenigstens eine geringe Spannungsüberhöhung. Meine Ansteuerschaltung habe ich auch etwas geändert, siehe Anhang. Mein Problem mit dieser Schaltung ist nun, dass sie zwar schnell schalten kann, mir die Diode aber einen Teil der negativen Halbwelle abschneidet. Da muß ich noch etwas ändern. Hast du da eventuell noch eine gute Idee? Ich habe auch schon einen fertigen Mosfettreiber, den ich auf einer Schrottplatine gefunden habe, ausprobiert (UCC27322), aber irgendwie kam der vermutlich mit den -15 V an Source nicht klar und hat den FET nicht richtig gesperrt. Viele Grüße, Holger
Für 1 MHz sind 400uH bereits einiges! Es wird evtl. gar nicht mehr möglich sein, durch Zuschalten eines Kondensators die Resonanzfrequenz auf 1 MHz zu bringen, weil sie durch die Kapazität der Spule bereits deutlich unter 1 MHz liegt. Mess doch mal die Resonanz vollkommen ohne zugeschaltete Kapazität. Darf ich mal raten? Ich sage 500kHz. Ich würde weniger Windungen (weniger Induktivität) verwenden, und die Spule mit einem Kondensator in Serien-Resonanz bringen, dann wird das ganze niederohmig. Die Spannungsüberhöhung wird dann groß sein, der C muss das abkönnen. Zur Empfangsspule: Poste doch mal die Schaltung bzw. Daten der Spule. Aber auch hier könnte man in Erwägung ziehen, das ganze niederohmig mit Serien-Resonanz aufzubauen. Entsprechend den OPV auch anders beschalten.
@Bernhard:
>Darf ich mal raten? Ich sage 500kHz.
Nicht einmal, die Resonanzfrequenz ohne Kondensator liegt bei 900 kHz.
Ich werde 'mal ein paar Lagen von der Spule abwickeln und nachsehen,
wo ich dann liege. Nach welchen Kriterien müsste ich denn den
Serienresonanzkreis dimensionieren?
Die Empfängerspule habe ich momentan komplett abgewickelt und bin
gerade am 'rumrechnen, wie ich sie neu dimensioniere (über
Gegeninduktivität)
Ich hab da mal zwei Fragen. Ich dachte bisher eigentlich das es genaus zwei Prinzipien fuer Metallsuchgeraete gibt. Einmal koennte man einen fetten Impuls auf eine Spule geben und danach schauen ob ein Echo zurueckkommt. Dann koennte die Spule selbst ein Frequenzbestimmendes Bauteil sein welches durch Anwesenheit von Metall verstimmt wird. In letzerem Fall leuchtet mir nicht ein wieso du ihr mit einem Quarzoszillator eine bestimmte Frequenz aufzwingen willst. Gibt es noch ein weiteres Arbeitsprinzip das mit nicht bekannt ist? Ausserdem dachte ich Erde besteht ueberwiegend aus Wasser. Und da waere eine sehr hohe Arbeitsfrequenz doch sehr schlecht weil die stark bedaempft wird. Oder soll das nur im Wuestensand funktionieren? Olaf
@Olaf: Es hängt davon ab, was man suchen will. Will man in großen Tiefen suchen, ist eine tiefere Frequenz (oder gleich Magnetometer) empfehlenswert. Will man jedoch kleine Teile nahe an der Oberfläche suchen (+ Metallunterscheidung) kann man mit der Frequenz hochgehen und so die Batterielebensdauer erhöhen.
Hallo Freunde. Ich bin Portugiesisch, und ich möchte eine Rolle für meine Metalldetektor (pi) für Kunststoff-Gehäuse (30cm) 2-Rollen machen 26cm jeweils, wie viele Windungen, nimmt jeder ein? die Dicke des Drahtes? und verbindet sich mit dem Anschluss, der Eingang, der Detektor? dieser konzeptionellen Verbindungen, die eine ist richtig? dieser Regelung, die sich entlang geht, ist zu wissen, dass die Rolle zu haben, 1200 uf hat? Danke. CARLOS RODRIGUES (PORTUGAL)
Hallo Olaf Diese Seite kennst du schon ? http://www.geotech1.com/cgi-bin/pages/common/index.pl?page=metdet&file=main.dat Da gibts jede Menge Infos zum Bau von Metalldetektoren. Gruß Gerhard
Bitte melde dich an um einen Beitrag zu schreiben. Anmeldung ist kostenlos und dauert nur eine Minute.
Bestehender Account
Schon ein Account bei Google/GoogleMail? Keine Anmeldung erforderlich!
Mit Google-Account einloggen
Mit Google-Account einloggen
Noch kein Account? Hier anmelden.

