Hallo zusammen, also ich weiss dass dieses Thema bereits mehrfach diskutiert wurde, aber leider bin ich trotz der Suche nicht auf des Rätsels Lösung gestossen... :( Ich möchte die Hintergrundbeleuchtung meines LCDs per Mikrocontroller (MSP430) ein- und ausschalten können. Also hab ich mir überlegt, einen BC337 Transistor als Verstärker zu verwenden, da der Ausgang des Ports weder Spannung noch Strom für das LCD bringen kann. Eigentlich dachte ich die Dimensionierung wäre klar, aber die Praxis is leider mal wieder anders als die Theorie... Der Digitalport bringt 3,3V Ausgangsspannung, mit einem Vorwiderstand von 3,3k an der Basis sollte der Transistor einen Strom von 200mA fließen lassen... das langt mir für das LCD, die Kenndaten sind eigentlich 240 mA @ 4,2V. Möchte ich das Ganze an 5V laufen lassen, müsste ich einen Vorwiderstand einbauen, damit am Transistor nicht zu viel Verlustleistung anliegt. So 1-2 Ohm müssten das sein, hatte ich mir ausgerechnet. Aber wie schon gesagt, funzt das leider ned, das Display ist viel zu dunkel, als ich nachgemessen habe sind ca. 12mA Kollektorstrom geflossen - viel zu wenig... was läuft da verkehrt? Oder sind die 5V zu wenig? Bei 12V bräuchte ich ja einen dicken Vorwiderstand, der die restliche Spannung "verbrät", oder einen Spannungsregler den ich auf 6 oder 7V einstelle, oder? Oder gibt es eine andere simple und/oder geniale Lösung, die ich bis jetzt noch nicht bedacht habe? Ich möchte einfach nur die Beleuchtung ein- und ausschalten können, bei einer maximalen Betriebsspannung der Schaltung von 12V. Für alle Vorschläge/Anregungen bin ich dankbar!
Ich befürchte nicht, da der ganze µC nur mit 3,3V läuft, also wenn dann nur mit zusätzlichen Hilfsbauteilen... Was ist an dem BS170 besonderes, dass du ihn empfiehlst? Den kenne ich nämlich noch ned...
Hallo, der Tip mit dem BS-170 ist das Richtige. Es müsste aber auch mit dem BC337 gehen. Frage: wie ist der Transistor eingefügt (womit ist der Emitter verbunden)? Gruss Kurt
Sind denn die LEDs des LCD bzw. der Eingang des Transistors an 5V oder auch an 3,3V? War es mit den Transistoren nicht so das die Spannung am Ausgang rauskommt welche auch vor dem Vorwiderstand zur Basis anliegt? Der Vorwiderstand dient ja nur zur Strombegrenzung da Transistoren Stromgesteuert sind. Habe übrigens dazu einen BC244 oder BC243, auf jeden Fall NPN-Typ, eingesetzt und geht wunderbar. Natürlich alles mit 5V und PWM-Regelung der Beleuchtung. Um die 5V auf 4,2V zu bringen habe ich eine Diode 4001 vor die Beleuchtung geschaltet. Dadurch wird die Spannung um ca. 0,7V weniger und die Diode wird nicht so heiß wie ein Widerstand. Gruß Andi
Moment! Du möchtest also die Helligkeit des Displays über einen Transistor im aktiven Bereich regeln (rein über hF)??? Das ist grober Unfug. Benutz den Trans. in der Sättigung und mach eine ordentliche PWM-Regelung. Dass du einen ganz anderen Strom als den erwarteten misst, liegt wohl daran, dass hF bei einem BC337 mal 150, mal 250 ist. Der Mittelwert im Datenblatt (war es 200?) ist wirklich nur ein grober Mittelwert, Min/Max streuen da stark. Deine Vorgehensweise ist also wirklich nicht empfehlenswert.
Hallo Andy, wenn ich das richtig verstanden hab ist es so: Collektor an 5V Basis über R am PWM-Ausgang Emitter über Seriendiode an der Beleuchtung. Ist das nicht riskant? Gruss Kurt
Der BC337 reicht locker. Hast Du mal den Spannungsabfall am Transistor gemessen? Dein Vorwiderstand ist viel zu groß. Im Datenblatt ist die Verstärkung von 100-600 angegeben und fällt ab 100mA außerdem stark ab.
@Kurt: Wieso riskant! Es ist eine Diode 4001. Hält 50V und 1A aus. Habe nach der Diode auch 4,1V gemessen und die wird nicht im geringsten heiß. Folgend habe ich das verschaltet: +5V -> Diode -> LCD-Backlight -> NPN-Kollektor -> NPN-Emitter -> GND. An der Basis 1K zum Steuer-Pin des AVR. @Ithamar Garbe: Habe ja immer noch nicht geguckt, was der BC337 für einer ist (NPN oder PNP). Aber einen NPN schaltet man am besten nach und einen PNP vor dem Verbraucher. Gruß Andi
Hmm.. Warum so aufwendig.. Ich würde einfach einen Fet nehmen. (Selbsperrenden typen) Aufs Gate hängst du irgendeinen ausgang vom µC Auf auf die Source hängst du Masse, und auf Drain hängst du die Kathode der Hintergrundbeleuchtung. Anode der Hintergrundbeleuchtung hängt direkt (oder ggf über Vorwiderstand) auf VCC. mfg Sixem
Und welcher FET schaltet bei Gate mit 3,3V? Habe schon Probs einen mit 5V Schaltspannung zu finden bzw. konnte mir noch niemand schreiben. Bräuchte unbedingt so einen. Gruß Andi
Ach ja, bräuchte eigentlich 2 welche am Gate mit -5V zwischen Drain und Source 12 bis 14V schaltet. So was wie PNP-Darlington. Gruß Andi
warum 3.3V?? Ein Ausgang hat doch 5V oder.?? Naja ein normaler IRF540 müsste doch funktionieren. mfg
Rede ja nicht von mir mit den 3,3V! Guck mal weiter oben. Gruß Andi
Hallo Andy, ich gehe davon aus dass es sich bei der Beleuchtung um LEDs handelt. Leds müssen mit "Strom" angesteuert werden. Wenn nun im Display keine Vorwiderstände sind können ev. einige mV entscheiden ob nun 10, 100, oder 1000 mA fließen. Ausserdem ist das Ganze noch sehr Temperaturabhängig. Durch die PWM-Ansteuerung ist zwar der Strom-Mittelwert im Grünen aber die einzelnen Impulse überlasten ev. Die LEDs und den Schalttransistor. Bei einem Steuersstrom von 4,3 mA und einer Verstärkung von 200 fließen immerhin ca. 850 mA. Gruss Kurt
Ist nicht war! Allerdings hat ja nicht nur die Diode einen gewissen Widerstand sondern auch der Transistor. Die LEDs haben auch nen gewissen Widerstand. Wären es 5V für die LEDs könnte man auch direkt mit VCC dran gehen. Funxioniert auch wenn der Transistor voll durchschaltet, also ohne PWM. Habe an Strom knappe 200mA für das LCD, Backlight und µC am Eingang des Reglers gemessen. Gruß Andi
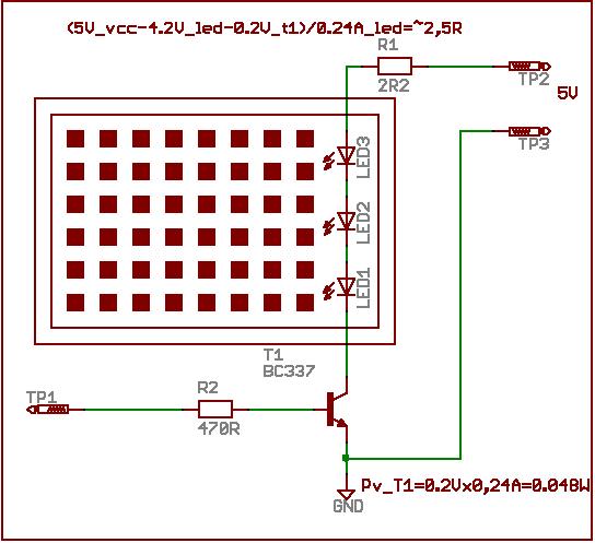
Oioioi, da schaut man ein paar Minuten nicht ins Forum und schon wird man mit Tips überhäuft... vielen Dank erst mal an alle! Also zuerst mal möchte ich die Hintergrundbeleuchtung einfach nur Ein- und Ausschalten können. PWM wäre zwar toll, aber so viel Erfahrung habe ich mit µCs noch nicht, dass ich mich daranwagen würde... das kommt vielleicht später ;) Den Transistor würde ich gerne in Sättigung betreiben, also einfach als Schalter, meinetwegen aber auch nen FET, das ist egal. Das Dumme ist nur, dass ich bei der Beschaltung Probleme habe, trotz E-Technik Studium, 3. Semester ;) Das was ich in der Theorie kann, verhält sich leider in der Praxis oft anders... Also momentan ist meine Beschaltung wie folgt: An der Basis hängt ein 3,3k Widerstand, der mit dem Ausgang des Mikrocontrollers verbunden werden soll. Zum Testen hängt momentan nur ein Labornetzteil mit 3,3V dran. Der Transistor (momentan BC337) hängt mit dem Emitter auf Masse, also Emitterschaltung, während am Kollektor das LCD mit nem Vorwiderstand an +5V dranhängt (muss aber nicht unbedingt 5V sein!). Die Hintergrundbeleuchtung besteht vermutlich aus zwei LED-Parallelschaltungen, die widerum einmal in Serie geschalten sind. Das erkläre ich mir durch die 4,2V Nennspannung bei 240 mA Nennstrom, wenn ich mich nicht irre hat eine einzelne grüne LED 2,1V Durchlassspannung... Meine Idee war, durch den Basisstrom den Kollektorstrom zu prägen, laut Datenblatt würde da 1mA für 200mA Kollektorstrom langen, und die restlich verbleibende Spannung von 0,8V, die auf 5V dann noch fehlt, an nem Widerstand zu verbraten... Aber das klappt ned... gut, die Krokoklemmen haben selbst schon einige Ohm, die sich da sehr negativ auswirken, aber auch wenn ich die Schaltung auf ner Platine zamlöte bringt es nicht viel mehr. An der Beleuchtung fliesst in etwa 20mA und es fallen 3,6V Spannung ab oder so... das kann ich mir nicht erklären - warum fällt an der Kollektor-Emitter-Strecke so viel Spannung ab? Müsste ich mit nem viel kleineren Vorwiderstand an die Basis gehen, damit ich 100% sicher gehen kann, dass sich der Transistor in Sättigung befindet oder muss ich mit der Versorgungsspannung nach oben gehen? Oder ist mein Ansatz mit dem Bipolartransistor völlig verkehrt und ich sollte nen FET verwenden, wie es schon vorgeschlagen wurde? Aber woher bekomme ich dann die Gatespannung, die ich brauche? Der MSP gibt nur 3,3V her, wenn ich mich nicht irre, Sebastian kennt sich da besser aus, von seiner Seite habe ich die Idee mit dem LCD ;) Irgendwie ist das schon frustrierend, wenn man meint die grundsätzlichen Gesetze der Elektronik zu verstehen und dann macht die Praxis einem einen Strich durch die Rechnung... ;)
Hast Du nen 5 oder 6Ohm Widerstand vor dem Backlight? Oder etwa mehr? Ansonsten lege 5V an den Basis-Widerstand an und/oder verringer den Basiswiderstand. Gruß Andi
@Andi: Der 337 ist ein npn-Transistor. Ich habs mal so aufgebaut wie du beschrieben hast, also mit 1k an der Basis und ner Diode am Kollektor, aber es fliessen trotzdem nur 50mA - und ich hätte gerne wenigstens 150-200, damit das Display hell genug ist... Ich bin ehrlich gesagt ein wenig verwirrt, ich dachte ich muss den Strom prägen, weil bei ner Diodenkennlinie (von den LEDs) die Spannung nach oben ja abhaut und es irgendwann mal "puff" macht und meine Bauteile sind futsch... Aber ich bekomm die 150-200mA ned hin... und woher weiss ich was an C-E am Transistor für ne Spannung abfällt? Ich sehe, ich muss noch viel lernen... ;)
Und wie schauts mit 5V an dem Basis-Widerstand aus? Gruß Andi
Also mit 5V würden 80mA fliessen, ich habe mal kurz spasshalber 12V drangehangen, da käme ich dann "sogar" auf 120mA - was fast schon mal erträglich wäre... aber noch nicht optimal... Angenommen ich würde mit 10mA treiben, würde ich den Transistor sicher in Sättigung bekommen oder? Aber dann müsste ich ne Strombegrenzung vor der Beleuchtung reinschalten sonst könnte es sein, dass die durchbrennt, richtig?
@AxelR.: Cool, vielen Dank für die Grafik. Hast du die irgendwie simuliert oder ist das einfach ne Skizze von ner berechneten Schaltung? Dumm finde ich die geringen Widerstände, erstens hab ist der geringste Wert den ich da hab, 16 Ohm (müsste mir also ein paar parallel schalten), ausserdem spielen da Leitungswiderstände und so schon mit rein, die man berücksichtigen müsste, denke ich... ich hab zwar keine ewig langen Kabel, aber haben kurze Kabel inklusive Lötstellen nicht auch schon nen Widerstand der an den Ohm-Bereich rangeht?
Wie hoch ist die Versorgungsspannung für das Backlight? 5V oder 12V? Bei 5V benötigt man 5 bis 6Ohm oder eben eine Diode welche die ca. 0,7V blockt. Bei 12V mehr, so um die 33Ohm. Der Widerstand sollte dann mindestens 1W aushalten. Gruß Andi
ich bin schon ein "alter Sack" mit Spieltrieb. Sowas hat man dann schon öfter mal gebaut... Kannst ja auch eine oder zwei Schottky Dioden statt des widerstandes nehmen.
Hmm ok, ich bin leider noch viel zu sehr Newbie ;) Ich experimentiere zwar schon seit vielen Jahren mit Elektronik, aber Transistorstufen sind immer noch ein Buch mit sieben Siegeln für mich - ich hoffe das ändert sich bald. Also ich hab die Schaltung von Axel nachgebaut, aber leider bekomme ich trotzdem nicht das gewünschte Ergebnis - ich glaub ich stell mich saublöd an. Vielleicht hat die Beleuchtung ja schon nen Vorwiderstand, was ich aber aus dem Datenblatt nicht rauslesen konnte. Wer möchte, kann das ja mal überprüfen: http://www.reichelt.de/inhalt.html?ACTION=7;LASTACTION=6;GRUPPE=A5211;WG=0;ARTIKEL=LCD%2520204B%2520LED;START=0;END=16;FOLDER=A500;FILE=LCD204B%2523DIS.pdf;STATIC=0;FC=670;PROVID=0;TITEL=0;DOWNLOADTYP=1;DATASHEETAUTO= Ich habe sogar den Vorwiderstand des LCD weggelassen und bin mit 470 Ohm an die Basis gegangen - trotzdem fliessen nicht mehr als 60mA durch die Beleuchtung... An der Beleuchtung fallen 3,8V ab, am C-E vom Transistor fallen 0,8 ab, am Widerstand 0,14 und an den restlichen Leitungen (Krokoklemmen) 0,26V... Laut der Zeichnung sollten es ja an C-E 0,2V sein... dann wäre die korrekte Spannung an den LEDs... warum ist das nicht so? Sind die Bauteiltoleranzen so hoch oder habe ich noch nen Denkfehler bei mir?
naja, stimmt vielleicht die Anschlußbelegung vons deinem Transistor nich... Basis aussen oder so oder in der Mitte?
Hallo Axel, Deine Teorie ist schon OK. Die 0,8V C-E sind eindeutig zu viel. 0,3 sind hier angebracht. Dass heisst dass der Transistor nicht richtig durchschaltet. Heisst weiter B-E Steuerstrom zu gering . Versuch mal einen anderen Transistor oder erhöhe den Basisstrom Gruss Kurt
Oh mann ich dachte nicht, dass ein Ein-/Ausschalten von nem LED Modul so viel Aufwand ist ;) Also ich habe jetzt mal verschiedene 337'er getestet, von unterschiedlichen Herstellern und/oder Produktionsprozessen - und habe zwischen Kollektor und Emitter Spannungen von 0,5V - 1,05V gemessen... also scheinbar steuern die noch nicht richtig durch. Jetzt könnte ich natürlich den Vorwiderstand an der Basis so klein machen, dass dort 10mA oder so fließen - dann steuert er relativ sicher durch, aber ich bin mir nicht sicher was der MSP430 treiben kann - laut Datenblatt ca. 1,2mA (kann das stimmen?) Gibts vielleicht nen geeigneteren Transistor? BC547/548 hätte ich noch da, würden die u.U. weiterhelfen? Oder müsste ich mehrere Transistorstufen hintereinanderschalten? Oder auf nen ULN2003A ausweichen, ich glaub der kann bis zu 500mA liefern... Bin total verwirrt...
Lass dich nicht verwirren, so ist das mal! Der nächste Vorschlag: Mach aus Deinem BC337 einen Darlington. BC337 mit BC547 treiben (beide Col. zusammen, Emitter vom 547 auf Basis vom 337 Die Stromverstärkung wird Multipliziert (der Steuerstrom für den BC337 läuft jetzt sogar über die Beleuchtung). Der Basiswiderstand für den BC547 errechnet sich aus: UBE 337 + UBE 547 = ca 1,5V Bleibt (3,3 - 1,5) 1,5V und einige Mikro-Amp Steuerstrom Hier sollte ein Widerst von 10..100kOhm ausreichen. Viel Erfolg Kurt
Sorry hier ist ein Gedankenfehler drin. !! Der Kollektor vom B547 muss an + 5V und ein Strombegrenzungswiderstand zur Basis des 337 ist notwendig. Erklärung: Die Kollektorspannung für den BC547 ist sonst nicht vorhanden. Kurt
stimmen denn die Anschlüsse nun? muss man schon aufpassen...
Also der BC337 ist definitiv so belegt, wie in dem Anhang angegeben. Den anderen verwende ich nie, weiss daher auch nix drüber.
Oh mann ist das peinlich... nachdem die Beleuchtung ja nur gebrannt hat, wenn Basisstrom geflossen ist, bin ich davon ausgegangen, dass alles richtig beschaltet war... Aber nachdem ich mir die Pins noch mal genau angesehen habe, hab ich gemerkt, dass tatsächlich Kollektor und Emitter vertauscht waren. Und ich Idiot habs ned bemerkt... Ich glaub ich brech mein Studium ab und werd irgendwas, wo ich keinen solchen Mist bauen kann... Jetzt fällt nämlich tatsächlich nur 0,1V an C-E ab, und die Beleuchtung ist sogar halbwegs hell... zwar nicht ganz optimal, da nur 0,1A Strom fließen statt 0,2A, aber vielleicht wird ja auch einiges durch die Krokoklemmen verschluckt - mal gucken wie's in der endgültigen Schaltung aussieht... Mal ne andere Frage: Wenn ich nen Transistor als Schalter benutzen möchte, dann schicke ich einfach nen großen (natürlich im Toleranzbereich liegenden) Strom in die Basis, damit der Transistor in Sättigung geht, richtig? Also wenn der Transistor meinetwegen 20mA Dauerbelastung aushält, schicke ich 10mA durch, wenn er schalten soll...? Also ich bin froh dass es endlich läuft, aber ich möchte mich nochmal in aller Form entschuldigen und bedanken, dass Ihr so viel Zeit in die Antworten investiert habt. Ich war echt am verzweifeln - und dann so ein blöder Fehler! Aber den mach ich glaub ich nie wieder... Ich dachte eigentlich dass die Pinbelegung genormt ist und immer die Basis in der Mitte ist und der Kollektor oben, wenn man auf den Transistor draufschaut und die abgeflachte Seite nach rechts zeigt, aber es ist wohl genau anders rum...
sach ich doch, aufpassen... Schön, dass es jetzt geht. Das nur 100mA fliessen und am Transistor ja nur 0.1Volt abfallen - hmm, weiss ich auch nicht. AxelR.
doch, sind zwei grüne Chips in Reihe, das passt dann mitm Strom. Ich würd' sowieso die 12Volt nehmen, kocht der Regler nicht so sehr.
Bitte melde dich an um einen Beitrag zu schreiben. Anmeldung ist kostenlos und dauert nur eine Minute.
Bestehender Account
Schon ein Account bei Google/GoogleMail? Keine Anmeldung erforderlich!
Mit Google-Account einloggen
Mit Google-Account einloggen
Noch kein Account? Hier anmelden.

