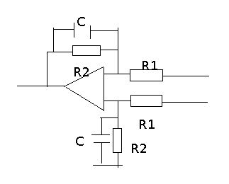
Hallo ich arbeite an einem Schulprojekt und sol eine einfache Messschaltung aufbauen. Es soll ein Strom über einen Shunt gemessen werden. Die Spannung des Shunts soll mit der beigelegten OP-Schaltung Verstärkt werden. Die Widerstände hab ich auch schon bestimmt. Nur kann mir jemand erklären wofür die beiden Kondesatoren gut sind? Finde im Internet nicht gerade gute Erklärunge dazu.Besten Dank schon mal.
Die Suchbegriffe lauten für C1: Integrator C2: Tiefpass und das Ganze dient zum Ausfiltern von höherfrequenten Anteilen (Störungen) vom Nutzsignal. mfG ingo
Das ist ein Subtrahierverstärker und ein Tiefpass 1. Ordnung in einem. Wahrscheinlich sind jeweils zwei der Widerstände und die beiden Kondensatoren gleichgroß (s. Anhang). Dann ist die DC-Verstärkung R2/R1 und die Grenzfrequenz 1/(2π·R2·C). Die Schaltung bestimmt also die Spannung zwischen den beiden Enden des Shunts, verstärkt diese und filtert höherfrequente Signalanteile heraus. http://de.wikipedia.org/wiki/Subtrahierer#Subtrahierverst.C3.A4rker http://de.wikipedia.org/wiki/Tiefpass#Tiefpass_1._Ordnung
Bitte melde dich an um einen Beitrag zu schreiben. Anmeldung ist kostenlos und dauert nur eine Minute.
Bestehender Account
Schon ein Account bei Google/GoogleMail? Keine Anmeldung erforderlich!
Mit Google-Account einloggen
Mit Google-Account einloggen
Noch kein Account? Hier anmelden.

