Kann ich in dieser Schaltung statt dem Quarz auch einen Keramikresonator verwenden? Warum sind in allen Schaltungen normalerweise Noch Kondensatoren vom Quarz gegen Ground und in dieser nicht???
Hi Ferdinad, <Kann ich in dieser Schaltung statt dem Quarz auch einen <Keramikresonator verwenden? Im Prinzip ja, das Problem ist die grössere Ungenauigkeit vom Resonator (etwa 0,5%). Das must Du allerdings selbst entscheiden. <Warum sind in allen Schaltungen normalerweise Noch Kondensatoren vom <Quarz gegen Ground und in dieser nicht??? Nicht alle Schaltungen sind gut gemacht. Die Kondensatoren dienen zum gesicherten Anschwingen und auch zum Betrieb mit den angegebenen Toleranzen. Wenn man sie weglässt, könnte das System bei einer Serienproduktion instabiel sein. MfG Oryx
Das stimmt so nicht ganz die meisten Resonatoren, die ich kenne haben 50ppm Abweichung und 50ppm Temperaturstabilität. Weiters gibt es Resonatoren mit 3 Anschlüssen, wo die Kapazitäten schon integriert sind (Der dritte Anschluss wird dann auf Masse gelegt). Ich persönlich verwende bei fast allen Schaltungen Resonatoren mit integrierten Kapazitäten statt einem Quarz, weil sie weniger Probleme machen. Die Genauigkeit reicht für einen IR-Empfänger ganz bestimmt! Hab ich auch schon probiert. Grüße Clemens
IR Empfänger ja, USB jaein (ich vermute mal es ist die Igor Schaltung, denn bei der fehlen die Cs). Schaut mal ins FT232 Datenblatt: Normale Resonatoren (wie es bei Reichelt gibt) werden nicht empfohlen, da die zu ungenau sein können (bei mir läufts aber wunderbar). Bei einem Bastler ist es nicht schlimm, denn normalerweise erwischt man nicht gerade eine Resonator der ganz am Rande des Toleranzbereichs ist, in der Serienproduktion wäre ich da aber vorsichtiger. Wenn es nur um einfache Sachen wie Thermometer mir DS1820 geht, kann man problemlos Resonatoren nehmen, programmiert man aber eine Uhr oder misst Frequenzen auf 0,01% dann sollte man schon einen Quarz verwenden.
Hallo Clemens, hast Du evtl. ein Datenblatt und eine Bezugsquelle für die Resonatoren mit 50ppm. Die von Murata haben leider +-0,5% Evtl. habe ich da auch etwas übersehen. MfG Oryx
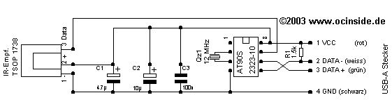
Würde den Resonator von RS verwenden Hat 3 Füsschen (also Kapazitäten gegen Ground) 30ppm Temperaturstabilität und 50 ppm Genauigkeit Die bezeichnung ist CST12.00MTW (12 MHZ) Ja, es handelt sich um eine abgewandelte Version vom Igor USB IR
Ist das wirklich ein Keramikresonator oder nicht doch ein Quarz mit internen Kapazitäten ? Bei Reichelt gibt es ja auch einen CST12, der ist aber von muRata und die haben alle 0,5%. Und der Unterschied 0,5% zu 0,005% ist schon ordentlich. Das schaffen viele Quarze nichtmal...
Bitte melde dich an um einen Beitrag zu schreiben. Anmeldung ist kostenlos und dauert nur eine Minute.
Bestehender Account
Schon ein Account bei Google/GoogleMail? Keine Anmeldung erforderlich!
Mit Google-Account einloggen
Mit Google-Account einloggen
Noch kein Account? Hier anmelden.
