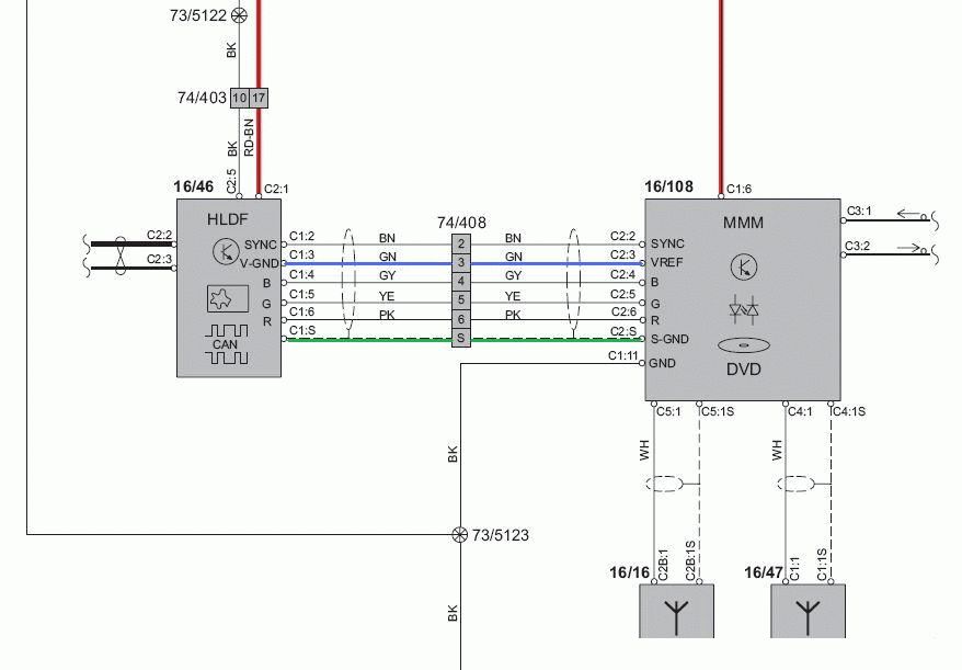
Hallo zusammen, hoffe sehr, dass ihr mir mit eurem Fachwissen weiterhelfen könnt! Ich möchte auf meinem werkseitig eingebauten Monitor ein externes Video-Signal einspielen. In meinem Fahrzeug wird das dreikanalige RGB-Signal zur Bildübermittlung verwendet. Hierfür habe ich mir einen Formatwandler gekauft, der das PAL-Signal in die RGB-Signale umwandeln soll. Des Weiteren habe ich mir den originalen Schaltplan (als Bild angehängt) besorgt, der die Pin-Belegung am Navi-Rechner (16/108) zeigt. Genau hier habe ich ein Problem: Die RGB-Signale sind klar. Auch das benötigte SYNC-Signal ist klar ersichtlich. Aber an welchen Anschluss liegt das GND (Masse)-Signal an? Ist es der Anschluss mit der blau oder grün markierten Strecke? Ich tippe auf V-GND! Aber was macht denn VREF da? An VREF liegt doch normalerweise Spannung an? Oder ist es der Leitungs-Schirm (S-GND), der evtl. als Masse-Leiter verwendet wird? Für viele von euch sicher kein Problem und alles ganz klar, aber ich tue mir nun etwas schwer. Im Voraus vielen Dank für eure Hilfe! Gruß alpa
Die grün hervorgehobene Leitung ist rechts mit S-GND bezeichnet und mit der Abschirmung verbunden, das dürfte also so etwas wie "shield ground" bedeuten. Die blau hervorgehobene Leitung heißt rechts irritierenderweise VREF, links aber V-GND, das wird das tatsächliche GND-Potential sein.
Hallo Rufus, vielen Dank für Deine Antwort. Habe mir so was schon fast gedacht, wollte aber doch auf Nummer sicher gehen. Danke nochmal! Gruß alpa
Bitte melde dich an um einen Beitrag zu schreiben. Anmeldung ist kostenlos und dauert nur eine Minute.
Bestehender Account
Schon ein Account bei Google/GoogleMail? Keine Anmeldung erforderlich!
Mit Google-Account einloggen
Mit Google-Account einloggen
Noch kein Account? Hier anmelden.
